Скачать Серия 3.501.2-139 Выпуск 2-6. Часть 2. Пролетные строения пролетами 88,0 - 110,0 м. Конструкции металлические. Изделия. Чертежи КМДата актуализации: 10.08.2017 Серия 3.501.2-139
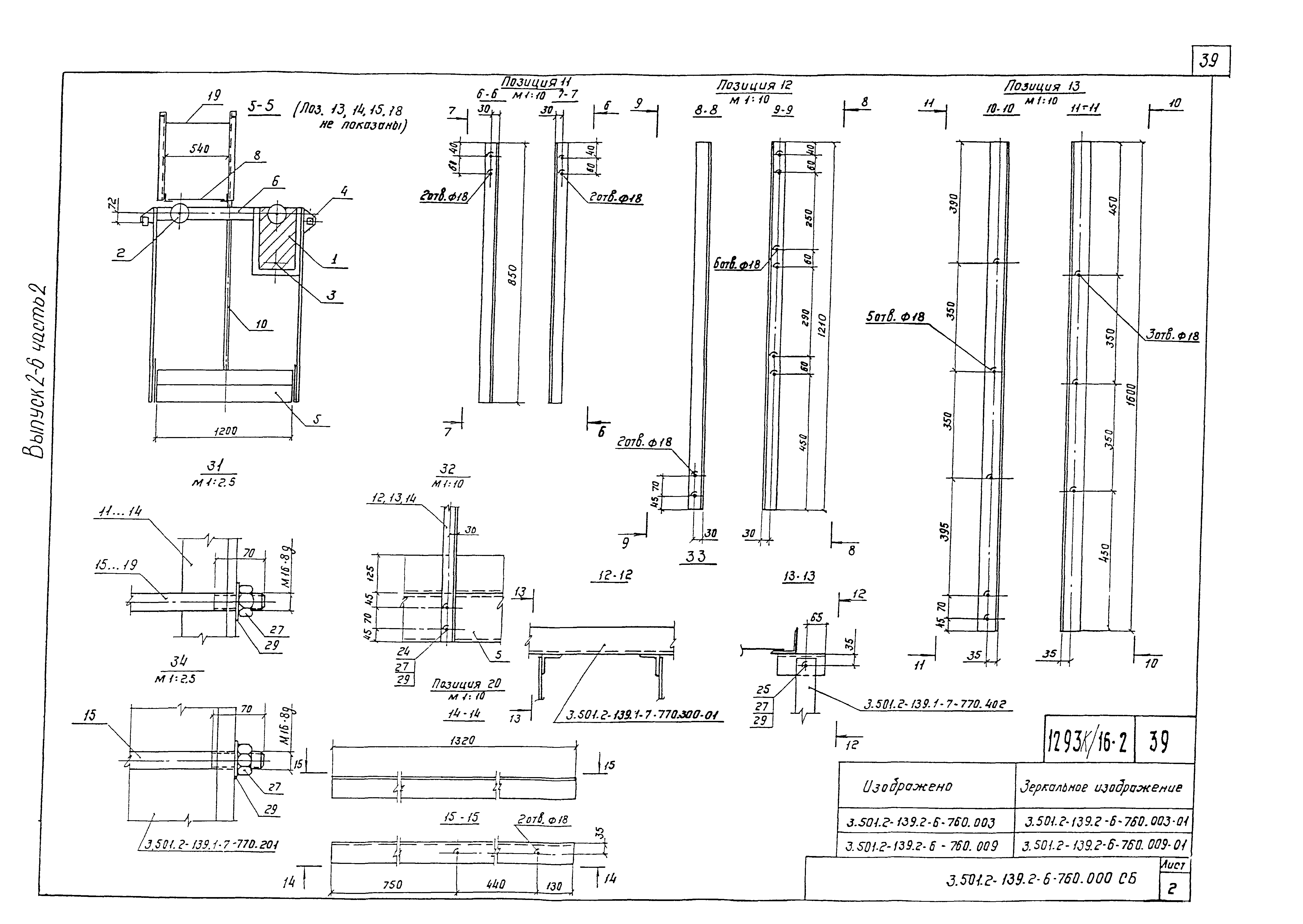
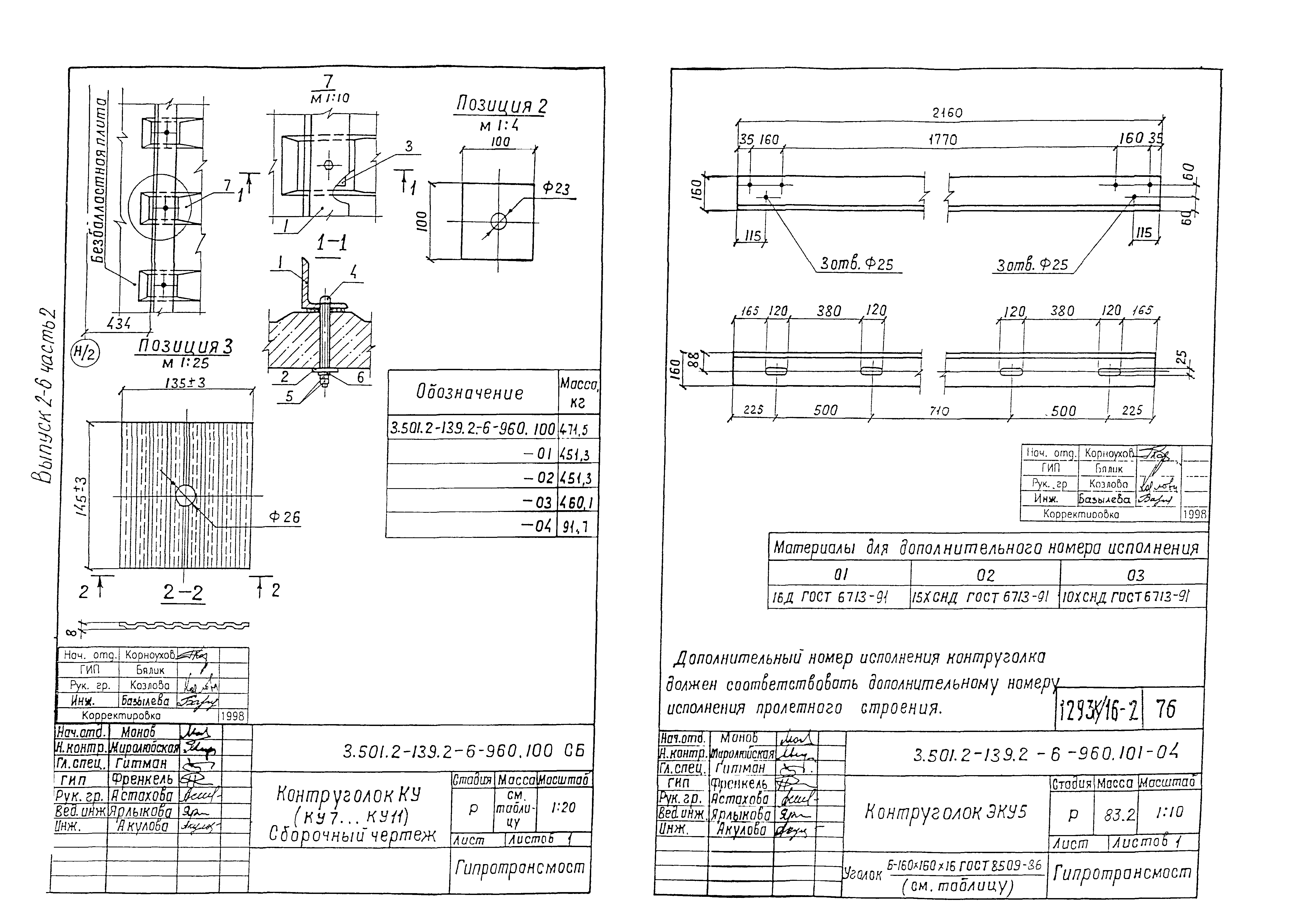
Выпуск 2-6. Часть 2. Пролетные строения пролетами 88,0 - 110,0 м. Конструкции металлические. Изделия. Чертежи КМОбозначение: | Серия 3.501.2-139 | Обозначение англ: | Series 3.501.2-139 | Статус: | не действует | Название рус.: | Выпуск 2-6. Часть 2. Пролетные строения пролетами 88,0 - 110,0 м. Конструкции металлические. Изделия. Чертежи КМ | Дата добавления в базу: | 01.09.2013 | Дата актуализации: | 05.05.2017 | Дата введения: | 01.01.2006 | Оглавление: | 3.501.2-139.2-6-000.000 Содержание выпуска 3.501.2-139.2-6-000.000ТО Техническое описание 3.501.2-139.2-6-710.000 Балка катучая БК1 3.501.2-139.2-6-710.000СБ Балка катучая БК1. Сборный чертеж 3.501.2-139.2-6-710.100 Металлоконструкция МК1 3.501.2-139.2-6-710.100СБ Металлоконструкция МК1. Сборочный чертеж 3.501.2-139.2-6-710.120 Петля люка 3.501.2-139.2-6-710.200 Сход на самоподъемную люльку ССЛ1 3.501.2-139.2-6-720.400 Шина Ш (Ш1…Ш4) 3.501.2-139.2-6-730.000 Лестница по опорному раскосу ЛОР (ЛОР1, ЛОР2) 3.501.2-139.2-6-730.000СБ Лестница по опорному раскосу ЛОР (ЛОР1, ЛОР2). Сборочный чертеж 3.501.2-139.2-6-730.002 Поручень ПС (ПС1…ПС3) 3.501.2-139.2-6-730.100 Стойка СС (СС1, СС2) 3.501.2-139.2-6-730.200 Косоур КС1 3.501.2-139.2-6-730.210 Диафрагма 3.501.2-139.2-6-730.300 Косоур КС2 3.501.2-139.2-6-730.400 Косоур КС3 3.501.2-139.2-6-730.500 Лестница вертикальная ЛВ1 3.501.2-139.2-6-730.500СБ Лестница вертикальная ЛВ1. Сборочный чертеж 3.501.2-139.2-6-730.600 Лестница вертикальная ЛВ2 3.501.2-139.2-6-730.600СБ Лестница вертикальная ЛВ2. Сборочный чертеж 3.501.2-139.2-6-750.000 Сход на опору СО1 3.501.2-139.2-6-750.000СБ Сход на опору СО1. Сборочный чертеж 3.501.2-139.2-6-750.100 Площадка ПСО1 3.501.2-139.2-6-750.200 Лестница ЛСО1 3.501.2-139.2-6-760.000 Тележка смотровая ТС1 3.501.2-139.2-6-760.000СБ Тележка смотровая ТС1. Сборочный чертеж 3.501.2-139.2-6-760.100 Площадка ПТС1 3.501.2-139.2-6-760.100СБ Площадка ПТС1. Сборочный чертеж 3.501.2-139.2-6-770.200 Консоль КПК1 3.501.2-139.2-6-770.300 Путь катания ПК (ПК1…ПК4) 3.501.2-139.2-6-801.000 Пояс верхний ВП (ВП9, ВП10) 3.501.2-139.2-6-801.000СБ Пояс верхний ВП (ВП9, ВП10). Сборочный чертеж 3.501.2-139.2-6-803.100 Фасонка ФВ8 3.501.2-139.2-6-804.100 Фасонка ФВ(ФВ6, ФВ7) 3.501.2-139.2-6-805.100 Балансир Б1 3.501.2-139.2-6-805.200 Накладка НВ (НВ1…НВ4) 3.501.2-139.2-6-805.200СБ Накладка НВ (НВ1…НВ4). Сборочный чертеж 3.501.2-139.2-6-910.100 Консоль К (К1…К5) 3.501.2-139.2-6-910.100СБ Консоль К (К1…К5). Сборочный чертеж 3.501.2-139.2-6-910.200 Консоль К6 3.501.2-139.2-6-910.210 Консоль К7 3.501.2-139.2-6-910.210СБ Консоль К7. Сборочный чертеж 3.501.2-139.2-6-910.220 Консоль К10 3.501.2-139.2-6-910.220СБ Консоль К10. Сборочный чертеж 3.501.2-139.2-6-910.300 Короб КК (КК1…КК5) 3.501.2-139.2-6-910.300СБ Короб КК (КК1…КК5). Сборочный чертеж 3.501.2-139.2-6-910.310 Прогон ПР (ПР1…ПР5) 3.501.2-139.2-6-910.310СБ Прогон ПР (ПР1…ПР5). Сборочный чертеж 3.501.2-139.2-6-910.320 Крышка короба КР (КР3…КР6) 3.501.2-139.2-6-910.320СБ Крышка короба КР (КР3…КР6). Сборочный чертеж 3.501.2-139.2-6-910.400 Короб КК (КК6, КК7) 3.501.2-139.2-6-910.400СБ Короб КК (КК6, КК7). Сборочный чертеж 3.501.2-139.2-6-910.410 Крышка короба КР (КР7, КР8) 3.501.2-139.2-6-910.420 Прогон ПР (ПР6, ПР7) 3.501.2-139.2-6-920.101 Поручень ППО (ППО1…ППО12) 3.501.2-139.2-6-940.101 Накладка НС (НС1, НС2) 3.501.2-139.2-6-940.200 Контруголок КУ (КУ1…КУ5) 3.501.2-139.2-6-940.300 Уголок охранный УО (УО1…УО5) 3.501.2-139.2-6-960.100 Контруголок КУ (КУ7…КУ11) 3.501.2-139.2-6-960.100СБ Контруголок КУ (КУ7…КУ11). Сборочный чертеж 3.501.2-139.2-6-960.101 Контруголок ЭКУ (ЭКУ1…ЭКУ4) 3.501.2-139.2-6-960.101-04 Контруголок ЭКУ5 3.501.2-139.2-6-960.302 Накладка НС3 3.501.2-139.2-6-980.100 Плита (ПТМ5, ПТМ6) 3.501.2-139.2-6-980.100СБ Плита ПТМ (ПТМ5, ПТМ6). Сборочный чертеж | Разработан: | Гипротрансмост
| Утверждён: | 06.05.1987 МПС СССР (USSR Ministry of Railroads А-2593у)
| Расположен в: |
| Заменяет собой: | |
                                                                             
|