Информационная система
«Ёшкин Кот»

Скачать базу одним архивом
Скачать обновления
История создания базы
Карта сайта

Скачать ОСТ 1 00156-75 Надежность изделий авиационной техники. Классификаторы признаков неисправностей

Дата актуализации: 10.08.2017

ОСТ 1 00156-75

Надежность изделий авиационной техники. Классификаторы признаков неисправностей

Обозначение: ОСТ 1 00156-75
Обозначение англ: 00156-75
Статус:действует
Название рус.:Надежность изделий авиационной техники. Классификаторы признаков неисправностей
Дата добавления в базу:01.09.2013
Дата актуализации:05.05.2017
Дата введения:01.01.1976
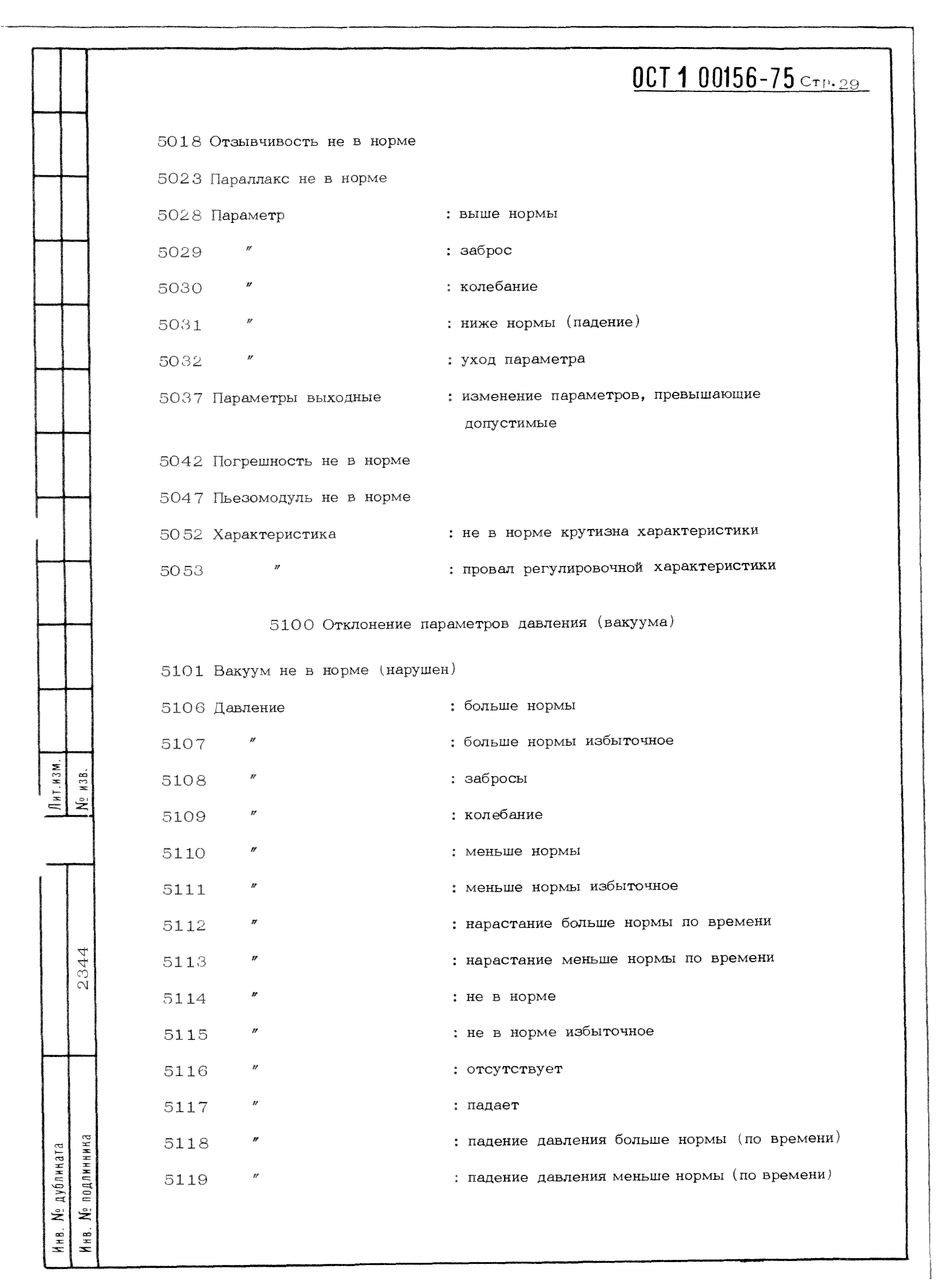
Область применения:Стандарт устанавливает единую систему классификации признаков неисправностей самолетов, вертолетов, их двигателей, систем, подсистем, приборов, агрегатов, узлов и деталей. Стандарт предназначен для кодирования информации о неисправностях изделий авиационной техники.
Оглавление:1 Общие положения
2 Классификатор "внешние проявления неисправностей"
3 Классификатор "характеры неисправностей"
4 Классификатор "причины неисправностей"
5 Классификатор "условия возникновения неисправностей"
Утверждён:24.02.1975 Министерство (Ministry 087-16)
Расположен в:Техническая документация
ОСТ 1 00156-75ОСТ 1 00156-75ОСТ 1 00156-75ОСТ 1 00156-75ОСТ 1 00156-75ОСТ 1 00156-75ОСТ 1 00156-75ОСТ 1 00156-75ОСТ 1 00156-75ОСТ 1 00156-75ОСТ 1 00156-75ОСТ 1 00156-75ОСТ 1 00156-75ОСТ 1 00156-75ОСТ 1 00156-75ОСТ 1 00156-75ОСТ 1 00156-75ОСТ 1 00156-75ОСТ 1 00156-75ОСТ 1 00156-75ОСТ 1 00156-75ОСТ 1 00156-75ОСТ 1 00156-75ОСТ 1 00156-75ОСТ 1 00156-75ОСТ 1 00156-75ОСТ 1 00156-75ОСТ 1 00156-75ОСТ 1 00156-75ОСТ 1 00156-75ОСТ 1 00156-75ОСТ 1 00156-75ОСТ 1 00156-75ОСТ 1 00156-75ОСТ 1 00156-75ОСТ 1 00156-75ОСТ 1 00156-75ОСТ 1 00156-75ОСТ 1 00156-75ОСТ 1 00156-75ОСТ 1 00156-75ОСТ 1 00156-75ОСТ 1 00156-75ОСТ 1 00156-75ОСТ 1 00156-75ОСТ 1 00156-75ОСТ 1 00156-75ОСТ 1 00156-75ОСТ 1 00156-75ОСТ 1 00156-75ОСТ 1 00156-75ОСТ 1 00156-75ОСТ 1 00156-75ОСТ 1 00156-75ОСТ 1 00156-75ОСТ 1 00156-75ОСТ 1 00156-75ОСТ 1 00156-75ОСТ 1 00156-75ОСТ 1 00156-75ОСТ 1 00156-75ОСТ 1 00156-75ОСТ 1 00156-75ОСТ 1 00156-75ОСТ 1 00156-75ОСТ 1 00156-75ОСТ 1 00156-75ОСТ 1 00156-75ОСТ 1 00156-75ОСТ 1 00156-75ОСТ 1 00156-75ОСТ 1 00156-75ОСТ 1 00156-75ОСТ 1 00156-75ОСТ 1 00156-75ОСТ 1 00156-75ОСТ 1 00156-75ОСТ 1 00156-75ОСТ 1 00156-75ОСТ 1 00156-75ОСТ 1 00156-75ОСТ 1 00156-75ОСТ 1 00156-75ОСТ 1 00156-75ОСТ 1 00156-75ОСТ 1 00156-75ОСТ 1 00156-75ОСТ 1 00156-75ОСТ 1 00156-75ОСТ 1 00156-75ОСТ 1 00156-75ОСТ 1 00156-75ОСТ 1 00156-75ОСТ 1 00156-75ОСТ 1 00156-75ОСТ 1 00156-75ОСТ 1 00156-75ОСТ 1 00156-75ОСТ 1 00156-75ОСТ 1 00156-75ОСТ 1 00156-75ОСТ 1 00156-75ОСТ 1 00156-75ОСТ 1 00156-75ОСТ 1 00156-75ОСТ 1 00156-75ОСТ 1 00156-75ОСТ 1 00156-75ОСТ 1 00156-75ОСТ 1 00156-75ОСТ 1 00156-75ОСТ 1 00156-75ОСТ 1 00156-75ОСТ 1 00156-75ОСТ 1 00156-75ОСТ 1 00156-75ОСТ 1 00156-75ОСТ 1 00156-75ОСТ 1 00156-75ОСТ 1 00156-75

© 2013 Ёшкин Кот :-) Карта сайта