| ||||||||||||||||||||||||||||||||
Скачать РД 45.155-2000 Заземление и выравнивание потенциалов аппаратуры ВОЛП на объектах проводной связиДата актуализации: 10.08.2017
|
| Обозначение: | РД 45.155-2000 |
| Обозначение англ: | RD 45.155-2000 |
| Статус: | действует |
| Название рус.: | Заземление и выравнивание потенциалов аппаратуры ВОЛП на объектах проводной связи |
| Дата добавления в базу: | 01.09.2013 |
| Дата актуализации: | 05.05.2017 |
| Дата введения: | 01.09.2000 |
| Область применения: | Положения РД обязательны для выполнения на проектируемых и реконструируемых объектах проводной связи, на которых устанавливается аппаратура волоконно-оптических линий передачи (ВОЛП) магистральной и зоновых сетей ВСС России. |
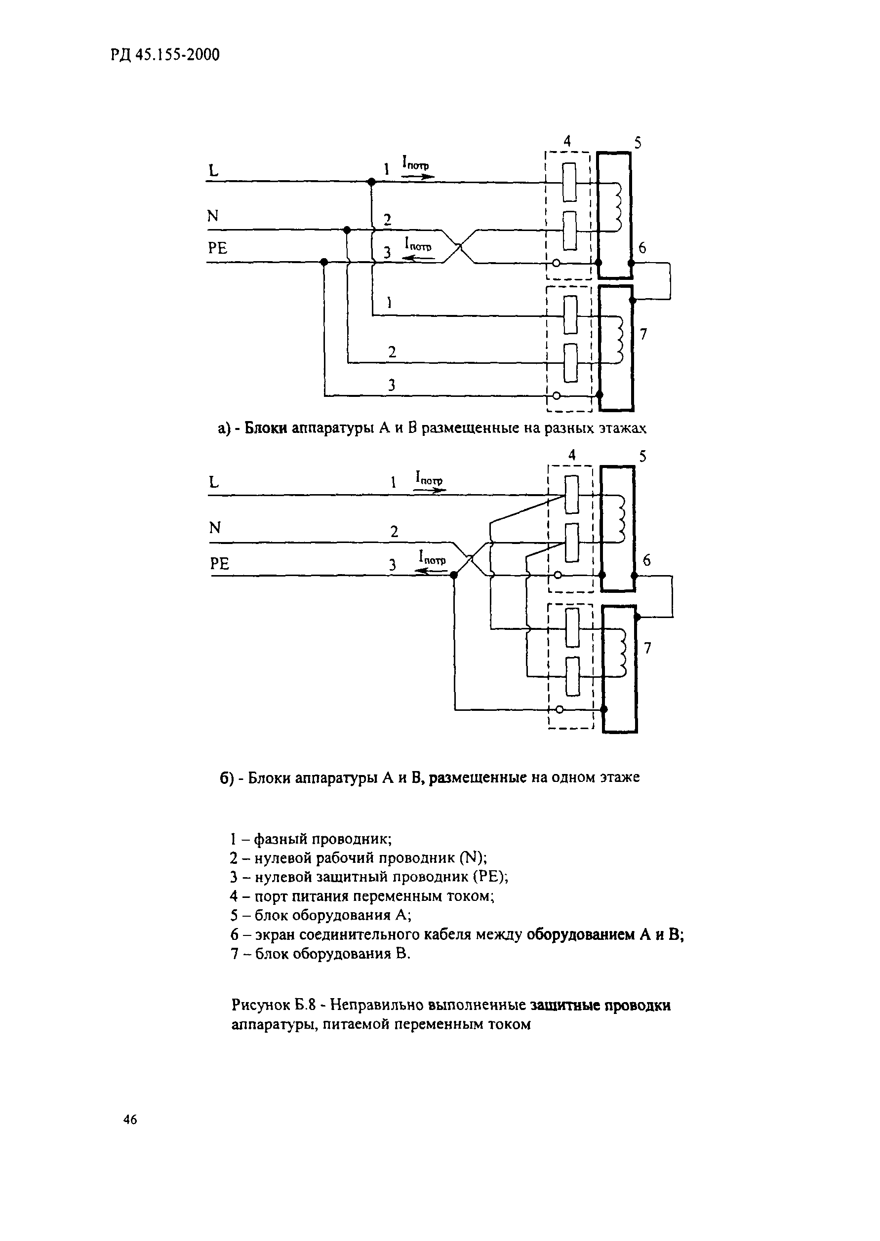
| Оглавление: | 1 Область применения 2 Нормативные ссылки 3 Определения 4 Сокращения 5 Общие положения 6 Устройство периферийной системы заземляющих проводников технического здания обслуживаемого объекта связи 7 Устройство основной системы выравнивания потенциалов технического здания объекта связи 8 Устройство системы кольцевых потенциаловыравнивающих проводников 9 Устройство вертикальной системы выравнивания потенциалов 10 Заземление корпусов аппаратуры ВОЛП 11 Устройство дополнительных потенциаловыравнивающих соединений в системе защиты от заноса высокого потенциала 12 Вводы коммуникаций в объекты связи 13 Заземление систем токоведущих проводников сети электропитания аппаратуры ВОЛП переменным током на объектах связи 14 Включение аппаратурных комплексов ВОЛП в основную систему выравнивания потенциалов здания объекта связи 15 Приоритеты при выполнении положений руководства для объектов связи Приложение А Отечественные, международные и европейские нормативные документы, положенные в основу РД "Заземление и выравнивание потенциалов аппаратуры ВОЛП на объектах проводной связи" Приложение Б Анализ вероятных вариантов совмещения на практике аппаратуры систем передачи, рассчитанной разработчиком на подключение к трехфазным четырехпроводным, трехфазным пятипроводным и однофазным трехпроводным системам токоведущих проводников электрической сети переменного тока Приложение В Техника заземления бронепокровов ОК на существующих НРП-О фирмы Siemens, предложенная ТЦМС-5 ОАО "Ростелеком" Приложение Г Библиография |
| Разработан: | АНО НТЦ связи ЦНИИС-РТК |
| Утверждён: | 31.07.2000 Минсвязи России (Russian Federation Minsvyazi 4757) |
| Издан: | ЦНИИ связи (2000 г. ) |
| Расположен в: | |
| Нормативные ссылки: |
|






















































