Информационная система
«Ёшкин Кот»

Скачать базу одним архивом
Скачать обновления
История создания базы
Карта сайта

Скачать Руководство Руководство по применению испарителей жидкого хлора ИЖХ-12,5 и ИЖХ-50

Дата актуализации: 10.08.2017

Руководство

Руководство по применению испарителей жидкого хлора ИЖХ-12,5 и ИЖХ-50

Обозначение: Руководство
Обозначение англ: Guide
Статус:действует
Название рус.:Руководство по применению испарителей жидкого хлора ИЖХ-12,5 и ИЖХ-50
Название англ.:Guidelines for Use of Liquid Chlorine Evaporators Type IZhKh-12.5 and IZhKh-50
Дата добавления в базу:01.09.2013
Дата актуализации:05.05.2017
Дата введения:29.09.1989
Область применения:Руководство предназначено для проектных и эксплуатационных организаций.
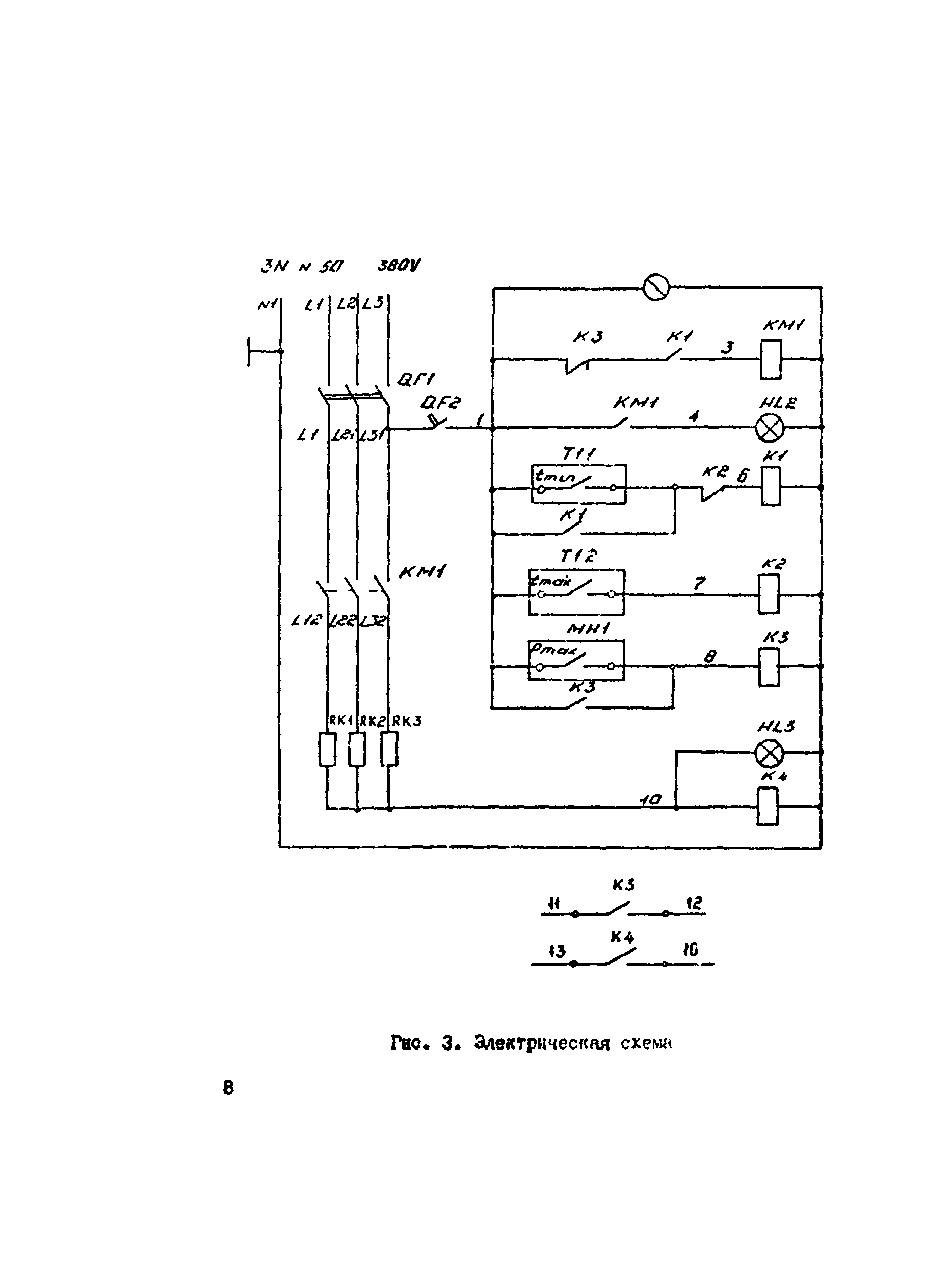
Оглавление:Назначение изделия
Технические характеристики
Устройство и принцип работы
Меры безопасности
Размещение, монтаж и подготовка испарителей к работе
Порядок работы
Разработан: НИИ КВОВ АКХ им. К.Д.Памфилова
Утверждён:29.09.1989 НИИ КВОВ АКХ им. К.Д. Памфилова (K. D. Pamfilov NII KVOV AKKh )
Издан: Ротапринт АКХ им. К.Д. Памфилова (1989 г. )
Расположен в:Техническая документация Экология ХИМИЧЕСКАЯ ПРОМЫШЛЕННОСТЬ Продукты химической промышленности Газы промышленного применения Строительство Нормативные документы Нормативные документы ЖКХ
Руководство Руководство Руководство Руководство Руководство Руководство Руководство Руководство Руководство Руководство

© 2013 Ёшкин Кот :-) Карта сайта