Информационная система
«Ёшкин Кот»

Скачать базу одним архивом
Скачать обновления
История создания базы
Карта сайта

Скачать Руководство Руководство по электроконтактному динамическому зондированию грунтов

Дата актуализации: 10.08.2017

Руководство

Руководство по электроконтактному динамическому зондированию грунтов

Обозначение: Руководство
Обозначение англ: Guide
Статус:действует
Название рус.:Руководство по электроконтактному динамическому зондированию грунтов
Название англ.:Guidelines for Dynamic Electrical Contact Sounding of Soils
Дата добавления в базу:01.09.2013
Дата актуализации:05.05.2017
Дата введения:16.06.1983
Область применения:В Руководстве рассмотрен метод электроконтактного динамического зондирования, сочетающий динамическое зондирование и токовый каротаж, дана сфера его рационального применения при инженерно-геологических изысканиях, указаны основные требования к оборудованию, аппаратуре и технологии проведения испытаний, приведены способы обработки и интерпретации полученных материалов, порядок представления результатов наблюдений и определения сметной стоимости выполненных работ.
Оглавление:Предисловие
1 Общие положения
2 Назначение и область применения метода ЭДЗ
3 Основные требования к оборудованию и аппаратуре
4 Подготовка к испытаниям
5 Проведение испытаний
6 Обработка результатов
7 Расчленение грунтов по литологическому составу
8 Определение удельного электрического сопротивления грунтов и минерализация грунтовых вод
9 Приближенная оценка физико-механических свойств грунтов
10 Машинная обработка данных ЭДЗ
Приложение 1 Полевой журнал ЭВЗ
Приложение 2 Графики зависимости силы тока и напряжения от сопротивления внешней нагрузки
Приложение 3 График изменения силы тока в зависимости от удельного электрического сопротивления раствора и исследуемых грунтов
Приложение 4 График зависимости удельной силы сопротивления погружению зонда от крутящего момента
Приложение 5 Диаграмма распределения условного динамического сопротивления, силы тока и удельного электрического сопротивления в грунтах различного вида
Приложение 6 Номограмма зависимости удельного электрического сопротивления воды от температуры
Приложение 7 Графики зависимости относительного сопротивления от изменения пористости и коэффициента пористости в однородных песках
Приложение 8 Диаграмма зависимости условного динамического сопротивления от плотности сложения песков в естественном залегании
Приложение 9 Графики зависимости условного динамического сопротивления от углов внутреннего трения для любой глубины и модулей деформации до глубины для песчаных грунтов
Приложение 10 Графики зависимости условного динамического сопротивления от модулей деформации и нормативного давления для суглинков и глин
Приложение 11 Образец формы представления результатов ЭДЗ
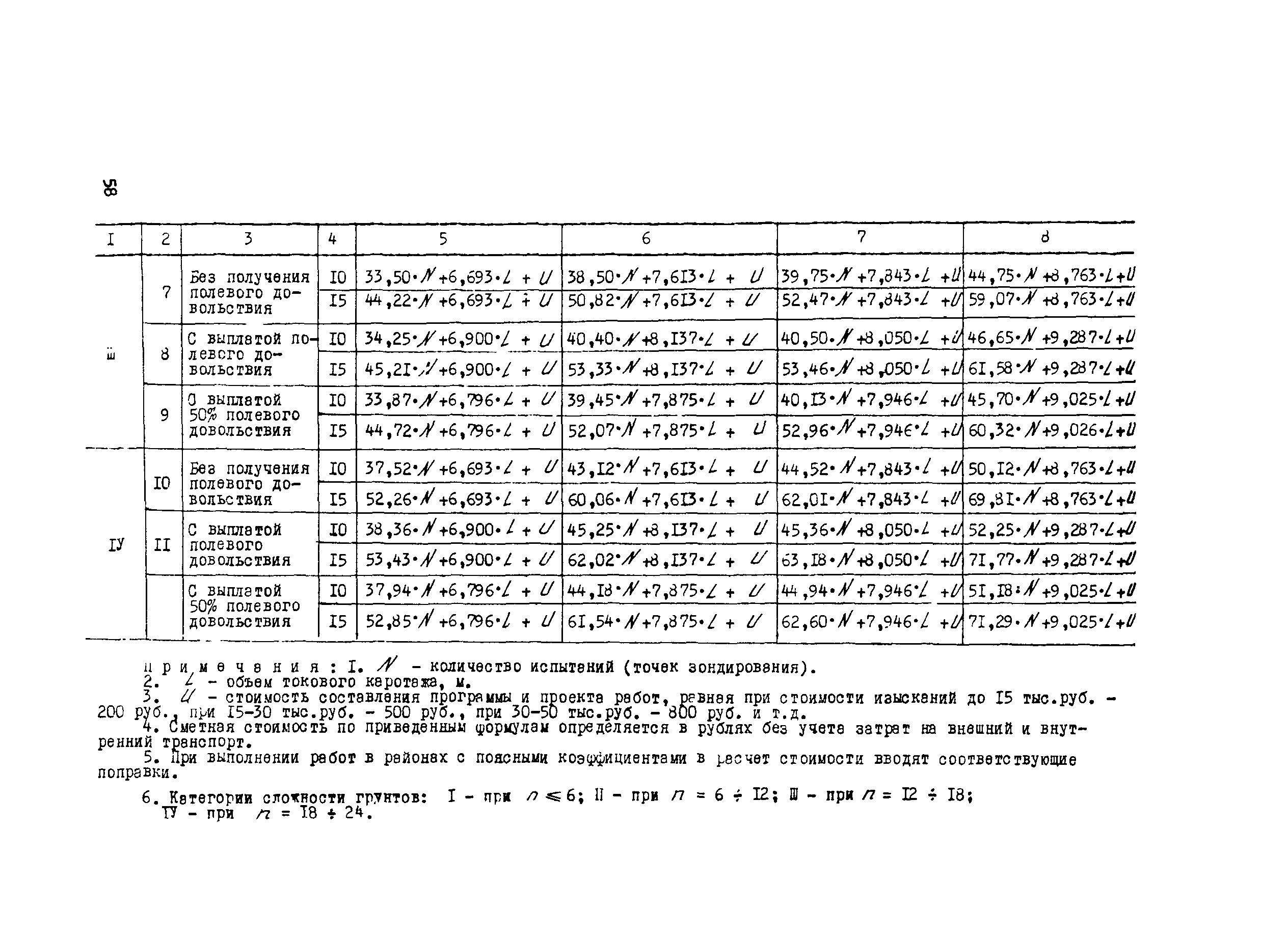
Приложение 12 Порядок определения сметной стоимости на изыскательские работы методом ЭДЗ и составления норм времени и расценок на сдельные работы
Приложение 13 Формы ускоренного расчета сметной стоимости изыскательских работ методом ЭДЗ
Список литературы
Разработан: ЦНИИС Минтрансстроя СССР
Союздорпроект Минтрансстроя
Утверждён:16.06.1983 ЦНИИС Минтрансстроя СССР (TsNIIS, USSR Mintransstroy )
Принят: Главтранспроект (Glavtransproject )
Издан: ЦНИИС Минтрансстроя СССР (1983 г. )
Расположен в:Техническая документация Экология СТРОИТЕЛЬНЫЕ МАТЕРИАЛЫ И СТРОИТЕЛЬСТВО Технология строительства Инженерные изыскания для строительства Строительство Нормативные документы Отраслевые и ведомственные нормативно-методические документы Проектирование и строительство автомобильных дорог
Нормативные ссылки:
Руководство Руководство Руководство Руководство Руководство Руководство Руководство Руководство Руководство Руководство Руководство Руководство Руководство Руководство Руководство Руководство Руководство Руководство Руководство Руководство Руководство Руководство Руководство Руководство Руководство Руководство Руководство Руководство Руководство Руководство Руководство Руководство Руководство Руководство Руководство Руководство Руководство Руководство Руководство Руководство Руководство Руководство Руководство Руководство Руководство Руководство Руководство Руководство Руководство Руководство Руководство Руководство Руководство Руководство Руководство Руководство Руководство Руководство Руководство Руководство

© 2013 Ёшкин Кот :-) Карта сайта