| ||||||||||||||||||||||||||||||||||
Скачать ГОСТ Р 51325.2.3-2002 Соединители электрические бытового и аналогичного назначения. Часть 2-3. Дополнительные требования к соединителям степени защиты свыше IPX0 и методы испытанийДата актуализации: 10.08.2017
|
| Обозначение: | ГОСТ Р 51325.2.3-2002 |
| Обозначение англ: | GOST R 51325.2.3-2002 |
| Статус: | отменен |
| Название рус.: | Соединители электрические бытового и аналогичного назначения. Часть 2-3. Дополнительные требования к соединителям степени защиты свыше IPX0 и методы испытаний |
| Название англ.: | Appliance couplers for household and similar general purposes. Part 2-3. Particular requirements for appliance couplers with a degree of protection higher than IPXO and methods of tests |
| Дата добавления в базу: | 01.09.2013 |
| Дата актуализации: | 05.05.2017 |
| Дата введения: | 01.01.2014 |
| Область применения: | Стандарт распространяется на двухполюсные соединители, эксплуатируемые в жестких условиях окружающей среды (например, повышенная влажность, низкая температура) и применяемые в электрических сетях с номинальным напряжением не выше 250 В и переменным током не более 10 А. Соединители предназначены для подключения гибкого кабеля или шнура к переносным электрическим приборам защиты II. |
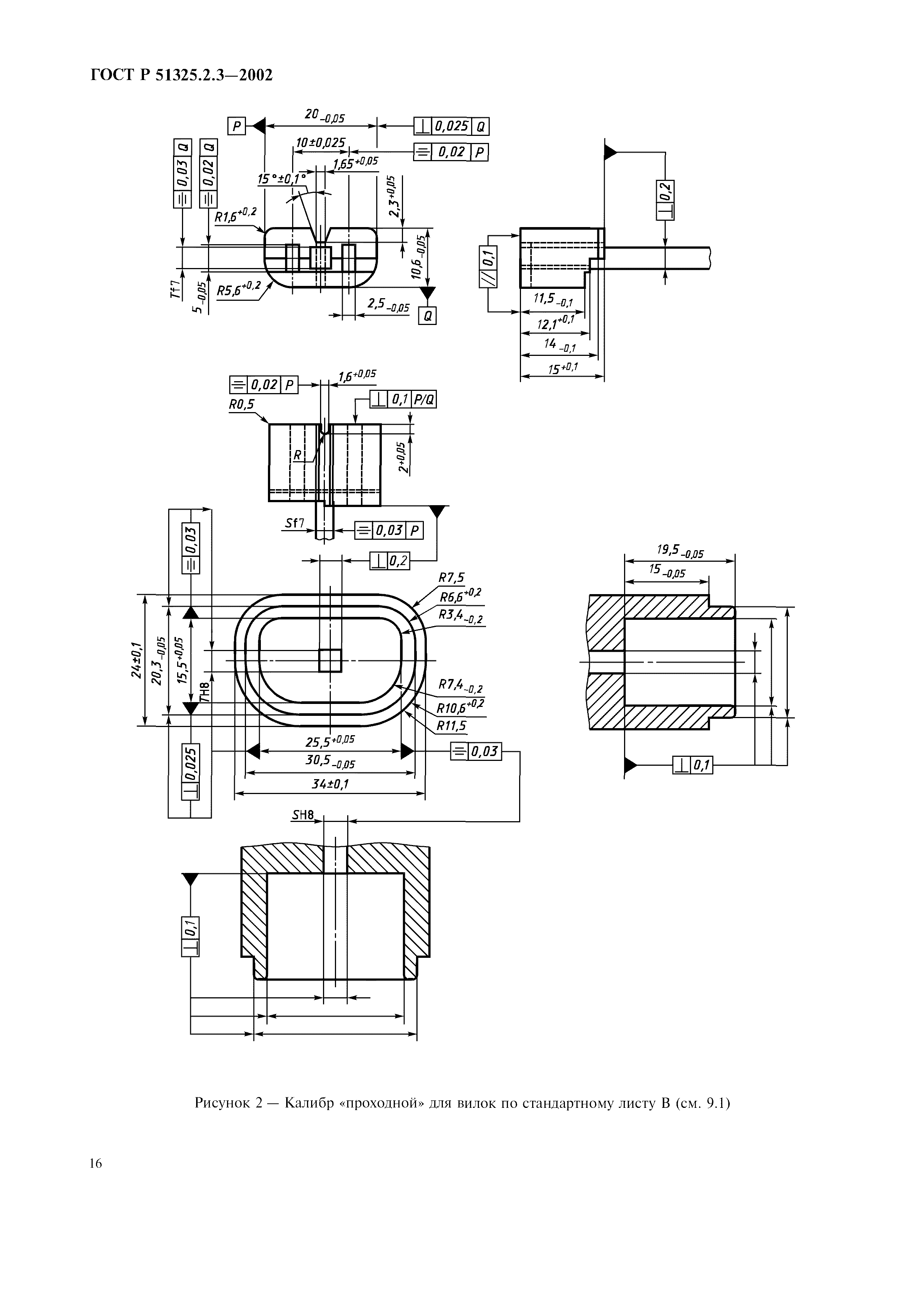
| Оглавление: | 1 Область применения 2 Нормативные ссылки 3 Определения 4 Общие требования 5 Общие требования к испытаниям 6 Номинальные значения 7 Классификация 8 Маркировка 9 Размеры и их соответствие 10 Защита от поражения электрическим током 11 Заземление 12 Зажимы и выводы 13 Конструкция 14 Влагостойкость 15 Сопротивление и электрическая прочность изоляции 16 Усилия сочленения и расчленения соединителя 17 Работоспособность контактов 18 Нагревостойкость соединителей для горячих и очень горячих условий 19 Коммутационная способность 20 Работоспособность соединителей 21 Превышение температуры токоведущих частей 22 Гибкие кабели или шнуры и их присоединение 23 Механическая прочность 24 Стойкость к нагреву и старению 25 Винты, токоведущие части и соединения 26 Пути утечки, воздушные зазоры и расстояния по изоляции 27 Теплостойкость, огнестойкость и трекингостойкость 28 Коррозиестойкость 29 Требования к электромагнитной совместимости Приложение А Дополнительные требования к соединителям, устанавливаемые в стандартах и технических условиях на соединители конкретных типов Стандартные листы Рисунки |
| Разработан: | ТК 330 Электроустановочные изделия |
| Утверждён: | 29.01.2002 Госстандарт России (Russian Federation Gosstandart 38-ст) |
| Издан: | ИПК Издательство стандартов (2002 г. ) |
| Расположен в: | |
| Нормативные ссылки: |























