| ||||||||||||||||||||||||||||||||||||
Скачать РД 34.25.101-87 Энергоблоки с турбинами Т-180/210-130 и К-215-130 и барабанными котлами. Типовая пусковая схемаДата актуализации: 10.08.2017
|
| Обозначение: | РД 34.25.101-87 |
| Обозначение англ: | RD 34.25.101-87 |
| Статус: | заменен |
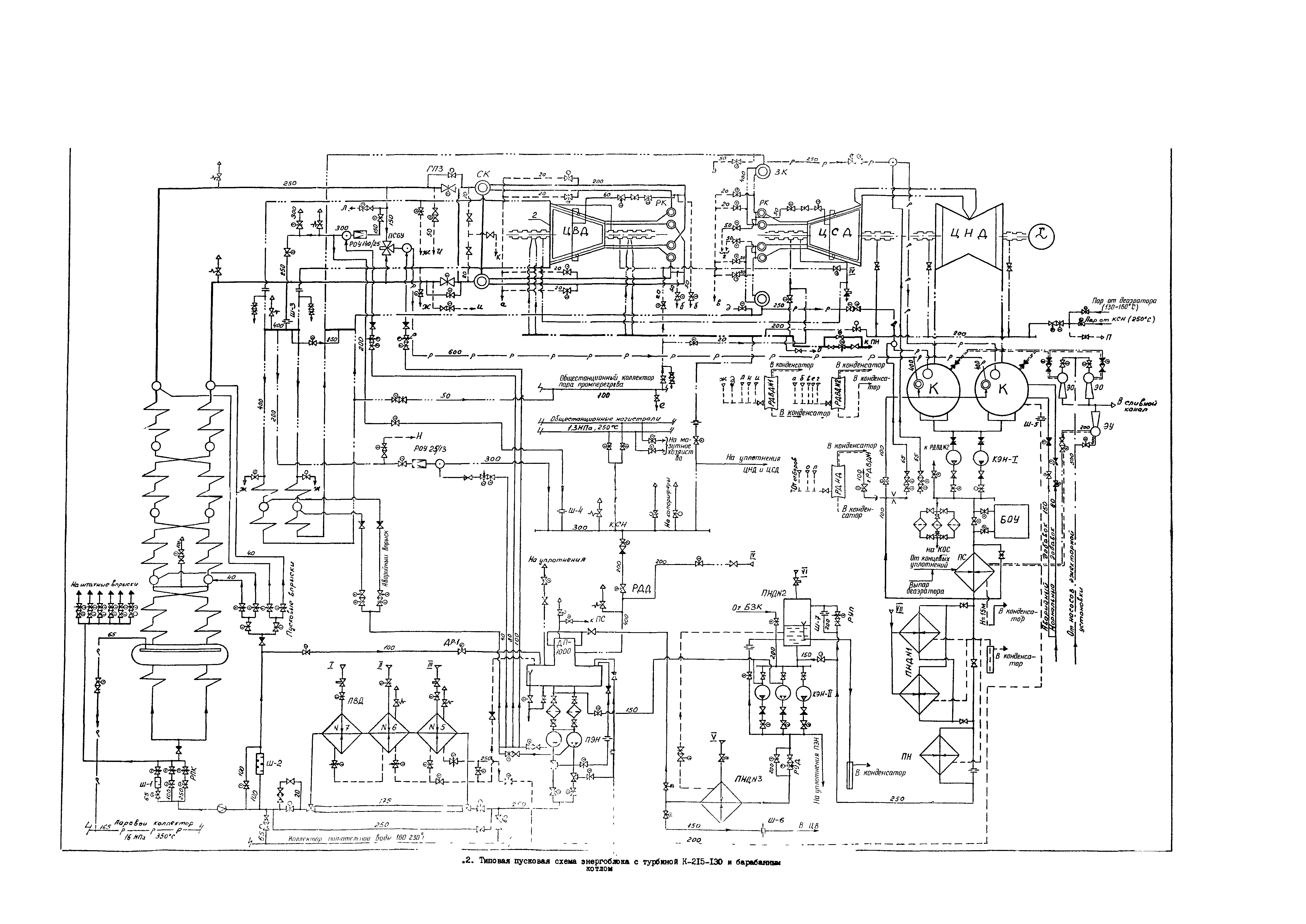
| Название рус.: | Энергоблоки с турбинами Т-180/210-130 и К-215-130 и барабанными котлами. Типовая пусковая схема |
| Название англ.: | Power Units with Turbines T-180/210-310 and K-215-130 and Drum Boilers -Standard Startup Process |
| Дата добавления в базу: | 01.09.2013 |
| Дата актуализации: | 05.05.2017 |
| Дата введения: | 01.06.2001 |
| Область применения: | Приведено описание пусковых схем, обоснование принятых решений и расчеты элементов схем в пусковых и аварийных режимах. Разработанные типовые схемы предназначены для использования проектными, конструкторскими, наладочными и исследовательскими организациями, заводами-изготовителями оборудования и электпростанциями при проектировании новых энергоблоков, а также могут быть использованы при модернизации действующих энергоблоков. |
| Оглавление: | 1 Общие положения 2 Пусковые схемы Приложение 1 Расчет диаметров трубопроводов пусковых схем энергоблоков Приложение 2 Расчет пропускной способности ПСБУ при пуске из различных состояний и в предельном режиме Приложение 3 Расчет элементов трубопроводов рециркуляции пусковых впрысков |
| Разработан: | ВНИПИэнергопром ВТИ Южтехэнерго ЮжВТИ |
| Утверждён: | 27.05.1986 Минэнерго СССР (USSR Minenergo ) |
| Издан: | СПО Союзтехэнерго (1988 г. ) |
| Расположен в: | |
| Чем заменён: | |
| Нормативные ссылки: |






































