Информационная система
«Ёшкин Кот»

Скачать базу одним архивом
Скачать обновления
История создания базы
Карта сайта

Скачать ГОСТ 29072-91 Постоянные резисторы для электронной аппаратуры. Часть 8. Групповые технические условия на постоянные чип-резисторы

Дата актуализации: 10.08.2017

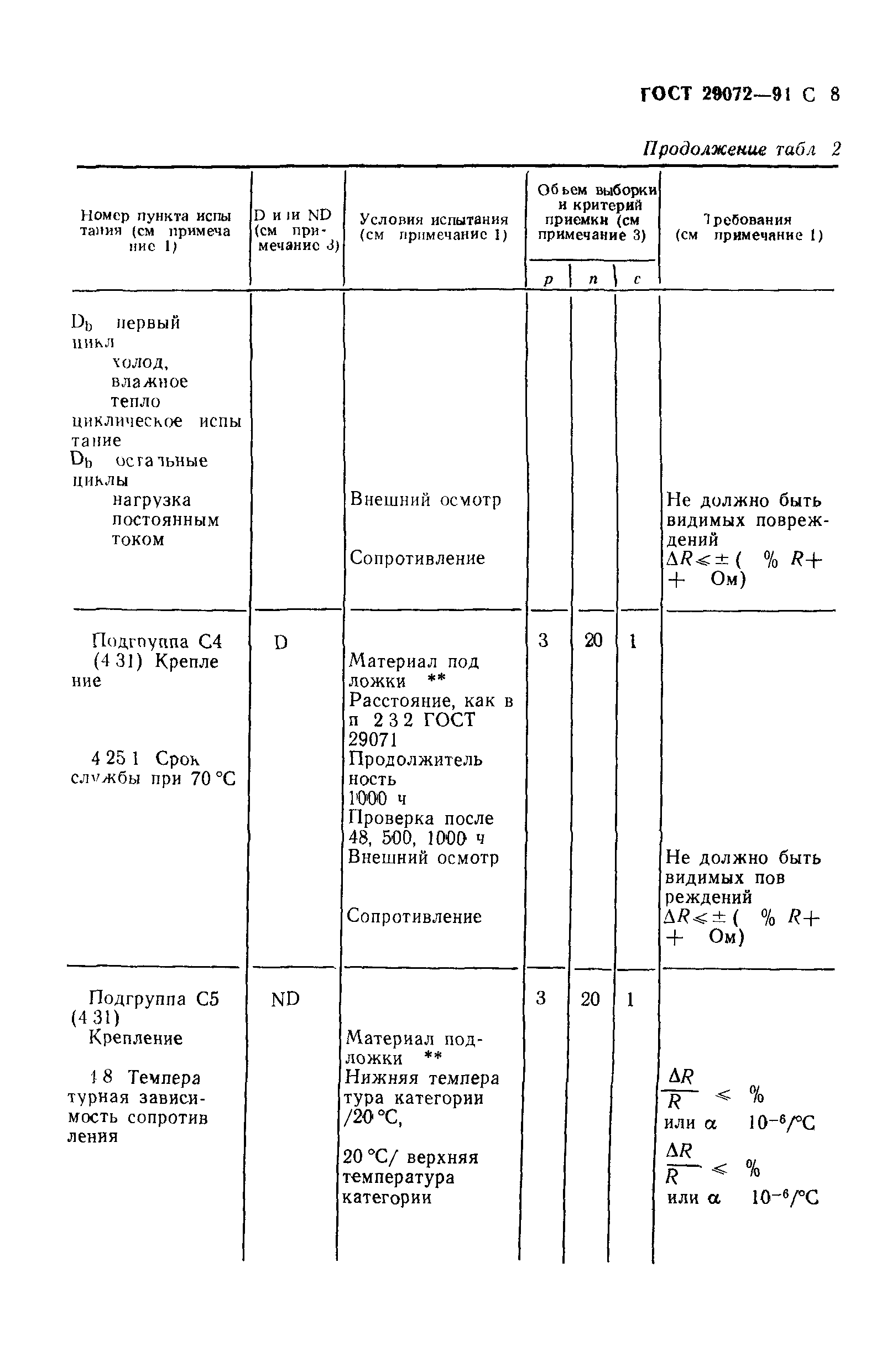
ГОСТ 29072-91

Постоянные резисторы для электронной аппаратуры. Часть 8. Групповые технические условия на постоянные чип-резисторы

Обозначение: ГОСТ 29072-91
Обозначение англ: GOST 29072-91
Статус:действует
Название рус.:Постоянные резисторы для электронной аппаратуры. Часть 8. Групповые технические условия на постоянные чип-резисторы
Название англ.:Fixed resistors for use in electronic equipment. Part 8. Blank detail specification fixed chip-resistors. Assessment level E
Дата добавления в базу:01.09.2013
Дата актуализации:05.05.2017
Дата введения:01.07.1992
Оглавление:Форма ТУ на Чип-резисторы конкретных типов
Раздел I. Общие данные
1. Общие данные
Раздел II. Требования к контролю
2. Требования к контролю
Приложение
Утверждён:08.07.1991 Госстандарт России (Russian Federation Gosstandart 1227)
Расположен в:Техническая документация Электроэнергия ЭЛЕКТРОНИКА Резисторы Постоянные резисторы Экология ЭЛЕКТРОНИКА Резисторы Постоянные резисторы
ГОСТ 29072-91ГОСТ 29072-91ГОСТ 29072-91ГОСТ 29072-91ГОСТ 29072-91ГОСТ 29072-91ГОСТ 29072-91ГОСТ 29072-91ГОСТ 29072-91ГОСТ 29072-91ГОСТ 29072-91ГОСТ 29072-91

© 2013 Ёшкин Кот :-) Карта сайта