Скачать ГОСТ 26619-85 Пресс-формы одноместные для изготовления манжет гидравлических устройств. Конструкция и размерыДата актуализации: 10.08.2017 ГОСТ 26619-85
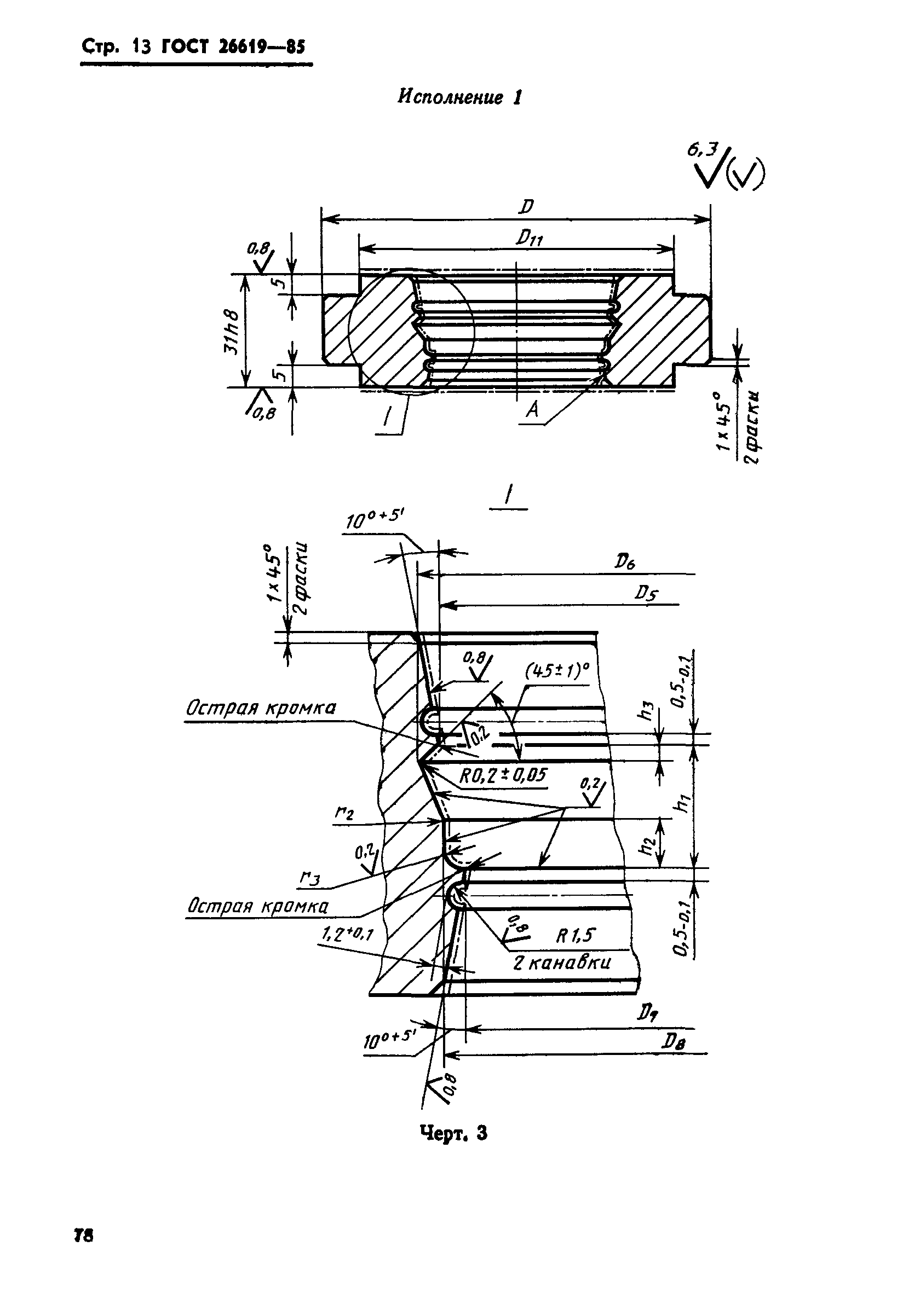
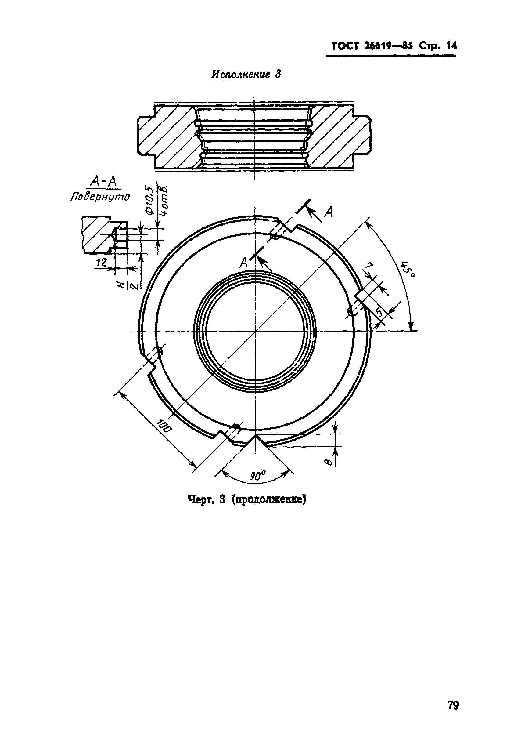
Пресс-формы одноместные для изготовления манжет гидравлических устройств. Конструкция и размерыОбозначение: | ГОСТ 26619-85 | Обозначение англ: | GOST 26619-85 | Статус: | действует | Название рус.: | Пресс-формы одноместные для изготовления манжет гидравлических устройств. Конструкция и размеры | Название англ.: | Singll-impression press moulds for manufacturing of rubber u-packing seals. Design and dimensions | Дата добавления в базу: | 01.09.2013 | Дата актуализации: | 05.05.2017 | Дата введения: | 07.07.1986 | Утверждён: | 26.09.1985 Госстандарт СССР (USSR Gosstandart 3057)
| Расположен в: |
|
                   
|