Скачать ГОСТ 26508-85 Инструмент для холодноштамповочных автоматов. Матрицы второго перехода. Конструкция и размерыДата актуализации: 10.08.2017 ГОСТ 26508-85
Инструмент для холодноштамповочных автоматов. Матрицы второго перехода. Конструкция и размеры| Обозначение: | ГОСТ 26508-85 | | Обозначение англ: | GOST 26508-85 | | Статус: | действует | | Название рус.: | Инструмент для холодноштамповочных автоматов. Матрицы второго перехода. Конструкция и размеры | | Название англ.: | Tools for cold-forming machines.2Nd station dies. Construction and dimensions | | Дата добавления в базу: | 01.09.2013 | | Дата актуализации: | 05.05.2017 | | Дата введения: | 01.07.1987 | | Утверждён: | 28.03.1985 Госстандарт СССР (USSR Gosstandart 962)
| | Расположен в: |
|
                                    
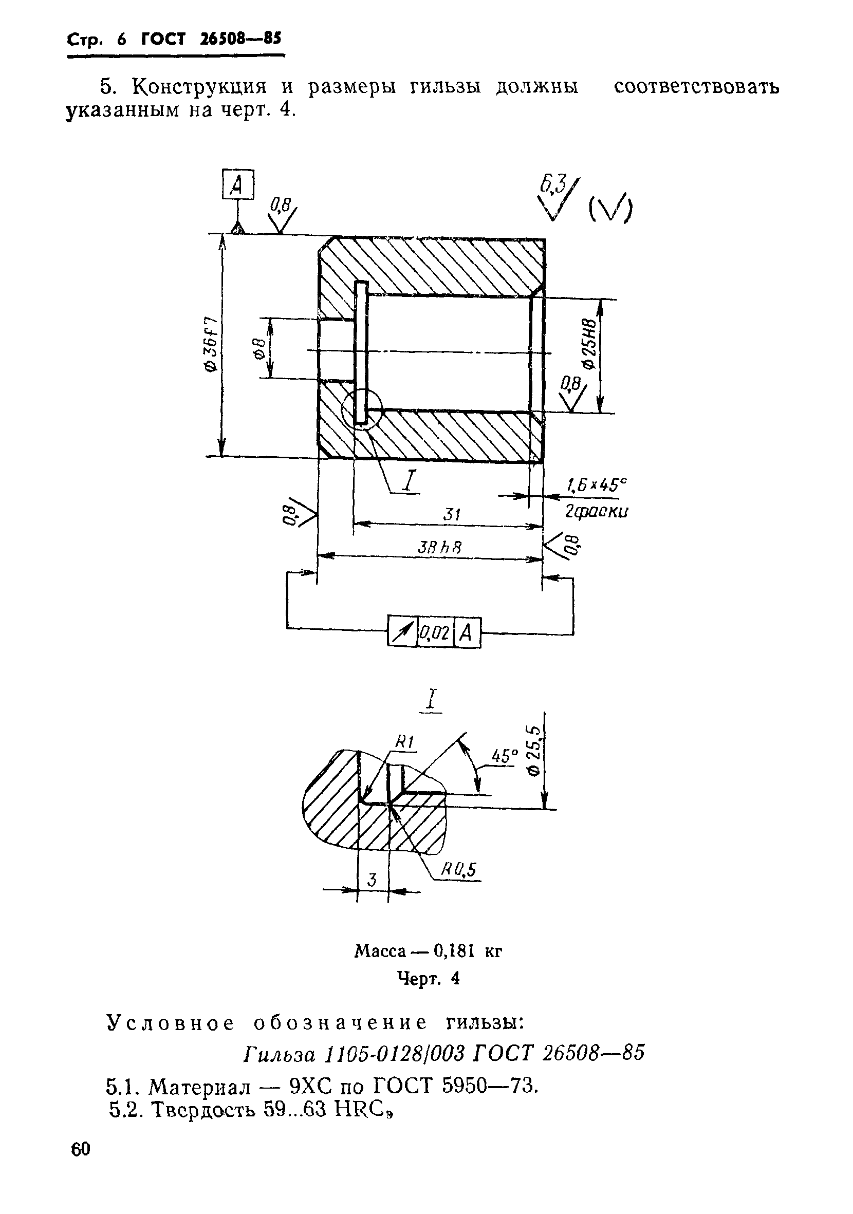
|