| ||||||||||||||||||||||||||
Скачать ГОСТ 24482-80 Макроклиматические районы земного шара с тропическим климатом. Районирование и статистические параметры климатических факторов для технических целейДата актуализации: 10.08.2017
|
| Обозначение: | ГОСТ 24482-80 |
| Обозначение англ: | GOST 24482-80 |
| Статус: | действует |
| Название рус.: | Макроклиматические районы земного шара с тропическим климатом. Районирование и статистические параметры климатических факторов для технических целей |
| Название англ.: | Macroclimatic regions of the world with tropic climate. Regionalizing and statistical parameters of climatic factors for technical purposes |
| Дата добавления в базу: | 01.09.2013 |
| Дата актуализации: | 05.05.2017 |
| Дата введения: | 01.01.1982 |
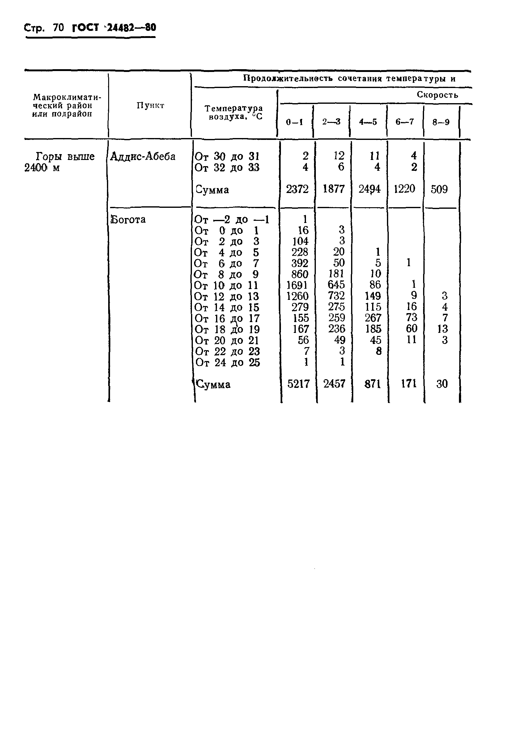
| Оглавление: | 1 Климатическое районирование 2 Характеристика макроклиматических районов с ТВ и ТС климатом по температуре воздуха 3 Характеристика макроклиматических районов с ТВ и ТС климатом по относительной влажности воздуха 4 Характеристика макроклиматических районов с ТВ и ТС климатом по ветру 5 Характеристика макроклиматических районов с ТВ и ТС климатом по атмосферным осадкам 6 Характеристика макроклиматических районов с ТВ, ТС и ТМ климатом по солнечному излучению 7 Характеристика макроклиматических районов с ТВ и ТС климатом по атмосферным явлениям 8 Характеристика макроклиматических районов с ТВ и ТС климатом по сочетаниям климатических факторов 9 Характеристика макроклиматического района с ТМ климатом по температурно-влажностному режиму Приложение 1 Перечень и координаты пунктов Приложение 2 Климатограмма температурно-влажностного комплекса |
| Утверждён: | 30.12.1980 Госстандарт СССР (USSR Gosstandart 6063) |
| Расположен в: |

































































































