Скачать ГОСТ 22376-77 Лепестки односторонние, закрепляемые винтами или заклепками. Конструкция и размерыДата актуализации: 10.08.2017 ГОСТ 22376-77
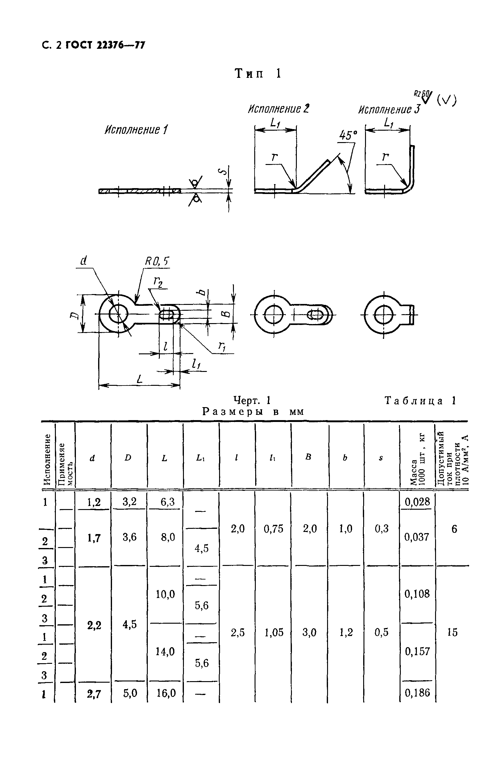
Лепестки односторонние, закрепляемые винтами или заклепками. Конструкция и размерыОбозначение: | ГОСТ 22376-77 | Обозначение англ: | GOST 22376-77 | Статус: | действует | Название рус.: | Лепестки односторонние, закрепляемые винтами или заклепками. Конструкция и размеры | Название англ.: | One-sided leaves fixed by screws and rivets. Design and dimensions | Дата добавления в базу: | 01.09.2013 | Дата актуализации: | 05.05.2017 | Дата введения: | 01.07.1978 | Оглавление: | Приложение Примеры установки лепестков | Утверждён: | 22.02.1977 Госстандарт СССР (USSR Gosstandart 459)
| Расположен в: |
|
            
|