Информационная система
«Ёшкин Кот»

Скачать базу одним архивом
Скачать обновления
История создания базы
Карта сайта

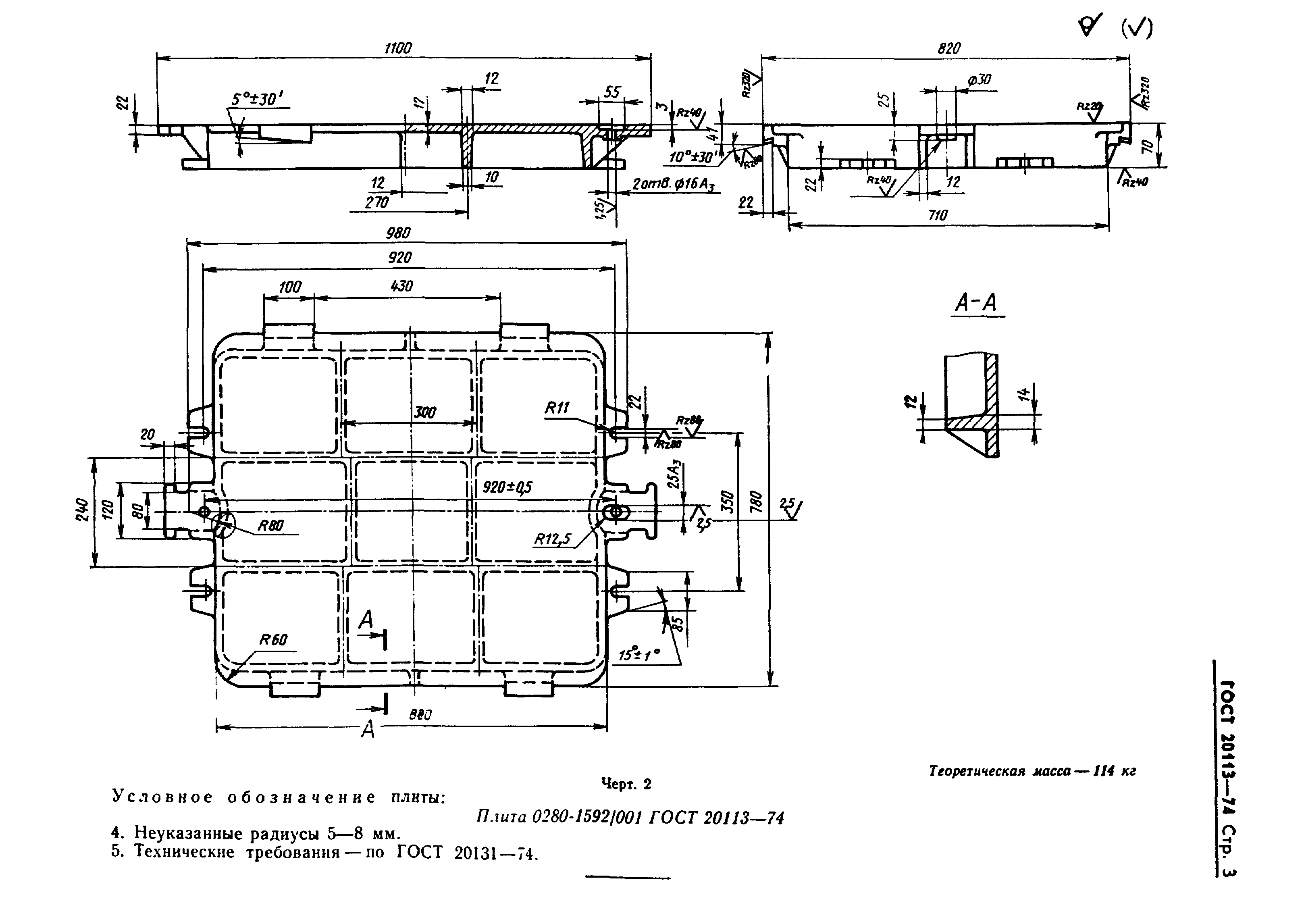
Скачать ГОСТ 20113-74 Плиты модельные стальные для опок размерами в свету 800х700 мм на формовочные литейные машины с поворотом полуформы без допрессовки. Конструкция и размеры

Дата актуализации: 10.08.2017

ГОСТ 20113-74

Плиты модельные стальные для опок размерами в свету 800х700 мм на формовочные литейные машины с поворотом полуформы без допрессовки. Конструкция и размеры

Обозначение: ГОСТ 20113-74
Обозначение англ: GOST 20113-74
Статус:действует
Название рус.:Плиты модельные стальные для опок размерами в свету 800х700 мм на формовочные литейные машины с поворотом полуформы без допрессовки. Конструкция и размеры
Название англ.:Steel pattern plates for moulding boxes having inside dimensions 800 x 700 mm for moulding foundry machines with turn of half mould without squeezing. Design and dimensions
Дата добавления в базу:01.09.2013
Дата актуализации:05.05.2017
Дата введения:01.01.1976
Утверждён:21.08.1974 Государственный комитет стандартов Совета Министров СССР (USSR National Committee on Standards at the Cabinet of Ministers 2023)
Расположен в:Техническая документация Электроэнергия МАШИНОСТРОЕНИЕ Оборудование для бесстружечной обработки Оборудование для литья Экология МАШИНОСТРОЕНИЕ Оборудование для бесстружечной обработки Оборудование для литья
Список изменений:
Заменяет собой:
  • МН 3269-62 (Сведения из перечня "Указатель государственных стандартов СССР 1980 г.", Издательство стандартов 1980)
Нормативные ссылки:
ГОСТ 20113-74ГОСТ 20113-74ГОСТ 20113-74ГОСТ 20113-74ГОСТ 20113-74

Текстовое изменение № 1 от 01.10.1981

№ 1№ 1

© 2013 Ёшкин Кот :-) Карта сайта