Скачать ГОСТ 20095-74 Плиты модельные чугунные со сменными металлическими вкладышами для опок размерами в свету 600х500 мм, 800х700 мм, 1000х800 мм на формовочные литейные машины с поворотом полуформы с допрессовкой. Конструкция и размерыДата актуализации: 10.08.2017 ГОСТ 20095-74
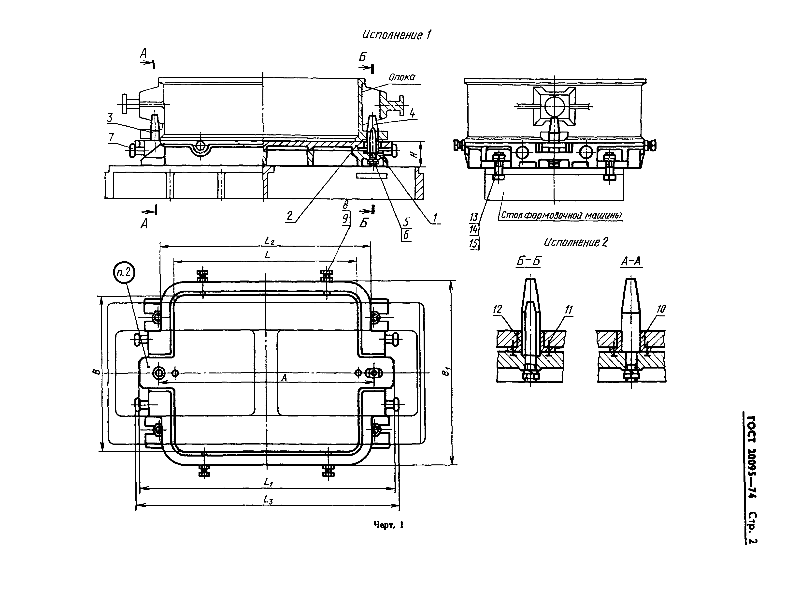
Плиты модельные чугунные со сменными металлическими вкладышами для опок размерами в свету 600х500 мм, 800х700 мм, 1000х800 мм на формовочные литейные машины с поворотом полуформы с допрессовкой. Конструкция и размерыОбозначение: | ГОСТ 20095-74 | Обозначение англ: | GOST 20095-74 | Статус: | действует | Название рус.: | Плиты модельные чугунные со сменными металлическими вкладышами для опок размерами в свету 600х500 мм, 800х700 мм, 1000х800 мм на формовочные литейные машины с поворотом полуформы с допрессовкой. Конструкция и размеры | Название англ.: | Iron pattern plates with changeable metal inserts for moulding boxes having inside dimensions 600 x 500 mm, 800 x 700 mm, 1000 x 800 mm moulding foundry machines with turn of half mould with squeezing. Design and dimensions | Дата добавления в базу: | 01.09.2013 | Дата актуализации: | 05.05.2017 | Дата введения: | 01.01.1976 | Утверждён: | 21.08.1974 Государственный комитет стандартов Совета Министров СССР (USSR National Committee on Standards at the Cabinet of Ministers 2023)
| Расположен в: |
| Список изменений: | | Заменяет собой: | - МН 1305-60 (Сведения из перечня "Указатель государственных стандартов СССР 1980 г.", Издательство стандартов 1980)
| Нормативные ссылки: | |
      
Текстовое изменение № 1 от 01.10.1981

|