Информационная система
«Ёшкин Кот»

Скачать базу одним архивом
Скачать обновления
История создания базы
Карта сайта

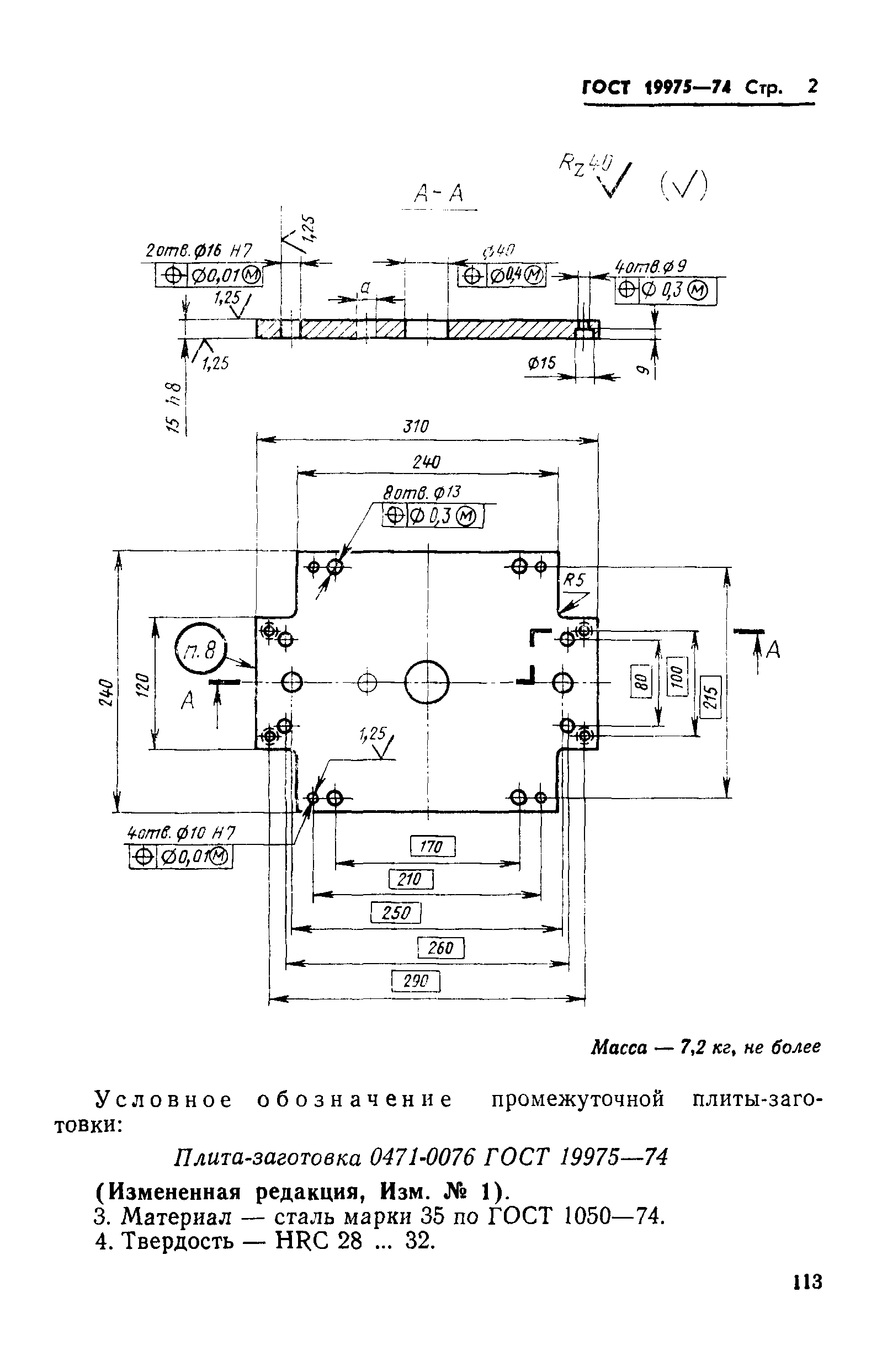
Скачать ГОСТ 19975-74 Плита-заготовка промежуточная пресс-форм для выплавляемых моделей с прямоугольными матрицами. Конструкция и размеры

Дата актуализации: 10.08.2017

ГОСТ 19975-74

Плита-заготовка промежуточная пресс-форм для выплавляемых моделей с прямоугольными матрицами. Конструкция и размеры

Обозначение: ГОСТ 19975-74
Обозначение англ: GOST 19975-74
Статус:действует
Название рус.:Плита-заготовка промежуточная пресс-форм для выплавляемых моделей с прямоугольными матрицами. Конструкция и размеры
Название англ.:Intermediate plate-blanks for wax-pattern dies with rectangular matrices. Design and dimensions
Дата добавления в базу:01.09.2013
Дата актуализации:05.05.2017
Дата введения:01.01.1976
Утверждён:29.07.1974 Госстандарт СССР (USSR Gosstandart 1779)
Расположен в:Техническая документация Электроэнергия МАШИНОСТРОЕНИЕ Оборудование для бесстружечной обработки Оборудование для литья Экология МАШИНОСТРОЕНИЕ Оборудование для бесстружечной обработки Оборудование для литья
Заменяет собой:
  • МН 4303-63 (в части конструкции промежуточной плиты)
ГОСТ 19975-74ГОСТ 19975-74ГОСТ 19975-74

© 2013 Ёшкин Кот :-) Карта сайта