Информационная система
«Ёшкин Кот»

Скачать базу одним архивом
Скачать обновления
История создания базы
Карта сайта

Скачать ГОСТ 16019-78 Радиостанции сухопутной подвижной службы. Требования по устойчивости к механическим и климатическим воздействиям и методы испытаний

Дата актуализации: 10.08.2017

ГОСТ 16019-78

Радиостанции сухопутной подвижной службы. Требования по устойчивости к механическим и климатическим воздействиям и методы испытаний

Обозначение: ГОСТ 16019-78
Обозначение англ: GOST 16019-78
Статус:заменен
Название рус.:Радиостанции сухопутной подвижной службы. Требования по устойчивости к механическим и климатическим воздействиям и методы испытаний
Название англ.:Radio stations for land mobile service. Requirements for mechanical and environmental resistance and test methods
Дата добавления в базу:01.10.2014
Дата актуализации:05.05.2017
Дата введения:01.01.2002
Область применения:Стандарт распространяется на радиостанции, предназначенные для организации радиотелефонной связи в сухопутной подвижной службе различных ведомств и отраслей народного хозяйства и соответствующие ГОСТ 12252-77 и ГОСТ 22579-77 по основным параметрам и техническим требованиям, и устанавливает требования по устойчивости к механическим и климатическим воздействиям и методы испытаний.
Оглавление:1 Требования по устойчивости к механическим и климатическим воздействиям
2 Требования безопасности
3 Методы испытаний
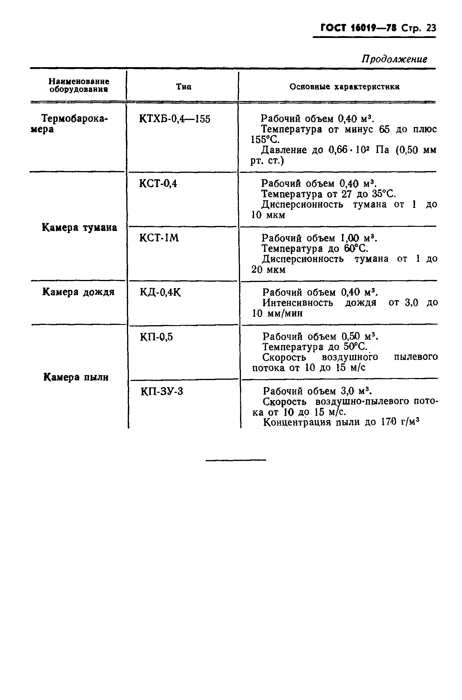
Приложение (рекомендуемое) Перечень оборудования для проведения испытаний
Утверждён:06.09.1978 Государственный комитет СССР по стандартам (USSR National Committee on Standards 2459)
Издан: Издательство стандартов (1986 г. )
Расположен в:Техническая документация Электроэнергия ТЕЛЕКОММУНИКАЦИИ. АУДИО-И ВИДЕОТЕХНИКА Подвижные службы Наземная линейная радиосвязь (TETRA) Радиосвязь Экология ТЕЛЕКОММУНИКАЦИИ. АУДИО-И ВИДЕОТЕХНИКА Подвижные службы Наземная линейная радиосвязь (TETRA) Радиосвязь
Заменяет собой:
  • ГОСТ 16019-70 «Радиостанции низовой народнохозяйственной радиосвязи. Механические и климатические требования. Методы испытаний» (Сведения из перечня "Указатель государственных стандартов СССР 1980 г.", Издательство стандартов 1980)
Чем заменён:
Нормативные ссылки:
ГОСТ 16019-78ГОСТ 16019-78ГОСТ 16019-78ГОСТ 16019-78ГОСТ 16019-78ГОСТ 16019-78ГОСТ 16019-78ГОСТ 16019-78ГОСТ 16019-78ГОСТ 16019-78ГОСТ 16019-78ГОСТ 16019-78ГОСТ 16019-78ГОСТ 16019-78ГОСТ 16019-78ГОСТ 16019-78ГОСТ 16019-78ГОСТ 16019-78ГОСТ 16019-78ГОСТ 16019-78ГОСТ 16019-78ГОСТ 16019-78ГОСТ 16019-78ГОСТ 16019-78ГОСТ 16019-78

© 2013 Ёшкин Кот :-) Карта сайта