Информационная система
«Ёшкин Кот»

Скачать базу одним архивом
Скачать обновления
История создания базы
Карта сайта

Скачать ГОСТ 14814-69 Калибры-пробки гладкие непроходные с неполными вставками диаметром свыше 50 до 75 мм. Конструкция и размеры

Дата актуализации: 10.08.2017

ГОСТ 14814-69

Калибры-пробки гладкие непроходные с неполными вставками диаметром свыше 50 до 75 мм. Конструкция и размеры

Обозначение: ГОСТ 14814-69
Обозначение англ: GOST 14814-69
Статус:действует
Название рус.:Калибры-пробки гладкие непроходные с неполными вставками диаметром свыше 50 до 75 мм. Конструкция и размеры
Название англ.:Cylindrical plug gauges (not go side). Gauging members to of not full form above 50 up to 75 mm nominal diameter. Design and dimensions
Дата добавления в базу:01.09.2013
Дата актуализации:05.05.2017
Дата введения:01.01.1971
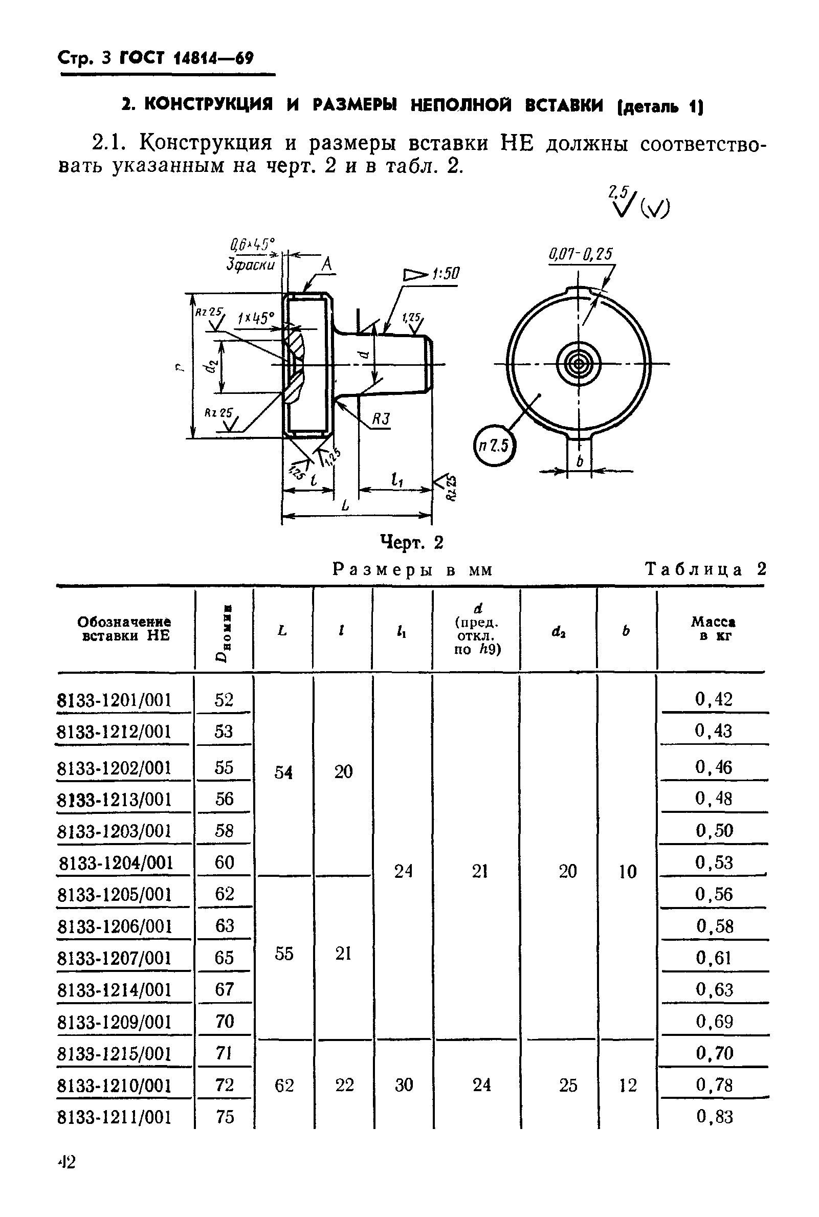
Оглавление:1 Конструкция и размеры гладких непроходных калибров-пробок с неполными вставками
2 Конструкция и размеры неполной вставки (деталь 1)
Утверждён:07.07.1969 Госстандарт СССР (USSR Gosstandart 771)
Расположен в:Техническая документация Электроэнергия МЕТРОЛОГИЯ И ИЗМЕРЕНИЯ. ФИЗИЧЕСКИЕ ЯВЛЕНИЯ Линейные и угловые измерения Измерительные приборы Экология МЕТРОЛОГИЯ И ИЗМЕРЕНИЯ. ФИЗИЧЕСКИЕ ЯВЛЕНИЯ Линейные и угловые измерения Измерительные приборы
Заменяет собой:
  • МН 4127-62 (Сведения из перечня "Указатель государственных стандартов СССР 1970 г.", Издательство комитета стандартов 1970)
ГОСТ 14814-69ГОСТ 14814-69ГОСТ 14814-69ГОСТ 14814-69ГОСТ 14814-69ГОСТ 14814-69

© 2013 Ёшкин Кот :-) Карта сайта