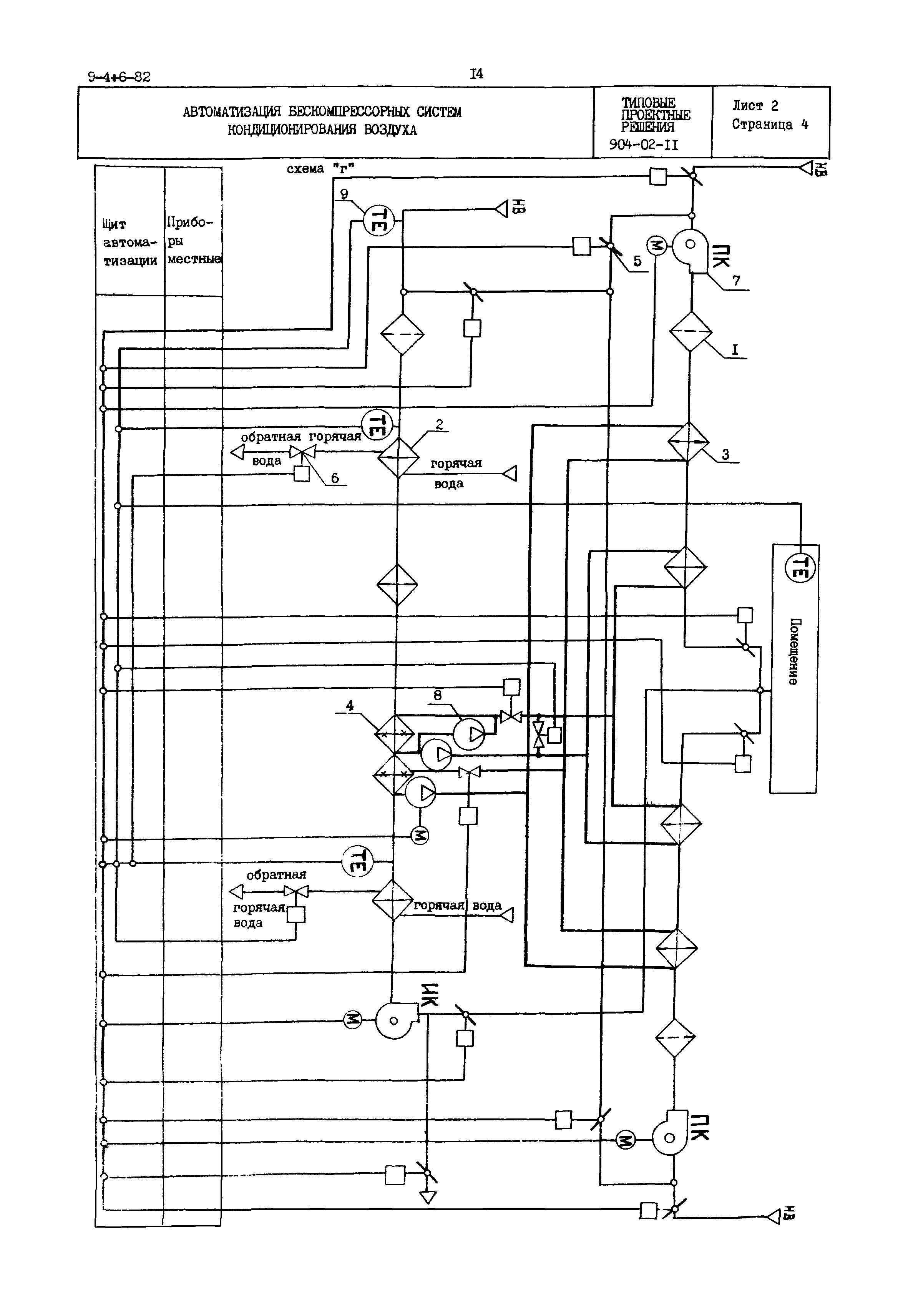
Скачать Типовой проект 904-02-11 Автоматизация бескомпрессорных систем кондиционированияДата актуализации: 10.08.2017 Типовой проект 904-02-11
Автоматизация бескомпрессорных систем кондиционированияОбозначение: | Типовой проект 904-02-11 | Обозначение англ: | 904-02-11 | Статус: | не действует | Название рус.: | Автоматизация бескомпрессорных систем кондиционирования | Дата добавления в базу: | 01.09.2013 | Дата актуализации: | 05.05.2017 | Дата окончания срока действия: | 01.01.1991 | Расположен в: |
|
    
|