ГОСТ Р 51350-99
(МЭК 61010-1-90)

ГОСУДАРСТВЕННЫЙ СТАНДАРТ РОССИЙСКОЙ ФЕДЕРАЦИИ

БЕЗОПАСНОСТЬ ЭЛЕКТРИЧЕСКИХ
КОНТРОЛЬНО-ИЗМЕРИТЕЛЬНЫХ
ПРИБОРОВ И ЛАБОРАТОРНОГО
ОБОРУДОВАНИЯ

Часть 1

Общие требования

ГОССТАНДАРТ РОССИИ

Москва

Предисловие

1 РАЗРАБОТАН И ВНЕСЕН Техническим комитетом по стандартизации ТК 402 "Безопасность измерительного, контрольного и лабораторного оборудования"

2 ПРИНЯТ И ВВЕДЕН В ДЕЙСТВИЕ Постановлением Госстандарта России от 29 октября 1999 г. № 383-ст

3 Разделы, подразделы и приложения настоящего стандарта, за исключением п. 1.3, 6.8.4, 8.3, 11.7.2, 12.2.1, 12.4, 13.1, 14.2.1, D.1.2, представляют собой аутентичный текст МЭК 61010-1 (1990) «Безопасность электрических контрольно-измерительных приборов и лабораторного оборудования. Часть 1. Общие требования» с Изменениями № 1 (1992) и № 2 (1995)

4 ВВЕДЕН ВПЕРВЫЕ

5 ПЕРЕИЗДАНИЕ. Ноябрь 2001 г.

СОДЕРЖАНИЕ

1 Область применения и назначение стандарта. 3

1.1 Область применения. 3

1.2 Назначение стандарта. 4

1.3 Проверка соответствия требованиям стандарта. 5

1.4 Условия окружающей среды.. 5

2 Нормативные ссылки. 5

3 Определения. 5

3.1 Оборудование и его состояния. 5

3.2 Части и принадлежности

3.3 Электрические величины

3.4 Испытания

3.5 Безопасность

3.6 Изоляция

3.7 Изоляция токопроводящих частей их взаимным расположением

3.8 Сеть питания

4 Испытания

4.1 Общие положения

4.2 Последовательность испытаний. 6

4.3 Нормальные условия испытаний. 6

4.4 Испытания в условиях одной неисправности. 8

5 Маркировка и документация. 10

5.1 Маркировка. 10

5.2 Предупреждающая маркировка. 14

5.3 Стойкость маркировки. 14

5.4 Документация. 14

6 Защита от поражения электрическим током.. 16

6.1 Общие положения. 16

6.2 Нахождение доступных частей. 16

6.3 Допустимые пределы значений электрических величин для доступных частей. 17

6.4 Защита при нормальном применении. 18

6.5 Защита в условиях одной неисправности. 20

6.6 Внешние цепи. 22

6.7 Зазоры и пути утечки. 23

6.8 Проверка электрической прочности изоляции. 23

6.9 Конструктивные требования по защите от поражения электрическим током.. 25

6.10 Соединения с сетью питания и между частями оборудования. 26

6.11 Зажимы.. 28

6.12 Отключение от источника питания. 30

7 Защита от механических опасностей. 31

7.1 Общие положения. 31

7.2 Движущиеся части. 31

7.3 Устойчивость оборудования. 32

7.4 Меры предосторожности при подъеме и переносе. 32

7.5 Отделяемые части. 33

8 Устойчивость к ударам, вибрации и тряске. 33

8.1 Испытание на прочность. 33

8.2 Испытание ударным молотком.. 33

8.3 Испытание на воздействие вибрации. 33

8.4 Испытание на механическую прочность при падении. 34

9 Температурные ограничения и защита от распространения огня. 34

9.1 Общие положения. 34

9.2 Измерение температуры.. 35

9.3 Защитные ограждения. 36

9.4 Клеммные коробки. 36

9.5 Устройства защиты от перегрева. 36

9.6 Защита от перегрузки по току. 36

10 Теплостойкость. 37

10.1 Стабильность зазоров и путей утечки. 37

10.2 Теплостойкость неметаллических кожухов. 37

10.3 Теплостойкость изоляционных материалов. 37

11 Защита от опасностей, связанных с жидкостями. 38

11.1 Общие положения. 38

11.2 Очистка от загрязнений. 38

11.3 Просачивание жидкости. 38

11.4 Переполнение. 38

11.5 Электролиты аккумуляторов. 39

11.6 Специально защищенное оборудование. 39

11.7 Давление жидкости и утечка. 39

12 Защита от излучения, в том числе лазерного, а также от звукового и ультразвукового давления. 40

12.1 Общие положения. 40

12.2 Оборудование, которое генерирует ионизирующее излучение. 41

12.3 Ультрафиолетовое излучение. 41

12.4 Электромагнитное излучение. 41

12.5 Звуковое и ультразвуковое давление. 41

12.6 Лазерные источники излучения. 42

13 Защита от выделяющихся газов и поражений при взрывах и при разрушении вакуумных приборов. 42

13.1 Отравляющие и вредные газы.. 42

13.2 Взрыв. 42

13.3 Разрушение вакуумных приборов. 43

14 Компоненты.. 43

14.1 Общие положения. 43

14.2 Электродвигатели. 43

14.3 Устройства защиты от перегрева. 44

14.4 Держатели плавких предохранителей. 45

14.5 Устройства установки напряжения питания. 45

14.6 Компоненты высокой надежности. 45

14.7 Сетевые трансформаторы.. 46

14.8 Предохранительные устройства. 46

15 Защита блокировками. 46

15.1 Общие положения. 46

15.2 Предотвращение повторного возникновения опасности. 47

15.3 Надежность. 47

16 Измерительные цепи. 47

16.1 Токовые измерительные цепи. 47

Приложение А Схемы измерения силы тока в доступных частях. 47

Приложение В Стандартные испытательные пальцы.. 49

Приложение C Ударный испытательный молоток. 50

Приложение D Зазоры, пути утечки и испытательные напряжения в оборудовании и печатных платах. 50

Приложение E Части оборудования, изоляция между которыми должна отвечать требованиям настоящего стандарта. 63

Приложение F Защита от распространения огня. 66

Приложение G Цепи, изоляция между которыми должна быть испытана на соответствие требованиям пожарной безопасности. 67

Приложение Н Пояснения к классификации электрического оборудования по степеням защиты от поражения электрическим током.. 68

Приложение J Изоляция токопроводящих частей их взаимным расположением.. 69

Приложение К Приемосдаточные испытания. 70

Приложение L Нормативные ссылки. 71

Приложение М Библиография. 75

Введение

Настоящий стандарт разработан для поддержки конструкторов, изготовителей и других лиц, заинтересованных в интерпретации основных требований безопасности в соответствии с требованиями Европейского законодательства по безопасности машин.

ГОСТ Р 51350-99
(МЭК 61010-1-90)

ГОСУДАРСТВЕННЫЙ СТАНДАРТ РОССИЙСКОЙ ФЕДЕРАЦИИ

БЕЗОПАСНОСТЬ ЭЛЕКТРИЧЕСКИХ КОНТРОЛЬНО-ИЗМЕРИТЕЛЬНЫХ ПРИБОРОВ И ЛАБОРАТОРНОГО ОБОРУДОВАНИЯ

Часть 1

Общие требования

Safety requirements for electrical equipment for measurement, control and laboratory use.

Part 1. General requirements

Дата введения 2000-07-01

Настоящий стандарт устанавливает общие требования безопасности к электрическим контрольно-измерительным приборам и лабораторному оборудованию. Для определенных типов этого оборудования требования безопасности дополнены или изменены специальными требованиями частных стандартов. Частный стандарт следует применять совместно с настоящим стандартом.

Требования настоящего стандарта являются обязательными.

Номера разделов, пунктов, таблиц и рисунков в настоящем стандарте соответствуют указанным в МЭК 61010-1 с Изменениями 1 и 2.

Требования, отражающие потребности экономики страны, выделены подчеркиванием.

Требования к методам испытаний выделены курсивом.

1 Область применения и назначение стандарта

1.1 Область применения

Настоящий стандарт устанавливает общие требования безопасности, предъявляемые к электрическим контрольно-измерительным приборам и лабораторному оборудованию, включая вычислительную технику (далее - оборудование), применяемым в профессиональной деятельности (в том числе в отраслях промышленности и в области образования) для:

- измерений и испытаний;

- контроля и управления;

- использования в лабораториях с другими целями, - а также к вспомогательному оборудованию, применяемому совместно с указанным выше (например аппаратура выборки и обработки данных).

Настоящий стандарт распространяется на оборудование, указанное ниже в перечислениях а) - с), если его используют в условиях окружающей среды по 1.4.

a) Измерительная техника и испытательное оборудование: оборудование, которое электрическими методами производит преобразование, измерение, индикацию и (или) регистрацию одной или нескольких электрических или неэлектрических величин, электрические меры (например генераторы сигналов) и эталоны единиц физических величин, а также неизмерительное оборудование, такое как источники питания, приемники, передатчики, электрические устройства для воспроизведения условий испытаний и т.д.

Примечание - Все показывающие и регистрирующие электрические измерительные приборы, кроме указанных в 1.1.2, подпадают под действие настоящего стандарта. Исключение составляют щитовые приборы, разработанные специально для встраивания в другую аппаратуру. Эти приборы, которые считают компонентами, должны соответствовать требованиям настоящего стандарта или других стандартов как элементы оборудования, в которое их встраивают.

b) Электрическое оборудование для контроля и управления: оборудование, которое контролирует значения одного или более выходных параметров и (или) поддерживает на определенном уровне эти значения. Каждое из этих значений может быть задано вручную, встроенной или передаваемой извне программой либо одной или более входной переменной.

с) Электрическое лабораторное оборудование: оборудование, которое используют для определения, индикации, регистрации свойств веществ, непрерывного наблюдения за ними, анализа веществ, приготовления материалов. Это оборудование может быть применено не только в лабораторных помещениях.

1.1.1 В настоящем стандарте не рассмотрены следующие вопросы:

- надежность, функциональные или другие характеристики оборудования;

- требования к транспортной упаковке;

- обслуживание (ремонт);

- защита персонала, который проводит техническое обслуживание и ремонт оборудования.

Примечание - Предполагается, что профессиональное обучение обслуживающего персонала обеспечивает должное его внимание в отношении очевидных источников опасности и готовность к появлению неожиданных опасностей. Однако конструкция оборудования должна предусматривать защиту от неосторожного обращения, для чего должны быть использованы предупреждающие надписи, защитные экраны и ограждения участков цепей, находящихся под опасным напряжением, отделение низковольтных цепей от цепей с опасным напряжением и т.п.

1.1.2 Настоящий стандарт не распространяется на:

- мощное электрическое оборудование, например силовую электронику;

- металлообрабатывающие станки и средства их управления;

- счетчики ватт-часов переменного тока классов 0,5; 1 и 2 (по ГОСТ 6570);

- медицинское электрическое оборудование (по ГОСТ 30324.0/ГОСТ Р 50267.0);

- биологические усилители, связывающие человека и оборудование в исследовательских или учебных целях;

- комплектные низковольтные устройства, которые проходят приемосдаточные испытания и испытания других видов в соответствии с ГОСТ 22789;

- электрические сети и установки, являющиеся частью электрического оборудования зданий (по ГОСТ 30331.1/ГОСТ Р 50571.1 - ГОСТ 30331.9/ГОСТ Р 50571.9);

- компьютеры, процессоры и аналогичную аппаратуру, кроме указанной в 1.1.3 (по ГОСТ Р 50377);

- трансформаторы, не входящие в состав рассматриваемого настоящим стандартом оборудования (по ГОСТ 30030);

- бытовые и аналогичные электрические приборы (по ГОСТ Р МЭК 335-1);

- оборудование, предназначенное для использования во взрывоопасных газовых средах (по ГОСТ 22782.0 - ГОСТ 22782.7).

1.1.3 Из вычислительной техники настоящий стандарт распространяется только на компьютеры, процессоры и т.п., которые являются составной частью оборудования, рассматриваемого настоящим стандартом, или разработаны исключительно для применения в этом оборудовании.

Примечание - Вычислительную технику и подобное оборудование, подпадающие под действие ГОСТ Р 50377 и удовлетворяющие его требованиям, считают пригодными для использования в комплекте с оборудованием, на которое распространяется настоящий стандарт. Однако некоторые требования ГОСТ Р 50377 в части защиты от опасностей, связанных с жидкостями, уступают по жесткости аналогичным требованиям настоящего стандарта. Если эти опасности могут быть таковы, что вызовут выход из строя аппаратуры, которая соответствует требованиям ГОСТ Р 50377 и используется в оборудовании, рассматриваемом в настоящем стандарте, инструкция по ее применению должна содержать дополнительные особые меры предосторожности.

1.2 Назначение стандарта

Настоящий стандарт устанавливает требования к устройству и конструкции оборудования с целью обеспечить защиту оператора и окружающей среды от следующих опасностей:

- поражения электрическим током, включая ожоги (см. раздел 6);

- ожогов, вызванных контактом с нагретыми поверхностями и агрессивными жидкостями (см. разделы 10 и 11);

- механических опасностей (см. разделы 7, 8 и 11);

- распространения огня (см. раздел 9);

- превышения температуры (см. раздел 9);

- влияния излучений, в том числе от лазерных источников, источников акустического шума и ультразвука (см. раздел 12);

- выделяющихся газов и поражений при взрывах и при разрушении вакуумных приборов (раздел 13).

Примечание - Применительно к конкретному оборудованию при его разработке и оценке безопасности следует также учитывать требования действующих на территории Российской Федерации стандартов системы стандартов безопасности труда (далее - стандарты ССБТ), норм радиационной безопасности и санитарных норм.

1.3 Проверка соответствия требованиям стандарта

Настоящий стандарт устанавливает методы проверки оборудования на соответствие указанным в стандарте требованиям при испытаниях типа оборудования, испытаниях сертификационных и для целей утверждения типа, а также при испытаниях по ГОСТ 16504.

Примечания

1 Требования к параметрам безопасности, проверяемым при приемосдаточных испытаниях, приведены в приложении К.

2 Рекомендации по оформлению протоколов испытаний - по МЭК 61010-3-1.

1.4 Условия окружающей среды

Настоящий стандарт распространяется на оборудование, которое должно быть безопасным, по крайней мере, при следующих условиях:

- использование в помещениях;

- высота до 2000 м над уровнем моря или выше, если последнее указано изготовителем (см. дополнительную информацию в D.9);

- температура от 5 до 40 °С;

- максимальная относительная влажность воздуха 80 % для температур до 31 °С, линейно уменьшающаяся до 50 % при температуре 40 °С;

- изменения значений напряжения питания сети не превышают ±10 % номинального значения;

- изменения напряжения других источников питания должны быть установлены изготовителем;

- переходные перенапряжения соответствуют категориям монтажа (категориям перенапряжения) I, II и III (см. приложение J). Если оборудование подключают к сети питания, минимальной и нормальной для него является категория монтажа II;

- степень загрязнения 1 или 2 в соответствии с МЭК 60664 (см. 3.7.3).

2 Нормативные ссылки

В настоящем стандарте использованы ссылки на стандарты, приведенные в приложении L.

3 Определения

В настоящем стандарте применяют термины с соответствующими определениями, приведенные ниже. Определения других терминов, которые применены в настоящем стандарте, - по ГОСТ 30012.1.

Если в тексте отсутствуют другие указания, то под терминами «напряжение» и «сила тока» следует подразумевать среднеквадратические значения переменного напряжения и силы тока любой формы либо значения постоянного напряжения и силы тока.

3.1 Оборудование и его состояния

3.1.1 закрепленное оборудование: Оборудование, укрепленное на основании или каким-либо иным способом закрепленное в определенном месте и положении.

3.1.2 постоянно подключенное оборудование: Оборудование, подключенное к сети электропитания здания средствами постоянного присоединения, которые могут быть разъединены только с применением инструмента.

3.1.3 переносное оборудование: Оборудование, конструкция которого предполагает его перемещение вручную.

3.1.4 ручное оборудование: Переносное оборудование, удерживаемое при нормальном применении в одной руке.

3.1.5 инструмент: Отвертка или любой другой предмет, который можно использовать, чтобы изменить состояние резьбового или подобного соединения.

3.2 Части и принадлежности

3.2.1 зажим (клемма): Элемент, предназначенный для соединения устройства (оборудования) с внешними проводниками.

Примечание - Зажим может содержать один или несколько контактов.

3.2.2 зажим рабочего заземления: Зажим, с помощью которого осуществляется электрическое соединение непосредственно с какой-либо точкой измерительной или управляющей цепи или защитным экраном, предназначенный для соединения с землей в любых целях, связанных с функционированием оборудования, кроме обеспечения его безопасности.

Примечание - В измерительной технике этот зажим также называют измерительным зажимом заземления.

3.2.3 зажим защитного заземления: Зажим, который в целях обеспечения безопасности оборудования соединен с его токопроводящими частями и предназначен для соединения оборудования с внешним контуром защитного заземления.

3.2.4: кожух: Часть оборудования, обеспечивающая его защиту от определенных внешних воздействий и от прямого контакта в любых направлениях.

3.2.5 ограждение: Устройство, обеспечивающее защиту оборудования и оператора от прямого контакта в любом обычно доступном направлении.

Примечание - Кожух и ограждение могут обеспечивать защиту от распространения огня (см. 9.1 и приложение F)

3.3 Электрические величины

3.3.1 номинальное значение: Числовое значение величины, устанавливаемое обычно изготовителем для определенных условий функционирования элемента, устройства или оборудования.

3.3.2 диапазон номинальных значений: Ряд номинальных значений и условий функционирования.

3.4 Испытания

3.4.1 испытание типа: Испытание одного или нескольких образцов оборудования (или частей оборудования) изготовленных по определенному проекту (техническим условиям) с целью проверить, что устройство и конструкция оборудования удовлетворяют требованиям настоящего стандарта.

3.4.2 приемосдаточное испытание: Испытание, которому подвергают каждую единицу оборудования в процессе или после ее изготовления с целью проверить соответствие оборудования определенным требованиям (см. приложение К).

3.5 Безопасность

3.5.1 доступная часть: Часть, к которой возможно прикосновение стандартным испытательным пальцем или испытательным штырем, применяемым в соответствии с 6.2.

3.5.2 опасная часть: Часть, способная вызвать любое поражение электрическим током при нормальном применении или в условиях одной неисправности (см. 6.3.1, где указаны числовые значения для нормального применения, и 6.3.2, где указаны повышенные значения в условиях одной неисправности).

3.5.3 высокая надежность: Пренебрежимо малая вероятность возникновения неисправности, которая может вызвать опасность, как она определена в настоящем стандарте (см. 1.2). Любую часть, имеющую высокую надежность, рассматривают как часть, которая должна выдержать испытания в условиях одной неисправности.

3.5.4 защитный импеданс: Компонент, совокупность компонентов или комбинация основной изоляции и устройства, ограничивающего ток или напряжение, полное электрическое сопротивление, конструкция и надежность которых таковы, что при включении между опасными и доступными токопроводящими частями, они обеспечивают защиту в объеме требований настоящего стандарта при нормальном применении и в условиях одной неисправности.

3.5.5 защитное соединение: Непрерывное электрическое соединение доступных токопроводящих частей и (или) защитных экранов с внешним защитным проводником.

3.5.6 нормальное применение: Функционирование, включая ненагруженное резервное состояние, соответствующее инструкции по эксплуатации или очевидному назначению.

Примечание - В большинстве случаев нормальное применение также предполагает и наличие нормальных условий, так как инструкция по эксплуатации содержит запрещение использовать оборудование в условиях, отличных от нормальных.

3.5.7 нормальные условия: Условия функционирования оборудования, при которых ни одно из средств защиты от опасностей не срабатывает.

3.5.8 условие одной неисправности: Состояние, при котором одно из средств защиты от опасностей неисправно или имеется одно нарушение, которое может вызвать опасность (см. 1.2).

Примечание - Если возникновение одного условия одной неисправности неизбежно связано с возникновением другого условия одной неисправности, обе неисправности рассматриваются как единое условие одной неисправности.

3.5.9 оператор: Лицо, использующее оборудование по прямому назначению.

Примечание: С этой целью оператор должен пройти соответствующую подготовку.

3.5.10 ответственный орган: Лицо или группа лиц, ответственные за применение, техническое обслуживание и ремонт оборудования и за необходимую подготовку операторов.

3.6 Изоляция

3.6.1 основная изоляция: Изоляция, неисправность которой приводит к опасности поражения электрическим током.

Примечание: Основная изоляция может служить также целям обеспечения работы оборудования.

3.6.2 дополнительная изоляция: Изоляция, применяемая независимо в дополнение к основной изоляции для того, чтобы обеспечить защиту от поражения электрическим током в случае нарушения основной изоляции.

3.6.3 двойная изоляция: Изоляция, включающая в себя основную и дополнительную изоляцию.

3.6.4 усиленная изоляция: Изоляция, которая обеспечивает защиту от поражения электрическим током не хуже двойной изоляции. Она может содержать несколько слоев, которые не могут быть испытаны раздельно как основная изоляция и дополнительная изоляция.

3.7 Изоляция токопроводящих частей их взаимным расположением

3.7.1 категория монтажа (категория перенапряжения): Классификация частей электрического монтажа или электрических цепей оборудования по стандартизованным пределам переходного перенапряжения в зависимости от номинального сетевого напряжения относительно земли (см. приложение J и МЭК 60664).

3.7.2 загрязнение: Любое добавление инородного материала: твердого, жидкого или газообразного (ионизированные газы), которое может вызывать уменьшение электрической прочности или поверхностного сопротивления материала.

3.7.3 степень загрязнения

Для оценки зазоров и путей утечки в настоящем стандарте установлены две степени загрязнения рассматриваемой микросреды.

3.7.3.1 степень загрязнения 1: Загрязнение отсутствует либо оно является сухим и непроводящим. Загрязнение не оказывает никакого влияния на электрические характеристики оборудования.

3.7.3.2 степень загрязнения 2: Обычно имеется только непроводящее загрязнение. Однако временно, вследствие выпадения на поверхность конденсата, загрязнение может стать проводящим.

3.7.4 зазор: Кратчайшее расстояние по воздуху между двумя токопроводящими частями оборудования.

3.7.5 путь утечки: Кратчайшее расстояние вдоль поверхности изолирующего материала между двумя токопроводящими частями оборудования.

3.8 Сеть питания

Термин "сеть питания", используемый в настоящем стандарте, относится к электрическому питанию (с напряжением, значения которого превышают значения, указанные в 6.3.2.1), обеспечиваемому путем подключения к сетям зданий и сооружений или системам, для которых разработано рассматриваемое настоящим стандартом оборудование.

4 Испытания

4.1 Общие положения

Образцы оборудования или его части, подпадающие под действие настоящего стандарта, должны быть испытаны на соответствие его требованиям, т.е. подвергнуты испытанию типа.

Кроме того, при проведении приемосдаточных испытаний изготовитель обязан проводить испытания согласно приложению К всех изготовленных изделий, которые содержат опасные и доступные токопроводящие части.

Испытания компонентов или составных частей оборудования, удовлетворяющих требованиям соответствующих стандартов и применяемых в соответствии с ними, не требуется проводить повторно при испытаниях типа оборудования в целом.

Соответствие требованиям настоящего стандарта проверяют путем проведения всей совокупности испытаний. Если в результате осмотра оборудования получены убедительные доказательства, что оно выдержит какое-либо испытание, это испытание не проводят.

Испытания проводят:

- в нормальных условиях испытаний (см. 4.3);

- в условиях одной неисправности (см. 4.4).

Примечания

1 Если диапазон номинальных значений условий окружающей среды для оборудования шире, чем это установлено в 1.4, то изготовитель должен обеспечить уверенность, что требования настоящего стандарта в этих условиях соблюдены (например путем соответствующего изменения методик испытаний или проведением дополнительных испытаний).

2 Если при проведении испытания возникает какая-либо неопределенность относительно точных значений прикладываемых или измеряемых величин (например напряжения), обусловленная погрешностью используемых средств измерений, то:

- изготовитель должен быть уверен, что воздействующая при испытании величина имеет значение, по, крайней мере, не более указанного;

- испытательная лаборатория должна быть уверена, что воздействующая при испытании величина имеет значение, по крайней мере, не менее указанного.

3 Оборудование, которое было подвергнуто испытанию типа, может оказаться в дальнейшем не соответствующим функциональному назначению из-за остаточного влияния нагрузок, которые были созданы при выполнении некоторых испытаний. По этой причине испытания типа не следует проводить (например ответственному органу) после того, как оборудование уже поставлено изготовителем.

4.2 Последовательность испытаний

Последовательность испытаний устанавливают произвольно, если иное не указано в настоящем стандарте. После каждого испытания оборудование следует тщательно осмотреть. Если в результате очередного испытания возникает сомнение в том, что оборудование выдержит предыдущее испытание при изменении последовательности испытаний на обратную, то это испытание должно быть выполнено снова. Если испытания в условиях одной неисправности могут вызвать повреждение оборудования, их можно проводить после испытаний при нормальном применении.

4.3 Нормальные условия испытаний

4.3.1 Условия окружающей среды

Все испытания (если иное не установлено в настоящем стандарте) проводят в следующих условиях окружающей среды (если они не противоречат указанным в 4.1):

- температура от 15 до 35 °С;

- относительная влажность воздуха не более 75 %;

- атмосферное давление от 75 до 106 кПа (от 562 до 795 мм рт.ст.);

- отсутствие инея, росы, проникающей влаги, дождя, солнечного излучения и т.п.

4.3.2 Состояние оборудования

Если не установлено иное, испытаниям следует подвергать один и тот же образец оборудования, полностью укомплектованный и пригодный для нормального применения, в наименее благоприятной комбинации условий, перечисленных в 4.3.3-4.3.16.

Если размеры или масса оборудования не позволяют выполнить отдельные виды испытаний полностью укомплектованного оборудования, допускается проведение испытаний отдельных его составных частей при условии, что эти испытания обеспечивают проверку соответствия полностью укомплектованного оборудования требованиям настоящего стандарта.

Оборудование, предназначенное для встраивания в стену, стойку, пульт и т.п., должно быть установлено в соответствии с инструкцией изготовителя.

4.3.3 Расположение оборудования

Оборудование может быть установлено в любом положении нормального применения, не препятствующем его вентиляции.

4.3.4 Принадлежности

Принадлежности и заменяемые оператором части, поставляемые изготовителем или рекомендуемые им для применения в составе оборудования, при испытании могут быть присоединены или не присоединены к оборудованию.

4.3.5 Крышки и съемные части

Крышки или части, которые могут быть удалены без применения инструмента, можно удалить или оставить на своем месте. Крышки, которые могут быть сняты без применения инструмента, допускается не снимать, если они снабжены системами блокировки, отвечающими требованиям раздела 15.

4.3.6 Источники питания

Установлены следующие требования:

- источник напряжения должен обеспечивать от 90 до 110 % любого номинального напряжения питания, для работы при котором предназначено оборудование. Если оборудование рассчитано на большие изменения напряжения, используют любое напряжение в пределах допустимого диапазона;

- частота должна быть любой номинальной частотой;

- оборудование, которое предназначено для работы на переменном и постоянном токе, может быть подключено к источнику питания переменного или постоянного тока;

- оборудование, работающее на постоянном токе или от однофазного источника питания, должно быть подключено в прямой и обратной полярности;

- если оборудование не предназначено для использования только с незаземленным источником питания, один полюс рекомендуемого для проведения испытаний источника должен быть подключен к земле или находиться под потенциалом, близким к потенциалу земли;

- если средства соединения с питанием от батарей позволяют в испытуемом оборудовании изменять полярность питания на обратную, это оборудование следует включать при обеих полярностях.

4.3.7 Входные и выходные напряжения

Входные и выходные напряжения, включая напряжение холостого хода, должны быть установлены в пределах диапазонов их номинальных значений.

4.3.8 Зажимы защитного заземления

Зажимы защитного заземления, если они имеются, должны быть заземлены. Зажимы рабочего заземления могут быть присоединены или не присоединены к земле.

4.3.9 Органы управления

Органы управления, которые оператор регулирует вручную, могут быть установлены в любом положении с учетом следующих требований:

- устройства переключения напряжения питания сети должны быть установлены в необходимое положение;

- не должно быть никаких комбинаций положений органов управления, запрещенных изготовителем путем маркировки оборудования.

4.3.10 Соединения

Части оборудования должны быть соединены в соответствии с его назначением или не соединены в зависимости от предусмотренного применения.

4.3.11 Нагрузка на электродвигатели

Нагрузка частей оборудования, приводимых в действие электродвигателями, должна соответствовать назначению этого оборудования.

4.3.12 Электрические выходы

Для оборудования с электрическими выходами должны быть соблюдены следующие условия:

- оборудование должно работать таким образом, чтобы обеспечивать номинальную выходную мощность на номинальной нагрузке;

- нагрузки с номинальным импедансом для каждого выхода подключают или не подключают.

4.3.13 Рабочий цикл

Оборудование, предназначенное для кратковременной или прерывистой работы, должно быть включено на наибольший период времени и иметь самые короткие интервалы между включениями из предусмотренных инструкциями изготовителя.

4.3.14 Загрузка и заполнение

Оборудование, предназначенное для загрузки специальным материалом при нормальном применении, должно быть загружено минимально возможным количеством материала, указанного в инструкции по эксплуатации, включая полное отсутствие загрузки, если это допускает инструкция по эксплуатации для нормального применения.

Примечания

1 В случае сомнения испытания проводят при нескольких условиях загрузки.

2 Если данный материал может представлять опасность при испытании, допускается применение другого материала при условии, что это не повлияет на результат испытания.

4.3.15 Оборудование, выделяющее при работе теплоту

Во время проведения измерений температуры оборудование, которое при работе по функциональному назначению производит теплоту, во избежание распространения огня испытывают в испытательном углу, как описано в 9.2.1.

4.3.16 Встроенное оборудование

При измерениях температуры оборудование, предназначенное для установки в пульте, стойке или в стене, во избежание распространения огня размещают в испытательном углу в соответствии с 9.2.2.

4.4 Испытания в условиях одной неисправности

4.4.1 Общие положения

Установлены следующие требования:

- исследование оборудования и его электрической схемы в целом должно быть достаточным для выявления условий, которые могут привести к возникновению опасности, как она определена в настоящем стандарте, и которые, следовательно, должны быть созданы;

- испытания в условиях одной неисправности должны быть проведены во всех случаях, когда не очевидно, что определенная неисправность не может привести к возникновению опасности;

- оборудование должно функционировать при наименее благоприятной комбинации нормальных условий испытаний (см. 4.3). Эти комбинации могут быть различными для различных условий одной неисправности, и они должны быть указаны изготовителем для каждого испытания.

Примечание - Альтернативные методы испытаний защиты от распространения огня в условиях одной неисправности (см. 9.1) приведены в приложении F.

4.4.2 Введение одной неисправности

Все условия одной неисправности, перечисленные в 4.4.2.1-4.4.2.12, должны быть введены поочередно по одному в наиболее удобной последовательности. Несколько условий одной неисправности могут быть введены одновременно, только если они являются следствием введения одной неисправности.

После введения одной неисправности оборудование или его части должны пройти соответствующие испытания по 4.4.4.

4.4.2.1 Защитный импеданс

Установлены следующие требования:

- если защитный импеданс состоит из комбинации компонентов, то каждый компонент следует закоротить или разомкнуть в зависимости от того, что хуже;

- если защитный импеданс образован комбинацией основной изоляции и устройства, ограничивающего ток или напряжение, в основную изоляцию и в это устройство должна быть введена неисправность, причем только по одному разу. Основная изоляция должна быть замкнута накоротко, а устройство, ограничивающее ток или напряжение, следует закоротить или разомкнуть в зависимости от того, что хуже. Части защитного импеданса, которые являются компонентами высокой надежности, замыкать или размыкать не следует (см. 6.5.3 и 14.6).

4.4.2.2 Защитный проводник

Защитный проводник должен быть отсоединен, если оборудование не подключено постоянно или соединитель не используется в соответствии с ГОСТ 29146.1, ГОСТ 29146.2.

4.4.2.3 Оборудование или его части, предназначенные для кратковременного или прерывистого функционирования

Указанное оборудование или его части должны работать непрерывно, если это возможно в условиях одной неисправности. К частям оборудования относятся электродвигатели, реле, другие электромагнитные устройства, а также нагреватели.

4.4.2.4 Электродвигатели

Электродвигатели должны быть заторможены на полных оборотах или заклинены перед включением в зависимости от того, что хуже.

4.4.2.5 Конденсаторы

Конденсаторы во вспомогательных обмотках электродвигателей, за исключением самовосстанавливающихся конденсаторов (например металлизированных бумажных), должны быть закорочены.

4.4.2.6 Сетевые трансформаторы

Вторичные обмотки сетевых трансформаторов, испытуемых в составе оборудования, должны быть закорочены, а также подвергнуты любым перегрузкам, которые могут возникнуть вследствие появления любой неисправности согласно 4.4.

Обмотки и их секции, которые при нормальном применении подключены к нагрузкам, должны быть испытаны при поочередном коротком замыкании этих нагрузок. Все другие обмотки нагружают или не нагружают в зависимости от того, что при нормальном применении хуже.

Короткое замыкание следует осуществлять со стороны нагрузки любого токоограничивающего устройства или устройства защиты от перегрузки по току, которое непосредственно подключено к обмотке.

Технические требования и виды испытаний сетевых трансформаторов, испытуемых отдельно, указаны в 14.7.

4.4.2.7 Электрические выходы оборудования

Электрические выходы следует замыкать накоротко поочередно по одному, за исключением выходов, закорачивание которых запрещено инструкциями изготовителя.

4.4.2.8 Оборудование, предназначенное для работы более чем от одного источника питания

Если оборудование предназначено для работы более чем от одного источника питания, все источники должны быть одновременно подключены к оборудованию, если это допускается его конструкцией.

4.4.2.9 Охлаждение

Охлаждение оборудования должно быть ограничено одним из следующих способов, но не более одного одновременно:

- вентиляционные отверстия с фильтрами должны быть закрыты;

- принудительное охлаждение с помощью вентиляторов должно быть прекращено;

- охлаждение путем циркуляции воды или другого хладагента должно быть прекращено.

4.4.2.10 Нагревательные устройства

В оборудование, содержащее нагревательные устройства, должны быть введены следующие неисправности, но не более одной одновременно:

- отключены реле времени, ограничивающие время нагрева;

- отключены регуляторы температуры, кроме устройств защиты от перегрева по 14.3;

- имитирована потеря охлаждающей жидкости.

4.4.2.11 Изоляция между цепями и частями оборудования

Изоляция между цепями и частями оборудования, указанными в приложении G, должна быть закорочена, если она не была проверена в соответствии с 9.1.

4.4.2.12 Системы блокировки

Если система блокировки предотвращает появление опасности для оператора (см. 1.2) при снятии крышек без применения инструмента и в подобных ситуациях, каждый элемент этой системы должен быть поочередно закорочен или разомкнут. Компоненты с высокой надежностью, входящие в эти системы (см. 14.6 и 15.3), закорачиванию или размыканию не подвергают.

4.4.3 Длительность испытаний

4.4.3.1 Оборудование должно работать до тех пор, пока дальнейшее изменение его состояния, являющееся результатом введенной неисправности, не станет маловероятным. Обычно каждое испытание ограничивают одним часом, так как любая вторичная неисправность, появляющаяся в условиях одной неисправности, как правило, уже проявляется в течение этого времени. Если по истечении часа появляются признаки опасности поражения электрическим током, распространения огня или причинения другого вреда человеку, то испытание должно быть продолжено до тех пор, пока эти опасности не проявятся, или до истечения максимального времени испытания - четырех часов.

4.4.3.2 Если в оборудовании используется устройство прерывания или ограничения тока для ограничения температуры легкодоступных частей, измерение максимально достижимой температуры оборудования должно быть проведено независимо от того, работает вышеуказанное устройство или нет.

4.4.3.3 Если для ограничения последствий неисправности должен сработать плавкий предохранитель и он не срабатывает в течение 1 с, необходимо измерить силу тока, протекающего через предохранитель при этой неисправности. Предварительно должны быть определены минимальная сила тока и максимальное время срабатывания предохранителя. Если при испытании не достигается минимальная сила тока срабатывания предохранителя, оборудование должно работать в течение времени, соответствующего максимальному времени срабатывания предохранителя, или непрерывно в соответствии с 4.4.3.1.

4.4.4 Проверка соответствия требованиям

4.4.4.1 Соответствие требованиям защиты от поражения электрическим током проверяют:

- измерениями по 6.3.2;

- испытанием напряжением, как это указано в 6.8.4 для двойной или усиленной изоляции, но с воздействием испытательного напряжения только на основную изоляцию.

Примечание - Испытание основной изоляции имитирует условие одной неисправности, при которой отказывает один уровень двойной изоляции или частично отказывает усиленная изоляция.

4.4.4.2 Соответствие требованиям температурной защиты проверяют определением температуры внешней поверхности кожуха и легкодоступных частей оборудования.

За исключением поверхностей нагревательного оборудования, предназначенных для нагревания, температура внешней поверхности кожуха и легкодоступных частей не должна превышать 105 °С при температуре окружающей среды 40 °С (см. 1.4).

Эту температуру определяют измерением максимального превышения температуры поверхности или части оборудования над температурой окружающей среды и прибавлением измеренного значения к 40 °С.

4.4.4.3 Соответствие требованиям защиты от распространения огня проверяют следующим образом.

Оборудование устанавливают на поверхность из мягкого дерева, покрытую белой папиросной бумагой, и накрывают марлей. На эту поверхность не должны попадать расплавленный металл, обгоревшая изоляция, воспламененные частицы и т.п. Кроме того, не должно быть никакого обугливания, тления или воспламенения бумаги или марли. Если плавление изоляции не имеет существенного значения с точки зрения требований настоящего стандарта, им можно пренебречь.

4.4.4.4 Соответствие требованиям защиты от других опасностей, перечисленных в 1.2, проверяют, как указано в разделах 7-15.

5 Маркировка и документация

5.1 Маркировка

5.1.1 Общие положения

Оборудование должно иметь маркировку в соответствии с 5.1.2-5.2. Эта маркировка, кроме маркировки внутренних частей, должна быть хорошо различима с внешней стороны оборудования или после снятия крышек и открытия дверок без применения инструмента, если в соответствии с назначением крышка или дверка может быть снята или открыта оператором. Маркировку, наносимую на оборудование в целом, не следует размещать на частях, которые могут быть легко сняты оператором без применения инструмента.

На оборудование, устанавливаемое в пульт или в стойку, обозначения можно наносить на любую поверхность, которая становится видимой после удаления оборудования из пульта или стойки.

Обозначения единиц физических величин должны соответствовать ГОСТ 8.417. Графические символы должны соответствовать указанным в таблице 1.

Таблица 1

Номер символа

Вид символа

Номер символа по нормативному документу

Описание

1

В-1, ГОСТ 30012.1

Постоянный ток

2

В-2, ГОСТ 30012.1

Переменный ток

3

В-3, ГОСТ 30012.1

Постоянный и переменный ток

4

В-4, ГОСТ 30012.1

Трехфазный переменный ток

5

F-31, ГОСТ 30012.1

Зажим рабочего заземления

6

F-43, ГОСТ 30012.1

Зажим защитного заземления

7

F-42, ГОСТ 30012.1

Зажим корпуса или шасси

8

189, ГОСТ 25874

Эквипотенциальность

9

-, ГОСТ 26104

Включено (питание)

10

-, ГОСТ 26104

Выключено (питание)

11

014, ГОСТ 25874

Оборудование, защищенное двойной или усиленной изоляцией (эквивалентно классу II ГОСТ Р МЭК 536. См. приложение Н)

12

Фон - желтый; символ и контур - черные

2.5, ГОСТ 12.4.026

Осторожно! Опасность поражения электрическим током

13

Фон - желтый; символ и контур - черные

5041, МЭК 60417

Осторожно! Горячая поверхность

14

Фон - желтый; символ и контур - черные

F-33, ГОСТ 30012.1

Внимание! (См. сопроводительные документы)

15

5268-а, МЭК 60417

Включено (положение кнопочного переключателя с двумя фиксированными положениями)

16

5269-а, МЭК 60417

Выключено (положение кнопочного переключателя с двумя фиксированными положениями)

Примечание - Цвета, установленные для символов № 12, 13 и 14, можно не применять при маркировке оборудования, в котором предусмотрены гравировка на глубину 0,5 мм или отливка высотой 0,5 мм, а также когда цвета символа и контура контрастируют с цветом фона.

Примечание - Маркировку не следует наносить на днище оборудования, за исключением ручного оборудования и тех случаев, когда место для нанесения маркировки ограничено.

Соответствие требованиям проверяют осмотром.

5.1.2 Идентификация

Оборудование должно быть идентифицировано путем указания, как минимум, следующей информации:

- наименование изготовителя или зарегистрированный товарный знак;

- номер модели, наименование или другие способы идентификации оборудования.

Соответствие требованиям проверяют осмотром.

5.1.3 Источники питания

Маркировка оборудования должна содержать следующую информацию:

а) вид питания:

- переменный ток: номинальная частота сети или диапазон частот;

- постоянный ток: символ № 1 по таблице 1.

Примечания

1 Для информации целесообразно маркировать:

- оборудование с питанием от сети переменного тока - символом № 2 по таблице 1;

- оборудование с питанием от сети переменного тока и постоянным током - символом № 3 по таблице 1;

- оборудование с питанием от трехфазной сети - символом № 4 по таблице 1.

2 В документации должна быть указана категория монтажа, на которую рассчитано оборудование (это относится к его способности выдерживать переходные перенапряжения);

b) номинальное значение (значения) напряжения питания или диапазон номинальных значений напряжения питания.

Примечание - Могут быть также указаны допустимые отклонения от номинального значения (значений);

c) максимальная номинальная мощность в ваттах (активная мощность) или в вольт-амперах (полная мощность) или максимальный номинальный потребляемый ток при всех подсоединенных принадлежностях или встраиваемых модулях. Если оборудование предназначено для использования при нескольких диапазонах напряжений, конкретные значения мощности или силы тока должны быть указаны для каждого диапазона напряжения, кроме случаев, когда наибольшее и наименьшее значения отличаются от среднего не более чем на 20 %;

d) оборудование, которое оператор может подключить к источникам питания различного номинального напряжения, должно быть снабжено средствами индикации напряжения, на которое включено оборудование. У ручного оборудования эта индикация должна быть видна снаружи. Если оборудование сконструировано так, что оператор может изменить установку напряжения без применения инструмента, при изменении установки напряжения должны изменяться показания индикатора;

е) на встроенных в оборудование сетевых розетках для стандартных сетевых вилок должно быть нанесено значение напряжения, если оно отличается от значения напряжения сети. Если розетка предназначена только для использования со специальным оборудованием, то она должна иметь маркировку, идентифицирующую оборудование, для которого она предназначена. В противном случае должны быть обозначены максимальный номинальный ток или мощность и максимальный допустимый ток или символ № 14 по таблице 1, расположенный рядом с розеткой; при этом все подробности должны быть указаны в документации.

Соответствие требованиям проверяют осмотром и измерением мощности или потребляемого тока на соответствие 5.1.3, перечисление с). Чтобы исключить влияние первоначального броска тока, измерение проводят после достижения установившегося режима (обычно через 1 мин). Оборудование должно находиться в режиме наибольшего энергопотребления. Измеренные значения не должны превышать установленные значения более чем на 10 %.

5.1.4 Плавкие предохранители

Держатели всех плавких предохранителей, заменяемых оператором, должны иметь маркировку, указывающую в кодированном виде (см. примечание) номинальный ток, тип предохранителя и скорость разрыва цепи. Для плавких предохранителей, которые не подлежат замене оператором, информация должна быть приведена в документации (см. 5.4.5).

Примечание - Буквенный и цветовой код по ГОСТ Р 50537 - ГОСТ Р 50541:

- очень быстрое срабатывание: FF или черный;

- быстрое срабатывание: F или красный;

- среднее время задержки: М или желтый;

- с задержкой: Т или голубой;

- большое время задержки: ТТ или серый.

Соответствие требованиям проверяют осмотром.

5.1.5 Зажимы измерительных цепей

Зажимы измерительных цепей напряжения и тока должны быть маркированы с указанием максимального значения рабочего напряжения (см. D.1.1) или силы тока соответственно.

Если четко не указано, что на средство измерений нельзя подавать напряжение относительно земли более 50 В переменного тока или 120 В постоянного тока, входные зажимы измерительной цепи, подключаемые оператором или используемые для измерения силы тока или напряжения, следует маркировать с указанием максимального номинального значения напряжения относительно земли. Исключение допускается только для зажимов (соединителей) схем, предназначенных для подключения к определенным зажимам другого оборудования при условии, что предусмотрены меры для идентификации этих зажимов.

Примеры допустимых указаний о том, что во всех случаях входные напряжения относительно земли должны быть не более 50 В переменного тока или 120 В постоянного тока:

- маркировка полного значения шкалы для однопредельного вольтметра или максимального измеряемого значения для многопредельного вольтметра;

- маркировка максимального измеряемого значения для переключателя пределов измерения;

- обозначение функционального назначения прибора (например «милливольтметр»).

Маркировка должна быть нанесена рядом с зажимами. Однако, если места недостаточно (например у оборудования с большим количеством входов), допускается наносить маркировку на табличке с указанием пределов измерений или на шкале, а также маркировать зажимы символом № 14 по таблице 1.

Зажимы измерительной цепи, используемые для измерения напряжения или силы тока, должны иметь маркировку с указанием категории монтажа (категории перенапряжения). Маркировку выполняют добавлением символа CAT @ к максимальному измеряемому значению напряжения относительно земли. При указании соответствующей категории монтажа (см. таблицу J.1) римские цифры I, II или III могут заменить символ @.

Зажимы токовых и потенциальных измерительных цепей, подключенные постоянно и не являющиеся доступными, в указанных маркировках не нуждаются. Сведения о категории монтажа (категории перенапряжения), максимальном рабочем напряжении (см. D.1.1) или силе тока для этих зажимов должны быть приведены в инструкции по установке оборудования (см. 5.4.3).

Соответствие требованиям проверяют осмотром.

5.1.6 Зажимы и органы управления

Если это необходимо для целей безопасности, на оборудование должна быть нанесена маркировка, указывающая назначение зажимов, соединителей, средств контроля и индикации, включая любую последовательность действий. Если места для маркировки недостаточно, то может быть использован символ № 14 по таблице 1.

Примечание - Дополнительная информация приведена в ГОСТ 21991 и МЭК 60445.

Зажимы для присоединения к сети питания должны быть выделены маркировкой.

Если в качестве устройства, отключающего оборудование от сети питания, использованы выключатель или автомат защиты, должны быть четко обозначены их положения - включено или выключено. В ряде случаев можно применять символы № 9 и 10 по таблице 1, которые используют только для сетевых выключателей (см. 6.12.3.1). Наличие одного лишь светового индикатора не является достаточной маркировкой.

Если в качестве сетевого выключателя использован кнопочный выключатель, можно применять символы № 9 и 15 по таблице 1 для обозначения положения «Включено» или символы № 10 и 16 - для положения «Выключено»; при этом пары символов (№ 9 и 15 или № 10 и 16) применяют совместно.

Зажимы и органы управления должны быть обозначены следующим образом:

a) зажимы рабочего заземления - символом № 5 по таблице 1;

b) зажимы защитного заземления - символом № 6 по таблице 1, за исключением тех случаев, когда зажим защитного заземления является частью сетевого приборного соединителя. Символ следует наносить вблизи зажима или на нем;

c) зажимы измерительных и управляющих цепей, подсоединение которых к доступным токопроводящим частям допускается в соответствии с 6.6.3, - символом № 7 по таблице 1, если это соединение не очевидно.

Примечание - Этот символ можно считать предупредительным в том смысле, что он указывает, что опасное напряжение не должно быть подключено к маркированному зажиму. Символ следует также применять, когда возможно случайное подключение к зажиму опасного напряжения;

d) внешние зажимы, на которые изнутри оборудования подаются опасные напряжения, - значениями или диапазонами значений напряжения, силы тока, заряда или энергии или же символом № 14 по таблице 1. Это требование не относится к стандартным сетевым розеткам, которые используют в комплекте со стандартными сетевыми вилками;

e) доступные зажимы рабочего заземления, подключенные к доступным токопроводящим частям - указанием об этом, если такое соединение не очевидно. Для подобной маркировки применим символ № 8 по таблице 1.

Соответствие требованиям проверяют осмотром.

5.1.7 Оборудование, в котором использована двойная или усиленная изоляция

Оборудование, в котором для защиты от поражения электрическим током использована двойная или усиленная изоляция (см. приложение Н), должно быть обозначено символом № 11 по таблице 1, если оно не снабжено зажимом защитного заземления. Маркировка этим символом оборудования, в котором только частично использована защита двойной или усиленной изоляцией, не допускается.

Соответствие требованиям проверяют осмотром.

5.1.8 Зарядка аккумуляторов

Если оборудование имеет средства для подзарядки аккумуляторов и если в батарейный отсек могут быть вставлены и подключены к этим средствам элементы, не подлежащие зарядке, в отсеке или рядом с ним должна быть нанесена надпись, предупреждающая о недопустимости зарядки таких элементов и указывающая тип аккумуляторов, для подзарядки которых могут быть использованы данные средства.

Примечание - Для этих целей допускается маркировка символом № 14 по таблице 1.

Соответствие требованиям проверяют осмотром.

5.2 Предупреждающая маркировка

Когда оборудование подготовлено к нормальному применению, все предупреждающие знаки и надписи должны быть отчетливо видны оператору.

Если для обеспечения безопасной работы оборудования оператор должен предварительно ознакомиться с инструкцией по эксплуатации, на оборудование должен быть нанесен символ № 14 по таблице 1. Если предупреждения относятся к отдельным частям оборудования, этот символ должен быть нанесен на соответствующие части или рядом с ними.

Если инструкция по эксплуатации разрешает оператору доступ с применением инструмента к любой части оборудования, которая при нормальном применении может быть опасной, должна быть нанесена предупреждающая надпись с требованием предварительной изоляции оборудования или отключения его от опасного напряжения.

Предупреждающая маркировка должна извещать оператора о необходимых мерах предосторожности, которые следует принимать, чтобы избежать контакта с опасными частями, доступными в соответствии с исключениями 6.6.1. Доступ к опасным движущимся частям - по 7.2.

Выходящие из корпуса оборудования зажимы с напряжением, превышающим 1 кВ, или на которые может быть подано напряжение свыше 1 кВ (см. 6.6.2), должны быть маркированы символом № 12 по таблице 1. Требования к дополнительной маркировке, где это необходимо, рассмотрены в 6.6.2.

Легкодоступные для прикосновения части оборудования, температура которых в соответствии с 9.1 может превышать пределы, установленные в таблице 3, должны быть маркированы символом № 13 по таблице 1, если их нагрев не является очевидным или не вытекает из функционального назначения оборудования.

Примечания

1 Предупреждающая маркировка должна хорошо контрастировать с фоном (см. таблицу 1).

2 Предупреждающая маркировка, связанная с применением аккумуляторов, указана в 5.1.8 и 13.2.2.

Соответствие требованиям проверяют осмотром.

5.3 Стойкость маркировки

Маркировка, нанесенная в соответствии с 5.1.2-5.2, должна оставаться четкой и различимой в условиях нормального применения и выдерживать воздействие чистящих средств, указанных изготовителем.

Соответствие требованиям проверяют осмотром и следующим испытанием: внешнюю поверхность оборудования, на которую нанесена маркировка, протирают вручную, без чрезмерного усилия, сначала в течение 15 с марлей, смоченной чистящим средством (или, если оно изготовителем не указано, водой), а затем в течение 15 с - марлей, смоченной изопропиловым спиртом. После испытания маркировка должна быть ясно различима, а наклейки не должны отклеиваться или закручиваться на краях.

5.4 Документация

5.4.1 Общие положения

С целью обеспечить безопасность оборудования в комплект его поставки должна входить следующая документация:

- техническое описание;

- инструкция по эксплуатации;

- документ, содержащий наименование и адрес изготовителя или поставщика, к которым можно обратиться за технической помощью;

- документация с информацией, перечисленной в 5.4.2-5.4.5;

- документ с указанием категории монтажа (категории перенапряжения) в случае, если требованиями к оборудованию предусмотрена маркировка зажимов (см. 5.1.5).

Если это необходимо, документация должна содержать предупредительную информацию и подробное объяснение предупреждающих символов, нанесенных на оборудование. В противном случае эту информацию следует наносить на оборудование в виде четких и стойких к воздействию чистящих средств надписей.

Примечание - Если нормальное применение предусматривает обращение с опасными веществами, в документации должны быть приведены указания о правильном использовании и безопасном обращении с ними. Если какое-нибудь опасное вещество указывает или поставляет изготовитель оборудования, в документации должна быть также приведена необходимая информация о его составе и правильном применении.

Соответствие требованиям проверяют осмотром.

5.4.2 Общие характеристики оборудования

Документация должна содержать следующие сведения:

- номинальное значение или диапазон номинальных значений напряжения, частоты, силы тока или мощности источника питания;

- описание всех подсоединений к выходам и входам оборудования;

- характеристики изоляции внешних цепей, соответствующие условиям одной неисправности, если такие цепи недоступны (см. 6.6);

- диапазон условий окружающей среды, для которых разработано оборудование (см. 1.4 и примечание 1 к 4.1).

Соответствие требованиям проверяют осмотром.

5.4.3 Монтаж оборудования

Документация должна содержать следующие инструкции по монтажу и вводу в эксплуатацию оборудования:

- требования к сборке, размещению и монтажу;

- указания, относящиеся к соединению с защитным заземлением;

- указания, относящиеся к подключению источника питания;

- требования к вентиляции;

- требования по специальному обеспечению, например к воздуху, охлаждающим жидкостям;

- требования к максимальному уровню мощности звука, создаваемого оборудованием, если измерения необходимы по 12.5.1;

- требования к уровню звукового давления (см. 12.5.1).

Для постоянно подключенного оборудования должна быть приведена следующая дополнительная информация:

- требования к электрическому монтажу для подключения к питающей сети;

- требования к внешним выключателям или автоматам защиты (см. 6.12.2.1) и другим устройствам для защиты от перегрузки по току (см. 9.6) и рекомендация о том, что внешние выключатель или автомат защиты должны быть расположены вблизи оборудования.

Соответствие требованиям проверяют осмотром.

5.4.4 Эксплуатация оборудования

Инструкции по эксплуатации должны содержать:

- обозначения органов управления и их назначение при использовании во всех рабочих режимах;

- запрещение (если это необходимо) такого расположения оборудования, которое затрудняет работу отключающего устройства, в том числе сетевой кабельной вилки (см. 6.12);

- указания, относящиеся к присоединению принадлежностей и другого оборудования, включая перечень принадлежностей, сменяемых частей и любых специальных материалов;

- указания, относящиеся к пределам периодичности работы, если это необходимо;

- пояснения символов, предусмотренных настоящим стандартом и нанесенных на оборудование;

- указания о замене расходуемых материалов;

- указания об очистке оборудования от загрязнений (см. 11.2).

До ответственного органа должно быть доведено, что обеспечиваемая оборудованием защита может оказаться неэффективной, если оборудование эксплуатируют способом, не указанным изготовителем.

Соответствие требованиям проверяют осмотром.

5.4.5 Техническое обслуживание оборудования

Инструкции для ответственного органа, содержащие требования к профилактическому осмотру и обслуживанию, которые необходимы для обеспечения безопасности, должны быть достаточно подробными. В частности, они должны предусматривать указания о контроле и, при необходимости, замене любых шлангов или других частей, содержащих жидкости, если их неисправность может привести к появлению опасности (см. 1.2, а также 7.2).

Для оборудования, в котором используют аккумуляторы или сухие элементы, должен быть указан их тип (см. также 5.1.8).

Изготовитель должен указать все составные части, которые могут быть проверены или поставлены только изготовителем или его полномочным представителем.

Должны быть указаны номинальные характеристики используемых плавких предохранителей (см. 5.1.4),

Соответствие требованиям проверяют осмотром.

6 Защита от поражения электрическим током

6.1 Общие положения

В оборудовании должна быть обеспечена защита от поражения электрическим током при нормальном применении (см. 6.4) и в условиях одной неисправности (см. 6.5).

Доступные части оборудования не должны быть опасными (см. 6.3).

Примечание - В приложении Н указана связь между требованиями безопасности настоящего стандарта и классификацией безопасности оборудования, используемой в других стандартах.

Соответствие требованиям проверяют испытаниями по 6.2 и измерениями по 6.3, которые проводят после испытаний по 6.4- 6.12.

6.1.1 Исключения

Если по условиям работы оборудования невозможно предотвратить ситуацию, когда некоторые части являются одновременно и доступными, и опасными, настоящим стандартом разрешается считать их доступными при нормальном применении, в то время как на самом деле они являются опасными частями. Это разрешение распространяется на:

- части ламп и ламповые патроны после извлечения лампы;

- части, предназначенные для снятия оператором (например аккумуляторы), которые могут быть опасными при замене или других действиях оператора, если они доступны только с применением инструмента и имеют предупреждающую маркировку в соответствии с 5.2;

- зажимы и розетки рабочих и измерительных цепей (это исключение не распространяется на зажимы, перечисленные в 6.6.2).

Если какая-нибудь из этих частей заряжается от внутреннего конденсатора, она не должна оставаться опасной по истечении 10 с после отключения от источника питания.

Примечания

1 Зажимы, на которые распространяется вышеуказанное исключение, должны быть защищены от случайного прикосновения, насколько это возможно, с помощью колпачка или другим подходящим способом.

2 В 5.2 указана предупреждающая маркировка доступных частей, которые являются опасными, а в 5.4.1 перечислены соответствующие указания в документации.

При зарядке от внутреннего конденсатора соответствие требованиям проверяют измерением по 6.3 с целью узнать, не превышены ли уровни, указанные в 6.3.1.3.

6.2 Нахождение доступных частей

Если отнесение части оборудования к доступной не очевидно, находить доступные части следует в соответствии с 6.2.1-6.2.3. Воздействовать испытательными пальцами (приложение В) и штырями следует без приложения силы, если эта сила не нормирована. Части считают доступными, если до них можно дотронуться испытательным пальцем или штырем или если к ним можно прикоснуться из-за отсутствия любой оболочки, вследствие чего не обеспечивается требуемая изоляция (см. примечание 1 к 6.4). Части, опасные при функционировании (далее - опасные части), находящиеся под напряжением свыше 1 кВ переменного или 1,5 кВ постоянного тока относительно земли, следует считать доступными, если испытательным пальцем или штырем можно приблизиться к этим частям на расстояние, меньшее чем допустимый зазор для основной изоляции при соответствующем значении рабочего напряжения (см. D.1.1).

Части оборудования со сменяемыми блоками не относятся к доступным, если они недоступны для прикосновения шарнирным испытательным пальцем (см. 6.2.1) на глубину до 180 мм от отверстия в оборудовании или если они расположены на глубине более 180 мм от отверстия.

Если при нормальном применении оператор должен выполнять какие-нибудь действия (с применением или без применения инструмента), которые повысят доступность частей оборудования, эти действия следует выполнить до проведения испытаний по 6.2.1-6.2.3.

Примеры таких действий:

- снятие кожуха;

- открытие дверок;

- регулировка органов управления;

- замена расходуемых материалов;

- замена частей.

Оборудование, монтируемое в пульты и в стойки, до проведения испытаний по 6.2.1-6.2.3 должно быть установлено в соответствии с инструкциями изготовителей. Предполагается, что при эксплуатации такого оборудования оператор должен находиться перед передней панелью оборудования.

6.2.1 Общая проверка

Шарнирный испытательный палец (рисунок В.2) должен быть приложен во всех возможных направлениях. Если часть оборудования может стать доступной в результате приложения силы, в отверстие вводят жесткий испытательный палец с силой 10 Н (рисунок В.1). Силу прикладывают ко всем внешним поверхностям, включая нижнюю, торцовой частью испытательного пальца таким образом, чтобы исключить его действие в качестве рычага или клина.

6.2.2 Отверстия над опасными частями оборудования

Металлический испытательный штырь диаметром 4 мм и длиной рабочей части 100 мм должен быть введен в каждое отверстие, расположенное над опасными частями. Испытательный штырь должен быть свободно подвешен и иметь возможность проникать на глубину до 100 мм. Дополнительные меры безопасности, указанные в 6.5 для защиты в условиях одной неисправности, не требуются, потому что опасная часть может оказаться доступной только при проведении этого испытания.

6.2.3 Отверстия для подстроечных элементов

Металлический испытательный штырь диаметром 3 мм и длиной рабочей части 100 мм должен быть введен в каждое отверстие, предназначенное для подстройки с применением отвертки или другого инструмента. Испытательный штырь вводят в отверстие во всех возможных направлениях. Глубина проникновения штыря не должна превышать утроенного расстояния от поверхности кожуха до оси подстроечного элемента или 100 мм в зависимости от того, что меньше.

6.3 Допустимые пределы значений электрических величин для доступных частей

Чтобы доступные части не были опасными, значения напряжения, силы тока, заряда или энергии между любой доступной частью и опорной точкой (см. 6.8.1) или между двумя любыми доступными частями одной и той же составной части оборудования в пределах 1,8 м (по поверхности или по воздуху) не должны превышать значений, указанных в 6.3.1 для нормального применения или в 6.3.2 для условий одной неисправности.

Напряжение на доступной части должно быть измерено. Если измеренное значение не превышает установленных в 6.3.1.1 или 6.3.2.1, нет необходимости в измерении силы тока в доступной части и ее емкости. Если значение напряжения превышает установленные в 6.3.1.1 или 6.3.2.1, значения силы тока и емкости должны быть измерены.

6.3.1 Значения при нормальном применении

Значения, превышающие установленные в 6.3.1.1-6.3.1.3, считают опасными при нормальном применении.

6.3.1.1 Напряжение

Значения: напряжения переменного тока - не выше 30 В среднеквадратического значения и 42,4 В пикового значения; напряжения постоянного тока - не более 60 В.

6.3.1.2 Сила тока

Если значение напряжения превышает одно из значений по 6.3.1.1, проводят измерения значения силы тока по схемам А.1 (для постоянного тока и переменного тока частотой до 1 МГц) или схеме А.2 (для постоянного тока и переменного тока синусоидальной формы частотой, не превышающей 100 Гц), или схеме А.3 (для частот свыше 1 МГц). Измеренные значения силы тока не должны превышать:

- 0,5 мА среднеквадратического значения для синусоидального тока, 0,7 мА пикового значения для переменного тока сложной формы на частотах ниже 1 МГц, 2 мА для постоянного тока (измерительные схемы А.1 или А.2 при частоте ниже 100 Гц);

- 70 мА среднеквадратического значения на частотах свыше 1 МГц (измерительная схема А.3). При этой силе тока возникает опасность получения ожога на высокой частоте.

6.3.1.3 Емкость

Если измеренное значение напряжения превышает одно из значений по 6.3.1.1, допустимая емкость определяется следующими параметрами:

- зарядом, значение которого не должно превышать 45 мкКл при напряжении до 15 кВ пикового значения или постоянного тока;

- накопленной энергией, значение которой не должно превышать 350 мДж для напряжения свыше 15 кВ пикового значения или постоянного тока.

6.3.2 Значения в условиях одной неисправности

Значения, превышающие установленные в 6.3.2.1-6.3.2.3, считают опасными в условиях одной неисправности.

6.3.2.1 Напряжение

Значения: напряжения переменного тока - не выше 50 В среднеквадратического значения и 70 В пикового значения; напряжения постоянного тока - не более 120 В.

Для кратковременного, изредка появляющегося на доступной части, напряжения допустимые уровни устанавливают по графику рисунка 1 (где U - среднеквадратическое значение синусоидального напряжения переменного тока или значение напряжения постоянного тока, В; t - максимальное допустимое время, в течение которого доступная часть может находиться под этим напряжением, с), при этом напряжение измеряют через резистор сопротивлением 50 кОм.

6.3.2.2 Сила тока

Если измеренное значение напряжения превышает одно из значений по 6.3.2.1, проводят измерения силы тока по схемам А.1 (для постоянного тока и переменного тока частотой до 1 МГц) или схеме А.2 (для постоянного тока и переменного тока синусоидальной формы частотой, не превышающей 100 Гц), или схеме А.3 (для частот свыше 1 МГц). Измеренные значения силы тока не должны превышать:

- 3,5 мА среднеквадратического значения для синусоидального тока, 5 мА пикового значения для переменного тока сложной формы на частотах ниже 1 МГц, 15 мА для постоянного тока;

- 500 мА среднеквадратического значения на частотах свыше 1 МГц. При этой силе тока возникает опасность получения ожога на высокой частоте.

6.3.2.3 Емкость

Если измеренное значение напряжения превышает одно из значений по 6.3.2.1, допустимую емкость устанавливают по графику рисунка 2 (где U - среднеквадратическое значение синусоидального напряжения переменного тока или значение напряжения постоянного тока, В; С - максимальная допустимая емкость доступной части, на которой измерено это напряжение, Ф).

6.4 Защита при нормальном применении

Доступные части должны быть защищены от превращения в опасные части одним или несколькими из следующих средств:

- основной изоляцией (см. приложение Е);

- кожухом или ограждением;

- защитным импедансом (см. 6.5.3).

Кожухи и ограждения должны удовлетворять требованиям прочности по 8.1. Если кожухи или ограждения обеспечивают защиту как изолирующие, они должны соответствовать требованиям, предъявляемым к основной изоляции.

Зазор, путь утечки и изоляция между доступными и опасными частями должны удовлетворять требованиям 6.7 и соответствующим требованиям к основной изоляции, установленным в приложении D.

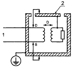
Рисунок 1 - Максимальное допустимое время, в течение которого доступная часть может находиться под кратковременным изредка появляющимся на доступной части напряжением в условиях одной неисправности (см. 6.3.2.1)

Примечания

1 Материалы, которые могут быть легко повреждены, например лак, эмаль, оксиды и пленки, образующиеся при анодировании, не считают достаточной защитой. Непропитанные гигроскопичные материалы, такие как бумага, волокна и волокнистые материалы, также не следует рассматривать в качестве изоляционных материалов.

2 Зазоры и пути утечки, необходимые для обеспечения безопасности, за исключением указанных в D.7, можно проверять измерениями.

3 Твердые изоляционные материалы, необходимые для обеспечения безопасности, проверяют испытательным напряжением, значения которого в зависимости от значений рабочего напряжения приведены в приложении D. Необходимую толщину изоляционного материала определяют, исходя из требуемого испытательного напряжения. Может быть также проведено испытание на частичный разряд (см. МЭК 60664).

4 При наличии механических или тепловых нагрузок толщина изоляции может быть увеличена для обеспечения соответствия требованиям разделов 7-9.

Соответствие требованиям проверяют:

- определением доступных частей по 6.2, а также испытаниями:

- электрической прочности основной изоляции по 6.8,

- прочности кожухов и ограждений по 8.1.

Рисунок 2 - Максимальная допустимая емкость доступной части в зависимости от напряжения, под которым она находится, в условиях одной неисправности (см. 6.3.2.3)

6.5 Защита в условиях одной неисправности

Должна быть обеспечена дополнительная защита для того, чтобы превращение доступных частей в опасные в условиях одной неисправности было невозможным. Защита должна состоять из одного или более защитных средств, установленных в 6.5.1-6.5.3 (исключение - см. 6.5.4), или предусматривать автоматическое отключение от источника питания при возникновении неисправности.

Примечания

1 Защитные устройства, автоматически отключающие оборудование от источника сетевого питания, являются обычно частью электрического оборудования здания, но могут быть и частью самого оборудования.

2 Защитное заземление требует согласования типа системы заземления (см. 6.5.1), характеристик защитных устройств и импеданса цепи заземления. Требования к системам заземления и автоматического отключения от источников питания - по ГОСТ 30331.3/ГОСТ Р 50571.3 и ГОСТ 30262. Однако, если везде использована двойная или усиленная изоляция, согласование с этими системами или электрическим оборудованием здания не требуется (см. 6.5.2).

Соответствие требованиям проверяют по 6.5.1-6.5.3.

6.5.1 Защитное заземление

Доступные токопроводящие части должны быть подключены к зажиму защитного заземления, если они могут стать опасными в случае одной неисправности основных защитных средств, установленных в 6.4. В качестве альтернативы такие доступные части могут быть отделены от опасных частей токопроводящим защитным экраном или ограждением, подключенным к зажиму защитного заземления. Для измерительного и испытательного оборудования наряду с прямым подсоединением допускается и непрямое подсоединение к защитному заземлению (см. 6.5.1.4).

Доступные части могут быть не соединены с зажимом защитного заземления, если они отделены от всех опасных частей двойной или усиленной изоляцией.

Соответствие требованиям проверяют осмотром.

6.5.1.1 Защитное соединение

Защитное соединение должно состоять из непосредственно соединенных структурных частей и (или) отдельных проводников. Защитное соединение должно выдерживать все тепловые и динамические нагрузки, которым оно может быть подвергнуто до того, как одно из устройств защиты от перегрузки по току (см. 9.6) отсоединит оборудование от источника питания [см. также 6.11.2, перечисления h), ii)].

Соответствие требованиям проверяют осмотром и, при необходимости, измерением площади поперечного сечения соединительных проводников.

6.5.1.2 Сопротивление защитного соединения для оборудования с зажимом защитного заземления

Значение сопротивления между зажимом защитного заземления и каждой доступной токопроводящей частью не должно превышать 0,1 Ом. Значение сопротивления сетевого шнура в указанное значение не входит.

Соответствие требованиям проверяют пропусканием в течение 1 мин через исследуемую цепь испытательного тока, измерением падения напряжения и вычислением сопротивления. Значение силы испытательного тока должно быть выбрано из двух нижеуказанных значений в зависимости от того, какое больше:

- 25 А постоянного тока или переменного тока при номинальной частоте сети;

- значение силы тока, равное двойному номинальному значению силы тока, потребляемого оборудованием.

Если оборудование имеет устройства защиты от перегрузки по току на всех полюсах сетевого питания и если провода между источником питания и этими устройствами не могут оказаться подключенными к доступным токопроводящим частям в случае одной неисправности, значение силы тока при измерении сопротивления защитного заземления не должно превышать двойного номинального значения силы тока срабатывания устройства защиты.

6.5.1.3 Сопротивление защитного соединения для оборудования, постоянно подключенного к защитному заземлению

Цепи соединения постоянно подключенного оборудования с защитным заземлением должны иметь низкое сопротивление.

Соответствие требованиям проверяют пропусканием в течение 1 мин испытательного тока между зажимом защитного заземления, входящим в состав электрооборудования здания, и каждой доступной токопроводящей частью оборудования и измерением падения напряжения, которое не должно превышать 10 В постоянного или переменного тока. Значение силы испытательного тока должно быть в два раза больше номинального значения силы тока срабатывания автомата защиты, входящего в состав электрооборудования здания, к которому подключено испытуемое оборудование.

Если оборудование имеет устройства защиты от перегрузки по току на всех полюсах сети и если провода между источником питания и этими устройствами не могут оказаться подключенными к доступным токопроводящим частям в случае одной неисправности, значение силы тока при измерении сопротивления защитного заземления не должно превышать двойного номинального значения силы тока срабатывания устройства защиты.

6.5.1.4 Непрямое подсоединение измерительного и испытательного оборудования к защитному заземлению

Предусмотрено непрямое соединение с защитным заземлением доступных частей в случае, когда они становятся опасными частями в результате неисправности. Для этого используют следующие устройства:

а) устройства ограничения напряжения, которые становятся токопроводящими, когда значение напряжения на них превышает 50 В среднеквадратического, 70 В пикового значений напряжения переменного тока или 120 В напряжения постоянного тока. В их состав входят элементы, ограничивающие силу тока в цепи защитного заземления при срабатывании устройства.

Соответствие требованиям проверяют соединением доступных токопроводящих частей с сетевыми зажимами, при этом оборудование должно быть подключено к сети питания так же, как при нормальном применении. Через 0,2 с значение напряжения между доступными частями и зажимом защитного заземления не должно превышать 50 В среднеквадратического, 70 В пикового значений напряжения переменного тока или 120 В напряжения постоянного тока;

b) чувствительные к напряжению переключающие устройства, которые разрывают все полюса цепи питания и соединяют с зажимом защитного заземления доступные токопроводящие части, как только напряжение на них превысит 50 В среднеквадратического, 70 В пикового значений напряжения переменного тока или 120 В напряжения постоянного тока.

Соответствие требованиям проверяют приложением напряжения 50 В среднеквадратического, 70 В пикового значений для переменного тока или 120 В для постоянного тока между доступными токопроводящими частями и зажимом защитного заземления. Время срабатывания переключающего устройства должно быть не более 0,2 с.

6.5.2 Двойная и усиленная изоляция

Зазоры и пути утечки, являющиеся частью двойной или усиленной изоляции, должны соответствовать требованиям приложения D и быть подвергнуты испытаниям на электрическую прочность изоляции по 6.8 (см. приложение Е). Кожухи должны соответствовать требованиям 6.9.2.

Примечания

1 Зазоры и пути утечки, необходимые для обеспечения безопасности, за исключением указанных в D.7, можно проверять измерениями.

2 Твердые изоляционные материалы, необходимые для обеспечения требований безопасности, проверяют испытательным напряжением, значения которого в зависимости от значений рабочего напряжения приведены в приложении D. Необходимую толщину изоляционного материала определяют, исходя из требуемого испытательного напряжения. Может быть также проведено испытание на частичный разряд (см. МЭК 60664).

3 При наличии механических или тепловых нагрузок толщина изоляции может быть увеличена для удовлетворения требованиям разделов 7-9.

Соответствие требованиям проверяют по 6.7, 6.8 и 6.9.2. Части двойной изоляции по возможности проверяют раздельно; в противном случае ее испытывают как усиленную изоляцию.

6.5.3 Защитный импеданс

Чтобы доступные токопроводящие части не могли стать опасными частями в результате возникновения одной неисправности, должен быть использован защитный импеданс, обеспеченный одним из следующих средств или их сочетанием:

- соответствующим компонентом высокой надежности (см. 14.6);

- комбинацией компонентов;

- комбинацией основной изоляции и устройств ограничения силы тока или напряжения.

Компоненты, провода и средства их соединения следует выбирать так, чтобы они соответствовали требованиям для нормального применения и для условий одной неисправности.

Соответствие требованиям проверяют осмотром и измерениями электрических величин по 6.3 в условиях одной неисправности (см. 4.4.2.1).

6.5.4 Встроенные щитовые измерительные приборы

Щитовые измерительные приборы, встроенные в оборудование, могут не соответствовать требованиям 6.5.1-6.5.3, если:

- щитовые измерительные приборы не имеют доступных токопроводящих частей после их встраивания;

- доступные поверхности щитовых измерительных приборов изолированы от опасных частей не менее чем основной изоляцией;

- доступные поверхности щитовых измерительных приборов, предназначенные для того, чтобы их касались руками, изолированы от опасных частей двойной или усиленной изоляцией.

Примечание - Несмотря на то, что основную изоляцию в течение определенного времени, прошедшего после проведения испытания типа прибора, считают соответствующей требованиям настоящего стандарта, предполагают, что со временем возможно снижение качества изоляции из-за изменений изготовителем конструкции и технологии изготовления прибора.

Соответствие требованиям проверяют внешним осмотром и испытанием электрической прочности изоляции по 6.8.

6.6 Внешние цепи

6.6.1 Разделение внутренних цепей

Если внутренние цепи, не являющиеся опасными при нормальном применении, предназначены для соединения с внешними цепями, эти внутренние цепи должны быть отделены от других внутренних цепей так, чтобы внешние цепи не оказались опасными при нормальном применении или в условиях одной неисправности.

Доступные через внешние зажимы цепи, в которых при нормальном применении и в условиях одной неисправности не превышены значения электрических величин, указанные в 6.3.2, должны быть отделены от других внутренних цепей, в которых при нормальном применении превышены значения, указанные в 6.3.1. Если в этих цепях при нормальном применении не превышены значения, указанные в 6.3.2, достаточно основной изоляции. В противном случае должно быть использовано одно из следующих средств:

- двойная или усиленная изоляция (см. приложение Е);

- защитный импеданс;

- основная изоляция и защитное экранирование (см. приложение Е);

- основная изоляция и соединение с защитным импедансом, имеющим такое низкое сопротивление, что защищаемые цепи не могут стать опасными в условиях одной неисправности других внутренних цепей (см. приложение Е).

Считают также, что основной изоляции достаточно, если зажим (розетка, соединитель и т.п.) для подсоединения внешней цепи не имеет доступных частей и инструкция изготовителя (см. 5.4.3 и 5.4.4) содержит следующую информацию:

- указание о том, что к зажиму можно подсоединять только оборудование, которое не имеет доступных частей;

- оценку изоляции (которую необходимо обеспечить для внешних цепей), из которой вытекает, что изоляция должна быть достаточной для обеспечения безопасности в условиях одной неисправности;

- характер соединений на внешних частях подключаемых цепей;

- вид оборудования, которое может быть подсоединено к зажиму, если указанное соединение не соответствует требованиям или не предусмотрено каким-либо стандартом Международной электротехнической комиссии.

Оборудование и инструкция изготовителя могут не соответствовать этим требованиям, если короткое замыкание между двумя цепями не сможет привести к превращению внешней цепи в опасную.

Примечание - В приложении Е приведены примеры схем и разделение, требуемое для них; в 9.1 и в приложении G приведены дополнительные требования по разделению цепей для предотвращения пожара.

Соответствие требованиям проверяют осмотром и испытаниями электрической прочности изоляции по 6.8.

6.6.2 Зажимы для внешних цепей

Доступные зажимы не должны быть опасными, кроме исключений по 6.1.1.

Примечание - Зажимы могут иметь один или несколько контактов (см. 3.2.1) и, следовательно, включают в себя розетки, соединители и т.п.

Следующие зажимы не должны быть опасными и на них не распространяются исключения по 6.1.1:

- зажимы защитного заземления;

- зажимы рабочего заземления;

- зажимы для головных телефонов.

Зажимы, на которые может попасть заряд от внутреннего конденсатора, не должны оставаться опасными по истечении 10 с после отключения источника питания (см. также 6.10.3).

Зажимы, на которые при работе оборудования может быть подано от его внутренних цепей напряжение, значение которого превышает 1 кВ среднеквадратического значения переменного или 1,5 кВ постоянного напряжения, либо на них может оказаться наведенное напряжение, достигающее этих значений, не должны быть доступными, и к ним не применяют требования 6.1.1. Конструкция оборудования с такими зажимами не должна допускать появления этого напряжения, когда к зажимам возможен доступ, или маркировка должна предупреждать оператора о возможном наличии на зажимах опасного напряжения (см. 5.2).

Соответствие требованиям проверяют осмотром и проверкой по 6.2 и измерениями по 6.3.

6.6.3 Опасные цепи с зажимами

Эти цепи не должны быть подсоединены к доступным токопроводящим частям оборудования, за исключением цепей, которые не являются цепями питания и предназначены для подсоединения с помощью зажима, один контакт которого имеет потенциал земли. В таких случаях доступные токопроводящие части не должны быть опасными.

Если такая цепь предназначена также для работы с зажимом, который является доступной частью, с использованием контакта, напряжение на котором не является опасным (сигнальные цепи с низким напряжением), этот контакт зажима может быть подключен к общему зажиму рабочего заземления или контуру заземления (например экран коаксиальной системы). Допускается подключение этого контура или общего зажима рабочего заземления к другим доступным токопроводящим частям.

Соответствие требованиям проверяют осмотром.

6.7 Зазоры и пути утечки

Зазоры и. пути утечки между цепями и частями должны, по крайней мере, соответствовать требованиям приложения D. Эти требования не применяют к зазорам между слоями многослойных печатных плат.

Соответствие требованиям проверяют осмотром и измерением. При определении зазора или пути утечки до доступных частей доступную поверхность кожуха из изолирующего материала считают токопроводящей, как если бы она была покрыта металлической фольгой, к которой можно прикоснуться стандартным испытательным пальцем (см. приложение В).

Для имитации возможного уменьшения зазора или пути утечки применяют жесткий испытательный палец, который с силой 10 Н прижимают к любой точке неизолированного проводника, входящего в электрическую цепь оборудования, и с силой 30 Н - к внешней поверхности кожуха.

6.8 Проверка электрической прочности изоляции

Соответствие требованиям 6.4-6.6 проверяют испытаниями электрической прочности изоляции между всеми частями, где для защиты от поражения электрическим током применена основная, двойная или усиленная изоляция (см. приложение Е).

Если защита от распространения огня обеспечена разделением цепей, соответствие требованиям 9.1 проверяют испытаниями электрической прочности изоляции между цепями и частями, перечисленными в приложении G.

6.8.1 Опорная точка

В качестве опорной точки, относительно которой воздействуют испытательным напряжением, используют один или несколько нижеуказанных компонентов (если их больше одного, они должны быть соединены вместе):

- любой зажим защитного или рабочего заземления;

- любую доступную токопроводящую часть, кроме любых находящихся под напряжением частей, которые могут быть доступными, так как значения их электрических величин не превышают указанных в 6.3.1. Такие находящиеся под напряжением части соединяют вместе, но они не образуют элемент опорной точки;

- любую доступную изолированную часть кожуха, полностью покрытую металлической фольгой, за исключением областей вокруг зажимов. Для испытательного напряжения, значения которого не превышают 10 кВ пикового значения напряжения переменного тока или напряжения постоянного тока, расстояние от фольги до зажима должно быть не более 20 мм. Для больших напряжений расстояние должно быть минимально допустимым с точки зрения предотвращения электрического пробоя;

- доступные части органов управления с элементами из изоляционного материала, которые покрывают металлической фольгой или обжимают мягким токопроводящим материалом.

6.8.2 Предварительное воздействие влагой

С целью проверить безопасность оборудования в условиях окружающей среды, указанных в 1.4, его до воздействия испытательным напряжением по 6.8.4 подвергают выдержке в камере тепла и влаги. Оборудование при этом должно быть выключенным.

Если по 6.8.1 требуется наложение фольги, эту операцию проводят после удаления оборудования из камеры тепла и влаги и выдержки в течение периода восстановления.

Электрические компоненты, оболочки и другие части, которые могут быть удалены вручную, удаляют и подвергают выдержке в камере тепла и влаги вместе с основной частью.

Оборудование выдерживают в камере тепла и влаги не менее 4 ч при температуре (40 ± 2) °С, затем повышают значение влажности до относительного значения (92,5 ± 2,5) % при этой же температуре и в указанных условиях выдерживают оборудование 48 ч.

Воздух в камере должен перемешиваться, а сама камера должна быть сконструирована таким образом, чтобы на оборудование не осаждался конденсат.

После выдержки в камере тепла и влаги оборудование извлекают из камеры и выдерживают в течение 2 ч (период восстановления) при условиях окружающей среды, указанных в 4.3.1, при этом крышки оборудования, не имеющего естественной или искусственной вентиляции, должны быть сняты.

6.8.3 Общие указания, относящиеся к проведению испытаний

Испытания, указанные в 6.8.4, должны быть завершены в течение 1 ч после окончания периода восстановления. Оборудование при испытании должно быть выключено.

Испытания не проводят между двумя цепями или между цепью и доступной токопроводящей частью, если они соединены между собой или не отделены друг от друга.

Защитный импеданс, параллельный испытуемой изоляции, отсоединяют.

Когда используют комбинацию двух или более средств защиты (см. 6.5 и 6.6.1), испытательные напряжения для двойной и усиленной изоляции могут оказаться приложенными к частям цепей, для которых не требуется, чтобы они выдерживали эти напряжения. Такие части могут быть отсоединены при испытаниях, или части схем, в которых использована двойная или усиленная изоляция, испытывают отдельно.

6.8.4 Воздействие испытательным напряжением

Используют значения испытательных напряжений, приведенные в приложении D. При испытании не должны возникать разряды или повторяющиеся поверхностные пробои, сопровождающиеся резким возрастанием тока в испытуемой цепи. Коронными разрядами и подобными эффектами можно пренебречь.

Испытания на переменном и постоянном токе и импульсным напряжением являются альтернативными. Достаточно, чтобы оборудование прошло одно испытание из трех. Например, испытание на переменном токе может быть выбрано для простоты, испытание на постоянном токе - чтобы избежать емкостных токов, а испытание импульсным напряжением - для уменьшения рассеяния мощности в компонентах.

При испытаниях на переменном и постоянном токе значение испытательного напряжения увеличивают в течение порядка 10 с (чтобы не происходило значительных переходных процессов) до установленного значения и поддерживают его в течение 1 мин.

Испытание импульсным напряжением - это испытание «стандартными импульсами» напряжения, имитирующими воздействие молнии, с длительностью фронта 1,2 мкс и длительностью импульса 50 мкс по уровню 50 % амплитуды, со спадающей вершиной, без выбросов и неравномерностей (см. МЭК 60060-2). Воздействуют, как минимум, тремя импульсами каждой полярности с интервалами между импульсами не менее 1 с.

Примечания

1 При испытании цепей бывает невозможно провести раздельные испытания зазоров и твердой изоляции.

2 Максимальный ток в испытуемой цепи обычно ограничивают, чтобы избежать опасностей и разрушений, которые возможны при пробое изоляции.

3 Может оказаться целесообразным осуществить частичные разряды в изоляционном материале (см. МЭК 60270).

4 По окончании испытания необходимо разрядить накопленную энергию.

6.9 Конструктивные требования по защите от поражения электрическим током

6.9.1 Общие положения

В цепях, для которых при нормальном применении или в условиях одной неисправности значения электрических величин превышают указанные в 6.3.2:

- надежность соединений проводов, которые подвергают механической нагрузке, не должна зависеть только от пайки;

- винты, которыми закрепляют удаляемые оболочки, должны быть невыпадающими, если их длина определяет зазор или путь утечки между доступными токопроводящими и опасными частями;

- случайное ослабление или освобождение проводов, винтов и т.п. не должно превращать доступные части в опасные.

Соответствие требованиям проверяют осмотром.

6.9.2 Кожухи оборудования, в котором применена двойная или усиленная изоляция

Оборудование, в котором для защиты от поражения электрическим током используют двойную или усиленную изоляцию, должно иметь оболочки, закрывающие все металлические части. Это требование не распространяется на небольшие металлические части, такие как таблички, винты или заклепки, если они отделены от опасных частей усиленной или эквивалентной ей изоляцией.

Кожухи или части кожухов, изготовленные из изоляционного материала, должны удовлетворять требованиям, предъявляемым к двойной и усиленной изоляции.

Защита кожухов или частей кожухов, изготовленных из металла, за исключением частей, где использован защитный импеданс, должна быть обеспечена одним из следующих способов:

- наличием изолирующего покрытия или ограждения на внутренней поверхности кожуха. Оно должно окружать все металлические части и все места, где перемещение опасных частей может привести к их соприкосновению с металлическими частями кожуха;

- средствами, которые при возможном перемещении частей или проводов исключают изменение зазоров и путей утечки между кожухом и опасными частями по сравнению с указанными в таблицах D.1-D.6.

Примечание - Считают, что винты или гайки с пружинными шайбами не могут ослабнуть, а провода, закрепленные не только пайкой, но и механически, не могут переместиться.

Соответствие требованиям проверяют осмотром и измерениями, а также испытаниями по 6.8.

6.9.3 Оборудование с защитным соединением

Оборудование с защитным соединением должно отвечать следующим требованиям:

a) если часть оборудования может быть удалена оператором, то защитное соединение (см. 6.5.1.1) оставшейся части не должно быть нарушено (исключение составляет съемная часть, которая обеспечивает питание всего оборудования);

b) подвижные токопроводящие соединения, например шарниры, ползуны, не должны быть единственным защитным соединением, если только они не предназначены специально для осуществления электрического соединения и удовлетворяют требованиям 6.5.1;

c) металлическую оплетку кабелей, даже если она соединена с зажимом защитного заземления, не следует рассматривать как защитное соединение;

d) если энергия от источника питания передается через одно оборудование для питания другого оборудования, через первое оборудование должен быть проложен защитный проводник для защиты второго оборудования. Сопротивление защитного проводника, проходящего через первое оборудование, не должно превышать установленного в 6.5.1.2;

e) защитные заземляющие проводники могут быть неизолированными или изолированными. Изоляция должна быть двухцветной: зеленого и желтого цветов, за исключением:

- у заземляющих оплеток изоляция может быть как зеленого (желтого) цвета, так и прозрачной;

- у внутренних защитных проводников в различных сборках (кабели с резиновой изоляцией, шины, гибкие печатные проводники и т.п.) может быть применена изоляция любого цвета при условии, что исключена опасность, обусловленная отсутствием идентификации защитного проводника;

f) оборудование с защитным соединением должно быть снабжено зажимом, удовлетворяющим требованиям 6.11.2, и быть пригодным для подсоединения к нему защитного проводника.

Примечание - Металлические несущие части оборудования могут быть использованы для обеспечения непрерывности защитного соединения.

Соответствие требованиям проверяют осмотром.

6.9.4 Индикация выхода показаний прибора за пределы диапазона измерений

Если вследствие доверия оператора к значению физической величины (например напряжения), которое показывает прибор, может возникнуть опасность (см. 1.2), устройство отображения информации должно обеспечивать четкую индикацию того, что значение физической величины превысило пределы измерений этого прибора.

Примечание - Примеры средств измерений с индикацией опасности:

a) аналоговые измерительные приборы с ограничителями на оцифрованных концах шкалы диапазона;

b) цифровые измерительные приборы, показывающие малое значение, в то время как истинное значение превышает верхний предел измерений (например измеренное значение 1001,5 В вольтметр показывает как 001,5 В);

c) ленточные самописцы, которые пишут кривую на кромке ленты, показывая таким образом максимальное значение измеряемой величины, в то время как истинное значение выше.

Соответствие требованиям проверяют внешним осмотром и, в сомнительных случаях, измерением физической величины, значение которой выходит за пределы диапазона измерений.

6.10 Соединения с сетью питания и между частями оборудования

6.10.1 Сетевые шнуры питания

К несъемным и съемным сетевым шнурам питания, поставляемым с оборудованием, предъявляют следующие требования:

- кабели и сетевые шнуры питания должны соответствовать требованиям ГОСТ Р МЭК 227-3 - ГОСТ Р МЭК 227-6, ГОСТ Р МЭК 60227-1, ГОСТ Р МЭК 60227-2 или ГОСТ Р МЭК 245-1 - ГОСТ Р МЭК 245-7. Сертифицированные или аттестованные любой аккредитованной испытательной лабораторией кабели и шнуры питания считают соответствующими этим требованиям;

- сетевые шнуры питания должны быть рассчитаны на максимальный ток, потребляемый оборудованием;

- если шнур питания может соприкасаться с нагретой внешней поверхностью оборудования, он должен быть изготовлен из соответствующих теплостойких материалов (см. также 5.4.5);

- съемный шнур и приборная вилка должны быть рассчитаны, по крайней мере, на максимально возможную рабочую температуру этих частей.

Примечание - Требование одинакового диапазона рабочих температур для шнура и приборной вилки исключает возможность того, что будет случайно использован шнур с более низким максимальным пределом рабочей температуры;

- проводники с изоляцией зеленого и желтого цветов должны быть применены только для соединения с зажимом защитного заземления.

Съемные сетевые шнуры с сетевыми соединителями по ГОСТ 28190, ГОСТ 28244 должны также соответствовать ГОСТ Р МЭК 799 или, по крайней мере, быть рассчитаны на применение при номинальном значении силы тока сетевого соединителя, подсоединенного к шнуру.

Термины, относящиеся к сетевым шнурам, приведены на рисунке 3.

Соответствие требованиям проверяют осмотром и, при необходимости, измерением.

1 - приборный соединитель; 2 - оборудование; 3 - сетевая приборная вилка; 4 - сетевая кабельная розетка; 5 - съемный сетевой шнур питания; 6 - сетевая кабельная вилка; 7 - сетевая розетка электрооборудования здания

Рисунок 3 - Съемные шнуры питания и соединители

6.10.2 Подсоединение несъемных сетевых шнуров питания

6.10.2.1 Ввод шнура

Несъемные сетевые шнуры питания должны быть защищены от истирания и резких изгибов в месте, где шнур входит в оборудование, одним из следующих способов:

- использованием проходной изолирующей втулки с отверстием, радиус закругления стенок которого, по крайней мере, в 1,5 раза больше диаметра шнура с наибольшей площадью поперечного сечения;

- использованием надетой на шнур изолирующей втулки, которая выступает за выходное отверстие на расстояние не менее пяти диаметров шнура с наибольшей площадью поперечного сечения. Для плоских шнуров диаметром считают больший поперечный размер шнура.

Соответствие требованиям проверяют осмотром и измерением, а также, при необходимости, проверкой электрической прочности изоляции по 6.8.4. В случае сомнения защиту ввода шнура проверяют следующим испытанием, которое проводят при температуре (23 ± 2) °С на шнуре, поставляемом изготовителем: груз массой (в граммах), числовое значение которой равно 10 D2 (где D - диаметр круглого шнура или наименьший поперечный размер плоского шнура в миллиметрах), подвешивают к свободному концу шнура. Плоские шнуры изгибают в месте наименьшего сопротивления. Сразу после того, как груз подвешен, радиус закругления центральной линии шнура нигде не должен быть меньше 1,5 D.

Оборудование должно находиться в положении нормального применения, за исключением ручного и переносного оборудования, для которого испытания проводят при угле к горизонту оси втулки в том месте, где шнур выходит из нее, равном 45°.

6.10.2.2 Крепление шнура

Крепление шнура должно предохранять проводники шнура, когда он соединен с оборудованием, от механической нагрузки, включая скручивание, и защищать изоляции проводников от истирания. Если шнур проскальзывает в креплении, проводник защитного соединения, если он имеется, должен быть подвергнут механической нагрузке, вызванной этим проскальзыванием, в последнюю очередь.

Крепление шнура должно удовлетворять следующим требованиям:

- для крепления шнура недопустимо использовать винт, который закреплен непосредственно на шнуре;

- на шнуре не должно быть узлов;

- должно быть исключено проталкивание шнура в оборудование на такое расстояние, которое может привести к возникновению опасности;

- неисправность изоляции шнура в креплении шнура, имеющем металлические части, не должна приводить к превращению доступных токопроводящих частей в опасные;

- для крепления шнура не следует применять обжимающую изолирующую втулку, если она не предназначена для зажима сетевых шнуров питания всех типов и размеров, удовлетворяющих требованиям 6.10.1 и пригодных для соединения с используемыми зажимами, или если втулка предназначена для установки на экранированном сетевом шнуре;

- крепление шнура должно быть сконструировано таким образом, чтобы замена шнура не приводила к возникновению опасности и было ясно, как освободить шнур от крепления.

Соответствие требованиям проверяют осмотром и следующим испытанием. Предварительно измеряют длину шнура. После этого шнур проталкивают вручную внутрь оборудования насколько возможно. Затем шнур подвергают натяжению с усилием, указанным в таблице 2, действующим 1 с в наименее благоприятном направлении. Испытание повторяют 25 раз, после чего шнур подвергают в течение 1 мин скручиванию крутящим моментом, указанным в таблице 2.

Таблица 2 - Механические испытания шнуров сетевого питания

Масса оборудования М, кг

Усилие натяжения, Н

Крутящий момент, Н·м

М ≤ 1

30

0,10

1 < М 4

60

0,25

М > 4

100

0,35

После испытаний:

- шнур не должен иметь повреждений;

- удлинение шнура не должно превышать 2 мм;

- в месте закрепления шнура не должно быть никаких следов воздействия механической нагрузки;

- значения зазоров и путей утечки не должны быть меньше допустимых значений по приложению D.

6.10.3 Сетевые вилки и соединители

a) Вилки и соединители для подсоединения оборудования к источнику питания, в том числе соединители для подключения съемных сетевых шнуров к оборудованию, должны удовлетворять соответствующим требованиям для вилок, розеток и соединителей.

b) Если оборудование сконструировано для работы при напряжении питания, не превышающем при нормальном применении и в условиях одной неисправности указанного в 6.3.2.1, или при питании от источника, используемого исключительно для данного оборудования, вилка его шнура питания не должна подходить к розеткам сетевого питания с напряжением, значение которого превышает номинальные значения напряжения питания оборудования. Сетевые вилки и розетки не могут быть использованы для других целей, кроме подключения оборудования к сети питания.

c) Значения электрических величин на штырях вилки шнура питания, которым оборудование подключают к сети питания, через 5 с после отсоединения вилки от розетки не должны превышать значений по 6.3.1.

d) На оборудовании с встроенными сетевыми розетками:

- розетка, подходящая для подключения стандартной сетевой вилки, должна иметь маркировку в соответствии с 5.1.3, перечисление е);

- если розетка имеет контакт для проводника защитного заземления, в шнур для подсоединения оборудования к сети питания должен входить проводник защитного заземления, подключенный к зажиму защитного заземления.

Соответствие требованиям проверяют осмотром. Для вилок шнуров питания, которыми оборудование подключают к сети питания, проводят измерения по 6.3.1.

6.11 Зажимы

6.11.1 Доступные зажимы

a) Доступные зажимы для шнуров должны быть снабжены защитным экраном или размещены так, чтобы не возникало риска случайного контакта между опасными частями различной полярности или между этими частями и другими токопроводящими частями, даже если жила проводника отсоединилась от зажима. Если это не очевидно (что предпочтительнее), доступные зажимы должны иметь маркировку, указывающую, подключены они или не подключены к доступным токопроводящим частям [см. 5.1.6, перечисление с)].

Соответствие требованиям проверяют осмотром после полного монтажа многожильного провода, очищенного от изоляции на длине 8 мм, одна жила которого свободна. Жила не должна касаться частей другой полярности или доступных токопроводящих частей при сгибании провода во всех доступных направлениях, не должно происходить заворачивание изоляции и не должны образовываться резкие изгибы вокруг ограждений.

b) Доступные зажимы цепей, несущих опасные напряжения или токи, должны быть сконструированы, закреплены и смонтированы так, чтобы крепление зажимов не ослаблялось, когда сами зажимы затягивают, ослабляют или производят подсоединение к ним.

Соответствие требованиям проверяют осмотром. Одновременно проверяют крепление зажимов.

6.11.2 Зажимы защитного заземления

a) Устройство подключения защитного проводника в приборной сетевой вилке следует рассматривать в качестве зажима защитного заземления.

b) Зажим защитного заземления оборудования с несъемным гибким шнуром и постоянно подключенного оборудования должен быть расположен рядом с зажимами сети питания.

c) Если оборудование не требует подключения к сети питания, но имеет цепь или часть, которую необходимо заземлить, зажим защитного заземления должен быть расположен рядом с зажимами той цепи, для которой необходимо защитное заземление. Если эта цепь имеет внешние зажимы, зажим защитного заземления также должен быть внешним.

d) Зажимы защитного заземления для сетевых цепей по токонесущей способности должны быть, по крайней мере, эквивалентны зажимам сетевого питания.

e) Паяные соединения, подвергаемые механической нагрузке, должны быть механически закреплены помимо пайки. Такие соединения не следует применять для других целей, кроме электрического соединения (таких, например, как крепление частей конструкции). Резьбовые соединения должны быть защищены от ослабления.

f) Контактные поверхности зажимов защитного заземления должны быть металлическими.

Примечание - Материалы частей защитного заземления должны быть выбраны так, чтобы свести к минимуму вероятность электрохимической коррозии зажима, защитного проводника и других контактирующих с зажимом металлических деталей.

g) Зажимы защитного заземления соединителей, предназначенных для соединения и разъединения вручную, например вилок и розеток для сетевых шнуров или соединителей сменяемых блоков, должны быть сконструированы таким образом, чтобы подключение к защитному проводнику осуществляли в первую очередь, а отключение - после других отключений.

h) Если необходимо использовать защитное заземление для защиты оборудования при возникновении условия одной неисправности в измерительной цепи, должны быть выполнены следующие требования:

i) зажим защитного заземления и защитный проводник (включая непрямое подсоединение к защитному заземлению) должны быть рассчитаны, по крайней мере, на верхний предел силы тока в цепи измерительных зажимов;

ii) защитное соединение не должно быть нарушено любым выключателем или прерывающим устройством, кроме тех устройств, которые используют для обеспечения непрямого подсоединения к защитному заземлению измерительного и испытательного оборудования (см. 6.5.1.4) и рассматривают как часть защитного соединения.

Соответствие требованиям проверяют осмотром.

6.11.3 Зажимы рабочего заземления

Зажимы рабочего заземления (измерительные зажимы заземления), если они имеются, должны позволять осуществлять соединение независимо от защитного проводника.

Примечание - Оборудование может иметь зажимы рабочего заземления независимо от используемых средств защиты от поражения электрическим током.

Соответствие требованиям проверяют осмотром.

6.12 Отключение от источника питания

6.12.1 Общие положения

Оборудование, не считая указанного в 6.12.1.1, должно быть снабжено средствами для отключения от каждого работающего источника питания независимо от того, внешний он или внутренний по отношению к оборудованию. Средства отключения должны размыкать все токонесущие проводники.

Примечание - Оборудование может быть также снабжено выключателем или другим отключающим устройством для целей функционирования оборудования по назначению.

Соответствие требованиям проверяют по 6.12.1.1-6.12.3.

6.12.1.1 Исключения

Допускается не применять отключающие устройства, если короткое замыкание или перегрузка оборудования не могут привести к опасности (см. 1.2). Примеры оборудования, где в отключающих устройствах нет необходимости:

- оборудование, предназначенное для питания только от маломощного источника, такого как небольшие аккумуляторы или сухие элементы;

- оборудование, предназначенное только для подключения к источнику питания, снабженному защитным импедансом. Подразумевают, что этот источник имеет такой защитный импеданс, что при перегрузке оборудования или коротком замыкании в его цепях значения характеристик источника питания не выходят за верхние границы номинальных значений и не может возникнуть опасность (см. 1.2);

- оборудование, которое содержит нагрузку, снабженную защитным импедансом. Эта нагрузка представляет собой устройство без отдельной защиты от перегрузки по току или тепловой защиты, имеющее такой импеданс, что значения характеристик устройства остаются в пределах номинальных значений, когда в цепи, в которую включено это устройство, происходит короткое замыкание или она подвергается перегрузке.

Соответствие требованиям проверяют осмотром. В случае сомнения необходимо осуществить короткое замыкание или увеличить нагрузку до превышающей допустимую для данного оборудования, чтобы проверить, может ли возникнуть любая опасность из указанных в 1.2.

6.12.2 Требования, относящиеся к типу оборудования

6.12.2.1 Постоянно подключенное оборудование

Постоянно подключенное и многофазное оборудование должно содержать в качестве средств отключения от сети выключатель или автомат защиты.

Если выключатель не является частью оборудования (см. 5.4.3), документация на монтаж оборудования должна содержать следующие требования:

- в электрооборудование здания должны входить выключатель или автомат защиты устанавливаемого оборудования;

- эти устройства должны находиться вблизи оборудования и быть легкодоступны оператору;

- эти устройства должны быть маркированы как отключающие устройства оборудования.

Соответствие требованиям проверяют осмотром.

6.12.2.2 Однофазное оборудование, подключаемое шнуром питания

Однофазное оборудование, подключаемое шнуром питания, должно иметь одно из следующих отключающих устройств:

- выключатель или автомат защиты;

- сетевой соединитель, который может быть отключен без применения инструмента;

- вилку шнура питания, которая не должна содержать фиксирующее устройство для подключения к сетевой розетке электрооборудования здания.

Соответствие требованиям проверяют осмотром.

6.12.2.3 Опасности, возникающие вследствие работы оборудования

Оборудование, работа которого может привести к возникновению опасности, должно иметь аварийный выключатель, который не должен отключать вспомогательные цепи, необходимые для целей безопасности (например для охлаждения).

Оборудование, имеющее доступные движущиеся части, которые могут вызвать опасность, должно быть снабжено аварийным выключателем, расположенным не далее 1 м от движущейся части.

Соответствие требованиям проверяют осмотром.

6.12.3 Отключающие устройства

Если отключающее устройство является частью оборудования, оно должно быть электрически и конструктивно расположено как можно ближе к источнику питания. Энергопотребляющие компоненты не должны быть электрически расположены между источником питания и отключающим устройством.

Допускается располагать схемы подавления электромагнитных помех со стороны входа отключающего устройства.

Соответствие требованиям проверяют осмотром.

6.12.3.1 Выключатели и автоматы защиты

Выключатели или автоматы защиты, установленные в оборудовании и предназначенные для использования в качестве отключающих устройств, должны соответствовать требованиям ГОСТ Р 50030.1 и ГОСТ Р 50030.2.

Соответствующие разделы ГОСТ Р 50030.2 включают в себя требования, относящиеся к разделению контактов и обеспечению уверенности в том, что всегда известно, находятся ли контакты в разомкнутом или замкнутом состояниях, когда индикатор указывает положение «Включено».

Если выключатель или автомат защиты используют как отключающее устройство, он должен иметь маркировку, обозначающую эту функцию. Если использовано только одно устройство (какое - не имеет значения), достаточно использовать символы № 9 и 10 по таблице 1.

Не допускается встраивать выключатель в сетевой шнур питания.

Выключатель или автомат защиты не должен размыкать ни одного проводника защитного заземления.

Выключатель или автомат защиты, имеющий одну группу контактов для отключения оборудования от сети питания, а другие группы контактов - для иных целей, должен соответствовать требованиям 6.6 и 6.7 для обеспечения разделения цепей.

Соответствие требованиям проверяют осмотром.

6.12.3.2 Приборные соединители и вилки

Приборный соединитель или вилка, используемые в качестве отключающего устройства (см. 6.12.2.2), должны иметь идентифицирующую надпись и быть легкодоступными для оператора (см. 5.4.4, второе перечисление). Для однофазного ручного оборудования вилку на шнуре питания длиной менее 3 м рассматривают как легкодоступную.

Проводник защитного заземления сетевого соединителя должен замыкаться прежде сетевых проводников и размыкаться в последнюю очередь.

Соответствие требованиям проверяют осмотром.

7 Защита от механических опасностей

7.1 Общие положения

При нормальном применении оборудования не должно возникать опасности.

В условиях одной неисправности должна быть обеспечена защита от отделяемых частей.

Примечание - Все легкодоступные кромки, выступающие части, углы, отверстия, защитные устройства, ручки и аналогичные части кожуха должны быть гладкими и скругленными так, чтобы они не наносили ранений при нормальном применении оборудования.

Соответствие требованиям проверяют по 7.2-7.5.

7.2 Движущиеся части

Движущиеся части не должны наносить никаких травм оператору, который соприкасается с ними, в том числе его кожному покрову.

Это требование не распространяется на легкодоступные движущиеся части, которые специально предназначены для работы с частями или материалами, внешними по отношению к оборудованию, например в оборудовании для сверления или для перемешивания и взбалтывания. Указанное оборудование должно быть сконструировано таким образом, чтобы свести к минимуму вероятность случайного соприкосновения с движущимися частями (например с помощью перегородок, рукояток).

Если оператору при выполнении профилактического технического обслуживания необходим доступ к движущимся частям (например для регулировки), этот доступ разрешается при выполнении следующих мер предосторожности:

a) обеспечение доступа к движущимся частям только с использованием инструмента;

b) допуск оператора к выполнению опасных работ только после соответствующей подготовки, о чем в инструкции для ответственного органа должно быть соответствующее указание изготовителя;

c) на всех крышках и съемных частях должны быть нанесены предупреждающие надписи. Надписи могут быть заменены символом № 14 по таблице 1, наносимым на крышки или съемные части; в документации должны быть предусмотрены соответствующие предупреждения. Доступ к движущимся частям неподготовленному оператору должен быть затруднен.

Соответствие требованиям проверяют осмотром.

7.3 Устойчивость оборудования

Оборудование и комплекты оборудования, которые не прикрепляют к конструктивным элементам здания перед их включением, должны быть устойчивыми при нормальном применении.

Если оборудование снабжено средствами, позволяющими убедиться в его устойчивости после выдвижения ящиков оператором и т.п. работ, эти средства должны быть автоматическими либо иметь предупреждающую маркировку в соответствии с 5.2.

Соответствие требованиям проверяют проведением каждого из следующих независимых испытаний (если они применимы), во время которых оборудование не должно опрокидываться. Контейнеры (если они имеются в оборудовании) наполняют таким количеством вещества из диапазона, указанного изготовителем, которое обеспечивает при нормальном применении наименее благоприятные условия. Колесики (если они имеются) на ножках оборудования устанавливают в наименее благоприятное при нормальном применении положение. Дверки, ящики и т.п. должны быть закрыты (задвинуты), если не предусмотрено иное.

Испытания:

- оборудование, кроме ручного, наклоняют во всех направлениях на угол 10° от его нормального положения;

- к оборудованию высотой 1 м и более и массой 25 кг и более, а также к любому оборудованию, которое при нормальном применении устанавливают на полу, прикладывают заданную силу в верхней его части. Если оборудование имеет высоту более 2 м, силу прикладывают на высоте 2 м. Значение силы должно составлять 20 % значения массы оборудования, умноженного на значение ускорения свободного падения (принятое равным 10 м/с2), но не менее 250 Н. Силу прикладывают во всех направлениях, за исключением снизу вверх. Гнезда, используемые при нормальном применении, дверки, ящики и т.п., открываемые (выдвигаемые) оператором, должны быть установлены в наименее благоприятном положении;

- устанавливаемое на полу оборудование, кроме того, подвергают воздействию силы 800 Н, приложенной сверху вниз к перечисленным ниже поверхностям в точках, приложение к которым этой силы вызывает максимальный вращающий момент:

всем горизонтальным рабочим поверхностям,

другим поверхностям, имеющим заметные выступы и расположенные не выше 1 м над уровнем пола.

7.4 Меры предосторожности при подъеме и переносе

Ручки или захваты для переноса оборудования, входящие в его конструкцию или состав, должны выдерживать четырехкратную массу оборудования.

Оборудование или его части, имеющие массу 18 кг и более, должны быть обеспечены средствами для его подъема и переноса, или в документации изготовителя должны быть даны соответствующие указания.

Соответствие требованиям проверяют осмотром и следующим испытанием:

- каждую ручку или захват подвергают воздействию силы, соответствующей четырехкратной массе оборудования. Силу равномерно рассредоточивают на участке шириной 70 мм в центре ручки или захвата, без его зажима. Значение силы постепенно увеличивают в течение 10 с до достижения испытательного значения и поддерживают в течение 1 мин. Если оборудование имеет несколько ручек или захватов, силу следует распределить между ними в таком же соотношении, как и при нормальном применении. Если оборудование имеет несколько ручек или захватов, но его конструкция допускает перенос с использованием только одной ручки или захвата, каждая ручка или захват должны выдерживать полную испытательную нагрузку. После испытания ручки или захваты не должны быть ослаблены и не должны иметь остаточной деформации, трещин и других признаков повреждений.

7.5 Отделяемые части

Конструкция оборудования должна быть такой, чтобы его части, которые в случае неисправности могут отделиться и вызвать при этом опасность, после отделения оставались внутри оборудования или практически полностью передавали средствам защиты свою кинетическую энергию.

Конструкцией оборудования должна быть предусмотрена невозможность удаления без применения инструмента средств защиты от отделяемых частей.

Соответствие требованиям проверяют осмотром и проведением испытания с отделением частей в результате аварии (например разрушение крыльчатки в оборудовании для перемешивания материалов, когда она имеет наибольшую кинетическую энергию).

8 Устойчивость к ударам, вибрации и тряске

Оборудование не должно создавать опасности при воздействии ударов, вибрации и тряски, которые могут иметь место при нормальном применении. Для выполнения этого требования оборудование должно иметь достаточную механическую прочность, компоненты должны быть закреплены, а электрические соединения должны быть надежными.

Соответствие требованиям проверяют испытаниями по 8.1-8.3 и, кроме закрепленного оборудования, по 8.4. Оборудование при этих испытаниях не работает. Стеклянные части, не являющиеся частями кожуха, испытаниям по 8.1 и 8.2 не подлежат, перед проведением испытаний по 8.4 они, по возможности, должны быть удалены.

После окончания испытаний оборудование должно быть подвергнуто воздействию испытательного напряжения по 6.8.4 и осмотрено с целью убедиться в том, что:

- опасные части не стали доступными;

- кожухи не имеют трещин, которые могут привести к опасности;

- зазоры не стали меньше установленных и изоляция внутренних проводов не повреждена;

- ограждения не разрушены и не сдвинуты;

- не появилось никаких движущихся частей, за исключением упомянутых в 7.2;

- нет повреждений, которые могут стать причиной распространения огня.

Допускается пренебрегать остаточными повреждениями в виде нарушения покрытий, незначительных вмятин, которые не уменьшают зазоры или пути утечки до меньших, чем установленные в настоящем стандарте, а также небольших сколов, которые существенно не влияют на защиту от поражения электрическим током или от опасностей, связанных с жидкостями. Разрушение стеклянных частей, не являющихся частями кожуха, также не учитывают.

8.1 Испытание на прочность

Оборудование устанавливают в устойчивом положении на прочном основании и подвергают воздействию силы 30 Н, прикладываемой полусферическим концом жесткого стержня диаметром 12 мм. Стержень следует прикладывать к любой части кожуха, которая доступна, когда оборудование готово к работе, и повреждение которой представляет потенциальную опасность, в том числе к любой части днища переносного оборудования.

Испытания оборудования с неметаллическими кожухами следует проводить при температуре окружающей среды 40 ºС (см. 10.1).

8.2 Испытание ударным молотком

Основания, оболочки и иные части, которые могут быть удалены или заменены оператором, фиксируют крепежными винтами с вращающим моментом, предусмотренным для нормального применения. Затем оборудование устанавливают в устойчивом положении на прочном основании и испытывают ударным молотком по МЭК 60068-2-63 (см. приложение С). Боек молотка прижимают перпендикулярно ко всем внешним поверхностям, доступным при нормальном применении, разрушение которых может вызвать опасность.

Каждую часть подвергают трем ударам с энергией 0,5 Дж, за исключением защитных стекол стрелочных и записывающих приборов и индикаторов, встроенных в пульты.

8.3 Испытание на воздействие вибрации

Части оборудования, которые при нормальном применении не закреплены, на время испытания удаляют. Оборудование крепят к столу вибростенда в положении нормального применения, используя при этом амортизаторы. В отсутствие других средств крепления можно использовать хомуты, перекинутые через кожух.

Параметры воздействия:

- вертикальное направление:

- амплитуда виброперемещения 0,15 мм:

- диапазон изменения частоты от 10 до 55 Гц и обратно:

- скорость изменения частоты 1 октава/мин:

- продолжительность испытания 30 мин.

Если нормальное положение оборудования при транспортировании отличается от его положения при нормальном применении, проводят испытания продолжительностью 15 мин каждое при обоих положениях оборудования.

Испытание крупногабаритного оборудования не проводят. Если масса оборудования превышает 20- кг, испытывают только те части, которые определяют его безопасность.

8.4 Испытание на механическую прочность при падении

8.4.1 Все оборудование, кроме ручного

Проводят следующие испытания:

a) при массе оборудования до 20 кг - испытание ударом об угол (см. 8.4.1.1 настоящего стандарта и 3.2.2 ГОСТ 28217);

b) при массе оборудования более 20 кг - испытание при ударе плоскостью (см. 8.4.1.2 настоящего стандарта и 3.2.1 ГОСТ 28217).

Примечание - Если оборудование состоит из двух и более частей, требования к методу испытаний в зависимости от массы относят к массе каждой отдельной части. Однако, если одна или более частей оборудования предназначены для присоединения или крепления к другой части, требования к испытаниям распространяют на эти сборки.

Используемый метод испытаний должен предусматривать невозможность опрокидывания оборудования и падения другой его стороной вместо испытуемой, а также поворота оборудования относительно другого его ребра вместо требуемого.

Если число ребер днища оборудования более четырех, число падений ограничивают только четырьмя выбранными ребрами.

8.4.1.1 Испытание ударом об угол

Оборудование устанавливают в положении нормального применения на гладкую поверхность жесткой бетонной или стальной плиты и подкладывают под один угол деревянную прокладку высотой 10 мм, а под смежный угол одного из ребер днища - прокладку высотой 20 мм. Затем оборудование поднимают со стороны противоположного ребра до тех пор, пока высота подъема угла оборудования, ближнего к тому, под который подложена прокладка толщиной 10 мм, не будет равна (100 ± 10) мм или пока угол между днищем оборудования и поверхностью, на которой оно расположено, не составит 30° в зависимости от того, какое положение более неблагоприятное. Затем оборудование резко отпускают, и оно свободно падает на испытательную поверхность. Оборудование подвергают испытанию по одному падению на каждый из четырех углов днища. Испытание проводят поочередно относительно каждого из четырех ребер днища.

8.4.1.2 Испытание при ударе плоскостью

Оборудование устанавливают в положении нормального применения на гладкую поверхность жесткой бетонной или стальной плиты и поднимают относительно одного ребра днища до тех пор, пока противоположное ребро не поднимется на высоту (25 ± 2,5) мм или пока угол между днищем оборудования и поверхностью, на которой оно расположено, не составит 30° в зависимости от того, какое положение более неблагоприятное. Затем оборудование резко отпускают, и оно свободно падает на испытательную поверхность.

8.4.2 Ручное оборудование

Ручное оборудование подвергают свободному падению с высоты 1 м на твердую деревянную доску толщиной 50 мм (плотность дерева более 700 кг/м3), лежащую на жестком бетонном или стальном основании. Оборудование роняют таким образом, чтобы оно упало в самом неблагоприятном положении. Испытание проводят один раз.

9 Температурные ограничения и защита от распространения огня

9.1 Общие положения

Любой нагрев не должен приводить к опасности в нормальных условиях или в условиях одной неисправности, а также не должен вызывать распространения огня за пределы оборудования.

Если наличие легкодоступных нагревающихся поверхностей необходимо по функциональному назначению оборудования, их температура может превышать указанную в таблице 3, но такие поверхности должны быть легкораспознаваемыми по внешнему виду или назначению или должны иметь маркировку (см. 5.2).

Если защита от огня зависит от разделения цепей, они должны быть разделены, по крайней мере, основной изоляцией.

Примечание - См. также 13.2.2, относящийся к защите от возгорания, вызванного аккумуляторами.

Соответствие требованиям проверяют осмотром, испытаниями по 9.2 и испытаниями в условиях одной неисправности по 4.4. Если защита обеспечена разделением цепей, соответствие требованиям проверяют измерением зазоров и путей утечки и проведением испытаний по 6.8.4 между цепями и частями, перечисленными в приложении G.

Приложение F описывает альтернативный метод проверки соответствия требованиям 9.1 по защите от распространения огня.

9.2 Измерение температуры

Оборудование испытывают в нормальных условиях в положении нормального применения (см. 4.3.2). Измерение значений температуры проводят, когда они достигают установившихся значений. Не должны быть превышены значения температуры, указанные в таблице 3.

Нормальное применение предполагает соблюдение требований к вентиляции и периодичности работы оборудования, указанных в документации. Если при испытании используют охлаждающую жидкость, она должна иметь максимальную температуру, указанную изготовителем.

9.2.1 Оборудование, выделяющее при работе теплоту

Оборудование, которое при работе по функциональному назначению выделяет теплоту, испытывают в испытательном углу. Испытательный угол состоит из двух стенок, расположенных под прямым углом друг к другу, основания и, при необходимости, крышки. Эти детали должны быть изготовлены из фанеры толщиной примерно 20 мм, окрашенной черной матовой краской. Линейные размеры испытательного угла должны быть, по крайней мере, на 15 % больше, чем у испытуемого оборудования. Оборудование размещают на заданных изготовителем расстояниях от стенок, основания и крышки. Если эти расстояния не определены, то руководствуются следующим:

- оборудование, которое обычно эксплуатируют на полу или столе, размещают как можно ближе к стенкам;

- оборудование, которое обычно крепят к стене, монтируют на одной из стенок, а расстояние до другой стенки и основания или крышки выбирают таким, какое обычно бывает при нормальном применении;

- оборудование, которое обычно крепят к потолку, монтируют на крышке на таком расстоянии от стенок, какое обычно бывает при нормальном применении.

Таблица 3 - Максимальные температуры при нормальном применении и максимальной температуре окружающей среды 1)

Части и материал частей оборудования

Максимальная температура, °С

Внешние поверхности кожуха2):

 

- металлические

70

- неметаллические

80

- небольшие части кожуха, например легкозаметные радиаторы, которых обычно не касаются при нормальном применении

100

Кнопки, рукоятки и др.:

 

- металлические

55

- неметаллические

70

- неметаллические части, к которым возможно кратковременное касание

85

Поверхности жидкостей и части, которые контактируют с поверхностями жидкостей, имеющих температуру воспламенения t, °С3). Измерение проводят непосредственно под поверхностью жидкости

t - 25

Дерево (внутренние поверхности, ближайшие к источнику тепла)

95

Изоляционный материал. Обмотки и пластины сердечников, контактирующие с изоляционным материалом обмотки2), 4:

 

- класс А

105

- класс В

130

- класс Е

120

- класс F

155

- класс Н

180

1) Максимальную температуру части оборудования в большинстве случаев определяют измерением значения приращения температуры этой части и добавлением этого значения к значению максимальной температуры окружающей среды (40 °С, см. 1.4).

2) Температура применяемого изолирующего материала ограничена требованиями ГОСТ 8865.

3) Температура (точка) воспламенения - это температура, до которой должна быть нагрета жидкость (в определенных условиях), чтобы паровоздушная смесь на ее поверхности поддерживала горение, по крайней мере, 5 с после подведения внешнего источника пламени и его последующего удаления.

4) Температуру обмоток определяют по измерению их электрического сопротивления или с помощью измерительных преобразователей температуры, выбранных и размещенных так, чтобы они оказывали пренебрежимо малое влияние на температуру испытуемой части оборудования. Последний метод применяют в том случае, если обмотки неоднородны или трудно измерить их сопротивление.

9.2.2 Оборудование, предназначенное для установки в пульт или в стену

Оборудование устанавливают в соответствии с инструкцией по монтажу с использованием фанерных стенок, окрашенных черной матовой краской, толщиной примерно 10 мм, когда они имитируют панели пульта, или 20 мм, когда они имитируют стены здания.

9.3 Защитные ограждения

Поверхности, температура которых может оказаться выше 100 °С при температуре окружающей среды 40 °С, должны быть защищены ограждениями, если они не маркированы как очень горячие или не предназначены для нагревания в соответствии с 9.1. Защитные ограждения должны быть сконструированы так, чтобы удалить их можно было только с помощью инструмента.

Соответствие требованиям проверяют измерениями температуры и осмотром крепления ограждения (при необходимости).

9.4 Клеммные коробки

Клеммные коробки, работающие при температуре выше 60 °С (при температуре окружающей среды 40 °С), должны иметь маркировку с указанием диапазона рабочих температур кабелей, которые могут быть применены в клеммной коробке. Верхний предел этого диапазона должен быть не менее максимальной температуры в клеммной коробке. Маркировка должна быть нанесена вблизи зажимов или быть видимой во время и после монтажа.

Соответствие требованиям проверяют измерениями температуры, достигаемой при испытаниях по 9.2, и осмотром маркировок.

9.5 Устройства защиты от перегрева

Потеря охлаждающей жидкости или другой отказ средств охлаждения не должны вызывать поражения электрическим током или распространения огня. Оборудование, имеющее систему регулирования температуры, не должно вызывать поражения электрическим током или распространения огня при отказе этой системы.

При необходимости в состав средств защиты оборудования должны входить устройства защиты от перегрева, которые работают в условиях одной неисправности. Устройства, реагирующие на температуру, уровень жидкости, скорость воздуха или иные факторы, должны удовлетворять требованиям 14.3.

Устройства защиты от перегрева не должны срабатывать при нормальном применении. Они не должны самопроизвольно возвращаться в исходное состояние, за исключением условий одной неисправности или если это предусмотрено методикой испытания самого устройства.

Примечание - Срабатывание защитных устройств проверяют по соответствующим методикам, которые должны быть приведены в документации (см. 5.4.5).

Соответствие требованиям проверяют осмотром и испытаниями в условиях одной неисправности по 4.4.2.9 и 4.4.2.10.

9.6 Защита от перегрузки по току

Оборудование, предназначенное для питания от сети, должно быть защищено плавкими предохранителями, автоматами защиты, тепловыми выключателями, схемами, ограничивающими импеданс, или иными подобными средствами для обеспечения защиты от избыточной энергии, поступающей от сети питания при неисправности оборудования. Эти устройства ограничивают развитие неисправности и вероятность возникновения и распространения огня. Устройства защиты от перегрузки по току могут также обеспечить защиту от поражения электрическим током в аварийной ситуации (см. 6.5).

Примечания

1 Устройства защиты от перегрузки по току (например плавкие предохранители) по возможности устанавливают на всех полюсах питания. Там, где плавкие предохранители применяют в качестве устройств защиты от перегрузки по току, их держатели должны быть расположены рядом друг с другом. Все плавкие предохранители, предназначенные для защиты одной цепи, должны иметь одни и те же токовые и временные характеристики. Устройства защиты от перегрузки по току должны быть преимущественно расположены между вводом питания и сетевым выключателем. Установлено, что в оборудовании, генерирующем сигналы высокой частоты, помехоподавляющие компоненты целесообразно располагать между вводом питания и устройствами защиты от перегрузки по току.

2 Для оборудования некоторых видов могут потребоваться контроль работы устройств защиты от перегрузки по току и индикация их состояния.

9.6.1 Постоянно подключенное оборудование

Для этого оборудования наличие встроенных в него устройств защиты от перегрузки по току необязательно, так как они входят в электрооборудование здания. В инструкции изготовителя должны быть указаны необходимые характеристики этих устройств.

Соответствие требованиям проверяют осмотром.

9.6.2 Остальное оборудование

Его защита должна быть обеспечена применением плавких предохранителей, автоматов защиты, тепловых выключателей, схем, ограничивающих импеданс, и тому подобных, встраиваемых в оборудование.

Устройства защиты от перегрузки по току нельзя использовать в защитных проводниках. Плавкие предохранители или однополюсные автоматы защиты нельзя использовать в нейтральном проводе оборудования с многофазным питанием.

Соответствие требованиям проверяют осмотром.

10 Теплостойкость

10.1 Стабильность зазоров и путей утечки

Зазоры и пути утечки должны удовлетворять требованиям 6.7 и приложения D, если оборудование функционирует при температуре окружающей среды 40 °С (максимальная температура, установленная в 1.4).

Соответствие требованиям в случае сомнений (когда оборудование выделяет значительное количество теплоты) проверяют при работе оборудования в нормальных условиях испытаний по 4.3, однако температура окружающей среды должна быть 40 °С. После этого испытания зазоры и пути утечки не должны быть ниже требуемых 6.7 и приложением D.

Если оборудование имеет неметаллический кожух, температуру частей кожуха измеряют с учетом требования 10.2.

Примечание - Это испытание также обеспечивает условия, требуемые для испытания неметаллических кожухов по 8.1.

10.2 Теплостойкость неметаллических кожухов

Кожухи из неметаллических материалов должны быть стойкими к повышенным температурам.

Соответствие требованию проверяют одним из следующих способов:

- неподключенное оборудование выдерживают 7 ч при температуре 70 °С. Однако, если при испытании по 10.1 была измерена более высокая температура, то температура, при которой выдерживают оборудование, должна быть на 10 °С выше этой измеренной температуры. Если оборудование содержит компоненты, которые могут быть повреждены при такой температуре, допускается выдержать в указанных условиях пустой кожух с последующей сборкой оборудования для завершения испытания;

- оборудование работает в нормальных условиях испытания по 4.3 и при температуре окружающей среды 60 °С.

После одной из этих процедур оборудование не должно вызывать опасности (см. 1.2) и должно выдержать испытание по 6.8.

10.3 Теплостойкость изоляционных материалов

Изолирующие детали, являющиеся элементами конструкции частей, соединяемых с источником сетевого питания, должны быть изготовлены из таких изоляционных материалов, которые не будут являться причиной возникновения опасности в случае короткого замыкания внутри оборудования.

Изоляционные материалы для крепления зажимов должны быть теплостойкими, если в нормальных условиях испытаний через эти зажимы течет ток, превышающий 0,5 А, и из-за плохого контакта в них может происходить значительное выделение теплоты. Эти материалы не должны размягчаться до такой степени, чтобы стать причиной опасности (см. 1.2).

Соответствие требованиям проверяют испытаниями изолирующего материала на размягчение по Вика согласно ГОСТ 15088 (метод А) или рассмотрением документальных доказательств того, что материал удовлетворяет этим требованиям. Температура размягчения материала, измеренная методом Вика, должна быть не ниже 130 °С.

11 Защита от опасностей, связанных с жидкостями

11.1 Общие положения

Оборудование, содержащее жидкости или используемое при измерениях параметров или обработке жидкостей, должно быть сконструировано так, чтобы обеспечить защиту оператора и окружающей среды от опасностей, которые создают жидкости при нормальном применении.

Примечание - Такие жидкости делят на три категории:

- имеющие постоянный контакт с оборудованием, например с резервуарами, где они содержатся;

- имеющие периодический контакт с оборудованием, например жидкости для очистки от загрязнений;

- имеющие случайный (нежелательный) контакт. В этом случае изготовитель оборудования не может предусмотреть всех видов защиты.

Жидкости для очистки от загрязнений (кроме указанных изготовителем) и напитки в настоящем стандарте не рассматривают.

Соответствие требованиям проверяют по 11.2-11.5.

11.2 Очистка от загрязнений

Если процесс очистки от загрязнений и обеззараживания предусмотрен изготовителем, он не должен вызывать ни прямой опасности, ни опасности поражения электрическим током, ни опасности, вызванной коррозией или другим ухудшением параметров частей оборудования, обеспечивающих его безопасность.

Метод очистки от загрязнений и какой-либо метод обеззараживания должны быть указаны в документации.

Соответствие требованиям проверяют трехкратной очисткой оборудования. Если сразу после этой обработки имеются признаки смачивания частей, которые могут представлять опасность, оборудование должно быть подвергнуто испытанию по 6.8.4, а на доступных частях не должны быть превышены значения электрических величин, указанные в 6.3.1. Если указан метод обеззараживания, то его применяют один раз.

11.3 Просачивание жидкости

Оборудование должно быть сконструировано таким образом, чтобы в случае просачивания в него жидкости при нормальном применении не возникало опасности, например в результате смачивания изоляции или внутренних неизолированных частей, находящихся под опасным напряжением.

Соответствие требованиям проверяют осмотром. В сомнительном случае 0,2 дм3 воды равномерно выливают с высоты 0,1 м в течение 15 с на каждое место, откуда жидкость может попасть на части, непосредственно связанные с электрическими цепями. Сразу после такой обработки проводят испытание по 6.8.4, причем на доступных частях не должны быть превышены значения электрических величин, указанные в 6.3.1.

11.4 Переполнение

Жидкость, переливающаяся в оборудование при переполнении контейнера, не должна вызывать опасности при нормальном применении, например в результате смачивания изоляции или неизолированных частей, находящихся под опасным напряжением.

Оборудование, которое можно перемещать с полным контейнером, должно быть защищено от выливания жидкости из контейнера при транспортировании.

Соответствие требованиям проверяют следующим испытанием. В контейнер наливают максимальное количество жидкости, указанное изготовителем. Затем в него непрерывно в течение 60 с вливают дополнительный объем жидкости, равный 15 % емкости контейнера или 0,25 дм3 в зависимости от того, что больше. Оборудование, которое можно перемещать с полным контейнером, наклоняют на угол 15° в наиболее неблагоприятном направлении (направлениях) от положения нормального применения. Если наклон осуществляют более чем в одном направлении, контейнер пополняют перед каждым наклоном. Сразу после этой процедуры оборудование должно выдержать испытание по 6.8.4, а на доступных частях не должны быть превышены значения электрических величин, указанные в 6.3.1.

11.5 Электролиты аккумуляторов

Аккумуляторы должны быть установлены так, чтобы безопасность оборудования не уменьшалась при утечке из них электролитов.

Соответствие требованию проверяют осмотром.

11.6 Специально защищенное оборудование

Если оборудование отнесено изготовителем к одной из установленных степеней защиты по ГОСТ 14254 и маркировано соответствующим образом, оно должно быть защищено от проникновения воды до установленной степени.

Соответствие требованию проверяют осмотром и испытаниями по ГОСТ 14254, по окончании которых оборудование должно быть подвергнуто испытанию по 6.8.4, а на доступных частях не должны быть превышены значения электрических величин, указанные в 6.3.1.

11.7 Давление жидкости и утечка

11.7.1 Максимальное давление

Максимальное давление, под которым может оказаться некоторая часть оборудования при нормальном применении или в условиях одной неисправности, не должно быть более установленного для данной части максимального допустимого рабочего давления.

Это максимальное давление следует рассматривать как предельно возможное в случаях:

- оно соответствует максимальному давлению, которое определено для внешнего источника давления;

- установка давления срабатывания предохранительного устройства обеспечена при сборке;

- оно соответствует максимальному давлению, которое может быть сообщено воздушным компрессором, работающим в комплекте с оборудованием, когда это давление не ограничено предохранительным устройством.

Соответствие требованиям проверяют контролем значений давления, допустимых для частей оборудования и, при необходимости, измерением этих значений.

11.7.2 Утечка и разрушение при высоком давлении

Содержащие жидкости части оборудования, которые при нормальном применении характеризуются обоими нижеуказанными параметрами, не должны быть причиной возникновения опасности вследствие разрушения или утечки:

а) произведение значений давления и объема превышает 200 кПа · дм3;

b) давление превышает 50 кПа.

Примечание - Указаны значения избыточного давления.

Соответствие требованиям проверяют при следующем гидравлическом испытании:

Испытательное давление pисп принимают равным произведению максимального допустимого рабочего давления pраб.max на поправочный множитель, который определяют по графику, приведенному на рисунке 4, в зависимости от максимального допустимого рабочего давления. Любое предохранительное устройство, используемое для ограничения рабочего давления, во время испытаний отключают.

Значение давления постепенно повышают до установленного испытательного и выдерживают его в течение 1 мин. Образец не должен разрываться, испытывать пластическую деформацию или давать течь. Утечку через сальник при испытании не считают приводящей к отказу, за исключением утечки, происходящей при давлении менее 40 % испытательного или максимального допустимого рабочего давления в зависимости от того, что больше.

Не допускаются утечки из частей оборудования, содержащих токсичные, легковоспламеняющиеся и тому подобные опасные вещества.

Если подлежащие испытаниям части оборудования, содержащие жидкости, или трубопроводы не могут быть подвергнуты гидравлическим испытаниям, их целость должна быть проверена другими подходящими испытаниями, например пневматическими испытаниями с использованием соответствующих средств под давлением, установленным для гидравлических испытаний.

Исключением из вышеприведенных требований являются части холодильных систем, содержащие жидкости; эти части должны удовлетворять соответствующим требованиям ГОСТ Р МЭК 335-1.

Рисунок 4 - Поправочный множитель для определения испытательного давления

11.7.3 Утечка из частей, находящихся под низким давлением

Утечка из частей, содержащих жидкости под низким давлением, не должна приводить к возникновению опасности (см. 1.2). См. также 5.4.5.

Соответствие требованию проверяют контролем допустимых пределов рабочих характеристик частей и, при необходимости, давлением на эти части жидкостью, причем это давление должно быть вдвое большим, чем максимальное давление при нормальном применении. Утечка, которая может вызвать опасность (см. 1.2), не допускается.

11.7.4 Предохранительные устройства

Предохранительное устройство не должно срабатывать при нормальном применении (см. также 14.8). Другие требования, предъявляемые к предохранительному устройству:

- оно должно быть подсоединено как можно ближе к защищаемой части, содержащей жидкость;

- оно должно быть установлено так, чтобы не затруднять наблюдение за ним в процессе работы, профилактический осмотр и ремонт;

- должны быть исключены его настройка и регулировка без применения инструмента;

- оно должно иметь выпускное отверстие, расположенное и ориентированное таким образом, чтобы выпускаемое вещество не было направлено в сторону обслуживающего персонала;

- оно должно иметь выпускное отверстие, расположенное и ориентированное таким образом, чтобы при срабатывании устройства не происходило попадания вещества на какие-либо части или предметы, которое могло бы привести к возникновению опасности (см. 1.2);

- оно должно иметь соответствующую производительность по сбросу давления, чтобы в случае выхода из строя регулятора давления рабочее давление в системе не могло превысить максимального допустимого;

- между предохранительным устройством и защищаемыми частями не должно быть никаких перекрывающих давление клапанов.

Соответствие требованиям проверяют осмотром и испытанием.

12 Защита от излучения, в том числе лазерного, а также от звукового и ультразвукового давления

12.1 Общие положения

Оборудование должно обеспечивать защиту от генерируемого им и представляющего опасность электромагнитного излучения, а также от звукового и ультразвукового давления.

Соответствие требованию проверяют, если оборудование имеет указанные источники опасности.

12.2 Оборудование, которое генерирует ионизирующее излучение

12.2.1 Ионизирующее излучение

Эквивалентная мощность дозы неиспользуемого рентгеновского излучения в любой легкодоступной точке на расстоянии 10 см от внешней поверхности оборудования не должна превышать 1 мкЗв/ч. Это требование распространяется на излучение от оборудования, в котором электроны разгоняются разностью потенциалов более 5 кВ. Излучение от средств отображения информации индивидуального пользования должно соответствовать требованиям ГОСТ Р 50948. В случае превышения указанных требований ответственный орган должен руководствоваться при эксплуатации оборудования нормами радиационной безопасности [1], а также основными санитарными правилами [2].

Примечание - Дополнительная информация о требованиях к оборудованию, создающему ионизирующее излучение - см. МЭК 60405, а также [1].

Соответствие требованиям проверяют измерением интенсивности излучения в нормальных условиях испытаний при максимальном уровне генерируемого излучения. Для средств отображения информации индивидуального пользования измерения проводят по ГОСТ Р 50949.

12.2.2 Ускоренные электроны

Оборудование должно быть сконструировано так, чтобы камеры, в которых электроны разгоняются разностью потенциалов свыше 5 кВ, нельзя было открыть без применения инструмента.

Соответствие требованию проверяют осмотром.

12.3 Ультрафиолетовое излучение

Оборудование, которое содержит источник ультрафиолетового излучения, должно иметь защиту от случайного попадания ультрафиолетового излучения на оператора. Если такое попадание возможно, должны быть измерены спектральный состав и интенсивность излучения. Допустимые уровни ультрафиолетового излучения - см. санитарные нормы и правила [3].

Соответствие требованиям проверяют осмотром и, при необходимости, измерением ультрафиолетового излучения в нормальных условиях испытаний.

12.4 Электромагнитное излучение

Плотность потока энергии электромагнитных полей радиочастот на рабочем месте оператора и в местах возможного пребывания персонала вблизи оборудования не должна превышать 10 Вт/м2 в нормальных условиях испытаний. Это требование относится к нежелательному излучению в диапазоне частот от 300 МГц до 300 ГГц и не распространяется на те части оборудования, где электромагнитное излучение создают преднамеренно, например на выходе волновода.

Допустимые уровни электромагнитных полей в диапазоне частот от 5 Гц до 400 кГц и от 60 кГц до 300 МГц - по ГОСТ 12.1.006, ГОСТ Р 50948 и санитарным нормам и правилам [4].

Соответствие требованиям проверяют по ГОСТ 12.1.006 и ГОСТ Р 50948.

12.5 Звуковое и ультразвуковое давление

12.5.1 Уровень шума

Если оборудование является источником шума, уровень которого может создавать опасность (см. 1.2), изготовитель обязан измерить максимальный уровень шума, создаваемого оборудованием (см. также 5.4.3), за исключением звука аварийной сирены, и рассчитать максимальный уровень шума в соответствии с ГОСТ 12.1.024 или ГОСТ 30457.

В инструкции по установке оборудования изготовитель должен указать, что ответственный орган обязан обеспечить уровень шума от оборудования после его установки на месте эксплуатации (включая монтаж любых ослабляющих звук экранов или покрытий, указанных изготовителем), который не будет превышать безопасных пределов, установленных санитарными нормами [5]. Это может быть подтверждено расчетами по ГОСТ 30530 после измерения акустических характеристик места размещения с учетом максимального уровня шума от оборудования.

Примечания

1 Уровень шума 80 дБА относительно значения 20 мкПа считают минимальным уровнем, который может представлять опасность (см. 1.2). Специальными мерами, такими как использование защитных наушников, более высокие уровни шума можно сделать неопасными для оператора.

2 Измерение уровня звукового давления должно быть проведено ответственным органом как на рабочем месте оператора, так и на расстоянии 1 м от того места на кожухе оборудования, где уровень давления максимальный.

Соответствие требованиям проверяют измерением А-взвешенного уровня звука на рабочем месте оператора и в местах возможного нахождения персонала и последующим расчетом максимального уровня шума, излучаемого оборудованием, в соответствии с ГОСТ 12.1.024 и ГОСТ 30457. При этом должны быть соблюдены следующие условия:

a) при измерении любую часть, необходимую для обеспечения нормальной работы оборудования и поставляемую изготовителем в качестве отдельного изделия, входящего в комплект поставки оборудования (например насос), устанавливают и включают в режиме нормального применения;

b) аварийную сирену не включают; уровень шума от частей, размещенных вдали от оборудования, не должен входить в результаты измерения звукового давления;

c) используемые шумомеры должны соответствовать требованиям, предъявляемым к шумомерам класса I ГОСТ 17187 или (для определения значений нестационарных шумов с усреднением во времени) класса I МЭК 60804;

d) испытание проводят в помещении полуотражающего типа с твердым отражающим полом. Расстояние между любой стеной или другим объектом и поверхностью оборудования должно быть не менее 3 м;

e) оборудование испытывают при комбинации нагрузки и других рабочих условий (например давление, поток жидкости или воздуха, температура), которые создают максимальный уровень звукового давления.

Примечание - Требования по допустимым уровням инфразвука приведены в санитарных нормах [6], вибрации - в санитарных нормах [7].

12.5.2 Ультразвуковое давление

Ультразвуковое давление, измеренное как на рабочем месте оператора, так и на расстоянии 1 м от того места на кожухе оборудования, где уровень давления максимальный, не должно превышать установленных пределов (см. ГОСТ 12.1.001).

Соответствие требованию проверяют измерением ультразвукового давления по ГОСТ 12.1.001 в нормальных условиях испытаний.

12.6 Лазерные источники излучения

Требования к оборудованию, использующему лазерные источники излучения, установлены в ГОСТ Р 50723.

13 Защита от выделяющихся газов и поражений при взрывах и при разрушении вакуумных приборов

13.1 Отравляющие и вредные газы

Оборудование не должно выделять отравляющие или вредные газы в опасных количествах при нормальном применении и в условиях одной неисправности.

Чрезвычайно большое количество газов с различными физико-химическими свойствами не позволяет установить общее испытание на соответствие этому требованию. Допустимые уровни и методы проверки устанавливают на основе нормативных документов Российской Федерации с учетом конструктивных особенностей, назначения и условий эксплуатации оборудования.

13.2 Взрыв

13.2.1 Компоненты

Если компоненты, которые могут взорваться при перегреве или ином увеличении их энергии выше допустимой, не имеют защитных средств для сброса избыточного давления, конструкция оборудования с этими компонентами должна предусматривать защиту оператора от опасностей, возникающих при взрыве (см. также 7.5).

Защитные средства для сброса избыточного давления должны быть расположены таким образом, чтобы при их срабатывании не возникало опасности для оператора. Конструкция оборудования не должна препятствовать работе этих средств.

Соответствие требованиям проверяют осмотром.

13.2.2 Аккумуляторы и сухие элементы

Аккумуляторы и сухие элементы не должны представлять опасности взрыва или возгорания по причинам перезарядки, чрезмерной разрядки или подключения в обратной полярности. При необходимости оборудование должно быть снабжено защитой, если в инструкции изготовителя не указано, что в оборудовании разрешается использовать только аккумуляторы и сухие элементы с встроенными системами защиты.

Если при установке аккумуляторов или элементов, не предусмотренных изготовителем (например, когда в инструкции изготовителя указано, что они должны иметь встроенную защиту), может произойти взрыв или возникнуть опасность возгорания, на батарейный отсек или около него должна быть нанесена предупреждающая маркировка или инструкция изготовителя должна содержать предупреждение. В последнем случае применяют маркировку символом № 14 по таблице 1.

Батарейный отсек должен быть сконструирован так, чтобы исключить возможность взрыва или возгорания, обусловленных выделением легковоспламеняющихся газов. (См. также 5.1.8 относительно предупреждения о недопустимости подзарядки элементов, не предназначенных для этого.)

Соответствие требованиям проверяют осмотром, включая проверку характеристик аккумуляторов или сухих элементов для установления невозможности взрыва или возгорания при отказе любого из отдельных компонентов. При необходимости производят замыкание или разрыв цепи любого из отдельных компонентов (исключая собственно аккумулятор или элемент), отказ которого может привести к возникновению опасности (см. 1.2).

Если предусмотрена замена элементов оператором, должна быть предпринята попытка установить элементы в обратной полярности. Это не должно привести к возникновению опасности (см. 1.2).

13.3 Разрушение вакуумных приборов

Вакуумные приборы, включая электронно-лучевые трубки с экраном максимальными размерами более 160 мм, должны иметь собственную защиту от механического разрушения, либо их кожухи должны обеспечивать достаточную защиту от опасностей (см. 1.2), связанных с разрушением приборов.

Электронно-лучевые трубки или другие вакуумные приборы, не имеющие собственной защиты, должны быть снабжены эффективным защитным экраном, который не может быть удален без применения инструмента. Если используют отдельный экран из стекла, он не должен соприкасаться с поверхностью трубки или другого вакуумного прибора.

Электронно-лучевую трубку или другой вакуумный прибор считают обеспечивающими внутреннюю защиту от опасностей, связанных с разрушением, если при их правильной установке не требуется никакой дополнительной защиты.

Соответствие требованиям для электронно-лучевых трубок проверяют по ГОСТ 12.2.006. Испытания на соответствие требованиям для других вакуумных приборов еще не рассмотрены.

14 Компоненты

14.1 Общие положения

Когда к оборудованию предъявляют требования безопасности, используемые в нем компоненты следует применять только в соответствии с указанными для них условиями применения, если для конкретного оборудования не сделано специальное исключение. Эти условия должны отвечать одному из следующих требований:

a) применимым в настоящем стандарте требованиям безопасности соответствующего государственного стандарта или стандарта МЭК на компонент. Соответствие остальным требованиям стандартов на компонент не требуется. Если необходимо для использования в оборудовании, на которое распространяются требования настоящего стандарта, компонент должен быть подвергнут испытаниям для проверки соответствия этим требованиям, кроме эквивалентных испытаний, которым компонент подвергали для подтверждения соответствия требованиям распространяющегося на него стандарта;

b) подтвержденным испытаниями требованиям настоящего стандарта и, если это необходимо для использования, любым дополнительным требованиям безопасности соответствующего стандарта на компонент;

c) требованиям настоящего стандарта при отсутствии стандарта на компонент.

Компоненты, соответствие которых применимым требованиям безопасности подтверждено уполномоченными органами, повторным испытаниям не подвергают. Порядок подтверждения соответствия компонентов требованиям настоящего стандарта показан на рисунке 5.

Соответствие требованиям проверяют осмотром и, при необходимости, испытаниями. Испытания электродвигателей и трансформаторов по 4.4.2.4, 4.4.2.6, 14.2 и 14.7 считают достаточными, других испытаний не требуется.

14.2 Электродвигатели

14.2.1 Температура электродвигателей

Электродвигатели, которые при торможении на полных оборотах или заклинивании перед включением (см. 4.4.2.4) могут представлять опасность поражения электрическим током, перегрева или возгорания, должны быть защищены устройствами защиты от перегрева (см. 14.3). Возрастание тока, потребляемого трехфазным электродвигателем при обрыве одной фазы, не должно приводить к появлению опасности (см. п. 1.2), даже если двигатель при этом не включится.

Соответствие требованиям проверяют в условиях одной неисправности по 4.4.2.4 путем измерения значений температуры, которые не должны превышать значений, установленных в таблице 4.

Таблица 4 - Температура электродвигателей

Классификация материала

Максимальная температура обмоток и пластин сердечников, находящихся в контакте с ними, °С, при температуре окружающей среды 40 °С (см. 1.4)

А

150

В

175

Е

165

F

190

Н

210

Примечания

1 Значения, приведенные в данной таблице, взяты из таблицы В.1 ГОСТ Р 50377.

2 Значения температуры определяют путем измерения значения приращения температуры обмотки и суммирования измеренного значения с максимальным значением температуры окружающей среды 40 °С (см. 1.4).

14.2.2 Электродвигатели с последовательным возбуждением

Электродвигатели с последовательным возбуждением должны быть присоединены непосредственно к нагрузке, если превышение скорости вращения двигателя может вызвать опасность.

Соответствие требованию проверяют осмотром.

14.3 Устройства защиты от перегрева

Устройства защиты от перегрева - это устройства, которые работают при наступлении условий одной неисправности. Они должны быть:

- сконструированы и испытаны так, чтобы обеспечить высокую надежность;

- рассчитаны на прерывание максимальных значений напряжения и силы тока в цепях, в которых они используются;

Рисунок 5 - Порядок подтверждения соответствия компонента требованиям настоящего стандарта по 14.1, перечисления а), b), с)

- рассчитаны так, чтобы:

a) максимальная температура поверхности оборудования соответствовала требованию 4.4.4.2;

b) температура частей, соприкасающихся с легковоспламеняющимися жидкостями, соответствовала указанной в таблице 3 (см. 9.2);

- сконструированы и установлены так, чтобы соответствовать требованию 9.5 о недопустимости срабатывания при нормальном применении.

Устройства защиты от перегрева, которые срабатывают при отказе системы регулирования температуры, должны быть только с самовозвратом в исходное состояние, если защищаемая часть оборудования не может продолжать работу.

Соответствие требованиям проверяют изучением принципа действия устройства защиты и проведением соответствующих испытаний на надежность оборудования, работающего в условиях одной неисправности (см. 4.4). Число проверок следующее:

- устройства защиты с самовозвратом - 200 срабатываний;

- устройства защиты без самовозврата (кроме плавких предохранителей) возвращают в исходное состояние после каждого срабатывания, всего 10 раз;

- невосстанавливающиеся устройства защиты от перегрева - один раз.

Примечание - Для предотвращения повреждения оборудования можно использовать принудительное охлаждение или проводить испытание с перерывами.

При этом испытании устройства защиты от перегрева с возвратом в исходное состояние должны срабатывать каждый раз при введении условия одной неисправности, а невосстанавливающиеся устройства должны срабатывать один раз. После каждого срабатывания устройства с возвратом в исходное состояние не должны иметь повреждений, которые могут помешать их срабатыванию при возникновении следующего условия одной неисправности.

14.4 Держатели плавких предохранителей

Держатели плавких предохранителей, заменяемых оператором, не должны допускать прикосновения к опасным частям при замене предохранителя.

Соответствие требованию проверяют испытанием шарнирным испытательным пальцем (см. рисунок В.2), прилагаемым без усилия.

14.5 Устройства установки напряжения питания

Устройства должны быть сконструированы так, чтобы исключить самопроизвольное переключение напряжения питания или переход от одного вида питания к другому. Маркировка оборудования с устройствами установки напряжения питания приведена в 5.1.3, перечисление d).

Соответствие требованиям проверяют осмотром и испытанием вручную.

14.6 Компоненты высокой надежности

Компоненты высокой надежности следует применять там (см., например, 6.5.3), где при коротком замыкании или разрыве цепи может быть нарушена безопасность оборудования в условиях одной неисправности.

Компоненты высокой надежности должны быть рассчитаны, сконструированы и испытаны в соответствии с государственными стандартами Российской Федерации или со стандартами МЭК (если необходимо) так, чтобы в расчетных условиях применения была гарантирована их безопасность и надежность. Их можно считать безотказными в отношении требований настоящего стандарта.

Примечание - Примеры таких требований и испытаний:

- испытания на электрическую прочность двойной или усиленной изоляции;

- превышение, по крайней мере, в два раза рассеиваемой мощности (резистор);

- климатические испытания и испытания на долговечность для доказательства надежности при ожидаемом сроке службы оборудования;

- испытания резисторов по 14.1 ГОСТ 12.2.006.

Одиночный электронный прибор, в котором используется проводимость электронов в вакууме, газе или полупроводнике, не относится к компонентам высокой надежности.

Соответствие требованиям проверяют проведением соответствующих испытаний.

Примечание - Требования и методы испытаний - на рассмотрении, имеющем целью изучение того, можно ли отдельные компоненты считать компонентами высокой надежности.

14.7 Сетевые трансформаторы

Сетевые трансформаторы, которые не подвергают испытаниям по 4.4.2.6 в качестве части оборудования, должны быть испытаны при следующих условиях:

- испытуемый трансформатор может быть установлен или не установлен в оборудование;

- если трансформатор не установлен в оборудование, испытание должно быть проведено в тех условиях работы, влияющих на результаты испытания, которые реально существуют в оборудовании;

- трансформатор, поврежденный при проведении испытания, перед проведением следующего испытания может быть отремонтирован или заменен другим;

- перед проведением испытаний на устойчивость к короткому замыканию и на устойчивость к перегрузке устройства защиты трансформатора должны быть включены в состав схемы измерений. Например, при проведении испытаний вторичных обмоток повреждения вводят со стороны выхода указанных устройств, подключенных к вторичным обмоткам.

Соответствие требованиям проверяют испытаниями на устойчивость к короткому замыканию по 14.7.1 и на устойчивость к перегрузке по 14.7.2, а также испытаниями по 4.4.4.1-4.4.4.3.

14.7.1 Испытание на устойчивость к короткому замыканию

Простые обмотки и секции секционированных обмоток, нагруженные, как при нормальном применении, испытывают поочередно, по одной, коротким замыканием нагрузки. Остальные обмотки или секции могут быть нагружены или разомкнуты в зависимости от того, что при нормальном применении наименее благоприятно.

14.7.2 Испытание на устойчивость к перегрузке

Каждую вторичную обмотку или секцию секционированной обмотки перегружают поочередно, по одной, в течение времени, указанного в 4.4.3.1, при этом остальные обмотки или секции могут быть нагружены или разомкнуты в зависимости от того, что при нормальном применении наименее благоприятно.

Для проведения испытания обмотку нагружают на реостат, требуемое сопротивление которого устанавливают как можно быстрее. При необходимости через 1 мин производят подстройку реостата. Дальнейшие его регулировки недопустимы.

Если защита от превышения тока осуществляется автоматом защиты, испытательный ток должен быть равен максимальному току, который способен выдержать автомат в течение 1 ч. Если сила этого тока не указана в документации на автомат защиты, ее следует определить экспериментально.

Если использованная в оборудовании защита при срабатывании уменьшает до безопасного уровня выходное напряжение, ток перегрузки медленно увеличивают до срабатывания защиты.

Во всех остальных случаях перегрузкой считают максимальную мощность, которую возможно снять с трансформатора.

Считают, что трансформаторы с устройствами защиты от перегрева, при проведении испытаний которых на устойчивость к короткому замыканию по 14.7.1 было подтверждено соответствие требованиям 14.3, не нуждаются в испытаниях на устойчивость к перегрузке.

14.8 Предохранительные устройства

Устройства, предохраняющие оборудование от превышения давления, должны соответствовать требованиям правил устройства и безопасной эксплуатации сосудов, работающих под давлением [8] или ИСО 4126/1.

Соответствие требованию проверяют испытаниями по [8] или ИСО 4126/1.

15 Защита блокировками

Блокировки, используемые для защиты оператора от любых опасностей, указанных в 1.2, должны соответствовать требованиям 15.1-15.3.

15.1 Общие положения

С учетом требований 6.1.1, 6.6.2, 7.2 и 9.1 блокировки должны быть сконструированы таким образом, чтобы исключить опасность (см. 1.2) прежде, чем оператор ей подвергнется.

Соответствие требованию проверяют осмотром и проведением всех соответствующих испытаний по настоящему стандарту.

15.2 Предотвращение повторного возникновения опасности

Любая блокировка для защиты оператора не должна допускать повторного возникновения опасности (см. 1.2) при ручном восстановлении режима работы, пока действие, которое вызывает срабатывание блокировки, не будет изменено на противоположное или устранено.

Соответствие требованию проверяют осмотром и, при необходимости, воздействием рукой на все части системы блокировки, доступные при испытании шарнирным испытательным пальцем (см. рисунок В.2).

15.3 Надежность

Любая система блокировки для защиты оператора должна быть спроектирована так, чтобы одна неисправность, даже если маловероятно, что она произойдет за весь установленный срок службы оборудования, не могла привести к возникновению опасности (см. 1.2).

Соответствие требованию проверяют путем экспертизы системы. В случае сомнения систему блокировки или отвечающие за ее надежность части подвергают циклическому испытанию на включение наименее благоприятной нагрузки при нормальном применении. Число циклов переключений устанавливают равным удвоенному максимальному числу циклов, возможному за весь установленный срок службы оборудования. Переключатели испытывают не менее чем на 10000 циклов срабатываний. Части, выдержавшие это испытание, считают компонентами высокой надежности (см. 4.4.2.12).

16 Измерительные цепи

16.1 Токовые измерительные цепи

Средства измерений силы тока, имеющие цепи для подключения к измерительным трансформаторам тока без внутренней защиты, должны иметь соответствующую защиту для предотвращения любой опасности (см. 1.2), возникающей при разъединении этих цепей во время работы. Токовые измерительные цепи должны быть спроектированы таким образом, чтобы при переключении пределов измерений не происходило никаких разъединений, которые могут привести к возникновению опасности (см. 1.2).

Соответствие требованиям проверяют осмотром и проведением испытания на перегрузку путем пропускания тока, в 30 раз превышающего верхний предел измерений прибора, в течение 2 с. Во время испытания не должно произойти никакого разъединения, которое может вызвать опасность (см. 1.2).

Переключатель пределов измерений или аналогичное устройство в токовой измерительной цепи проверяют осмотром и испытанием, которое состоит в том, что переключатель должен проработать 6000 циклов переключений тока, равного верхнему пределу измерений прибора. После этого не должно быть никаких электрических или механических повреждений переключателя и никаких чрезмерных оплавлений или обгораний контактов.

ПРИЛОЖЕНИЕ А

(обязательное)

Схемы измерения силы тока в доступных частях

(см. 6.3)

Подробное описание схем и методик выполнения измерений силы тока в доступных частях, а также характеристики используемых при испытании вольтметров приведены в МЭК 60990.

А.1 Схема измерения силы постоянного тока и переменного тока частотой до 1 МГц

Силу тока измеряют по схеме рисунка А.1 с последующим вычислением по формуле

I = U/500,

где I - сила тока, А;

U - напряжение, измеренное вольтметром, В.

Эта схема учитывает частотную зависимость полного сопротивления тела человека.

V - вольтметр

Рисунок А.1 - Схема измерения силы постоянного тока и переменного тока частотой до 1 МГц

А.2 Схемы измерения силы постоянного тока и переменного синусоидального тока частотой до 100 Гц

Если частота не превышает 100 Гц, силу тока можно измерять по схемам рисунка А.2. При использовании вольтметра силу тока вычисляют по формуле

I = U/2000,

где I - сила тока, А;

U - напряжение, измеренное вольтметром, В.

V - вольтметр, А - амперметр

Рисунок А.2 - Схемы измерения силы постоянного тока и переменного синусоидального тока частотой до 100 Гц

Примечание - Сопротивление 2 кОм представляет собой сумму сопротивления резистора и внутреннего сопротивления измерительного прибора.

А.3 Схема измерения силы тока, вызывающего электрические ожоги на высоких частотах

Силу тока измеряют по схеме рисунка А.3 с последующим вычислением по формуле

I = U/500,

где I - сила тока, А;

U - напряжение, измеренное вольтметром, В.

Эта схема учитывает частотную зависимость полного сопротивления тела человека на высоких частотах (свыше 1 МГц).

V - вольтметр

Рисунок А.3 - Схема измерения силы тока, вызывающего электрические ожоги

ПРИЛОЖЕНИЕ В

(обязательное)

Стандартные испытательные пальцы

(см. 6.2)

Рисунок В.1 Жесткий испытательный палец

Примечание - Размеры и допуски вершины пальца - см. рисунок В.2.

Рисунок В.2 - Шарнирный испытательный палец

Примечания

1 Допуски на угловые размеры: 0'; -10'.

2 Допуски на линейные размеры: до 25 мм включительно: (0; -0,05) мм; свыше 25 мм: ± 0,2 мм.

3 Материал: закаленная сталь и т.п.

4 Оба соединения должны допускать отклонение в одной плоскости и в одном направлении на угол 90° + 10°.

5 Использование штифта и шлица - один из возможных способов обеспечения угла поворота 90°. Поэтому размеры шарнирных узлов на рисунке не приведены. Действующая конструкция должна обеспечить требуемый угол поворота.

6 Значения, указанные в скобках, - без допуска.

ПРИЛОЖЕНИЕ C

(обязательное)

Ударный испытательный молоток

(см. 8.2)

МЭК 60068-2-63 описывает конструкцию, методы применения и калибровки ударного испытательного молотка. Ниже дано краткое описание его конструкции и принципа действия.

Молоток состоит из трех основных частей: корпуса, ударного механизма и подпружиненного возвращаемого конуса (рисунок С.1).

Корпус содержит кожух, направляющую ударного механизма, спусковой механизм и все части, жестко закрепленные на корпусе.

Ударный механизм состоит из головки молотка, штока и ручки для взвода пружины. Его масса составляет 250 г. Головка молотка представляет собой полусферу радиусом 10 мм из полиамида твердостью 100 HR (по Роквеллу). Головка молотка прикреплена к штоку таким образом, что расстояние от ее вершины до плоскости среза конуса при расположении ударного элемента в точке покоя составляет 20 мм.

Конус имеет массу 60 г; когда спусковой механизм взведен для приведения в действие ударного механизма, пружина возвращаемого конуса сжата силой 20 Н.

Пружину молотка регулируют так, что при сжатии приблизительно на 20 мм произведение этого пути (в миллиметрах) и прикладываемой силы (в ньютонах) составляет 1000. При этом энергия удара равна (0,5 ± 0,05) Дж.

Чтобы установить энергию удара других уровней, требуются замена пружины молотка и его последующая калибровка, как описано в МЭК 60068-2-63, а также в инструкциях изготовителей молотка.

1 - подпружиненный возвращаемый конус; 2 - стержень спускового механизма; 3 - пружина спускового механизма; 4 - спусковой кулачок; 5 - ручка для завода пружины; 6 - шток; 7 - пружина молотка; 8 - головка молотка

Рисунок С.1 - Ударный испытательный молоток

ПРИЛОЖЕНИЕ D

(обязательное)

Зазоры, пути утечки и испытательные напряжения в оборудовании и печатных платах

D.1 Общие положения

Настоящее приложение является частью МЭК 60664, в котором определены зазоры, пути утечки и испытательные напряжения для их проверки.

Измерение зазоров и путей утечки проводят в соответствии с МЭК 60664.

Цепи, не являющиеся цепями питания, которые не соответствуют требованиям приложения D к зазорам и путям утечки, могут быть признаны соответствующими требованиям настоящего стандарта, если это соответствие подтверждено испытаниями в условиях одной неисправности по 4.4 и если опасные части не становятся доступными в результате неисправности.

D.1.1 Рабочее напряжение

В таблицах D.1-D.2 указаны значения зазоров и путей утечки, соответствующие значениям рабочего напряжения, которое определено МЭК 60664 как «самое высокое среднеквадратическое значение напряжения переменного тока или самое высокое значение напряжения постоянного тока, которое может локально воздействовать на изоляцию цепи при номинальном напряжении питания без учета переходных процессов» в режиме холостого хода или при нормальном применении. Таблицы испытательных напряжений и зазоров приведены в МЭК 60664 с учетом влияния перенапряжений, сопровождающих переходные процессы, на изоляцию.

D.1.2 Примечания к таблицам

В МЭК 60664 изоляционные материалы подразделены на 4 группы в соответствии со значениями сравнительного индекса трекингостойкости CTI (под трекингом понимают образование следов протекания тока на поверхности диэлектрика при его пробое). Более подробная информация дана в МЭК 60664, см. также ГОСТ 27473.

Группа материалов I: 600 ≤ CTI.

Группа материалов II: 400 ≤ CTI < 600.

Группа материалов IIIa: 175 ≤ CTI < 400.

Группа материалов IIIb: 100 ≤ CTI < 175.

Значения пути утечки для плат с покрытием применимы к платам, покрытия которых соответствуют требованиям МЭК 60664-3 к покрытиям типа А.

Испытание импульсным перенапряжением по данным таблиц D.1-D.12 является испытанием «стандартными импульсами» напряжения, имитирующими воздействие молнии, с длительностью фронта 1,2 мкс и длительностью импульса 50 мкс по уровню 50 % амплитуды, со спадающей вершиной, без выбросов и неравномерностей (см. МЭК 60060-2).

D.2 Определение зазоров и путей утечки при рабочих напряжениях до 1000 В, если применимы категории монтажа (категории перенапряжения)

D.2.1 Выбор таблиц

Выбор таблиц определяется:

- типом изоляции. Таблицы D.1-D.6 применяют для основной или дополнительной изоляции, таблицы D.7-D.12 - для двойной или усиленной изоляции (см. 6.4-6.6);

- категорией монтажа (категорией перенапряжения) - см. приложение J;

- степенью загрязнения (см. 3.7.2 и 3.7.3). Имеется в виду степень загрязнения микросреды в области зазора; то же в области пути утечки - на рассмотрении.

Примечания

1 Именно микросреда в области зазора или пути утечки определяет состояние изоляции, а не окружающая среда в целом. Понятие микросреды включает в себя все факторы и параметры, влияющие на изоляцию, в том числе климатические, электромагнитные, способствующие загрязнению.

2 Внутри цельнолитых (без пустот) частей не может быть никаких зазоров или путей утечки (см. определения 3.7.4 и 3.7.5). Среду внутри герметичных компонентов относят к среде со степенью загрязнения 1.

3 Значения в таблицах D.1-D.12 действительны для высоты до 2000 м над уровнем моря. Зазоры для больших высот должны быть корректированы в соответствии с законом Пашена (см. D.9).

4 Значения, приведенные в приложении D, являются минимальными. Изготовитель должен обеспечить соблюдение этих значений с учетом производственных допусков и других возможных факторов.

5 Фазовые сдвиги между цепями или частями цепей (например трансформаторами) могут влиять на действительные значения рабочего напряжения между ними.

D.2.2 Применение таблиц D.1-D.12

Допустима интерполяция значений пути утечки. Интерполяция значений зазора допустима только для цепей или частей, не соединенных непосредственно с сетью питания, а гальванически развязанных от нее трансформатором, преобразователем или эквивалентным устройством, встроенным в оборудование (см. также примечания к таблицам D.13, D.15 и D.16). Требования к зазорам на входах переключающих устройств, связанных с сетью питания, приведены в разделе D.4.

Значение пути утечки должно быть всегда не менее значения зазора.

Путь утечки между двумя цепями определяют, исходя из рабочего напряжения, которое действует и оказывает влияние на изоляцию именно между этими цепями.

При определении значений испытательного напряжения и зазора между двумя цепями сначала определяют эти значения для каждой цепи отдельно из соответствующих таблиц, исходя из значения рабочего напряжения каждой цепи. Затем выбирают наибольшие значения испытательного напряжения и зазора.

D.3 Определение зазоров при рабочем напряжении свыше 1000 В (для напряжения переменного тока указаны среднеквадратические значения)

D.3.1 Зазоры для основной или дополнительной изоляции

a) Зазоры для оборудования на рабочие напряжения свыше 1000 В (для напряжения переменного тока - среднеквадратические значения), в котором не используется защита от перенапряжений, а конструкция не относится к однородной, указаны в таблице D.13.

Примечание - Термин «однородная конструкция» означает, что в этой конструкции форма и расположение проводников, между которыми существуют зазоры, таковы, что электрические поля в зазорах можно считать практически однородными (для целей настоящего стандарта).

Зазоры в таблице D.13 приведены для высоковольтных вторичных цепей, при этом первичные цепи являются низковольтными по МЭК 60664. Значения для цепей типа 1 используют в том случае, когда первичная цепь является установкой категории монтажа II (категория перенапряжения II), а значения для цепей типа 2 - когда первичная цепь является установкой категории монтажа III (категория перенапряжения III).

Примечание - См. также обоснование в D.11.1.

b) При необходимости допустимые значения зазора, взамен указанных в таблице D.13, могут быть рассчитаны в соответствии с разделом D.5.

D.3.2 Зазоры для усиленной изоляция

Зазоры для усиленной изоляции должны быть вдвое больше зазоров, определенных для основной или дополнительной изоляции.

D.4 Зазоры на входах переключающих устройств, связанных с сетью питания

Зазоры между цепями, непосредственно подсоединенными к сети питания, и другими цепями или доступными частями должны быть не менее указанных в таблицах D.1-D.12. Однако, если может произойти, например, увеличение значения рабочего напряжения до удвоенного значения и пиковое значение напряжения превысит соответствующее значение напряжения между фазой и землей по таблице D.14, значения зазоров должны быть рассчитаны в соответствии с разделом D.5.

Значения зазоров для цепей с защитой от перенапряжения (см. раздел D.5), которые расположены между полюсами сети питания, могут быть рассчитаны в соответствии с разделом D.5.

D.5 Определение зазоров, когда не применимы ни раздел D.2, ни таблица D.13

D.5.1 Общие положения

Раздел D.5 позволяет рассчитывать зазоры в том случае, когда максимальное напряжение Umax (амплитудное значение рабочего напряжения Uw плюс значение переходного напряжения Ui) удовлетворяет одному из следующих условий:

a) управляющие цепи оборудования снижают его более, чем на допустимые импульсные напряжения по таблице D.14. В цепях, не являющихся цепями питания, могут быть использованы зазоры менее указанных в разделе D.2. Меньшие значения допустимы только в тех частях цепей питания, которые снабжены защитой от перенапряжения;

b) оно превосходит допустимое импульсное напряжение по таблице D.14;

c) оно включает в себя рабочее напряжение по разделу D.4;

d) оно включает в себя рабочее напряжение, являющееся суммой напряжений более чем одной цепи, или напряжение сложной формы (содержащее множество гармоник и постоянную составляющую).

Примечание - Термин «защита от перенапряжения» означает, что в оборудовании использованы встроенные средства ограничения пикового значения переходного перенапряжения (см. также раздел D.10).

Значение переходного напряжения, вызванного такими явлениями, как разряд молнии или переключение нагрузки, суммируют с амплитудным значением рабочего напряжения, повышая тем самым уровень максимального напряжения.

D.5.2 Расчет зазоров для основной или дополнительной изоляции в неоднородной конструкции

При расчете требуемых зазоров используют таблицу D.15 (см. также D.11.2). В таблице D.15 указаны две группы значений зазоров. Группа зазоров D1 относится к зазорам, допустимым для «стандартного импульса» напряжения 1,2/50 мкс с максимальным значением Umax. Группа зазоров D2 относится к рабочему напряжению (постоянного тока, переменного тока или сложной формы), когда переходные напряжения отсутствуют. В этом случае значение Umax и амплитудное значение рабочего напряжения Uw совпадают.

Расчет проводят в последовательности:

a) определяют наибольшее амплитудное значение рабочего напряжения Uw для нормальных условий испытаний по 4.3;

b) определяют значение максимального напряжения Umax как пиковое значение, полученное в результате прибавления значения переходного напряжения Ui, к амплитудному значению рабочего напряжения Uw:

Umax = Uw + Ui;

c) определяют значения зазоров D1 и D2 по таблице D.15, оба для значений максимального напряжения;

d) проводят интерполяцию между значениями зазоров D1 и D2, зависящую от отношения амплитудного значения рабочего напряжения к значению максимального напряжения.

Рассчитывают отношение Uw/Umax.

Коэффициент интерполяции F определяют по графику рисунка D.1.

Рассчитывают зазор D по формуле

D = D1 + F (D2 - D1).

После расчета зазора определяют, при необходимости, поправку на высоту свыше 2000 м над уровнем моря (см. раздел D.9). Если полученное значение меньше минимального, его увеличивают до минимального (минимальное значение зазора равно 0,1 мм при степени загрязнения 1 и 0,2 мм - при степени загрязнения 2) (см. таблицу II МЭК 60664).

D.5.3 Зазоры для усиленной изоляции

Зазоры для усиленной изоляции должны быть вдвое больше зазоров, рассчитанных для основной или дополнительной изоляции.

D.6 Испытательные напряжения для проверки качества изоляции в тех случаях, когда зазоры определены в соответствии с разделом D.3 или D.5

Значения испытательного напряжения различной формы в зависимости от значений зазоров указаны в таблице D.16 (минимальное значение зазора равно 0,1 мм при степени загрязнения 1 и 0,2 мм - при степени загрязнения 2).

Рисунок D.1 - Коэффициент интерполяции F для расчета зазоров

D.7 Зазоры в однородной конструкции

D.7.1 Общие положения

В цепях, не являющихся цепями питания от сети, допустимо использование уменьшенных зазоров в однородных или близких к ним конструкциях, если они выдержали соответствующие испытания, установленные в D.7.2 или D.7.3 (см. также обоснование в D.11.4). Для цепей питания от сети меньшие зазоры допустимы только для тех частей цепей высокого напряжения, значение напряжения в которых превышает 1000 В.

В D.7.2 и D.7.3 приведены значения испытательного напряжения для высоты 2000 м. При проверке зазора в однородной конструкции на другой высоте напряжение следует корректировать в соответствии с таблицей D.17.

D.7.2 Испытания основной или дополнительной изоляции

Испытания проводят напряжением постоянного тока или переменного тока частотой 50 или 60 Гц.

При испытании зазоров, меньших, чем указаны в соответствующих таблицах разделов D.1-D.6, испытательное напряжение должно иметь максимальное значение, равное допустимому значению импульсного напряжения по таблице D.14.

При испытании зазоров, меньших, чем указаны в таблице D.13 или рассчитаны по D.5.1 или D.5.2, испытательное напряжение выбирают для зазоров, указанных в таблице D.13 или рассчитанных по D.5.2. Испытательное напряжение должно иметь максимальное значение, равное значению импульсного испытательного напряжения по таблице D.16.

Примечание - Минимальное значение зазора равно 0,1 мм при степени загрязнения 1 и 0,2 мм - при степени загрязнения 2.

D.7.3 Испытания усиленной изоляции

Испытания проводят напряжением постоянного тока или переменного тока частотой 50 или 60 Гц.

При испытании зазоров, меньших, чем указанные в соответствующих таблицах разделов D.7-D.12, испытательное напряжение должно иметь максимальное значение, равное значению допустимого импульсного напряжения по таблице D.14, умноженному на коэффициент 1,6.

При испытании зазоров, меньших, чем рассчитанные по D.3.2 или D.5.3, испытательное напряжение выбирают для рассчитанных зазоров. Испытательное напряжение должно иметь максимальное значение, равное значению импульсного испытательного напряжения по таблице D.16.

Примечание - Минимальное значение зазора равно 0,1 мм при степени загрязнения 1 и 0,2 мм - при степени загрязнения 2.

D.7.4 Поправка значений испытательного напряжения на высоту при испытании однородной конструкции

В таблице D.17 указаны поправочные множители для испытательного напряжения, которые используют, если высота места проведения испытаний отличается от 2000 м над уровнем моря. Эти множители используют только при оценке зазора в однородной конструкции. Значение испытательного напряжения, приведенное для высоты 2000 м, необходимо умножить на соответствующий поправочный множитель. Корректированное испытательное напряжение позволяет оказать то же воздействие на зазор в месте проведения испытаний, которое было бы при исходном испытательном напряжении на высоте 2000 м над уровнем моря.

D.8 Определение значений пути утечки, если не применим раздел D.2

D.8.1 Общие положения

В тех случаях, когда раздел D.2 не применим, а также в тех случаях, когда требуются альтернативы таблицам D.1-D.12, если зазоры определены в соответствии с разделами D.3-D.5 и D.7, значения пути утечки определяют в соответствии с D.8.2 или D.8.3.

D.8.2 Пути утечки в основной или дополнительной изоляции

Значения пути утечки в зависимости от значений рабочего напряжения выбирают из таблицы D.18.

Если путь утечки меньше вычисленного зазора, значение пути утечки должно быть равно вычисленному значению зазора.

D.8.3 Пути утечки в усиленной изоляции

Пути утечки в усиленной изоляции должны быть в два раза больше, чем в основной изоляции.

D.9 Зазоры и пути утечки в оборудовании, предназначенном для эксплуатации на высоте более 2000 м над уровнем моря

В приложении D приведены значения зазоров, путей утечки и испытательного напряжения, рассчитанные для высоты 2000 м над уровнем моря.

В таблице D.19, заимствованной из МЭК 60664, указаны поправочные множители на высоту свыше 2000 м над уровнем моря для определения зазоров. Пути утечки всегда должны быть, по крайней мере, не меньше зазоров.

D.10 Испытания цепей или компонентов, используемых для защиты от перенапряжения (см. раздел D.4 и D.5.1)

При использовании в оборудовании устройств для защиты от перенапряжения любые компоненты и цепи этих устройств должны выдерживать воздействие 10 положительных и 10 отрицательных «стандартных импульсов» напряжения 1,2/50 мкс по таблице D.14 с интервалами 1 мин. Максимальное выходное сопротивление генератора импульсов должно быть таким, какое задано для категории монтажа (категории перенапряжения) цепи, в которой использован данный компонент.

Генератор должен создавать импульсы напряжения с указанными выше характеристиками в разомкнутой цепи и импульсы тока короткого замыкания 8/20 мкс (длительность фронта 8 мкс, длительность импульса 20 мкс). Его выходное сопротивление определяют как частное отделения амплитудного значения напряжения холостого хода на амплитудное значение силы тока короткого замыкания; значения этого сопротивления в зависимости от категории монтажа (категории перенапряжения) указаны в таблице D.20.

Соответствие требованиям подтверждают проведением вышеуказанного испытания. После испытаний не должно быть признаков ни воздействия перегрузки, ни ухудшения характеристик компонента.

D.11 Обоснование требований приложения D

D.11.1 Пояснения к таблице D.13

Значения зазоров, приведенные в таблице D.13, рассчитаны по методу раздела D.5. В качестве максимального значения рабочего напряжения при расчете было использовано максимальное значение напряжения из таблицы D.13. За максимальное значение импульсного перенапряжения принята сумма амплитудного значения рабочего напряжения и максимального ожидаемого значения напряжения возможных импульсов, равного 2600 В для высоковольтной цепи типа 1 и 4600 В - для высоковольтной цепи типа 2.

Эти максимальные ожидаемые значения импульсного перенапряжения получены, в соответствии с МЭК 60664, во-первых, путем снижения допустимых напряжений для одной из категорий монтажа (категорий перенапряжения), учитывающего уменьшение амплитуды импульса при его трансформации из первичной во вторичные цепи. Это условие приводит к допустимым значениям напряжения до 4000 В, если напряжение поступает с первичной цепи категории монтажа II (категории перенапряжения II), или 6000 В для категории монтажа III. Во-вторых, округленное амплитудное значение напряжения между фазой и землей, равное 1400 В (среднеквадратическое значение 1000 В, см. таблицу D.14), получено путем вычитания из значений допустимого напряжения 4000 В или 6000 В максимальных возможных значений импульсного напряжения 2600 В или 4600 В.

D.11.2 Метод определения зазоров в соответствии с разделом D.5

Метод определения зазоров основан на расчете, при котором учитывают амплитудное значение рабочего напряжения Uw и значение максимального напряжения Umax, равное сумме амплитудного значения рабочего напряжения и значения импульсного перенапряжения, метод иллюстрирован рисунком D.2 (который соответствует рисунку А.1 в МЭК 60664). На нем показаны три возможных значения зазора в зависимости от заданного значения Umax:

- линия 1 показывает, что зазор 0,6 мм - это минимальный допустимый зазор в однородной конструкции, соответствующий амплитудным значениям 2500 В испытательного напряжения частотой 50/60 Гц и импульсного «стандартного» испытательного напряжения 1,2/50 мкс (точка k);

- линия 2 показывает, что зазор 1,5 мм - это минимальный допустимый зазор в неоднородной конструкции, соответствующий амплитудному значению 2500 В импульсного «стандартного» испытательного напряжения 1,2/50 мкс (только импульсное перенапряжение, точка l);

- линия 3 показывает, что зазор 2,15 мм - это минимальный допустимый зазор в неоднородной конструкции, соответствующий амплитудному значению 2500 В испытательного напряжения частотой 50/60 Гц (рабочее напряжение без импульсного перенапряжения, точка m).

1 - однородная конструкция, испытательное напряжение частотой 50/60 Гц и импульсное «стандартное» испытательное напряжение 1,2/50 мкс; 2 - неоднородная конструкция, импульсное «стандартное» испытательное напряжение 1,2/50 мкс (только импульсное перенапряжение); 3 - неоднородная конструкция, испытательное напряжение частотой 50/60 Гц (рабочее напряжение без импульсного перенапряжения)

Рисунок D.2 - Допустимые напряжения в зависимости от зазора для высот до 2000 м над уровнем моря

На практике значение зазора в неоднородной конструкции, которая обычно имеет место, находится между линиями 2 и 3 в зависимости от отношения Uw/Umax Метод определения зазора при наличии защиты от перенапряжения по данным таблицы D.15 дает два значения зазора, а метод интерполяции основан на вычислении отношения Uw/Umax (см. рисунок D.1).

При определении зазора в случае, когда Umax является рабочим напряжением без импульсного перенапряжения (графа D2 таблицы D.15), его предельное значение установлено с учетом требования, чтобы испытательное напряжение и напряжение пробоя всегда были больше рабочего напряжения. Значения зазора в графе D2 таблицы D.15 получены с использованием линии 3 рисунка D.2 при увеличении значения напряжения в 1,25 раза. Например, значение зазора из таблицы D.15 при напряжении 2500 В, равное 3,0 мм, является значением зазора на линии 3 (точка n) при напряжении 1,25·2500 В = 3125 В.

Пример расчета зазора (см. D.5.2):

a) определяют максимальное амплитудное значение рабочего напряжения при нормальных условиях испытаний по 4.3:

Uw = 5000 В;

b) определяют максимальное значение напряжения:

Umax = 7500 В;

c) определяют значения зазоров D1 и D2 из таблицы D.15, оба для максимального значения напряжения:

D1 = 7,55 мм; D2 = 14,07 мм;

d) проводят интерполяцию, для чего:

рассчитывают отношение

Uw/Umax = 0,666;

по рисунку D.1 определяют коэффициент интерполяции F:

F = 0,58;

e) рассчитывают зазор D:

D= D1 + F(D2-D1) = 7,55 + 0,58·6,52 = 11,3 мм.

D.11.3 Зазоры в однородной конструкции (см. раздел D.7)

Метод позволяет также находить значения зазоров для однородной конструкции. В то время как все таблицы для зазоров в настоящем стандарте применимы для неоднородных конструкций и не требуются проверки испытательным напряжением, применимость зазоров для однородных конструкций требует проверки испытаниями на соответствие допустимому напряжению, а если высота места, где проводят испытания, отличается от 2000 м над уровнем моря, также и соответствующей корректировки значения испытательного напряжения путем введения поправок.

Дополнительную информацию по данному вопросу см. в МЭК 60664.

D.11.4 Поправки на высоту места проведения испытаний (см. D.7.4)

В таблице D.17 указаны поправочные коэффициенты для определения испытательного напряжения на высоте места проведения испытаний, отличающейся от 2000 м над уровнем моря. Эти коэффициенты рассчитаны из уравнений, которые определяют допустимые напряжения в условиях практически однородного электрического поля, соответствующие линии 1 на рисунке D.2. Уравнения приведены для следующих четырех отрезков:

U1 = 1500         D0,3305         0,01 мм < D < 0,0625 мм; 327 В < U < 600 В;

U2 = 3500         D0,6361         0,0625 мм < D < 1 мм; 600 В < U < 3500 В;

U3 = 3500         D0,8539         1 мм < D < 10 мм; 3500 В < U < 25 кВ;

U4 = 2976         D0,9243         10 мм < D; 25 кВ < U < 210 кВ.

Корректировку испытательного напряжения на высоту места, где проводят испытания, осуществляют путем введения поправочного коэффициента, который является отношением допустимого напряжения при атмосферном давлении в месте, где проводят испытания, к допустимому напряжению при атмосферном давлении на высоте 2000 м над уровнем моря. Например, поправочный коэффициент на уровне моря для диапазона напряжений от 600 до 3500 В рассчитан с использованием уравнения для U2 следующим образом:

в МЭК 60664 (приложение А) указаны:

- атмосферное давление на уровне моря - 101,3 кПа;

- атмосферное давление на высоте 2000 м - 80 кПа.

Коэффициент К = U на уровне моря / U на высоте 2000 м = (101,3/80)0,6361 = 1,16.

Таблица D.1 - Основная или дополнительная изоляция. Степень загрязнения 1. Категория монтажа (категория перенапряжения) I

Рабочее напряжение (постоянного тока или среднеквадратическое значение), В

Зазор, мм

Путь утечки, мм

Испытательное напряжение, В

Оборудование, СTI > 100

Печатные платы, СTI > 100

Импульсное 1,2/50 мкс

Среднеквадратическое 50/60 Гц, 1 мин

Постоянного тока или амплитудное 50/60 Гц, 1 мин

                       До 50 включ.

0,1

0,18

0,10

330

230

330

       Св. 50      до  100

0,1

0,25

0,10

500

350

500

       "     100    "     150

0,1

0,30

0,22

800

490

700

       "     150    "     300

0,5

0,70

0,70

1500

820

1150

       "     300    "     600

1,5

1,70

1,70

2500

1350

1900

       "     600    "     1000

3,0

3,20

3,20

4000

2200

3100

Таблица D.2 - Основная или дополнительная изоляция. Степень загрязнения 2. Категория монтажа (категория перенапряжения) I

Рабочее напряжение (постоянного тока или среднеквадратическое значение), В

Зазор, мм

Путь утечки, мм

Испытательное напряжение, В

Оборудование

Печатные платы

Импульсное 1,2/50 мкс

Среднеквадратическое 50/60 Гц, 1 мин

Постоянного тока или амплитудное 50/60 Гц, 1 мин

Группа материалов

Без покрытия СТI > 175

С покрытием CTI > 100

I СТI > 600

II CTI > 400

III СТI > 100

                       До 50 включ.

0,2

0,6

0,85

1,2

0,20

0,10

330

230

330

       Св. 50      до  100

0,2

0,7

1,00

1,4

0,20

0,10

500

350

500

       "     100    "     150

0,2

0,8

1,10

1,6

0,35

0,22

800

490

700

       "     150    "     300

0,5

1,5

2,10

3,0

1,40

0,70

1500

820

1150

       "     300    "     600

1,5

3,0

4,30

6,0

3,00

1,70

2500

1350

1900

       "     600    "     1000

3,0

5,0

7,00

10,0

5,00

3,20

4000

2200

3100

Таблица D.3 - Основная или дополнительная изоляция. Степень загрязнения 1. Категория монтажа (категория перенапряжения) II

Рабочее напряжение (постоянного тока или среднеквадратическое значение), В

Зазор, мм

Путь утечки, мм

Испытательное напряжение, В

Оборудование, CTI > 100

Печатные платы, CTI > 100

Импульсное 1,2/50 мкс

Среднеквадратическое 50/60 Гц, 1 мин

Постоянного тока или амплитудное 50/60 Гц, 1 мин

                       До 50 включ.

0,1

0,18

0,1

500

350

500

       Св. 50      до  100

0,1

0,25

0,1

800

490

700

       "     100    "     150

0,5

0,50

0,5

1500

820

1150

       "     150    "     300

1,5

1,50

1,5

2500

1350

1900

       "     300    "     600

3,0

3,00

3,0

4000

2200

3100

       "     600    "     1000

5,5

5,50

5,5

6000

3200

4600

Таблица D.4 - Основная или дополнительная изоляция. Степень загрязнения 2. Категория монтажа (категория перенапряжения) II

Рабочее напряжение (постоянного тока или среднеквадратическое значение), В

Зазор, мм

Путь утечки, мм

Испытательное напряжение, В

Оборудование

Печатные платы

Импульсное 1,2/50 мкс

Среднеквадратическое 50/60 Гц, 1 мин

Постоянного тока или амплитудное 50/60 Гц, 1 мин

Группа материалов

Без покрытия СТI > 175

С покрытием CTI > 100

I СТI > 600

II CTI > 400

III СТI > 100

                       До 50 включ.

0,2

0,6

0,85

1,2

0,2

0,1

500

350

500

       Св. 50      до  100

0,2

0,7

1,00

1,4

0,2

0,1

800

490

700

       "     100    "     150

0,5

0,8

1,10

1,6

0,5

0,5

1500

820

1150

       "     150    "     300

1,5

1,5

2,10

3,0

1,5

1,5

2500

1350

1900

       "     300    "     600

3,0

3,0

4,30

6,0

3,0

3,0

4000

2200

3100

       "     600    "     1000

5,5

5,5

7,00

10,0

5,5

5,5

6000

3250

4600

Таблица D.5 - Основная или дополнительная изоляция. Степень загрязнения 1. Категория монтажа (категория перенапряжения) III

Рабочее напряжение (постоянного тока или среднеквадратическое значение), В

Зазор, мм

Путь утечки, мм

Испытательное напряжение, В

Оборудование, CTI > 100

Печатные платы, CTI > 100

Импульсное 1,2/50 мкс

Среднеквадратическое 50/60 Гц, 1 мин

Постоянного тока или амплитудное 50/60 Гц, 1 мин

                       До 50 включ.

0,1

0,18

0,1

800

490

700

       Св. 50      до  100

0,5

0,50

0,5

1500

820

1150

       "     100    "     150

1,5

1,50

1,5

2500

1350

1900

       "     150    "     300

3,0

3,00

3,0

4000

2200

3100

       "     300    "     600

5,5

5,50

5,5

6000

3250

4600

       "     600    "     1000

8,0

8,00

8,0

8000

4350

6150

Таблица D.6 - Основная или дополнительная изоляция. Степень загрязнения 2. Категория монтажа (категория перенапряжения) III

Рабочее напряжение (постоянного тока или среднеквадратическое значение), В

Зазор, мм

Путь утечки, мм

Испытательное напряжение, В

Оборудование

Печатные платы

Импульсное 1,2/50 мкс

Среднеквадратическое 50/60 Гц, 1 мин

Постоянного тока или амплитудное 50/60 Гц, 1 мин

Группа материалов

Без покрытия СТI > 175

С покрытием CTI > 100

I СТI > 600

II CTI > 400

III СТI > 100

                       До 50 включ.

0,2

0,6

0,85

1,2

0,2

0,1

800

490

700

       Св. 50      до  100

0,5

0,7

1,00

1,4

0,5

0,5

1500

820

1150

       "     100    "     150

1,5

1,5

1,50

1,6

1,5

1,5

2500

1350

1900

       "     150    "     300

3,0

3,0

3,00

3,0

3,0

3,0

4000

2200

3100

       "     300    "     600

5,5

5,5

5,50

6,0

5,5

5,5

6000

3250

4600

       "     600    "     1000

8,0

8,0

8,00

10,0

8,0

8,0

8000

4350

6150

Таблица D.7 - Двойная или усиленная изоляция. Степень загрязнения 1. Категория монтажа (категория перенапряжения) I

Рабочее напряжение (постоянного тока или среднеквадратическое значение), В

Зазор, мм

Путь утечки, мм

Испытательное напряжение, В

Оборудование, CTI > 100

Печатные платы, CTI > 100

Импульсное 1,2/50 мкс

Среднеквадратическое 50/60 Гц, 1 мин

Постоянного тока или амплитудное 50/60 Гц, 1 мин

                       До 50 включ.

0,10

0,35

0,10

560

400

560

       Св. 50      до  100

0,12

0,50

0,20

850

510

720

       "     100    "     150

0,40

0,60

0,45

1360

740

1050

       "     150    "     300

1,60

1,60

1,60

2550

1400

1950

       "     300    "     600

3,30

3,40

3,40

4250

2300

3250

       "     600    "     1000

6,50

6,50

6,50

6800

3700

5250

Таблица D.8 - Двойная или усиленная изоляция. Степень загрязнения 2. Категория монтажа (категория перенапряжения) I

Рабочее напряжение (постоянного тока или среднеквадратическое значение), В

Зазор, мм

Путь утечки, мм

Испытательное напряжение, В

Оборудование

Печатные платы

Импульсное 1,2/50 мкс

Среднеквадратическое 50/60 Гц, 1 мин

Постоянного тока или амплитудное 50/60 Гц, 1 мин

Группа материалов

Без покрытия СТI > 175

С покрытием СTI > 100

I CTI > 600

II СТI > 400

III CTI > 100

                       До 50 включ.

0,2

1,2

1,7

2,4

0,4

0,10

560

400

560

       Св. 50      до  100

0,2

1,4

2,0

2,8

0,4

0,20

850

510

720

       "     100    "     150

0,4

1,6

2,2

3,2

0,7

0,45

1360

740

1050

       "     150    "     300

1,6

3,0

4,2

6,0

2,8

1,60

2550

1400

1950

       "     300    "     600

3,3

6,0

8,5

12,0

6,0

3,40

4250

2300

3250

       "     600    "     1000

6,5

10,0

14,0

20,0

10,0

6,50

6800

3700

5250

Таблица D.9 - Двойная или усиленная изоляция. Степень загрязнения 1. Категория монтажа (категория перенапряжения) II

Рабочее напряжение (постоянного тока или среднеквадратическое значение), В

Зазор, мм

Путь утечки, мм

Испытательное напряжение, В

Оборудование, CTI > 100

Печатные платы, CTI > 100

Импульсное 1,2/50 мкс

Среднеквадратическое 50/60 Гц, 1 мин

Постоянного тока или амплитудное 50/60 Гц, 1 мин

                       До 50 включ.

0,12

0,35

0,12

850

510

720

       Св. 50      до  100

0,40

0,50

0,40

1360

740

1050

       "     100    "     150

1,60

1,60

1,60

2550

1400

1950

       "     150    "     300

3,30

3,30

3,30

4250

2300

3250

       "     300    "     600

6,50

6,50

6,50

6800

3700

5250

       "     600    "     1000

11,50

11,50

11,50

10200

5550

7850

Таблица D.10 - Двойная или усиленная изоляция. Степень загрязнения 2. Категория монтажа (категория перенапряжения) II

Рабочее напряжение (постоянного тока или среднеквадратическое значение), В

Зазор, мм

Путь утечки, мм

Испытательное напряжение, В

Оборудование

Печатные платы

Импульсное 1,2/50 мкс

Среднеквадратическое 50/60 Гц, 1 мин

Постоянного тока или амплитудное 50/60 Гц, 1 мин

Группа материалов

Без покрытия CTI > 175

С покрытием CTI > 100

I CTI > 600

II СTI > 400

III CTI > 100

                       До 50 включ.

0,2

1,2

1,7

2,4

0,4

0,12

850

510

720

       Св. 50      до  100

0,4

1,4

2,0

2,8

0,4

0,40

1360

740

1050

       "     100    "     150

1,6

1,6

2,2

3,2

1,6

1,60

2550

1400

1950

       "     150    "     300

3,3

3,3

4,2

6,0

3,3

3,30

4250

2300

3250

       "     300    "     600

6,5

6,5

8,5

12,0

6,5

6,50

6800

3700

5250

       "     600    "     1000

11,5

11,5

14,0

20,0

11,5

11,50

10200

5550

7850

Таблица D.11 - Двойная или усиленная изоляция. Степень загрязнения 1. Категория монтажа (категория перенапряжения) III

Рабочее напряжение (постоянного тока или среднеквадратическое значение), В

Зазор, мм

Путь утечки, мм

Испытательное напряжение, В

Оборудование, СTI > 100

Печатные платы, СTI > 100

Импульсное 1,2/50 мкс

Среднеквадратическое 50/60 Гц, 1 мин

Постоянного тока или амплитудное 50/60 Гц, 1 мин

                       До 50 включ.

0,4

0,4

0,4

1360

740

1050

       Св. 50      до  100

1,6

1,6

1,6

2550

1400

1950

       "     100    "     150

3,3

3,3

3,3

4250

2300

3250

       "     150    "     300

6,5

6,5

6,5

6800

3700

5250

       "     300    "     600

11,5

11,5

11,5

10200

5550

7850

       "     600    "     1000

16,0

16,0

16,0

13600

7400

10450

Таблица D.12 - Двойная или усиленная изоляция. Степень загрязнения 2. Категория монтажа (категория перенапряжения) III

Рабочее напряжение (постоянного тока или среднеквадратическое значение), В

Зазор, мм

Путь утечки, мм

Испытательное напряжение, В

Оборудование

Печатные платы

Импульсное 1,2/50 мкс

Среднеквадратическое 50/60 Гц, 1 мин

Постоянного тока или амплитудное 50/60 Гц, 1 мин

Группа материалов

Без покрытия CTI > 175

С покрытием CTI > 100

I CTI > 600

II СTI > 400

III CTI > 100

                       До 50 включ.

0,4

1,2

1,7

2,4

0,4

0,4

1360

740

1050

       Св. 50      до  100

1,6

1,6

2,0

2,8

1,6

1,6

2550

1400

1950

       "     100    "     150

3,3

3,3

3,3

3,3

3,3

3,3

4250

2300

3250

       "     150    "     300

6,5

6,5

6,5

6,5

6,5

6,5

6800

3700

5250

       "     300    "     600

11,5

11,5

11,5

12,0

11,5

11,5

10200

5550

7850

       "     600    "     1000

16,0

16,0

16,0

20,0

16,0

16,0

13600

7400

10450

Таблица D.13 - Зазоры для основной или дополнительной изоляции цепей с рабочим напряжением свыше 1000 В постоянного или переменного тока

Рабочее напряжение Uw, В

Зазор, мм, для цепей типа

Среднеквадратическое значение переменного напряжения синусоидальной формы

Постоянное напряжение или пиковое значение переменного напряжения сложной формы

1

2

1060

1000-1500

3,71

5,82

1250

1770

4,25

6,42

1600

2260

5,31

7,55

2000

2830

6,60

8,86

2500

3540

8,17

10,5

3200

4530

10,4

12,9

4000

5660

13,0

15,4

5000

7070

16,2

18,6

6300

8910

20,4

22,9

8000

11300

26,1

28,7

10000

14100

33,0

35,7

12500

17700

42,0

44,7

16000

22600

55,0

57,9

20000

28300

70,5

73,5

25000

35400

90,6

93,6

32000

45200

120

123

40000

56600

154

158

50000

70700

199

203

63000

89100

260

264

Примечание - Допускается линейная интерполяция.

Таблица D.14 - Допустимые значения импульсного напряжения (извлечение из таблицы J.1 приложения J)

Напряжение фаза - земля (среднеквадратическое значение), В

Допустимые импульсные напряжения, В, для категорий монтажа (категорий перенапряжения)

I

II

III

50

330

500

800

100

500

800

1500

150

800

1500

2500

300

1500

2500

4000

600

2500

4000

6000

1000

4000

6000

8000

Таблица D.15 - Значения зазора для основной или дополнительной изоляции в зависимости от значений максимального напряжения

Максимальное напряжение Umax, В

Зазор1), мм

Максимальное напряжение, в основном импульсное D1

Максимальное напряжение - рабочее напряжение без импульсов D2

От 14,1 до 266

0,010

0,010

283

0,010

0,013

330

0,010

0,020

354

0,013

0,025

453

0,027

0,052

500

0,036

0,071

566

0,052

0,10

707

0,081

0,20

800

0,099

0,29

891

0,12

0,41

1130

0,19

0,83

1410

0,38

1,27

1500

0,45

1,40

1770

0,75

1,79

2260

1,25

2,58

2500

1,45

3,00

2830

1,74

3,61

3540

2,44

5,04

4000

2,93

6,05

4530

3,53

7,29

5660

4,92

10,1

6000

5,37

10,8

7070

6,86

13,1

8000

8,25

15,2

8910

9,69

17,2

11300

12,9

22,8

14100

16,7

29,5

17700

21,8

38,5

22600

29,0

51,2

28300

37,8

66,7

35400

49,1

86,7

45300

65,5

116

56600

85,0

150

70700

110

195

89100

145

255

1) Значения зазора округлены до двух значащих цифр для значений, меньших 1 мм, и трех значащих цифр - для значений, больших или равных 1 мм.

Примечание - Допустима линейная интерполяция.

Таблица D.16 - Значения испытательного напряжения в зависимости от значений зазоров

Зазор, мм

Испытательное напряжение, В

Зазор, мм

Испытательное напряжение, В

Среднеквадратическое значение переменного напряжения частотой 50/60 Гц

Постоянное напряжение или амплитудное значение переменного напряжения

Амплитудное значение импульса 1,2/50 мкс

Среднеквадратическое значение переменного напряжения частотой 50/60 Гц

Постоянное напряжение или амплитудное значение переменного напряжения

Амплитудное значение импульса 1,2/50 мкс

0,010

231

327

327

5,6

3360

4750

6180

0,015

265

374

374

6,8

3830

5410

7030

0,022

300

425

425

8,3

4370

6180

8040

0,032

340

481

481

10

4950

7000

9100

0,046

383

542

542

12

5790

8180

10600

0,0625

424

600

600

15

7000

9900

12900

0,068

436

617

633

18

8180

11600

15000

0,10

495

700

806

22

9710

13700

17800

0,15

566

801

1040

26

11200

15800

20600

0,22

643

909

1180

32

13400

18900

24600

0,32

727

1030

1340

38

15500

21900

28500

0,46

820

1160

1510

46

18200

25800

33500

0,68

933

1320

1720

56

21600

30500

39600

1,0

1060

1500

1950

68

25400

36000

46800

1,2

1200

1700

2200

83

30200

42700

55500

1,5

1390

1970

2560

100

35400

50000

65000

1,8

1570

2220

2890

120

41300

58500

76000

2,2

1800

2540

3310

150

50000

70700

92000

2,6

2010

2840

3700

180

58400

82600

107000

3,2

2310

3270

4250

220

69400

98100

128000

3,8

2590

3670

4770

260

80000

113000

147000

4,6

2950

4170

5410

264

81100

115000

149000

Примечания

1 Допустима линейная интерполяция.

2 Обоснование приведено в D.11.3.

Таблица D.17 - Поправочные множители для испытательного напряжения Uисп в зависимости от высоты места проведения испытания

Высота места проведения испытания над уровнем моря, м

Поправочный множитель для диапазонов испытательного напряжения

327 В ≤ Uисп < 600 В (амплитудное значение)
231 В ≤
Uисп < 424 В (среднеквадратическое значение)

600 В Uисп < 3500 В (амплитудное значение)
424 В
Uисп < 2475 В (среднеквадратическое значение)

3500 В Uисп < 25 кВ (амплитудное значение)
2475 В
Uисп < 17,7 кВ (среднеквадратическое значение)

25 кВ Uисп (амплитудное значение)
17,7 кВ
Uисп (среднеквадратическое значение)

0

1,08

1,16

1,22

1,24

500

1,06

1,12

1,16

1,17

1000

1,04

1,08

1,11

1,12

2000

1,00

1,00

1,00

1,00

3000

0,96

0,92

0,89

0,88

4000

0,92

0,85

0,80

0,79

5000

0,88

0,78

0,71

0,70

Таблица D.18 - Пути утечки

Рабочее напряжение (среднеквадратическое значение переменного напряжения, напряжение постоянного тока), В, не более

Путь утечки, мм

Степень загрязнения

1

2

1

2

Печатные платы

Другие материалы

Группа материала

I СТI ≥ 600

II CTI 400

IIIa/IIIb СТI ≥ 100

10

0,025

0,040

0,080

0,40

0,40

0,40

12,5

0,025

0,040

0,090

0,42

0,42

0,42

16

0,025

0,040

0,10

0,45

0,45

0,45

20

0,025

0,040

0,11

0,48

0,48

0,48

25

0,025

0,040

0,125

0,50

0,50

0,50

32

0,025

0,040

0,14

0,53

0,53

0,53

40

0,025

0,040

0,16

0,56

0,80

1,1

50

0,025

0,040

0,18

0,60

0,85

1,2

63

0,040

0,063

0,20

0,63

0,90

1,25

80

0,063

0,10

0,22

0,67

0,95

1,3

100

0,10

0,16

0,25

0,71

1,0

1,4

125

0,16

0,25

0,28

0,75

1,05

1,5

160

0,25

0,40

0,32

0,80

1,1

1,6

200

0,40

0,63

0,42

1,0

1,4

2,0

250

0,56

1,0

0,56

1,25

1,8

2,5

320

0,75

1,6

0,75

1,6

2,2

3,2

400

1,0

2,0

1,0

2,0

2,8

4,0

500

1,3

2,5

1,3

2,5

3,6

5,0

630

1,8

3,2

1,8

3,2

4,5

6,3

800

2,4

4,0

2,4

4,0

5,6

8,0

1000

3,2

5,0

3,2

5,0

7,1

10,0

1250

-

-

4,2

6,3

9,0

12,5

1600

-

-

5,6

8,0

11

16

2000

-

-

7,5

10,0

14

20

2500

-

-

10,0

12,5

18

25

3200

-

-

12,5

16

22

32

4000

-

-

16

20

28

40

5000

-

-

20

25

36

50

6300

-

-

25

32

45

63

8000

-

-

32

40

56

80

10000

-

-

40

50

71

100

12500

-

-

50

63

90

125

16000

-

-

63

80

110

160

20000

-

-

80

100

140

200

25000

-

-

100

125

180

250

32000

-

-

125

160

220

320

40000

-

-

160

200

280

400

50000

-

-

200

250

360

500

63000

-

-

250

320

450

630

Таблица D.19 - Поправочные множители для определения зазоров при высоте над уровнем моря до 5000 м

Высота над уровнем моря, м

Поправочный множитель

2000

1,00

3000

1,14

4000

1,29

5000

1,48

Таблица D.20 - Выходное сопротивление импульсного генератора

Категория монтажа (категория перенапряжения)

Выходное сопротивление, Ом

III

2

II

121)

I

301)

1) Для увеличения выходного сопротивления до требуемого последовательно с генератором при необходимости включают дополнительный резистор

ПРИЛОЖЕНИЕ E

(обязательное)

Части оборудования, изоляция между которыми должна отвечать требованиям настоящего стандарта

В схемах на рисунках, указанных в разделах Е.1, Е.2 и Е.3, использованы следующие символы:

В - необходимо испытание основной изоляции;

D - необходимо испытание двойной или усиленной изоляции.

Показанные вторичные цепи можно также рассматривать как отдельные части.

В схемах настоящего приложения под опасным напряжением подразумевают опасное напряжение для нормальных условий применения.

Е.1 Проверка защиты между опасными цепями и цепями, в которых при нормальном применении не превышены значения электрических величин, указанные в 6.3.2, и которые имеют внешние зажимы или доступные части, - см. рисунки Е.1.1-Е.1.8.

Е.2 Проверка защиты между внутренними опасными цепями и цепями, в которых при нормальном применении не превышены значения электрических величин, указанные в 6.3.2, и которые имеют внешние зажимы или доступные части, - см. рисунки Е.2.1-Е.2.4.

Примечание - Для цепей, показанных на рисунках Е.2.3 и Е.2.4, возможны другие способы защиты, например использование защитного экрана, защитного соединения цепей (см. 6.6.1) или защитного импеданса.

Е.3 Проверка защиты между двумя или более опасными цепями, имеющими внешние зажимы или доступные части, - см. рисунок Е.3.1.

Изоляция между каждой цепью и наружными поверхностями доступных частей должна соответствовать требованиям разделов Е.1 и Е.2 для опасных цепей.

Для проверки части X (рисунок Е.3.1) выбирают наиболее тяжелое из следующих испытаний:

В (необходимо испытание основной изоляции): опасная цепь 1 и опасная цепь 2 замкнуты, между ними прикладывают испытательное напряжение, соответствующее наибольшему рабочему напряжению (см. приложение D);

D (необходимо испытание двойной или усиленной изоляции): опасная цепь 1 замкнута, испытательное напряжение, соответствующее наибольшему рабочему напряжению цепи 1, поочередно прикладывают между опасной цепью 1 и каждым из зажимов опасной цепи 2;

D (необходимо испытание двойной или усиленной изоляции): опасная цепь 2 замкнута, испытательное напряжение, соответствующее наибольшему рабочему напряжению цепи 2, поочередно прикладывают между опасной цепью 2 и каждым из зажимов опасной цепи 1.

1 - опасная цепь; 2 - доступная часть, не связанная с зажимом защитного заземления

Рисунок Е.1.1

1 - опасная цепь; 2 - доступная часть, не связанная с зажимом защитного заземления

Рисунок Е.1.2

1 - опасная цепь; 2 - доступная часть, не связанная с зажимом защитного заземления; 3 - защитный экран

Рисунок Е.1.3

1 - опасная цепь; 2 - доступная часть, не связанная с зажимом защитного заземления; 3 - высокое сопротивление, которое в комбинации с основной изоляцией образует защитный импеданс (см. 6.5.3)

Рисунок Е.1.4

1 - опасная цепь; 2 - высокое сопротивление, которое в комбинации с основной изоляцией образует защитный импеданс (см. 6.5.3); 3 - безопасная цепь

Рисунок Е.1.5

1 - опасная цепь; 2 - безопасная цепь

Рисунок Е.1.6

1 - опасная цепь; 2 - безопасная цепь; 3 - защитный экран

Рисунок Е.1.7

1 - опасная цепь; 2 - безопасная цепь; Z - импеданс вторичной цепи

1) Возможно испытание только основной изоляции, если импеданс Z достаточно мал (см. 6.6.1).

Рисунок Е.1.8

1 - доступная часть, не связанная с другими доступными частями

Рисунок Е.2.1

1 - доступная часть, не связанная с другими доступными частями

Рисунок Е.2.2

1 - безопасная цепь

Рисунок Е.2.3

1 - безопасная цепь

Рисунок Е.2.4

1 - опасная цепь 1; 2 - доступная часть, не связанная с зажимом защитного заземления; 3 - опасная цепь 2

Рисунок Е.3.1

ПРИЛОЖЕНИЕ F

(обязательное)

Защита от распространения огня

F.1 Общие положения

В настоящем приложении рассмотрены альтернативные способы удовлетворения требований 9.1 по защите от распространения огня, применением которых пожароопасность оборудования снижают до требуемого настоящим стандартом уровня:

- устранение или сокращение количества возможных очагов возгорания в оборудовании;

- уменьшение количества легковоспламеняющихся веществ;

- ограничение огня, если он все же возник, пределами оборудования.

Обоснование применения защитных средств:

В оборудовании или его частях при нормальном применении или каких-либо отклонениях от нормы вследствие чрезмерного нагрева может возникнуть опасность возникновения огня внутри оборудования или около него.

Опасность возникновения огня существует при сочетании трех основных условий:

- цепи оборудования имеют достаточную мощность или обладают достаточной энергией, чтобы стать источником возгорания;

- в атмосфере присутствует достаточное количество кислорода (окружающий воздух содержит около 21 % кислорода);

- внутри оборудования или около него имеются горючие вещества.

Использование методов и приемов, описанных в настоящем приложении, позволяет:

- обеспечить соответствие требованиям защиты от пожара без проведения испытаний;

- уменьшить количество испытаний в условиях одной неисправности по 4.4;

- разрабатывать такие конструкции, при которых проверку защиты от пожара можно осуществлять осмотром;

- обеспечить хорошую сопоставимость результатов измерений и испытаний, проводимых различными аккредитованными испытательными лабораториями.

F.2 Классификация цепей

F.2.1 Ограниченная цепь

Ограниченная цепь - это цепь с питанием от таких источников, как аккумуляторы (сухие элементы) или вторичная обмотка трансформатора, в которых значение напряжения холостого хода не превышает 30 В среднеквадратического значения переменного тока или 42,4 В постоянного тока, а энергия, подводимая к цепи, ограничена выполнением хотя бы одного из следующих условий:

- сила тока при любой нагрузке, включая ток короткого замыкания, не должна превышать 8 А при измерении через 1 мин после начала работы;

- источник питания рассчитан или установлен на ограничение выходной мощности уровнем 150 В·А при любой нагрузке, включая короткое замыкание;

- устройство защиты от перегрузки или какой-либо компонент цепи прерывают ее питание до того, как выходная мощность источника питания достигнет 150 В·А при любой нагрузке, включая короткое замыкание.

Для ограниченных цепей отсутствуют требования по защите от распространения огня.

F.2.2 Неограниченная цепь

Неограниченная цепь - это любая цепь, кроме ограниченной (см. F.2.1).

Примеры неограниченных цепей:

- цепи, непосредственно подключенные к сети питания;

- некоторые измерительные цепи;

- некоторые цепи, питаемые через трансформатор или от аккумуляторов.

F.3 Опасность пожара, источники возгорания

Все цепи оборудования, которые могут быть классифицированы как неограниченные цепи (см. F.2.2), следует считать источниками возгорания.

Все электрические компоненты неограниченных цепей следует считать возможными источниками возгорания.

F.4 Требования, предъявляемые к неограниченным цепям

F.4.1 Общие положения

Возможность возникновения пожара в неограниченных цепях считают сниженной до безопасного уровня при соблюдении, как минимум, одного из следующих условий:

- питание оборудования осуществляется через выключатель, которым управляет оператор, а неограниченные цепи и кожух оборудования удовлетворяют конструктивным требованиям F.4.2.1-F.4.2.3;

- неограниченные цепи и кожух оборудования удовлетворяют конструктивным требованиям F.4.2 и в оборудовании используются электродвигатели, трансформаторы и т.п., только снабженные устройствами защиты от перегрузки по току или температуры, которые удовлетворяют требованиям соответствующих государственных стандартов, стандартов МЭК или требованиям 14.2 (электродвигатели), 14.7 (трансформаторы) настоящего стандарта.

Соответствие требованиям проверяют осмотром. Если указанные требования не выполнены, должны быть проведены испытания по 4.4.4.3, а также другие соответствующие испытания в условиях одной неисправности по 4.4.

F.4.2 Требования к конструкции

F.4.2.1 Соединители, провода и другие токоведущие части неограниченных цепей должны удовлетворять требованиям соответствующих международных или государственных стандартов.

Соответствие требованию проверяют осмотром.

F.4.2.2 Печатные платы, содержащие неограниченные цепи, должны иметь классификацию воспламеняемости FV 0, FV 1 или FV 2 в соответствии с ГОСТ Р 50695.

Соответствие требованию проверяют осмотром.

F.4.2.3 Кожух оборудования, содержащего неограниченные цепи, или часть кожуха, окружающая эти цепи, должны удовлетворять требованиям 6.2 и F.4.3.

Соответствие требованию проверяют осмотром.

F.4.2.4 Изоляция проводов, используемых в неограниченных цепях, должна иметь характеристики воспламеняемости согласно соответствующим международным или государственным стандартам.

Соответствие требованию проверяют осмотром.

F.4.3 Кожухи

Кроме требований жесткости (см. 6.4), предъявляемых к противопожарным ограждениям и кожухам с точки зрения защиты от поражения электрическим током, противопожарные ограждения и кожухи должны удовлетворять требованиям F.4.3.1-F.4.3.3.

F.4.3.1 Сильноточные устройства, такие как держатели плавких предохранителей и автоматы защиты, конструкция которых предусматривает их использование только с дополнительным кожухом, должны быть закрыты дверкой или крышкой, которые установлены постоянно и удовлетворяют следующим требованиям:

- должны быть предусмотрены средства, фиксирующие дверки в закрытом положении;

- дверка или крышка должна быть подогнана таким образом, чтобы зазор между дверкой или крышкой и кожухом не превышал 1,5 мм.

Соответствие требованиям проверяют осмотром.

F.4.3.2 Днище кожуха, содержащего неограниченные цепи, или часть кожуха, окружающая эти цепи, не должны иметь отверстий или они должны быть сконструированы в соответствии с указаниями:

- таблицы F.1 и рисунка F.1;

- рисунка F.2 для компонента неограниченных схем.

Соответствие требованию проверяют осмотром.

Таблица F.1 - Рекомендуемые размеры отверстий в металлических пластинах

В миллиметрах

Толщина листа, не менее

Диаметр отверстий, не более

Расстояние между центрами отверстий, не менее

0,76

1,1

1,7 (35 отверстий/100 мм2)

0,76

1,2

2,4

0,89

1,9

3,2 (10 отверстий /100 мм2)

0,99

1,6

2,7

 

F.4.3.3 Кожух, отражатель или противопожарное ограждение должны быть изготовлены из металлов (за исключением магния) или неметаллических материалов, имеющих классификацию воспламеняемости FV 0, FV 1 или FV 2 в соответствии с ГОСТ Р 50695.

Соответствие требованиям проверяют контролем документированных параметров материалов, которые использованы в кожухе, отражателе или противопожарном ограждении. При отсутствии документов проводят испытания по ГОСТ Р 50695 трех образцов этих материалов. В качестве образцов могут быть использованы:

- полностью части, подлежащие проверке;

- фрагменты этих частей, включая области с самыми тонкими стенками и прилегающие к вентиляционным отверстиям;

- образцы по ГОСТ Р 50695.

Х - высота, мм; L - двойная высота Х, но не менее 25 мм; 1 - пластины отражателя (может быть расположен под днищем кожуха); 2 - днище кожуха

Рисунок F.1 - Отражатель (см. F.4.3.2 и F.4.3.3)

 

А - зона, которая должна быть защищена противопожарным ограждением. Она включает в себя весь компонент, если он не защищен от огня другими средствами, или незащищенную часть компонента, который частично защищен своим кожухом; В - проекция контура горизонтально расположенного компонента на горизонтальную плоскость; С - наклонная линия, которая ограничивает минимальную площадь противопожарного барьера. Эта линия проецирует на горизонтальную плоскость каждую точку периметра компонента под углом 5° относительно вертикали и направлена наружу зоны В; D - минимальная площадь противопожарного ограждения

Рисунок F.2 - Расположение и относительные размеры несгораемого противопожарного ограждения (см. F.4.3.2 и F4.3.3.3)

 

ПРИЛОЖЕНИЕ G

(обязательное)

Цепи, изоляция между которыми должна быть испытана на соответствие требованиям пожарной безопасности

(см. 9.1)

Таблица G.1

Цепи, между которыми должна быть испытана изоляция

1-2

2-2

3-3

4-4

5-5

1-3

2-3

3-4

4-5

5-6

1-4

2-4

3-5

4-6

 

1-5

2-5

3-6

 

 

1-6

2-6

 

 

 

Обозначения:

1 - цепи питания (включая измерительные и управляющие цепи, подсоединенные к сети питания);

2 - цепи с внешними зажимами (кроме подключенных к сети питания, например измерительные или управляющие цепи), на которых могут оказаться вырабатываемые оборудованием или при подсоединении к внешним цепям опасные электрические величины, значения которых при нормальных условиях применения превышают указанные в 6.3.2;

3 - цепи, подсоединенные к доступным частям, но не имеющие внешних зажимов (внутренние цепи), которые находятся под опасным напряжением или по которым текут опасные токи, значения которых при нормальных условиях применения превышают указанные в 6.3.2;

4 - цепи, не подсоединенные к доступным частям и не имеющие внешних зажимов (внутренние цепи), которые находятся под опасным напряжением или по которым текут опасные токи, значения которых при нормальных условиях применения превышают указанные в 6.3.2;

5 - цепи с внешними зажимами, на которых электрические величины, вырабатываемые оборудованием, или при подсоединении к внешним цепям, при нормальных условиях применения не превышают указанные в 6.3.2 (например зажимы измерительных, управляющих, питающих цепей и цепей передачи данных);

6 - зажимы защитного заземления и подсоединенные к ним доступные токопроводящие части.

Примечание - При испытании защиты от распространения огня не требуется проверка защиты между следующими частями и любыми другими частями:

- не соединенными с другими цепями внутренними цепями без внешних зажимов, даже если в них имеются опасные напряжения или токи, значения которых при нормальных условиях применения превышают указанные в 6.3.2;

- доступными токопроводящими частями, которые не подсоединены к другим доступным токопроводящим частям или к зажиму защитного заземления.

ПРИЛОЖЕНИЕ Н

(справочное)

Пояснения к классификации электрического оборудования по степеням защиты от поражения электрическим током

(см. раздел 6)

Н.1 Общие положения

В основе защиты от поражения электрическим током лежит принцип использования двух раздельных и независимых видов защиты:

- основной защиты, которая предохраняет от поражения электрическим током в нормальных условиях применения;

- дополнительной защиты, которая обеспечивает защиту от поражения электрическим током при выходе из строя основной защиты.

Эти два вида защиты реализуют путем применения соответствующих средств защиты, описанных в разделе 6.

Конкретная комбинация средств защиты, примененная в оборудовании, определяет класс оборудования в соответствии с классификацией ГОСТ Р МЭК 536.

Настоящим стандартом предусмотрена защита только тех частей, которые по значениям электрических величин отнесены к опасным частям.

В настоящем приложении приняты следующие определения:

- «открытая токопроводящая часть» - токопроводящая часть, к которой можно легко прикоснуться и которая не находится под напряжением, но может оказаться под напряжением в случае неисправности. Это понятие относится к доступной токопроводящей части, которая может стать опасной частью в условиях одной неисправности;

- «непрямой контакт» - опасный контакт человека с открытыми токопроводящими частями или внешними токопроводящими частями, которые могут оказаться под напряжением в случае неисправности. Это относится к доступным токопроводящим частям, которые могут стать опасными частями в условиях одной неисправности;

- «внешняя токопроводящая часть» - токопроводящая часть, которая не является частью электрического оборудования со средствами его монтажа. Это понятие соответствует доступной токопроводящей части, которая может стать опасной частью в условиях одной неисправности.

Н.2 Оборудование класса I

Оборудование класса I - оборудование, которое имеет основную изоляцию между частями, находящимися под напряжением, и открытыми токопроводящими частями и в котором открытые токопроводящие части подключены к средствам соединения с защитным заземлением (см. 6.5.1). В данном контексте имеется в виду электрически непрерывная цепь соединения открытых токопроводящих частей и экранов с защитным заземлением.

Оборудование, отдельные части которого имеют защиту класса I, а другие - класса II, классифицируют как оборудование класса I.

Н.3 Оборудование класса II

Оборудование класса II - оборудование, в котором защита от непрямого контакта обеспечена не только основной изоляцией, но и дополнительными конструктивными мерами для предотвращения опасности в случае выхода из строя основной изоляции электрических связей между частями, находящимися под напряжением, и открытыми токопроводящими частями, или эта защита обеспечена использованием во всем оборудовании только усиленной изоляции.

Дополнительные конструктивные требования к оборудованию класса II установлены в 6.5 и 6.9.2. В них включены также требования к защитным импедансам (см. 6.5).

Оборудование, отдельные части которого имеют защиту класса II, а другие - класса I, классифицируют как оборудование класса I.

Н.4 Оборудование класса III

Оборудование класса III - оборудование для подключения только к цепям изолированного сверхнизкого напряжения (ИСНН) или изолированного сверхнизкого заземленного напряжения (ИСНЗН), с питанием только от внутренних источников ИСНН или ИСНЗН, в котором не вырабатываются напряжения, превышающие уровень ИСНН.

Изолированное сверхнизкое напряжение (ИСНН) - это напряжение, ограниченное допустимыми значениями для доступных частей при нормальном применении, причем источник этого напряжения отделен от других цепей и от земли. Принятые в настоящем стандарте допустимые значения: для напряжения переменного тока - не выше 30 В среднеквадратического значения и 42 В пикового значения, для напряжения постоянного тока - не более 60 В.

Изолированное сверхнизкое заземленное напряжение (ИСНЗН) - то же, что и ИСНН, но с одной точкой, присоединенной к земле.

Примечание - На языке оригинала использована аббревиатура SELV, которая в первых изданиях МЭК 60364-1-72 и МЭК 60536-76 означала «safety extra-low voltage», а в настоящее время расшифрована как «separated extra-low voltage».

ПРИЛОЖЕНИЕ J

(справочное)

Изоляция токопроводящих частей их взаимным расположением

Изоляция токопроводящих частей их взаимным расположением может быть обеспечена только в тех случаях, когда переходные перенапряжения (броски напряжения) ограничены в оборудовании установленными уровнями. В 5.6 МЭК 60664 установлены стандартные значения импульсного напряжения, к воздействию которого должно быть устойчиво оборудование. Они соответствуют четырем различным категориям монтажа (категориям перенапряжения). При этом учтено уменьшение пиковых значений импульсных напряжений, обусловленное их демпфированием, которое происходит в электрических распределительных системах.

МЭК 60664 приводит следующие примеры.

Категория монтажа (категория перенапряжения) I. Уровни прохождения электрических сигналов: специальное оборудование или его части, телекоммуникации, электронные схемы и т.п. с переходным перенапряжением, меньшим, чем для категории монтажа (категории перенапряжения) II.

Категория монтажа (категория перенапряжения) II. Местный уровень: питание переносного оборудования, приборов и т.п. с переходным перенапряжением, меньшим, чем для категории монтажа (категории перенапряжения) III.

Категория монтажа (категория перенапряжения) III. Уровни распределения электроэнергии: постоянно подключенное к электрооборудованию зданий закрепленное оборудование с переходным перенапряжением, меньшим, чем для категории монтажа (категории перенапряжения) IV.

Категория монтажа (категория перенапряжения) IV. Уровень первичных источников питания: высоковольтные воздушные линии, кабельные системы, подстанции и т.п. Эту категорию в настоящем стандарте не рассматривают.

Соотношение между номинальным напряжением сети питания, категориями монтажа и перенапряжением (максимальным импульсным напряжением, которое должно выдержать оборудование) приведено в таблице J.1 (за основу принята таблица 1 МЭК 60664).

Таблица J.1 - Максимальное импульсное напряжение, к воздействию которого должно быть устойчиво оборудование

В вольтах

Напряжение в трехфазной сети

Напряжение фаза - земля

Максимальные импульсные напряжения для категорий монтажа (категорий перенапряжения)

четырехпроводной

трехпроводной

I

II

III

-

-

50

330

500

800

66/115

120

100

500

800

1500

120/208
120/240

240

150

800

1500

2500

230/400
277/480

500

300

1500

2500

4000

400/690

1000

600

2500

4000

6000

-

-

1000

4000

6000

8000

Большая часть оборудования, на которое распространяются требования настоящего стандарта, является присоединяемой к сети питания, следовательно, относится к категории монтажа (категории перенапряжения) II, но постоянно подключенное оборудование может относиться к категории монтажа (категории перенапряжения) как II, так и III. Соблюдение требований к изоляции, соответствующих категории монтажа (категории перенапряжения) III, необходимо, если оборудование предназначено для подключения к электрооборудованию здания до других нагрузок и если в сети питания могут иметь место перенапряжения (броски напряжения), соответствующие этой категории монтажа. При таком подключении оборудования в электрической сети здания не успевает произойти заметное разветвление, поглощение или рассеяние энергии переходных процессов.

Перенапряжения (броски напряжения) в пределах одной из категорий монтажа (категорий перенапряжения) системы распределения электроэнергии могут быть вызваны различными явлениями в более высоких категориях монтажа или в пределах этой же категории. Можно считать, что оборудование относится только к данной категории монтажа (категории перенапряжения), если в нем не могут возникнуть перенапряжения, превышающие уровни, определенные для этой категории.

Только перенапряжения (броски напряжения) определяют категорию монтажа и, следовательно, размеры зазоров. Существуют различные способы предохранения от бросков напряжения.

В МЭК 60664 описаны требования к устройствам для перехода от одной категории монтажа к следующей, более низкой, категории. Устройства могут быть расположены внутри оборудования, поэтому цепи в одном и том же оборудовании могут принадлежать к различным категориям монтажа.

Более подробную информацию см. в МЭК 60664.

ПРИЛОЖЕНИЕ К

(обязательное)

Приемосдаточные испытания

Изготовитель обязан проводить испытания по К.1-К.3 каждой единицы произведенного оборудования, которое содержит как опасные части, так и доступные токопроводящие части.

Если нет уверенности в том, что результаты испытаний не будут искажены на последующих стадиях изготовления, должны быть проведены испытания полностью собранного оборудования.

Оборудование перед испытаниями не должно быть размонтировано или разобрано, однако крышки на защелках и ручки, зафиксированные трением, можно удалить, если они мешают проведению испытаний. При испытаниях оборудование не должно быть подключено к источнику питания, но выключатель сети должен быть включен.

Не требуется накладывать на оборудование фольгу, а также подвергать его предварительному воздействию влагой.

К.1 Проверка защитного заземления

В течение одного испытания проверяют сопротивление цепей между заземляющим штырем приборной вилки или сетевой вилки оборудования (если его подключают к сети вилкой), или зажимом защитного заземления постоянно подключенного оборудования, с одной стороны, и всеми доступными токопроводящими частями, которые в соответствии с 6.5.1 должны быть соединены с зажимом защитного заземления, с другой стороны.

К.2 Цепи, подключаемые непосредственно к сети питания

Между сетевыми зажимами, соединенными между собой, с одной стороны, и всеми доступными токопроводящими частями, соединенными между собой, с другой стороны, прикладывают напряжение, указанное в приложении D для основной изоляции. При этом испытании контакты любого выходного зажима, предназначенного для подсоединения к другому оборудованию, которое не содержит цепей, находящихся под опасным напряжением, считают доступными токопроводящими частями.

Значение испытательного напряжения повышают до установленного значения в течение 2 с и выдерживают не менее 2 с.

При испытании не должны возникать разряды или повторяющиеся поверхностные пробои, сопровождающиеся резким возрастанием тока в испытуемой цепи. Коронными разрядами и подобными эффектами можно пренебречь.

К.3 Остальные цепи

Испытательное напряжение прикладывают между соединенными друг с другом входными зажимами, не подключенными к другому оборудованию, которые могут оказаться опасными частями при нормальном применении, с одной стороны, и доступными токопроводящими частями, соединенными между собой, с другой стороны.

Испытательное напряжение прикладывают также между соединенными друг с другом выходными зажимами, не подключенными к другому оборудованию, которые могут оказаться опасными частями при нормальном применении, с одной стороны, и доступными токопроводящими частями, соединенными между собой, с другой стороны.

В обоих случаях испытательное напряжение должно быть в 1,5 раза больше максимального рабочего напряжения (см. D.1.1). Если такое напряжение невозможно, испытательное напряжение должно быть равным 0,9 максимального возможного напряжения, но не менее рабочего напряжения.

Примечание - В оборудовании, которое имеет доступные токопроводящие части, соединенные с зажимом защитного заземления, испытательное напряжение можно прикладывать к заземляющему штырю приборной вилки или сетевой вилки. При проведении испытания оборудование должно быть электрически изолировано от любых внешних средств заземления.

Значение испытательного напряжения повышают до установленного значения в течение 2 с и выдерживают не менее 2 с.

При испытании не должны возникать разряды или повторяющиеся поверхностные пробои, сопровождающиеся резким возрастанием тока в испытуемой цепи. Коронными разрядами и подобными эффектами можно пренебречь.

ПРИЛОЖЕНИЕ L

(справочное)

Нормативные ссылки

ГОСТ 8.417-81 Государственная система обеспечения единства измерений. Единицы физических величин

ГОСТ 12.1.001-89 Система стандартов безопасности труда. Ультразвук. Общие требования безопасности

ГОСТ 12.1.006-84 Система стандартов безопасности труда. Электромагнитные поля радиочастот. Допустимые уровни на рабочих местах и требования к проведению контроля

ГОСТ 12.1.024-81 Система стандартов безопасности труда. Шум. Определение шумовых характеристик источников шума в заглушенной камере. Точный метод

ГОСТ 12.2.006-87 (МЭК 65-85) Безопасность аппаратуры электронной сетевой и сходных с ней устройств, предназначенных для бытового и аналогичного общего применения. Общие требования и методы испытаний

ГОСТ 12.4.026-76* Система стандартов безопасности труда. Цвета сигнальные и знаки безопасности

*На территории Российской Федерации действует ГОСТ Р 12.4.026-2001.

ГОСТ 6570-96 Счетчики электрические активной и реактивной энергии индукционные. Общие технические условия

ГОСТ 8865-93 Системы электрической изоляции. Оценка нагревостойкости и классификация

ГОСТ 14254-96 (МЭК 529-89) Степени защиты, обеспечиваемые оболочками (Код IP)

ГОСТ 15088-83 Пластмассы. Метод определения температуры размягчения термопластов по Вика

ГОСТ 16504-81 Система государственных испытаний продукции. Испытания и контроль качества продукции. Основные термины и определения

ГОСТ 17187-81 Шумомеры. Общие технические требования и методы испытаний

ГОСТ 21991-89 (МЭК 447-74) Оборудование электротехническое. Аппараты электрические. Направление движения органов управления

ГОСТ 22782.0-81* Электрооборудование взрывозащищенное. Общие технические требования и методы испытаний

*На территории Российской Федерации действует ГОСТ Р 51330.0-99.

ГОСТ 22782.1-77* Электрооборудование взрывозащищенное с видом взрывозащиты «Масляное заполнение оболочки». Технические требования и методы испытаний

*На территории Российской Федерации действует ГОСТ Р 51330.7-99.

ГОСТ 22782.2-77* Электрооборудование взрывозащищенное с видом взрывозащиты «Кварцевое заполнение оболочки». Технические требования и методы испытаний

*На территории Российской Федерации действует ГОСТ Р 51330.6-99.

ГОСТ 22782.3-77 Электрооборудование взрывозащищенное со специальным видом взрывозащиты. Технические требования и методы испытаний

ГОСТ 22782.4-78* Электрооборудование взрывозащищенное с видом взрывозащиты «Заполнение или продувка оболочки под избыточным давлением». Технические требования и методы испытаний.

*На территории Российской Федерации действует ГОСТ Р 51330.3-99.

ГОСТ 22782.5-78* Электрооборудование взрывозащищенное с видом взрывозащиты «Искробезопасная электрическая цепь». Технические требования и методы испытаний

*На территории Российской Федерации действует ГОСТ Р 51330.10-99.

ГОСТ 22782.6-81* Электрооборудование взрывозащищенное с видом взрывозащиты «Взрывонепроницаемая оболочка». Технические требования и методы испытаний

*На территории Российской Федерации действует ГОСТ Р 51330.1-99.

ГОСТ 22782.7-81* Электрооборудование взрывозащищенное с защитой вида «е». Технические требования и методы испытаний

*На территории Российской Федерации действует ГОСТ Р 51330.8-99.

ГОСТ 22789-94 (МЭК 439-1-85)* Устройства комплектные низковольтные. Общие технические требования и методы испытаний

*На территории Российской Федерации действует ГОСТ Р 51321.1-2000.

ГОСТ 25874-83 Аппаратура радиоэлектронная, электронная и электротехническая. Условные функциональные обозначения

ГОСТ 26104-89 Средства измерений электронные. Технические требования в части безопасности. Методы испытаний

ГОСТ 27473-87 (МЭК 112-79) Материалы электроизоляционные твердые. Метод определения сравнительного и контрольного индексов трекингостойкости во влажной среде

ГОСТ 28190-89 (МЭК 320-81)* Соединители бытового и аналогичного назначения. Технические требования и методы испытаний

*На территории Российской Федерации действует ГОСТ Р 51325.1-99.

ГОСТ 28217-89 (МЭК 68-2-31-69) Основные методы испытаний на воздействие внешних факторов. Часть 2. Испытания. Испытание Ес: Падение и опрокидывание, предназначенное в основном для аппаратуры

ГОСТ 28244-96 Провода и шнуры армированные. Технические условия

ГОСТ 29146.1-91 (МЭК 309-1-88)* Соединители электрические промышленного назначения. Часть 1. Общие требования

*На территории Российской Федерации действует ГОСТ Р 51323.1-99.

ГОСТ 29146.2-91 (МЭК 309-2-89)* Соединители электрические промышленного назначения. Часть 2. Требования к взаимозаменяемости размеров штырей и контактных гнезд аппаратов

*На территории Российской Федерации действует ГОСТ Р 51323.2-99.

ГОСТ 30012.1-93 (МЭК 51-1-84) Приборы аналоговые показывающие электроизмерительные прямого действия и вспомогательные части к ним. Часть 1. Определения и основные требования, общие для всех частей

ГОСТ 30030-93 (МЭК 742-83) Трансформаторы разделительные и безопасные разделительные трансформаторы. Технические требования

ГОСТ 30262-95 (МЭК 413-72) Методы определения физических свойств материалов для щеток электрических машин

ГОСТ 30324.0-95 (МЭК 601-1-88)/ГОСТ Р 50267.0-92 (МЭК 601-1-88) Изделия медицинские электрические. Часть 1. Общие требования безопасности

ГОСТ 30331.1-95 (МЭК 364-1-72, МЭК 364-2-70)/ГОСТ Р 50571.1-93 (МЭК 364-1-72, МЭК 364-2-70) Электроустановки зданий. Основные положения

ГОСТ 30331.2-95 (МЭК 364-3-93)/ГОСТ Р 50571.2-94 (МЭК 364-3-93) Электроустановки зданий. Часть 3. Основные характеристики

ГОСТ 30331.3-94 (МЭК 364-4-41-92)/ГОСТ Р 50571.3-94 (МЭК 364-4-41-92) Электроустановки зданий. Часть 4. Требования по обеспечению безопасности. Защита от поражения электрическим током

ГОСТ 30331.4-94 (МЭК 364-4-42-80)/ГОСТ Р 50571.4-94 (МЭК 364-4-42-80) Электроустановки зданий. Часть 4. Требования по обеспечению безопасности. Защита от тепловых воздействий

ГОСТ 30331.5-95 (МЭК 364-4-43-77)/ГОСТ Р 50571.5-94 (МЭК 364-4-43-77) Электроустановки зданий. Часть 4. Требования по обеспечению безопасности. Защита от сверхтока

ГОСТ 30331.6-95 (МЭК 364-4-45-84)/ГОСТ Р 50571.6-94 (МЭК 364-4-45-84) Электроустановки зданий. Часть 4. Требования по обеспечению безопасности. Защита от понижения напряжения

ГОСТ 30331.7-95 (МЭК 364-4-46-81 )/ГОСТ Р 50571.7-94 (МЭК 364-4-46-81) Электроустановки зданий. Часть 4. Требования по обеспечению безопасности. Отделение, отключение, управление

ГОСТ 30331.8-95 (МЭК 364-4-47-81)/ГОСТ Р 50571.8-94 (МЭК 364-4-47-81) Электроустановки зданий. Часть 4. Требования по обеспечению безопасности. Общие требования по применению мер защиты для обеспечения безопасности. Требования по применению мер защиты от поражения электрическим током

ГОСТ 30331.9-95 (МЭК 364-4-473-77)/ГОСТ Р 50571.9-94 (МЭК 364-4-473-77) Электроустановки зданий. Часть 4. Требования по обеспечению безопасности. Применение мер защиты от сверхтоков

Р МЭК 60227-1-99 Кабели с поливинилхлоридной изоляцией на номинальное напряжение до 450/750 В включительно. Общие требования

Р МЭК 60226-2-99 Кабели с поливинилхлоридной изоляцией на номинальное напряжение до 450/750 В включительно. Методы испытаний

ГОСТ 30457-97 (ИСО 9614-1-93) Акустика. Определение уровней звуковой мощности источников шума на основе интенсивности звука. Измерение в дискретных точках. Технический метод

ГОСТ 30530-97 Шум. Методы расчета предельно допустимых шумовых характеристик стационарных машин

ГОСТ Р МЭК 227-3-94 Кабели с поливинилхлоридной изоляцией на номинальное напряжение до 450/750 В включительно. Кабели без оболочки для неподвижной прокладки

ГОСТ Р МЭК 227-4-94 Кабели с поливинилхлоридной изоляцией на номинальное напряжение до 450/750 В включительно. Кабели в оболочке для неподвижной прокладки

ГОСТ Р МЭК 227-5-94 Кабели с поливинилхлоридной изоляцией на номинальное напряжение до 450/750 В включительно. Гибкие кабели (шнуры)

ГОСТ Р МЭК 227-6-94 Кабели с поливинилхлоридной изоляцией на номинальное напряжение до 450/750 В включительно. Лифтовые кабели и кабели для гибких соединений

ГОСТ Р МЭК 245-1-97 Кабели с резиновой изоляцией на номинальное напряжение до 450/750 В включительно. Общие требования

ГОСТ Р МЭК 245-2-97 Кабели с резиновой изоляцией на номинальное напряжение до 450/750 В включительно. Методы испытаний

ГОСТ Р МЭК 245-3-97 Кабели с резиновой изоляцией на номинальное напряжение до 450/750 В включительно. Кабели с нагревостойкой кремнийорганической изоляцией

ГОСТ Р МЭК 245-4-97 Кабели с резиновой изоляцией на номинальное напряжение до 450/750 В включительно. Шнуры и гибкие кабели

ГОСТ Р МЭК 245-5-97 Кабели с резиновой изоляцией на номинальное напряжение до 450/750 В включительно. Лифтовые кабели

ГОСТ Р МЭК 245-6-97 Кабели с резиновой изоляцией на номинальное напряжение до 450/750 В включительно. Кабели для электродной дуговой сварки

ГОСТ Р МЭК 245-7-97 Кабели с резиновой изоляцией на номинальное напряжение до 450/750 В включительно. Кабели с нагревостойкой этиленвинилацетатной резиновой изоляцией

ГОСТ Р МЭК 335-1-94 Безопасность бытовых и аналогичных электрических приборов. Общие требования и методы испытаний

ГОСТ Р МЭК 536-94 Классификация электротехнического и электронного оборудования по способу защиты от поражения электрическим током

ГОСТ Р МЭК 799-94 Шнуры-соединители

ГОСТ Р 50030.1-2000 (МЭК 60947-1-99) Аппаратура распределения и управления низковольтная. Часть 1. Общие требования и методы испытаний

ГОСТ Р 50030.2-99 (МЭК 60947-2-98) Аппаратура распределения и управления низковольтная. Часть 2. Автоматические выключатели

ГОСТ Р 50377-92 (МЭК 950-86) Безопасность оборудования информационной технологии, включая электрическое конторское оборудование

ГОСТ Р 50537-93 (МЭК 127-1-88) Миниатюрные плавкие предохранители. Терминология для миниатюрных плавких предохранителей и общие требования к миниатюрным плавким предохранителям

ГОСТ Р 50538-93 (МЭК 127-2-88) Миниатюрные плавкие предохранители. Трубчатые плавкие вставки

ГОСТ Р 50539-93 (МЭК 127-3-88) Миниатюрные плавкие предохранители. Субминиатюрные плавкие вставки

ГОСТ Р 50540-93 (МЭК 127-4-88) Универсальные модульные плавкие предохранители (УМПП)

ГОСТ Р 50541-93 (МЭК 127-5-88) Миниатюрные плавкие предохранители. Руководство по сертификации миниатюрных плавких вставок

ГОСТ Р 50695-94 (МЭК 707-81) Методы определения воспламеняемости твердых электроизоляционных материалов под воздействием источника зажигания

ГОСТ Р 50723-94 Лазерная безопасность. Общие требования безопасности при разработке и эксплуатации лазерных изделий

ГОСТ Р 50948-96 Средства отображения информации индивидуального пользования. Общие эргономические требования и требования безопасности

ГОСТ Р 50949-96 Средства отображения информации индивидуального пользования. Методы измерений и оценки эргономических параметров и параметров безопасности

ИСО 4126/1-91 Вентили безопасности. Основные требования

МЭК 60060-2-94 Высоковольтная испытательная техника. Часть 2. Методы испытаний

МЭК 60068-2-63-91 Испытание на воздействие внешних факторов. Часть 2. Испытания. Испытание Eg

МЭК 60270-81 Измерение частичного разряда

МЭК 60405-72 Приборы для ядерных исследований. Конструктивные требования для обеспечения личной защиты от ионизирующего излучения

МЭК 60417-73 Графические обозначения, наносимые на аппаратуру. Алфавитный указатель, обзор и подбор отдельных листов

МЭК 60445-88 Идентификация клемм оборудования и наконечников проводов определенного назначения, в том числе общие правила буквенно-цифровой системы

МЭК 60664:

МЭК 60664-1-92 Координация изоляции для оборудования в низковольтных системах. Часть 1. Принципы, требования и испытания

МЭК 60664-3-92 Координация изоляции для оборудования в низковольтных системах. Часть 3. Использование покрытий для достижения координации изоляции в печатных платах, в сборе

МЭК 60804-95 Шумомеры интегрирующие

МЭК 60990-90 Токи при прикосновении и токи защитного проводника. Методы измерения

МЭК 61010-3-1-97 Технический отчет 3-го типа. Отчет о проверке соответствия требованиям МЭК 61010-1-90

ПРИЛОЖЕНИЕ М

(справочное)

Библиография

[1] НРБ-96 Нормы радиационной безопасности 2.6.1. Ионизирующее излучение. Радиационная безопасность. Гигиенические нормативы ГН 2.6.1.054-96. - М.: Госкомсанэпиднадзор России, 1996

[2] ОСП-72/87-87 Основные санитарные правила работы с радиоактивными веществами и другими источниками ионизирующих излучений. - М.: Энергоатомиздат, 1988

[3] СанПиН 4557-88 Санитарные нормы ультрафиолетового излучения в производственных помещениях. - М.: Минздрав СССР, 1988

[4] СанПиН 2.2.2.542-96 Гигиенические требования к видеодисплейным терминалам, ПЭВМ и организации работы. - М.: Информационно-издательский центр Госкомсанэпиднадзора России, 1996

[5] СН 2.2.4/2.1.8.562-96 Шум на рабочих местах, в помещениях жилых, общественных зданий и на территории жилой застройки. Санитарные нормы. - М.: Информационно-издательский центр Минздрава России, 1997

[6] СН 2.2.4/2.1.8.583-96 Инфразвук на рабочих местах, в жилых и общественных помещениях и на территориях жилой застройки. Санитарные нормы. - М.: Информационно-издательский центр Минздрава России, 1997

[7] СН 2.2.4/2.1.8.566-96 Производственная вибрация, вибрация в помещениях жилых и общественных зданий. Санитарные нормы. - М.: Информационно-издательский центр Минздрава России, 1997

[8] ПБ 10-115-87 Правила устройства и безопасной эксплуатации сосудов, работающих под давлением. - М.: Атомэнергоиздат, 1990

Ключевые слова: безопасность, электрические приборы, контрольно-измерительные приборы, лабораторное оборудование, вычислительная техника, обеспечение защиты, испытания