ГОСУДАРСТВЕННЫЙ СТАНДАРТ СОЮЗА ССР

ТРАНСФОРМАТОРЫ СИЛОВЫЕ

ТЕРМИНЫ И ОПРЕДЕЛЕНИЯ

ГОСТ 16110-82
(СТ СЭВ 1103-78)

ГОСУДАРСТВЕННЫЙ КОМИТЕТ СССР ПО СТАНДАРТАМ
Москва

ГОСУДАРСТВЕННЫЙ СТАНДАРТ СОЮЗА ССР

ТРАНСФОРМАТОРЫ СИЛОВЫЕ

Термины и определения

Power transformers.
Terms and definitions

ГОСТ

16110-82

(СТ СЭВ 1103-78)

Взамен

ГОСТ 16110-70

Постановлением Государственного комитета СССР по стандартам от 4 марта 1982 г. № 940 срок введения установлен

с 01.07.82

Настоящий стандарт устанавливает применяемые в науке, технике и производстве термины и определения основных понятий в области силовых трансформаторов. Стандарт распространяется на силовые трансформаторы - трехфазные и многофазные мощностью 6,3 кВ·А и более и однофазные мощностью 5 кВ·А и более.

Термины, установленные стандартом, обязательны для применения в документации всех видов, научно-технической, учебной и справочной литературе.

Стандарт полностью соответствует СТ СЭВ 1103-78.

Для каждого понятия установлен один стандартизованный термин. Применение терминов-синонимов стандартизованного термина запрещается.

Для отдельных стандартизованных терминов в стандарте приведены в качестве справочных краткие формы, которые разрешается применять в случаях, исключающих возможность их различного толкования. Установленные определения можно, при необходимости, изменять по форме изложения, не допуская нарушения границ понятий.

Термины, помеченные*, не распространяются на автотрансформаторы.

В стандарте приведен алфавитный указатель содержащихся в нем терминов.

В стандарте имеется справочное приложение, содержащее эскизы, поясняющие некоторые термины.

Стандартизованные термины набраны полужирным шрифтом, их краткая форма - светлым.

Термин

Определение

1. ОБЩИЕ ПОНЯТИЯ

1.1. Трансформатор

Статическое электромагнитное устройство, имеющее две или более индуктивно связанных обмоток и предназначенное для преобразования посредством электромагнитной индукции одной или нескольких систем переменного тока в одну или несколько других систем переменного тока

1.2. Силовой трансформатор

Трансформатор, предназначенный для преобразования электрической энергии в электрических сетях и в установках, предназначенных для приема и использования электрической энергии.

Примечание. К силовым относятся трансформаторы трехфазные и многофазные мощностью 6,3 кВ·А и более, однофазные мощностью 5 кВ·А и более

1.3. Силовой трансформаторный агрегат

Устройство, в котором конструктивно объединены два или более силовых трансформаторов

1.4. Многофазная трансформаторная группа

Группа однофазных трансформаторов, обмотки которых соединены так, что в каждой из обмоток группы может быть создана система переменного тока с числом фаз, равным числу трансформаторов.

Примечание. Многофазная трансформаторная группа, имеющая три однофазных трансформатора, называется трехфазной трансформаторной группой

1.5. Магнитное поле трансформатора

Магнитное поле, созданное в трансформаторе совокупностью магнитодвижущих сил всех его обмоток и других частей, в которых протекает электрический ток.

Примечание. Для расчетов, определения параметров и проведения исследований магнитное поле трансформатора может быть условно разделено на взаимосвязанные части: основное поле, поле рассеяния обмоток, поле токов нулевой последовательности и т.д.

1.6. Магнитное поле рассеяния обмоток

Часть магнитного поля трансформатора, созданная той частью магнитодвижущих сил всех его основных обмоток, геометрическая сумма векторов которых в каждой фазе обмоток равна нулю.

Примечание. Предполагается наличие тока не менее, чем в двух основных обмотках

1.7. Магнитное поле токов нулевой последовательности

Часть магнитного поля трансформатора, созданная геометрической суммой магнитодвижущих сил токов нулевой последовательности всех его основных обмоток

1.8. Основное магнитное поле

Часть магнитного поля трансформатора, созданная разностью суммы магнитодвижущих сил всех его обмоток и суммы магнитодвижущих сил обмоток, создающих поле рассеяния обмоток и поле токов нулевой последовательности обмоток трансформатора

1.9. Сторона высшего (среднего, низшего) напряжения трансформатора

Совокупность витков и других токопроводящих частей, присоединенных к зажимам трансформатора, между которыми действует его высшее (среднее или низшее) напряжение

1.10. Схема соединения трансформатора

Сочетание схем соединения обмоток высшего и низшего напряжений для двухобмоточного и высшего, среднего и низшего напряжений для трехобмоточного трансформатора.

Примечание. Схема соединения n-обмоточного трансформатора включает п схем обмоток

2. ВИДЫ ТРАНСФОРМАТОРОВ

2.1. Трансформатор общего назначения

Силовой трансформатор, предназначенный для включения в. сеть, не отличающуюся особыми условиями работы, или для непосредственного питания приемников электрической энергии, не отличающихся особыми условиями работы, характером нагрузки или режимом работы

2.2. Специальный трансформатор

Трансформатор, предназначенный для непосредственного питания потребительской сети или приемников электрической энергии, если эта сеть или приемники отличаются особыми условиями работы, характером нагрузки или режимом работы.

Примечание. К числу таких сетей и приемников электрической энергии относятся подземные шахтные сети и установки, выпрямительные установки, электрические печи и т.п.

2.3. Повышающий трансформатор

Трансформатор, у которого первичной обмоткой является обмотка низшего напряжения

2.4. Понижающий трансформатор

Трансформатор, у которого первичной обмоткой является обмотка высшего напряжения

2.5. Однофазный трансформатор

Трансформатор, в магнитной системе которого создается однофазное магнитное поле

2.6. Трехфазный трансформатор

Трансформатор, в магнитной системе которого создается трехфазное магнитное поле

2.7. Многофазный трансформатор

Трансформатор, в магнитной системе которого создается магнитное поле с числом фаз более трех

2.8. Двухобмоточный трансформатор*

Трансформатор, имеющий две основные гальванически не связанные обмотки (см. черт. 4)

2.9. Трехобмоточный трансформатор*

Трансформатор, имеющий три основные гальванически не связанные обмотки (см. черт. 5)

2.10. Многообмоточный трансформатор*

Трансформатор, имеющий более трех основных гальванически не связанных обмоток

2.11. Трансформатор с жидким диэлектриком

Трансформатор, в котором основной изолирующей средой и теплоносителем служит жидкий диэлектрик

2.12. Масляный трансформатор

Трансформатор с жидким диэлектриком, в котором основной изолирующей средой и теплоносителем служит трансформаторное масло

2.13. Трансформатор с негорючим жидким диэлектриком

Трансформатор с жидким диэлектриком, в котором основной изолирующей средой и теплоносителем служит негорючий жидкий диэлектрик

2.14. Сухой трансформатор

Трансформатор, в котором основной изолирующей средой служит атмосферный воздух или другой газ или твердый диэлектрик, а охлаждающей средой атмосферный воздух

2.15. Воздушный трансформатор

Сухой негерметичный трансформатор, в котором основной изолирующей и охлаждающей средой служит атмосферный воздух

2.16. Газонаполненный трансформатор

Сухой герметичный трансформатор, в котором основной изолирующей средой и теплоносителем служит воздух или другой газ

2.17. Трансформатор с литой изоляцией

Сухой трансформатор, в котором основной изолирующей средой и теплоносителем служит электроизоляционный компаунд

2.18. Кварценаполненный трансформатор

Сухой трансформатор в баке, заполненном кварцевым песком, служащим основной изолирующей, средой и теплоносителем

2.19. Регулируемый трансформатор

Трансформатор, допускающий регулирование напряжения одной или более обмоток при помощи специальных устройств, встроенных в конструкцию трансформатора

2.20. Трансформатор, регулируемый под нагрузкой

Трансформатор РПН

Регулируемый трансформатор, допускающий регулирование напряжения хотя бы одной из его обмоток без перерыва нагрузки и без отключения его обмоток от сети.

Примечание. Другие обмотки трансформатора, регулируемого под нагрузкой, могут не иметь регулирования или иметь переключение без возбуждения

2.21. Трансформатор, переключаемый без возбуждения

Трансформатор ПБВ

Регулируемый трансформатор, допускающий регулирование напряжения путем переключения ответвлений обмоток без возбуждения после отключения всех его обмоток от сети.

Примечание. Понятие «переключение без возбуждения» может быть отнесено также к одной или нескольким обмоткам трансформатора, регулируемого под нагрузкой

2.22. Регулировочный трансформатор

Регулируемый трансформатор, предназначенный для включения в сеть или в силовой трансформаторный агрегат с целью регулирования напряжения сети или агрегата

2.23. Последовательный регулировочный трансформатор (трансформаторный агрегат)

Регулировочный трансформатор (трансформаторный агрегат), включаемый последовательно с другим трансформатором со стороны нейтрали или со стороны линии с целью регулирования напряжения на зажимах линии

2.24. Линейный регулировочный трансформатор (трансформаторный агрегат)

Регулировочный трансформатор (трансформаторный агрегат), одна из обмоток которого включается последовательно в сеть с целью регулирования напряжения сети

2.25. Автотрансформатор

Трансформатор, две или более обмоток которого гальванически связаны так, что они имеют общую часть

2.26. Двухобмоточный автотрансформатор

Автотрансформатор, имеющий две обмотки, гальванически связанные так, что они имеют общую часть, и не имеющий других основных обмоток (см. черт. 7)

2.27. Трехобмоточный силовой автотрансформатор

Силовой автотрансформатор, две обмотки которого имеют общую часть, а третья основная обмотка не имеет гальванической связи с двумя первыми обмотками (см. черт. 8)

2.28. Рудничный трансформатор

Трансформатор, предназначенный для установки и работы в рудниках и шахтах

2.29. Тяговый трансформатор

Трансформатор, предназначенный для установки и работы на электрическом или теплоэлектрическом подвижном составе

2.30. Судовой трансформатор

Трансформатор, предназначенный для установки и работы на судах

2.31. Сварочный трансформатор

Трансформатор, предназначенный для питания установок электрической сварки

2.32. Преобразовательный трансформатор

Трансформатор, предназначенный для работы в выпрямительных, инверторных и других установках, преобразующих систему переменного тока в систему постоянного тока и наоборот при непосредственном подключении к ним

2.33. Электропечной трансформатор

Трансформатор, предназначенный для питания электротермических установок

2.34. Пусковой трансформатор

Трансформатор или автотрансформатор, предназначенный для изменения напряжения ступенями при пуске электродвигателей

2.35. Передвижной трансформатор

Трансформатор, который можно перевозить по железной дороге или другим видом транспорта, практически без демонтажа узлов и деталей и без слива масла, предназначенный для использования в качестве передвижного резерва

2.36. Герметичный трансформатор

Трансформатор, выполненный так, что исключается возможность сообщения между внутренним пространством его бака и окружающей средой

2.37. Трансформатор с расщепленной обмоткой (расщепленными обмотками)

Трансформатор, имеющий одну расщепленную обмотку (две или более расщепленных обмотки)

3. МАГНИТНАЯ СИСТЕМА ТРАНСФОРМАТОРА

3.1. Магнитная система трансформатора

Комплект пластин или других элементов из электротехнической стали или другого ферромагнитного материала, собранных в определенной геометрической форме, предназначенный для локализации в нем основного магнитного поля трансформатора

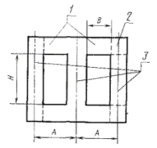
3.2. Стержень

Часть магнитной системы, на которой располагаются основные обмотки трансформатора (см. черт. 1 - 3)

3.3. Диаметр стержня

Диаметр окружности, в которую вписан контур ступенчатого или квадратного поперечного сечения стержня магнитной" системы

3.4. Межосевое расстояние стержней

Расстояние между продольными осями двух соседних стержней магнитной системы (см. черт. 1)

3.5. Активное сечение стержня (ярма)

Суммарная площадь поперечного сечения ферромагнитного материала в поперечном сечении стержня (ярма)

3.6. Ярмо

Часть магнитной системы трансформатора, не несущая основных обмоток и служащая для замыкания магнитной цепи (см. черт. 1, 2)

3.7. Боковое ярмо

Ярмо, соединяющее два конца одного и того же стержня (см. черт. 1 - 3).

Примечание. Можно различать боковую часть бокового ярма, ось которой параллельна продольной оси стержня, и его торцевую часть, ось которой перпендикулярна этой оси

3.8. Торцевое ярмо

Ярмо, соединяющее концы двух или более разных стержней (см. черт. 2)

3.9. Плоская магнитная система

Магнитная система, в которой продольные оси всех стержней и ярм расположены в одной плоскости

3.10. Пространственная магнитная система

Магнитная система, в которой продольные оси стержней или ярм, или стержней и ярм расположены в разных плоскостях

3.11. Симметричная магнитная система

Магнитная система, в которой все стержни имеют одинаковую форму, конструкцию и размеры, а взаимное расположение любого стержня по отношению ко всем ярмам одинаково для всех стержней

3.12. Несимметричная магнитная система

Магнитная система, в которой отдельные стержни могут отличаться от других стержней по форме, конструкции или размерам или взаимное расположение какого-либо стержня по отношению к другим стержням или ярмам может отличаться от расположения любого другого стержня

3.13. Разветвленная магнитная система

Магнитная система, в которой магнитный поток стержня при переходе в ярмо разветвляется на две или более частей

3.14. Стержневая магнитная система

Магнитная система, в которой ярма соединяют разные стержни и нет боковых ярм (см. черт. 1)

3.15. Броневая магнитная система

Магнитная система, в которой оба конца каждого стержня соединяются не менее чем двумя боковыми ярмами (см. черт. 3)

3.16. Бронестержневая магнитная система

Магнитная система, в которой часть стержней имеет боковые ярма или каждый стержень - не более чем одно боковое ярмо

3.17. Шихтованная магнитная система

Магнитная система, в которой стержни и ярма с плоской шихтовкой собираются в переплет как цельная конструкция (см. черт. 2)

3.18. Стыковая магнитная система

Магнитная система, в которой стержни и ярма или отдельные части, собранные и скрепленные раздельно, при сборке системы устанавливаются встык

3.19. Навитая магнитная система

Магнитная система, в которой стержни и ярма образуются в виде цельной конструкции путем навивки из ленточной или рулонной электротехнической стали

4. ОБМОТКИ ТРАНСФОРМАТОРА

4.1. Виток обмотки

Проводник, однократно охватывающий часть магнитной системы трансформатора, электрический ток которого совместно с токами других таких проводников и других частей трансформатора создает магнитное поле трансформатора и в котором под действием этого магнитного поля наводится электродвижущая сила.

Примечание. Виток обмотки может быть образован несколькими параллельно соединенными проводниками

4.2. Обмотка трансформатора

Совокупность витков, образующих электрическую цепь, в которой суммируются электродвижущие силы, наведенные в витках, с целью получения высшего, среднего или низшего напряжения трансформатора или с другой целью:

Примечания:

1. В трехфазном и многофазном трансформаторе (трансформаторной группе) под «обмоткой» подразумевается совокупность соединяемых между собой обмоток одного напряжения всех фаз.

2. В однофазном трансформаторе под «обмоткой» подразумевается совокупность соединяемых между собой обмоток одного напряжения, расположенных на всех его стержнях

4.3. Основная обмотка

Обмотка трансформатора, к которой подводится энергия преобразуемого, или от которой отводится энергия преобразованного переменного тока.

Примечание. Силовой трансформатор имеет не менее двух основных обмоток

4.4. Вспомогательная обмотка

Обмотка трансформатора, не предназначенная непосредственно для приема энергии преобразуемого или отдачи энергии преобразованного переменного тока, или мощность которой существенно меньше номинальной мощности трансформатора.

Примечание. Вспомогательная обмотка может быть предназначена, например, для компенсации третьей гармонической магнитного поля, подмагничивания магнитной системы постоянным током, питания сети собственных нужд ограниченной мощности и т.п.

4.5. Первичная обмотка трансформатора

Обмотка трансформатора, к которой подводится энергия преобразуемого переменного тока.

Примечание. Термин применим к любому числу обмоток трансформатора, если направление передачи энергии от них к другим обмоткам трансформатора является определенным

4.6. Вторичная обмотка трансформатора

Обмотка трансформатора, от которой отводится энергия преобразованного переменного тока.

Примечание. Термин применим к любому числу обмоток трансформатора, если направление передачи энергии к ним от других обмоток трансформатора является определенным

4.7. Обмотка высшего напряжения трансформатора*

Обмотка ВН

Основная обмотка трансформатора, имеющая наибольшее номинальное напряжение по сравнению с другими его основными обмотками

4.8. Обмотка низшего напряжения трансформатора*

Обмотка НН

Основная обмотка трансформатора, имеющая наименьшее номинальное напряжение по сравнению с другими его основными обмотками.

Примечание. Обмотка низшего напряжения регулировочного трансформатора может иметь более высокий уровень изоляции, чем обмотки высшего и среднего напряжения

4.9. Обмотка среднего напряжения трансформатора*

Обмотка СН

Основная обмотка трансформатора, номинальное напряжение которой является промежуточным между номинальными напряжениями обмоток высшего и низшего напряжения.

Примечание. Обмотка среднего напряжения регулировочного трансформатора может иметь более высокий уровень изоляции, чем обмотка высшего напряжения

4.10. Расщепленная обмотка

Обмотка, состоящая из двух или более гальванически не связанных частей, суммарная номинальная мощность которых, как правило, равна номинальной мощности трансформатора, напряжения короткого замыкания которых относительно других обмоток (обмотки) практически равны между собой, и которые допускают независимую друг от друга нагрузку или питание (см. черт. 9).

Примечание. Совокупность частей расщепленной обмотки считается одной обмоткой

4.11. Общая обмотка автотрансформатора

Обмотка, являющаяся общей частью двух обмоток автотрансформатора (см. черт. 7)

4.12. Последовательная обмотка автотрансформатора

Обмотка автотрансформатора, включаемая последовательно с общей обмоткой - (см. черт. 7)

4.13. Обмотка высшего напряжения автотрансформатора

Обмотка ВН

Совокупность витков, в которых индуктируется электродвижущая сила, используемая для получения высшего напряжения автотрансформатора

4.14. Обмотка среднего напряжения автотрансформатора

Обмотка СН

Совокупность витков, в которых индуктируется электродвижущая сила, используемая для получения среднего напряжения автотрансформатора

4.15. Обмотка низшего напряжения автотрансформатора

Обмотка НН

Совокупность витков, в которых индуктируется электродвижущая сила, используемая для получения низшего напряжения автотрансформатора

4.16. Обмотка фазы

Одна из обмоток однофазного трансформатора или часть обмотки трехфазного или многофазного трансформатора, образующая ее фазу

4.17. Обмотка стержня

Часть или целая обмотка высшего, среднего или низшего напряжения, расположенная на стержне трансформатора.

Примечание. В автотрансформаторе под обмоткой стержня подразумевается общая или последовательная обмотка

4.18. Концентрические обмотки

Обмотки стержня, изготовленные в виде цилиндров и концентрически расположенные на стержне магнитной системы (см. черт. 4, 5)

4.19. Двойная концентрическая обмотка

Обмотка, состоящая из двух цилиндрических частей, расположенных на стержне магнитной системы концентрически с двух сторон другой обмотки (см. черт. 6)

4.20. Чередующиеся обмотки

Обмотки высшего и низшего напряжения трансформатора, чередующиеся в осевом направлении стержня (см. черт. 10)

4.21. Регулировочная обмотка

РО

Отдельно выполненная часть обмотки трансформатора, имеющая ответвления, переключаемые при регулировании напряжения

4.22. Обмотка грубого регулирования

РО грубая

Отдельно выполненная часть регулировочной обмотки, напряжение между соседними ответвлениями которой равно сумме напряжений нескольких ступеней регулирования

4.23. Обмотка тонкого регулирования

РО тонкая

Отдельно выполненная часть регулировочной обмотки, имеющая ответвления, соответствующие каждой ступени регулирования

4.24. Компенсационная обмотка

ко

Вспомогательная обмотка, располагаемая на стержнях или ярмах с целью компенсации частей магнитного поля трансформатора.

Примечание. Возможна, например, компенсация магнитодвижущей силы регулировочной обмотки, магнитного поля нулевой последовательности, поля третьей гармонической и др.

4.25. Сетевая обмотка

Обмотка преобразовательного трансформатора, присоединяемая к сети переменного тока

4.26. Вентильная обмотка

Обмотка преобразовательного трансформатора, присоединяемая к вентильным преобразователям

4.27. Группа соединения обмоток трансформатора

Угловое смещение векторов линейных электродвижущих сил обмоток (сторон) среднего и низшего напряжений по отношению к векторам соответствующих электродвижущих сил обмотки (стороны) высшего напряжения

4.28. Нейтраль обмотки

Общая точка обмоток фаз трехфазного или многофазного трансформатора, соединяемых в «звезду» или «зигзаг».

Примечание. В однофазном трансформаторе зажим обмотки, предназначенный для присоединения к общей точке при соединении обмоток трехфазной (многофазной) группы в «звезду» или «зигзаг»

4.29. Ответвление обмотки

Отвод, присоединенный к одному из витков и позволяющий использовать часть обмотки, заканчивающуюся этим витком

4.30. Основное ответвление обмотки

Ответвление, на котором обмотка трансформатора имеет номинальную мощность при номинальном напряжении.

Примечание. В специальных трансформаторах и в отдельных случаях в трансформаторах общего назначения основное ответвление определяется нормативным документом

4.31. Положительное ответвление обмотки

Ответвление, так расположенное в обмотке, что при его включении увеличивается число витков с одинаковым направлением электродвижущей силы по сравнению с числом витков на основном ответвлении.

Примечание к терминам 4.31 и 4.32. При реверсировании регулировочной обмотки одно и то же ответвление может быть положительным или отрицательным

4.32. Отрицательное ответвление обмотки

Ответвление, так расположенное в обмотке, что при его включении уменьшается число витков с одинаковым направлением электродвижущей силы по сравнению с числом витков на основном ответвлении

5. ИЗОЛЯЦИЯ ТРАНСФОРМАТОРА

5.1. Изоляция трансформатора

Совокупность изоляционных деталей и заполняющей трансформатор изоляционной среды, исключающая замыкание металлических частей трансформатора, находящихся во время его работы под напряжением, с заземленными частями, а также частей, находящихся под разными потенциалами, между собой

5.2. Внутренняя изоляция

Изоляция внутри бака трансформатора в масле или другом жидком диэлектрике (внутри бака герметичного трансформатора, заполненного воздухом или газом) или внутри заполняющего трансформатор твердого диэлектрика.

Примечание. Основным признаком внутренней изоляции является практическая независимость ее электрической прочности от внешних атмосферных условий

5.3. Внешняя изоляция

Изоляция в воздухе снаружи бака трансформатора.

Примечания:

1. Основным признаком внешней изоляции является зависимость ее электрической прочности от атмосферных условий

2. Внешняя изоляция в воздушном трансформаторе - изоляция вне пространства, ограниченного наружной цилиндрической поверхностью наружной обмотки и ближайшими к обмоткам поверхностями магнитной системы

5.4. Междуфазная изоляция

Изоляция между обмотками разных фаз трансформатора

5.5. Главная изоляция обмотки

Изоляция обмотки от частей остова и от других обмоток.

5.6. Продольная изоляция обмотки

Изоляция между разными точками обмотки фазы трансформатора.

Примечание. Изоляция между разными точками обмотки фазы, например, между витками, слоями витков, катушками, элементами емкостной защиты и т.п.

5.7. Концевая изоляция обмотки

Изоляционные конструкции и детали, служащие для изолирования торцевых частей обмоток от ярма, ярмовых балок и металлических прессующих колец

5.8. Емкостная защита обмотки

Специальные меры, применяемые для выравнивания емкостного распределения напряжения вдоль обмотки.

Примечание. Емкостная защита может достигаться применением электростатических экранов, конденсаторов или изменением последовательности соединения между собой катушек обмотки или витков в катушках

5.9. Емкостное кольцо обмотки

Кольцевой металлический незамкнутый изолированный электростатический экран, расположенный у торца обмотки или между ее катушками и гальванически соединенный с одной из ее точек

5.10. Экран емкостной защиты обмотки*

Цилиндрический незамкнутый электростатический экран, расположенный вдоль внутренней или наружной цилиндрической поверхности обмотки и гальванически соединенный с одной из ее точек или заземленный.

5.11. Экранирующий виток обмотки

Кольцевой незамкнутый электростатический экран, расположенный снаружи или внутри катушки непрерывной или дисковой обмотки, имеющий размер в направлении оси обмотки равный приблизительно осевому размеру одной катушки

5.12. Обмотка с неградуированной изоляцией

Обмотка, у которой линейный конец и нейтраль имеют один уровень изоляции

5.13. Обмотка с градуированной изоляцией

Обмотка, у которой линейный конец и нейтраль имеют различные уровни изоляции

5.14. Термический срок службы изоляции

Период работы от первого включения до полного износа изоляции под влиянием физико-химических факторов, прежде всего температуры, при изменяющихся нагрузке, напряжении и условиях охлаждения

5.15. Номинальный термический срок службы изоляции

Термический срок службы при постоянной температуре наиболее нагретой точки изоляции, равной допустимой температуре для данного изоляционного материала

6. ОТДЕЛЬНЫЕ ЧАСТИ ТРАНСФОРМАТОРА

6.1. Активная часть трансформатора

Единая конструкция, включающая в собранном виде остов трансформатора, обмотки с их изоляцией, отводы, части регулирующего устройства, а также все детали, служащие для их механического соединения.

Примечание. В некоторых типах трансформаторов с активной частью могут быть конструктивно связаны крышка бака и вводы

6.2. Активные материалы трансформатора

Электротехническая сталь или другой ферромагнитный материал, из которого изготовлена магнитная система, а также металл обмоток и отводов трансформатора

6.3. Остов

Единая конструкция, включающая в собранном виде магнитную систему со всеми деталями, служащими для ее соединения и для крепления обмоток

6.4. Отводы

Совокупность электрических проводников, служащих для соединения обмоток трансформатора с вводами, устройствами переключения ответвлений обмоток и другими токоведущими частями

6.5. Контактный зажим трансформатора

Контактный зажим, имеющий гальваническую связь с обмотками и предназначенный для присоединения трансформатора к внешней цепи

6.6. Бак трансформатора

Бак, в котором размещается активная часть трансформатора или трансформаторного агрегата с жидким диэлектриком, газо- или кварценаполненного

6.7. Бак колокольного типа

Бак, имеющий вблизи дна разъем, позволяющий отделить и поднять верхнюю часть бака без подъема активной части трансформатора

6.8. Герметичный бак

Бак, имеющий уплотнения, практически исключающие сообщение между внутренним объемом бака и окружающей атмосферой.

Примечание. При наличии расширителя герметизация относится и к внутреннему объему расширителя

6.9. Расширитель

Сосуд, соединенный с баком трубопроводом и служащий для локализации колебаний уровня жидкого диэлектрика

6.10. Воздухоосушитель

Сосуд, сообщающийся с одной стороны с внутренним объемом воздуха в расширителе или баке трансформатора, а с другой - с атмосферным воздухом, предназначенный для отделения влаги из воздуха, поступающего в расширитель или бак трансформатора

6.11. Маслоуказатель

Указатель уровня масла или другого жидкого диэлектрика в трансформаторе или его расширителе

6.12. Термосифонный фильтр

Сосуд, сообщающийся двумя патрубками с внутренним объемом бака в верхней и нижней его части, заполненный веществом, служащим для очистки масла или другого жидкого диэлектрика от продуктов окисления и для поглощения влаги

6.13. Кожух трансформатора

Оболочка воздушного трансформатора, защищающая его активную часть от попадания посторонних предметов, но допускающая свободный доступ к ней охлаждающего воздуха

6.14. Устройство регулирования напряжения трансформатора (трансформаторного агрегата)

Устройство, предназначенное для регулирования напряжения трансформатора (трансформаторного агрегата) и включающее все необходимые для этого аппараты, механизмы и составные части, за исключением регулировочных обмоток

6.15. Устройство переключения от ветвлений обмоток

Устройство, предназначенное для изменения соединений ответвлений обмоток между собой или с вводом

6.16. Устройство переключения ответвлений обмоток без возбуждения

Устройство ПБВ

Устройство, предназначенное для изменения соединений ответвлений обмоток при невозбужденном трансформаторе

6.17. Устройство регулирования напряжения трансформатора под нагрузкой

Устройство РПН

Устройство регулирования, предназначенное для регулирования напряжения без перерыва нагрузки и без отключения обмоток трансформатора от сети

6.18. Переключатель ответвлений обмотки

Контактное устройство, служащее для переключения ответвлений обмотки в трансформаторе, переключаемом без возбуждения

6.19. Избиратель ответвлений

Часть устройства регулирования под нагрузкой, предназначенная для выбора нужного ответвления обмотки перед переключением и для длительного пропускания тока.

Примечание. Избиратель ответвлений не служит для изменения и отключения тока

6.20. Предызбиратель ответвлений

Часть устройства регулирования напряжения под нагрузкой, длительно пропускающая ток, предназначенная для использования контактов избирателя, а также присоединенных к нему ответвлений обмотки более одного раза при прохождении всего диапазона регулирования трансформатора.

Примечания:

1. Предызбиратель не служит для изменения и отключения тока.

2. Предызбиратель может производить реверсирование регулировочной части обмотки или переключение грубых ступеней регулирования

6.21. Контактор устройства регулирования напряжения под нагрузкой

Часть устройства регулирования напряжения под нагрузкой, предназначенная для изменения и отключения тока в цепях переключающего устройства, предварительно подготовленных к этому избирателем

6.22. Токоограничивающий резистор устройства регулирования напряжения под нагрузкой

Резистор устройства регулирования напряжения под нагрузкой, предназначенный для включения между работающим и вводимым в работу ответвлением с целью ограничения переходного тока в переключаемой части обмотки и перевода нагрузки с одного ответвления на другое без перерыва в токе нагрузки трансформатора и без существенного его изменения

6.23. Токоограничивающий реактор устройства регулирования напряжения под нагрузкой

Реактор устройства регулирования напряжения под нагрузкой, предназначенный для включения между работающим и вводимым в работу ответвлением с целью ограничения переходного тока в переключаемой части обмотки и перевода нагрузки с одного ответвления на другое без перерыва в токе нагрузки трансформатора и без существенного его изменения

6.24. Система охлаждения

Совокупность теплообменников или элементов системы охлаждения, устройств, предназначенных для ускорения движения теплоносителя и (или) охлаждающей среды, контрольных и измерительных приборов, служащая для отвода тепла, выделяющегося в трансформаторе в охлаждающую среду

6.25. Охладитель

Теплообменник, в котором происходит передача тепла от теплоносителя, заполняющего бак трансформатора и принудительно циркулирующего через теплообменник, воздуху или воде, движение которых также принудительно ускоряется

6.26. Радиатор трансформатора

Теплообменник, в котором происходит передача тепла от теплоносителя, заполняющего бак трансформатора и движущегося путем естественной конвекции, воздуху, охлаждающему трансформатор

7. ДЕТАЛИ КОНСТРУКЦИИ И ПАРАМЕТРЫ ЧАСТЕЙ ТРАНСФОРМАТОРА

7.1. МАГНИТНАЯ СИСТЕМА

7.1.1. Стержень (ярмо) с плоской шихтовкой

Стержень (ярмо) магнитной системы, в котором плоские пластины различной или одинаковой ширины расположены так, что плоскости всех пластин параллельны

7.1.2. Стержень с радиальной шихтовкой

Стержень стыковой магнитной системы, в котором плоские пластины разной ширины расположены в поперечном сечении стержня практически в радиальных направлениях

7.1.3. Стержень с эвольвентной шихтовкой

Стержень стыковой магнитной системы, в котором пластины одной ширины изогнуты и расположены так, что в поперечном сечении они имеют форму эвольвенты и в совокупности образуют практически круговой цилиндр

7.1.4. Ступенчатое сечение стержня

Поперечное сечение стержня, собранного из двух или более пакетов пластин разной ширины, имеющее форму ступенчатой фигуры, вписанной в окружность или овал

7.1.5. Круглое сечение стержня

Поперечное сечение стержня с радиальной или эвольвентной шихтовкой, практически имеющее форму круга

7.1.6. Пластина магнитной системы

Пластина из электротехнической стали или другого ферромагнитного материала, являющаяся элементом магнитной системы трансформатора.

Примечание. В некоторых конструкциях магнитных систем пластина при сборке может подвергаться изгибу по заданному профилю

7.1.7. Пакет пластин

Стопа пластин одного размера в стержне или ярме магнитной системы.

Примечание. Пакет может состоять из двух частей, разделенных каналом

7.1.8. Число ступеней в стержне (ярме)

Число пакетов пластин в половине поперечного сечения стержня (ярма) магнитной системы с плоской шихтовкой.

Примечание. Аналогично определяется число ступеней в навитой магнитной системе

7.1.9. Коэффициент заполнения круга

Отношение площади поперечного сечения стержня к площади круга с диаметром, равным диаметру стержня трансформатора.

Примечание. При наличии в сечении стержня каналов площадь поперечного сечения каналов не включается в площадь поперечного сечения стержня

7.1.10. Коэффициент заполнения сечения стержня (ярма)

Отношение активного сечения стержня (ярма) к площади его поперечного сечения

7.1.11. Коэффициент заполнения сталью

Отношение активного сечения стержня к площади круга с диаметром, равным диаметру стержня трансформатора.

Примечание. Коэффициент заполнения сталью равен произведению коэффициента заполнения круга и коэффициента заполнения сечения стержня

7.1.12. Окно магнитной системы

Пространство, ограниченное ближайшими поверхностями двух соседних стержней и двух торцевых ярм или поверхностями стержня, двух торцевых частей и боковой части бокового ярма

7.1.13. Высота окна магнитной системы

Расстояние между двумя торцевыми ярмами, измеренное по линии, параллельной продольной оси стержня (см. черт. 1).

7.1.14. Ширина окна магнитной системы

Расстояние между ближайшими поверхностями двух соседних стержней или стержня и бокового ярма, измеренное по линии, перпендикулярной их продольным осям (см. черт. 1)

7.1.15. Коэффициент заполнения окна магнитной системы

Отношение суммарной площади поперечного сечения металла всех витков всех обмоток в окне магнитной системы к площади окна

7.1.16. Ярмовая прессующая балка

Балка, служащая в магнитной системе для прессовки ярма и в качестве торцевой опоры, для обмоток или только для прессовки ярма

7.1.17. Угол магнитной системы

Часть магнитной системы, ограниченная объемом, образованным пересечением боковых поверхностей или их продолжений одного из ярм и одного из стержней (см. черт. 1)

7.1.18. Стык магнитной системы

Место сочленения пластин стержня и ярма в шихтованной магнитной системе или пакетов пластин стержня и ярма в стыковой магнитной системе.

Примечание. В некоторых конструкциях магнитных систем возможен стык пластин внутри стержня или ярма

7.1.19. Прямой стык магнитной системы

Стык магнитной системы, при котором пластины сохраняют прямоугольную форму

7.1.20. Косой стык магнитной системы

Стык магнитной системы, при котором пластины (пакеты) в месте сочленения срезаны под углом, близким к 45° к продольной оси пластины

7.1.21. Изоляция пластин (лент) магнитной системы

Слой изоляционного материала, наносимый на поверхность пластины (ленты) или образуемый на ее поверхности

7.2. ОБМОТКИ.

7.2.1. Слой обмотки

Ряд витков от одного и более, расположенных на одной цилиндрической поверхности

7.2.2.. Катушка обмотки

Группа последовательно соединенных витков более одного витка, конструктивно объединенная и отделенная от других таких групп или обмоток

7.2.3. Входные катушки обмотки

Катушки обмотки, ближайшие к ее линейному зажиму и отличающиеся по конструкции от остальных катушек

7.2.4. Простая цилиндрическая обмотка

Обмотка, сечение витка которой состоит из сечений одного или нескольких параллельных проводов, а витки и все их параллельные провода расположены в один ряд (слой) без интервалов на цилиндрической поверхности в ее осевом направлении (см. черт. 11)

7.2.5. Двухслойная (многослойная) цилиндрическая обмотка

Обмотка, состоящая из двух (или более) концентрически расположенных простых цилиндрических обмоток (слоев) (см. черт. 12)

7.2.6. Катушечная обмотка

Обмотка, состоящая из ряда катушек, расположенных в осевом направлении обмотки

7.2.7. Дисковая катушечная обмотка

Катушечная обмотка, собранная из отдельно намотанных катушек, выполненных в виде плоских спиралей из одного провода или нескольких параллельных проводов

7.2.8. Непрерывная катушечная обмотка

Катушечная обмотка, намотанная непрерывным проводом в виде плоских спиралей из одного провода или нескольких параллельных проводов (см. черт. 15)

7.2.9. Переплетенная обмотка

Катушечная обмотка, в которой порядок последовательного соединения витков отличается от последовательности их расположения в катушках

7.2.10. Обмотка с переплетением катушек

Катушечная обмотка, в которой порядок последовательного соединения катушек отличается от последовательности их расположения в обмотке

7.2.11. Многослойная цилиндрическая катушечная обмотка

Катушечная обмотка, каждая катушка которой представляет собой многослойную цилиндрическую обмотку

7.2.12. Одноходовая винтовая обмотка

Обмотка, витки которой следует один за другим в осевом направлении по винтовой линии, а сечение каждого витка образовано сечениями нескольких параллельных проводов прямоугольного сечения, расположенными в один ряд в радиальном направлении обмотки (см. черт. 13).

7.2.13. Двухходовая (многоходовая) винтовая обмотка

Обмотка, состоящая из двух или более одноходовых обмоток, взаимно расположенных подобно ходам резьбы двухходового (многоходового) винта (см. черт. 14)

7.2.14. Транспозиция проводов обмотки

Изменение взаимного расположения параллельных проводов в сечении витка обмотки с целью уравнивания распределения тока между ними

7.2.15. Сосредоточенная транспозиция проводов обмотки

Транспозиция проводов обмотки, сосредоточенная в нескольких местах в осевом направлении, при числе мест меньшем, чем число параллельных проводов без одного

7.2.16. Групповая транспозиция проводов обмотки

Сосредоточенная транспозиция, при которой все параллельные провода делятся на две или более группы и изменяется взаимное расположение этих групп без изменения расположения проводов в группе (см. черт. 16)

7.2.17. Общая транспозиция проводов обмотки

Сосредоточенная транспозиция, при которой изменяется взаимное расположение всех параллельных проводов (см. черт. 16)

7.2.18. Равномерно распределенная транспозиция проводов обмотки

Транспозиция параллельных проводов в винтовой или катушечной обмотке, выполняемая путем изменения расположения всех проводов в ряде мест, равномерно распределенных в осевом направлении обмотки, при числе мест не меньше числа параллельных проводов или катушек без одного (см. черт. 17)

7.2.19. Прессующее кольцо обмотки

Металлическое разрезное или неметаллическое кольцо, размещенное между концевой изоляцией обмотки и ярмовыми балками трансформатора с целью осуществления осевой прессовки обмотки

8. РЕЖИМЫ И ПРОЦЕССЫ

8.1. Номинальный режим трансформатора

Режим работы трансформатора на основном ответвлении при номинальных значениях напряжения, частоты, нагрузки и номинальных условиях места установки и охлаждающей среды

8.2. Аварийный режим трансформатора

Режим работы, при котором напряжение или ток обмотки, или части обмотки таковы, что при достаточной продолжительности это угрожает повреждением или разрушением частей трансформатора

8.3. Параллельная работа трансформаторов

Работа двух или нескольких трансформаторов при параллельном соединении не менее, чем двух основных обмоток одного из них с таким же числом основных обмоток другого трансформатора (других трансформаторов)

8.4. Режим холостого хода трансформатора

Х. х. трансформатора

Режим работы при питании одной из обмоток трансформатора от источника с переменным напряжением и других обмотках, не замкнутых на внешние цепи.

Примечание. Если нет специальной оговорки, то предполагается, что напряжение источника питания равно номинальному напряжению первичной обмотки и синусоидально, а частота равна номинальной частоте трансформатора

8.5. Опыт холостого хода

Опыт х. х.

Режим холостого хода трансформатора, осуществляемый при номинальной частоте и различных значениях синусоидального напряжения первичной обмотки с целью опытного определения потерь и тока холостого хода и других параметров и характеристик трансформатора

8.6. Режим короткого замыкания трансформатора

Режим работы трансформатора при питании хотя бы одной из обмоток от источника с переменным напряжением при коротком замыкании на зажимах одной из других обмоток.

Примечание. Если нет специальной оговорки, то предполагается, что напряжение источника питания равно номинальному напряжению первичной обмотки и синусоидально, а его частота равна номинальной частоте трансформатора

8.7. Опыт короткого замыкания пары обмоток

Опыт к. з. пары обмоток

Режим короткого замыкания, осуществляемый с целью опытного определения потерь напряжения короткого замыкания и других параметров и характеристик пары обмоток трансформатора при номинальной частоте и пониженном против номинального напряжения на одной из обмоток, при закороченной второй обмотке этой пары и остальных обмотках, не замкнутых на внешние цепи

8.8. Режим нагрузки трансформатора

Режим работы возбужденного трансформатора при наличии токов не менее, чем в двух его основных обмотках, каждая из которых замкнута на внешнюю цепь.

Примечание. При этом не учитываются токи, протекающие в двух или более обмотках в режиме холостого хода

8.9. Номинальный режим нагрузки двухобмоточного трансформатора

Режим нагрузки трансформатора номинальным током при номинальных частоте и напряжении

8.10. Номинальный режим нагрузки трехобмоточного (многообмоточного) трансформатора

Режим нагрузки трехобмоточного (многообмоточного) трансформатора, установленный нормативным документом

8.11. Допустимый режим нагрузки трансформатора

Режим продолжительной нагрузки трансформатора, при - которой расчетный износ изоляции обмоток от нагрева не превосходит износ, соответствующий номинальному режиму работы.

Примечание. Метод и нормы для расчета износа изоляции устанавливаются нормативным документом

8.12. Перегрузка трансформатора

Нагрузка трансформатора, при которой расчетный износ изоляции обмоток, соответствующий установившимся превышениям температуры, превосходит износ, соответствующий номинальному режиму работы

8.13. Допустимая перегрузка

Перегрузка трансформатора, разрешенная нормативным документом

8.14. Допустимая систематическая перегрузка

Ограниченная по длительности перегрузка трансформатора, при которой расчетный износ изоляции за установленное время не превосходит износа за такое же время при номинальном режиме работы.

Примечание. Установленное время (обычно одни сутки) включает длительность перегрузки и длительность предшествующей и последующей нагрузок

8.15. Допустимая аварийная перегрузка

Перегрузка трансформатора, допустимая в аварийных режимах, величина и длительность которой установлены нормативным документом

8.16. Нагрузочная способность трансформатора

Совокупность допустимых нагрузок и перегрузок трансформатора

8.17. Возбуждение трансформатора

Создание основного магнитного поля трансформатора путем подключения одной или нескольких обмоток к одной или нескольким сетям или другим источникам с соответствующими номинальными напряжениями и частотой

8.18. Перевозбуждение трансформатора

Увеличение магнитной индукции в магнитной системе трансформатора по отношению к индукции в режиме холостого хода

8.19. Превышение номинального напряжения трансформатора

Превышение напряжения сети, в которую включена обмотка трансформатора по сравнению с номинальным напряжением обмотки на включенном ответвлении

8.20. Регулирование напряжения трансформатора

Изменение в соответствии с заданные режимом или стабилизация напряжения одной или более обмоток при помощи специального устройства

8.21. Продольное регулирование напряжения

Регулирование напряжения трансформатора с изменением или стабилизацией его значения

8.22. Поперечное регулирование напряжения

Регулирование напряжения трансформатора с изменением или стабилизацией его фазы

8.23. Продольно-поперечное регулирование напряжения

Регулирование напряжения трансформатора с изменением или стабилизацией его значения и фазы

8.24. Регулирование напряжения трансформатора в нейтрали

Регулирование напряжения трансформатора путем переключения ответвлений обмотки, расположенных вблизи ее нейтрал

8.25. Регулирование напряжения трансформатора в линии

Регулирование напряжения трансформатора путем переключения ответвлений обмотки, расположенных вблизи от зажима, присоединяемого к сети

8.26. Естественное масляное охлаждение

Охлаждение частей масляного транс форматора путем естественной конвекции масла при охлаждении внешней поверхности бака и установленных на нем охладительных элементов посредством естественной конвекции воздуха и лучеиспускания воздухе.

Примечание. Аналогично определяется естественное охлаждение при заполнении трансформатора другим жидким диэлектриком

8.27. Естественное воздушное охлаждение

Охлаждение частей сухого трансформатора путем естественной конвекции воздуха и частично лучеиспускания в воздухе

8.28. Дутьевое охлаждение

Охлаждение трансформатора с использованием принудительного повышения скорости движения воздуха, охлаждающего отдельные части системы охлаждения или активную часть трансформатора

8.29. Циркуляционное охлаждение

Охлаждение трансформатора с использованием принудительного повышения скорости движения заполняющего трансформатор теплоносителя при помощи насосов или вентиляторов

8.30. Масляно-водяное охлаждение трансформатора

Охлаждение масляного трансформатора с принудительной циркуляцией масла через охладители, охлаждаемые водой.

Примечание. Аналогично определяется водяное охлаждение при заполнении трансформатора другим жидким диэлектриком

8.31. Направленное циркуляционное охлаждение

Циркуляционное охлаждение с канализацией движения теплоносителя внутри бака трансформатора

9. ПАРАМЕТРЫ ТРАНСФОРМАТОРА

9.1. ОБЩИЕ ПАРАМЕТРЫ

9.1.1 Высшее напряжение трансформатора

ВН

Наибольшее из номинальных напряжений обмоток трансформатора

9.1.2. Низшее напряжение трансформатора

НН

Наименьшее из номинальных напряжений обмоток трансформатора

9.1.3. Среднее напряжение трансформатора

СН

Номинальное напряжение, являющееся промежуточным между высшим и низшим номинальными напряжениями обмоток трансформатора.

Примечание. При наличии более трех цепей и двух или более промежуточных напряжений эти напряжения, начиная с более высокого, следует именовать: «первое среднее», «второе среднее» и т.д.

9.1.4. Напряжение короткого замыкания пары обмоток трансформатора

Напряжение к. з.

Приведенное к расчетной температуре линейное напряжение, которое нужно подвести при номинальной частоте к линейным зажимам одной из обмоток пары, чтобы в этой обмотке установился ток, соответствующий меньшей из номинальных мощностей обмоток пары при замкнутой накоротко второй обмотке пары и остальных основных обмотках, не замкнутых на внешние цепи

9.1.5. Напряжение короткого замыкания трансформатора

Напряжение к. з.

Напряжение короткого замыкания пары обмоток для двухобмоточного и три значения напряжения короткого замыкания для трех пар обмоток: высшего и низшего, высшего и среднего, среднего и низшего напряжения - для трехобмоточного трансформатора.

Примечание. Для многообмоточного трансформатора с п обмотками число значений напряжения короткого замыкания равно

9.1.6. Изменение напряжения пары обмоток трансформатора

Арифметическая разность напряжений при холостом ходе обмотки на данном ответвлении и напряжения на ее зажимах при заданных токе нагрузки и коэффициенте мощности, когда напряжение на другой обмотке пары равно се номинальному напряжению, если она включена на основном ответвлении, или напряжению другого ответвления, на которое она включена при остальных обмотках, не замкнутых на внешние цепи

9.1.7. Коэффициент трансформации

Отношение напряжений на зажимах двух обмоток в режиме холостого хода.

Примечания:

1. Для двух обмоток силового трансформатора, расположенных на одном стержне, коэффициент трансформации принимается равным отношению чисел их витков

2. В трехфазном (многофазном) трансформаторе коэффициенты трансформации для фазных и междуфазных напряжений могут быть различными

3. В двухобмоточном трансформаторе коэффициент трансформации равен отношению высшего напряжения к низшему; трехобмоточный трансформатор имеет три коэффициента трансформации - высшего и низшего, высшего и среднего, среднего и низшего напряжений

9.1.8. Значение ступени регулирования напряжения

Наименьшая разность напряжений, получаемая при регулировании

9.1.9. Диапазон регулирования напряжения

Разность максимального и минимального напряжения обмотки, получаемых при регулировании

9.1.10. Ток холостого хода трансформатора

Ток х. х.

Ток первичной основной обмотки трансформатора в режиме холостого хода и номинальном синусоидальном напряжении номинальной частоты на ее зажимах.

Примечание. У трехфазного и многофазного трансформатора током холостого хода считается среднее арифметическое токов всех фаз

9.1.11. Ток короткого замыкания трансформатора

Ток к. з.

Ток в обмотке трансформатора при испытаниях на стойкость при коротком замыкании в одной из сетей, присоединенных к зажимам трансформатора

9.1.12. Установившийся ток короткого замыкания

Действующее значение тока короткого замыкания, определяемое без учета свободного тока при неизменном напряжении на зажимах первичной обмотки трансформатора

9.1.13. Наибольший установившийся ток короткого замыкания

Установившийся ток короткого замыкания трансформатора, определяемый с учетом регламентированного реактивного сопротивления питающей сети, на который трансформатор должен быть рассчитан

9.1.14. Ударный ток короткого замыкания

Наибольшее мгновенное значение тока короткого замыкания, определяемое как сумма мгновенных значений вынужденного тока и свободного тока в процессе короткого замыкания

9.1.15. Наибольший ударный ток короткого замыкания

Ударный ток короткого замыкания при наибольшем вынужденном токе и наибольшем возможном или установленном нормативным документом свободном токе

9.1.16. Кратность установившегося тока короткого замыкания

Отношение установившегося тока короткого замыкания трансформатора к номинальному току

9.1.17. Ударный коэффициент тока короткого замыкания

Отношение ударного тока короткого замыкания к амплитуде наибольшего установившегося тока короткого замыкания

9.1.18. Циркулирующий ток в устройстве регулирования напряжения под нагрузкой

Ток, протекающий в контуре, содержащем часть обмотки между двумя ответвлениями и токоограничивающий резистор или обмотку реактора, под воздействием напряжения между двумя ответвлениями в процессе переключения

9.1.19. Типовая мощность трансформатора

Полусумма мощностей всех частей обмоток трансформатора.

Примечание. Мощностью части обмотки является произведение наибольшего длительно допустимого в этой части тока на наибольшее длительно допустимое напряжение этой части

9.1.20. Мощность обмотки трансформатора

Полная мощность, подводимая к этой обмотке от внешней цепи или отводимая от нее во внешнюю цепь

9.1.21. Электромагнитная мощность автотрансформатора

Мощность, передаваемая автотрансформатором из одной сети в другую посредством электромагнитной индукции, равная мощности общей или последовательной обмотки автотрансформатора

9.1.22. Электрическая мощность автотрансформатора

Мощность, непосредственно передаваемая автотрансформатором из одной сети в другую электрическим путем благодаря гальванической связи между соответствующими обмотками, равная произведению напряжения общей обмотки на ток последовательной обмотки автотрансформатора и коэффициент, учитывающий число фаз

9.1.23. Проходная мощность автотрансформатора

Мощность, передаваемая автотрансформатором из одной сети в другую, равная сумме его электромагнитной и электрической мощностей

9.1.24. Потери трансформатора

Активная мощность, расходуемая в магнитной системе, обмотках и других частях трансформатора при различных режимах работы

9.1.25. Потери холостого хода

Потери х. х.

Потери, возникающие в трансформаторе в режиме холостого хода при номинальном напряжении и номинальной частоте

9.1.26. Магнитные потери

Потери, возникающие в магнитной системе трансформатора в режиме холостого хода при номинальном напряжении и номинальной частоте

9.1.27. Потери короткого замыкания пары обмоток

Потери к. з.

Приведенные к расчетной температуре потери, возникающие в трансформаторе при номинальной частоте при установлении в одной из обмоток тока, соответствующего меньшей из номинальных мощностей обмоток этой пары, при замкнутой накоротко второй обмотке пары и остальных основных обмотках, не замкнутых на внешние цепи

9.1.28. Потери короткого замыкания

Потери к. з.

Потери короткого замыкания пары обмоток для двухобмоточного и три значения потерь короткого замыкания для трех пар обмоток: высшего и низшего, высшего и среднего, среднего и низшего напряжений - для трехобмоточного трансформатора.

Примечания:

1. Для многообмоточного трансформатора с п обмотками число значений равно

2. Обмотки пары должны быть включены или замкнуты накоротко на основных ответвлениях

9.1.29. Основные потери в токоведующих частях

Потери в обмотках и других токоведущих частях трансформатора, определяемые током данной обмотки или токоведущей части и ее электрическим сопротивлением, измеренным при постоянном токе

9.1.30. Добавочные потери в опыте короткого замыкания

Разность потерь, измеренных при определенном токе в опыте короткого замыкания, и основных потерь в токоведущих частях, определенных при том же токе

9.1.31. Добавочные потери в токоведущих частях

Потери от токов, наведенных полем рассеяния в токоведущих частях трансформатора

9.1.32. Потери от циркулирующих токов

Потери от токов, наведенных полем рассеяния и замыкающихся в параллельно соединенных ветвях обмоток трансформатора

9.1.33. Добавочные потери в элементах конструкций

Потери от гистерезиса и вихревых токов, возникающие в металлических деталях трансформатора от воздействия поля рассеяния.

Примечание. В добавочные потери в элементах конструкции трансформатора не входят потери от вихревых токов и гистерезиса в активных материалах

9.1.34. Суммарные потери трансформатора

Сумма потерь холостого хода и потерь короткого замыкания трансформатора.

Примечание. Для трехобмоточного трансформатора за потери короткого замыкания принимается наибольшее из трех значений потерь согласно п. 9.1.28

9.1.35. Относительные потери

Отношение потерь холостого хода, потерь короткого замыкания или суммарных потерь трансформатора к его номинальной мощности

9.1.36. Стойкость трансформатора при коротком замыкании

Способность трансформатора при включении на любом, ответвлении выдерживать без повреждений внешние короткие замыкания

9.1.37. Электродинамическая стойкость трансформатора при коротком замыкании

Способность трансформатора выдерживать без повреждений динамические воздействия, возникающие при внешнем коротком замыкании

9.1.38. Термическая стойкость трансформатора при коротком замыкании

Способность трансформатора выдерживать без повреждений термические воздействия, возникающие при внешнем коротком замыкании

9.2. НОМИНАЛЬНЫЕ ДАННЫЕ ТРАНСФОРМАТОРА

9.2.1. Номинальные данные трансформатора

Указанные изготовителем параметры трансформатора (например, частота, мощность, напряжение, ток), обеспечивающие его работу в условиях, установленных нормативным документом и являющиеся основой для определения условий изготовления, испытаний, эксплуатации

9.2.2. Номинальная мощность обмотки (ответвления обмотки)

Указанное на паспортной табличке трансформатора значение полной мощности на основном (данном) ответвлении, гарантированное изготовителем в номинальных условиях места установки и охлаждающей среды при номинальной частоте и номинальном напряжении обмотки (ответвления).

Примечание. Если на паспортной табличке трансформатора указаны несколько мощностей, соответствующих различным способам охлаждения, то за номинальную принимается наибольшая из этих мощностей

9.2.3. Номинальная мощность двухобмоточного трансформатора*

Номинальная мощность каждой из обмоток трансформатора.

Примечание. В трансформаторе с расщепленной обмоткой номинальная мощность - это мощность нерасщепленной обмотки или равная ей суммарная мощность частей расщепленной обмотки

9.2.4. Номинальная мощность трехобмоточного трансформатора*

Наибольшая из номинальных мощностей отдельных обмоток трансформатора

9.2.5. Номинальная мощность автотрансформатора

Номинальная проходная мощность обмоток, имеющих общую часть.

Примечание. Под обмотками понимаются обмотки высшего и низшего напряжения в двухобмоточном и обмотки высшего и среднего напряжения в трехобмоточном автотрансформаторе

9.2.6. Номинальная частота трансформатора

Частота, на которую рассчитан трансформатор, указанная на паспортной табличке

9.2.7. Номинальное напряжение обмотки трансформатора

Указанное на паспортной табличке напряжение между зажимами трансформатора, связанными с обмоткой, при холостом ходе трансформатора.

Примечание. Для обмотки, снабженной ответвлениями, номинальным считается напряжение основного ответвления

9.2.8. Номинальное напряжение ответвления обмотки

Указанное на паспортной табличке напряжение ответвления при холостом ходе трансформатора

9.2.9. Номинальный ток обмотки

Ток, определяемый по номинальной мощности обмотки, ее номинальному напряжению и множителю, учитывающему число фаз

9.2.10. Номинальный ток ответвления обмотки

Ток, определяемый по номинальным мощности и напряжению ответвления обмотки и множителю, учитывающему число фаз, или по указанию нормативного документа

9.2.11. Расчетная температура обмотки

Средняя условная температура обмотки, к которой должны быть приведены потери и напряжение короткого замыкания трансформатора, установленная нормативным документом

9.3. ДАННЫЕ МАСС ТРАНСФОРМАТОРА

9.3.1. Полная масса

Масса собранного трансформатора, включая все узлы, устанавливаемые на нем и на отдельных фундаментах, и всю заполняющую жидкость

9.3.2. Транспортная масса

Масса трансформатора в том виде, в котором он погружается на транспортное средство, без массы демонтируемых узлов и деталей и части изоляционной жидкости, сливаемой перед транспортированием

9.3.3. Масса активной стали

Масса электротехнической стали или другого ферромагнитного материала, образующего магнитную систему трансформатора

9.3.4. Масса металла обмоток

Суммарная масса металла витков всех обмоток трансформатора.

Примечание. При соответствующей оговорке термин может быть отнесен к одной из обмоток, к обмотке фазы или обмотке стержня

9.3.5. Масса масла

Масса масла, которое должно заполнять трансформатор при его работе.

Примечания:

1. В массу масла, определяемую данным термином, не включается масса масла, заполняющего вводы, если их внутренний объем не сообщается с внутренним объемом бака трансформатора.

2. Аналогично определяется масса другого жидкого диэлектрика в трансформаторах, заполненных жидкостями

АЛФАВИТНЫЙ УКАЗАТЕЛЬ ТЕРМИНОВ

Автотрансформатор                                                                                            2.25

Автотрансформатор двухобмоточный                                                            2.26

Автотрансформатор силовой трехобмоточный                                            2.27

Агрегат трансформаторный силовой                                                             1.3

Агрегат трансформаторный регулировочный последовательный          2.23

Агрегат трансформаторный регулировочный линейный                         2.24

Бак трансформатора                                                                                          6.6

Бак герметичный                                                                                               6.8

Бак колокольного типа                                                                                     6.7

Балка ярмовая прессующая                                                                            7.1.16

Виток обмотки                                                                                                    4.1

Виток обмотки экранирующий                                                                       5.11

ВН                                                                                                                          9.1.1

Возбуждение трансформатора                                                                         8.17

Воздухоосушитель                                                                                              6.10

Высота окна магнитной системы                                                                   7.1.13

Группа соединения обмоток трансформатора                                             4.27

Группа трансформаторная многофазная                                                       1.4

Данные трансформатора номинальные                                                        9.2.1

Диаметр стержня                                                                                                3.3

Диапазон регулирования напряжения                                                         9.1.9

Зажим контактный трансформатора                                                             6.5

Защита обмотки емкостная                                                                             5.8

Значение ступени регулирования напряжения                                          9.1.8

Избиратель ответвлений                                                                                  6.19

Изменение напряжения пары обмоток трансформатора                          9.1.6

Изоляция внешняя                                                                                            5.3

Изоляция внутренняя                                                                                       5.2

Изоляция лент магнитной системы                                                                   7.1.21

Изоляция обмотки главная                                                                             5.5

Изоляция обмотки концевая                                                                           5.7

Изоляция обмотки продольная                                                                       5.6

Изоляция пластин магнитной системы                                                        7.1.21

Изоляция трансформатора                                                                               5.1

Изоляция междуфазная                                                                                    5.4

Катушка обмотки                                                                                               7.2.2

Катушки обмотки входные                                                                             7.2.3

Кожух трансформатора                                                                                     6.13

КО                                                                                                                          4.24

Кольцо обмотки емкостное                                                                             5.9

Кольцо обмотки прессующее                                                                          7.2.19

Контактор устройства регулирования напряжения под нагрузкой        6.21

Коэффициент заполнения круга                                                                    7.1.9

Коэффициент заполнения окна магнитной системы                                7.1.15

Коэффициент заполнения сечения стержня                                               7.1.10

Коэффициент заполнения сечения ярма                                                      7.1.10

Коэффициент заполнения сталью                                                                  7.1.11

Коэффициент тока короткого замыкания ударный                                   9.1.17

Кратность установившегося тока короткого замыкания                         9.1.16

Коэффициент трансформации                                                                         9.1.7

Маслоуказатель                                                                                                  6.11

Масса активной стали                                                                                       9.3.3

Масса масла                                                                                                         9.3.5

Масса металла обмоток                                                                                    9.3.4

Масса полная                                                                                                      9.3.1

Масса транспортная                                                                                           9.3.2

Материалы трансформатора активные                                                         6.2

Мощность автотрансформатора номинальная                                             9.2.5

Мощность автотрансформатора проходная                                                  9.1.23

Мощность автотрансформатора электрическая                                          9.1.22

Мощность автотрансформатора электромагнитная                                   9.1.21

Мощность двухобмоточная трансформатора номинальная                      9.2.3

Мощность обмотки трансформатора                                                              9.1.20

Мощность обмотки номинальная                                                                  9.2.2

Мощность ответвления обмотки номинальная                                          9.2.2

Мощность трансформатора типовая                                                              9.1.19

Мощность трехобмоточная трансформатора номинальная                      9.2.4

Напряжение к. з.                                                                                                   9.1.4, 9.1.5

Напряжение короткого замыкания трансформатора                                 9.1.5

Напряжение короткого замыкания пары обмоток трансформатора      9.1.4

НН                                                                                                                          9.1.2

Напряжение обмотки трансформатора номинальное                                9.2.7

Напряжение ответвления обмотки номинальное                                      9.2.8

Напряжение трансформатора высшее                                                          9.1.1

Напряжение трансформатора низшее                                                           9.1.2

Напряжение трансформатора среднее                                                           9.1.3

Нейтраль обмотки трансформатора                                                                4.28

Обмотка автотрансформатора общая                                                             4.11

Обмотка автотрансформатора последовательная                                       4.12

Обмотка вентильная                                                                                         4.26

Обмотка винтовая двухходовая                                                                      7.2.13

Обмотка винтовая одноходовая                                                                     7.2.12

Обмотка винтовая многоходовая                                                                   7.2.13

Обмотка ВН                                                                                                          4.7, 4.13

Обмотка вспомогательная                                                                               4.4

Обмотка вторичная трансформатора                                                             4.6

Обмотка высшего напряжения автотрансформатора                                4.13

Обмотка высшего напряжения трансформатора                                        4.7

Обмотка грубого регулирования                                                                    4.22

Обмотка дисковая                                                                                             7.2.7

Обмотка катушечная                                                                                        7.2.6

Обмотка катушечная цилиндрическая многослойная                             7.2.11

Обмотка компенсационная                                                                             4.24

Обмотки концентрические                                                                             4.18

Обмотка концентрическая двойная                                                              4.19

Обмотка непрерывная катушечная                                                              7.2.8

Обмотка низшего напряжения автотрансформатора                                 4.15

Обмотка низшего напряжения трансформатора                                         4.8

Обмотка НН                                                                                                          4.8, 4.15

Обмотка основная                                                                                             4.3

Обмотка первичная трансформатора                                                            4.5

Обмотка переплетенная                                                                                   7.2.9

Обмотка расщепленная                                                                                    4.10

Обмотка регулировочная                                                                                 4.21

Обмотка сетевая                                                                                                4.25

Обмотка с градуированной изоляцией                                                         5.13

Обмотка СН                                                                                                          4.9, 4.14

Обмотка с неградуированной изоляцией                                                     5.12

Обмотка с переплетением катушек                                                              7.2.10

Обмотка среднего напряжения автотрансформатора                                4.14

Обмотка среднего напряжения трансформатора                                        4.9

Обмотка стержня                                                                                               4.17

Обмотка тонкого регулирования                                                                   4.23

Обмотка трансформатора                                                                                 4.2

Обмотка цилиндрическая двухслойная                                                       7.2.5

Обмотка цилиндрическая многослойная                                                     7.2.5

Обмотка цилиндрическая простая                                                                7.2.4

Обмотки чередующиеся                                                                                   4.20

Обмотка фазы                                                                                                     4.16

Окно магнитной системы                                                                                7.1.12

Опыт к. з. пары обмоток                                                                                      8.7

Опыт короткого замыкания пары обмоток                                                 8.7

Опыт холостого хода                                                                                         8.5

Опыт х. х.                                                                                                               8.5

Остов                                                                                                                     6.3

Ответвление обмотки                                                                                       4.29

Ответвление обмотки основное                                                                     4.30

Ответвление обмотки отрицательное                                                           4.32

Ответвление обмотки положительное                                                          4.31

Отводы                                                                                                                 6.4

Охлаждение воздушное естественное                                                           8.27

Охлаждение дутьевое                                                                                       8.28

Охлаждение масляно-водяное                                                                        8.30

Охлаждение масляное естественное                                                             8.26

Охлаждение циркуляционное                                                                        8.29

Охлаждение циркуляционное направленное                                             8.31

Охладитель                                                                                                          6.25

Пакет пластин                                                                                                    7.1.7

Перевозбуждение трансформатора                                                                 8.18

Переключатель ответвлений обмотки                                                          6.18

Перегрузка аварийная допустимая                                                                8.15

Перегрузка допустимая                                                                                    8.13

Перегрузка систематическая допустимая                                                    8.14

Перегрузка трансформатора                                                                             8.12

Пластина магнитной системы                                                                        7.1.6

Поле обмоток рассеяния магнитное                                                              1.6

Поле магнитное основное                                                                                1.8

Поле токов нулевой последовательности магнитное                                1.7

Поле трансформатора магнитное                                                                    1.5

Потери в опыте короткого замыкания добавочные                                  9.1.30

Потери в токоведущих частях добавочные                                                  9.1.31

Потери в токоведущих частях основные                                                      9.1.29

Потери в элементах конструкции добавочные                                           9.1.33

Потери к. з.                                                                                                       9.1.27, 9.1.28

Потери короткого замыкания                                                                         9.1.28.

Потери короткого замыкания пары обмоток                                              9.1.27

Потери магнитные                                                                                             9.1.26

Потери относительные                                                                                     9.1.35

Потери от циркулирующих токов                                                                   9.1.32

Потери трансформатора                                                                                    9.1.24

Потери трансформатора суммарные                                                              9.1.34

Потери х. х.                                                                                                           9.1.25

Потери холостого хода                                                                                       9.1.25

Превышение номинального напряжения трансформатора                     8.19

Предызбиратель ответвлений                                                                         6.20

Работа трансформаторов параллельная                                                        8.3

Радиатор трансформатора                                                                                 6.26

Расстояние стержней межосевое                                                                    3.4

Расширитель                                                                                                       6.9

Реактор устройства регулирования напряжения под нагрузкой

токоограничивающий                                                                                       6.23

Регулирование напряжения поперечное                                                     8.22

Регулирование напряжения продольное                                                      8.21

Регулирование напряжения продольно-поперечное                                 8.23

Регулирование напряжения трансформатора                                              8.20

Регулирование напряжения трансформатора в линии                              8.25

Регулирование напряжения трансформатора в нейтрали                        8.24

Режим короткого замыкания трансформатора                                           8.6

Режим нагрузки трансформатора                                                                   8.8

Режим нагрузки двухобмоточного трансформатора номинальный        8.9

Режим нагрузки многообмоточного трансформатора номинальный     8.10

Режим нагрузки трансформатора допустимый                                           8.11

Режим нагрузки трехобмоточного трансформатора номинальный        8.10

РО                                                                                                                           4.21

РО грубая                                                                                                               4.22

РО тонкая                                                                                                              4.23

Режим трансформатора аварийный                                                               8.2

Режим трансформатора номинальный                                                          8.1

Режим холостого хода трансформатора                                                         8.4

Резистор устройства регулирования напряжения под нагрузкой

токоограничивающий                                                                                       6.22

СН                                                                                                                          9.1.3

Сечение стержня активное                                                                             3.5

Сечение стержня круглое                                                                                7.1.5

Сечение стержня ступенчатое                                                                        7.1.4

Сечение ярма активное                                                                                    3.5

Система магнитная броневая                                                                         3.15

Система магнитная бронестержневая                                                          3.16

Система магнитная навитая                                                                           3.19

Система магнитная несимметричная                                                           3.12

Система магнитная плоская                                                                           3.9

Система магнитная пространственная                                                         3.10

Система магнитная разветвленная                                                               3.13

Система магнитная симметричная                                                               3.11

Система магнитная стержневая                                                                     3.14

Система магнитная стыковая                                                                         3.18

Система магнитная шихтованная                                                                 3.17

Система охлаждения                                                                                         6.24

Система трансформатора магнитная                                                             3.1

Слой обмотки                                                                                                      7.2.1

Способность трансформатора нагрузочная                                                   8.16

Срок службы изоляции термический                                                           5.14

Срок службы изоляции термический номинальный                                5.15

Стержень с плоской шихтовкой                                                                     7.1.1

Стержень с радиальной шихтовкой                                                               7.1.2

Стержень                                                                                                              3.2

Стержень с эвольвентной шихтовкой                                                           7.1.3

Стойкость трансформатора при коротком замыкании                              9.1.36

Стойкость трансформатора при коротком замыкании электродинамическая                                                                                                                         9.1.37

Стойкость трансформатора при коротком замыкании термическая     9.1.38

Сторона высшего напряжения трансформатора                                         1.9

Сторона низшего напряжения трансформатора                                          1.9

Сторона среднего напряжения трансформатора                                         1.9

Стык магнитной системы                                                                                7.1.18

Стык магнитной системы косой                                                                    7.1.20

Стык магнитной системы прямой                                                                 7.1.19

Схема соединения трансформатора                                                               1.10

Температура обмотки расчетная                                                                    9.2.11

Ток в устройстве регулирования напряжения под нагрузкой циркулирующий                                                                                                                    9.1.18

Ток к. з.                                                                                                                  9.1.11

Ток короткого замыкания трансформатора                                                 9.1.11

Ток короткого замыкания ударный                                                              9.1.14

Ток короткого замыкания ударный наибольший                                      9.1.15

Ток короткого замыкания установившийся                                               9.1.12

Ток короткого замыкания установившийся наибольший                       9.1.13

Ток обмотки номинальный                                                                             9.2.9

Ток ответвления обмотки номинальный                                                     9.2.10

Ток х. х.                                                                                                                  9.1.10

Ток холостого хода трансформатора                                                               9.1.10

Транспозиция проводов обмотки                                                                   7.2.14

Транспозиция проводов обмотки групповая                                               7.2.16

Транспозиция проводов обмотки общая                                                       7.2.17

Транспозиция проводов обмотки равномерно распределенная              7.2.18

Транспозиция проводов обмотки сосредоточенная                                    7.2.15

Трансформатор                                                                                                    1.1

Трансформатор воздушный                                                                             2.15

Трансформатор газонаполненный                                                                 2.16

Трансформатор герметичный                                                                          2.36

Трансформатор двухобмоточный                                                                    2.8

Трансформатор кварценаполненный                                                            2.18

Трансформатор масляный                                                                                2.12

Трансформатор многофазный                                                                         2.7

Трансформатор многообмоточный                                                                 2.10

Трансформатор общего назначения                                                               2.1

Трансформатор однофазный                                                                            2.5

Трансформатор ПБВ                                                                                            2.21

Трансформатор передвижной                                                                          2.35

Трансформатор переключаемый без возбуждения                                     2.21

Трансформатор преобразовательный                                                            2.32

Трансформатор повышающий                                                                        2.3

Трансформатор понижающий                                                                         2.4

Трансформатор пусковой                                                                                 2.34

Трансформатор регулировочный                                                                    2.22

Трансформатор регулировочный линейный                                               2.24

Трансформатор регулировочный последовательный                                2.23

Трансформатор регулируемый                                                                        2.19

Трансформатор, регулируемый под нагрузкой                                            2.20

Трансформатор РПН                                                                                            2.20

Трансформатор рудничный                                                                              2.28

Трансформатор сварочный                                                                              2.31

Трансформатор с жидким диэлектриком                                                      2.11

Трансформатор силовой                                                                                    1.2

Трансформатор с литой изоляцией                                                                2.17

Трансформатор с негорючим жидким диэлектриком                                2.13

Трансформатор с расщепленной обмоткой                                                  2.37

Трансформатор специальный                                                                         2.2

Трансформатор судовой                                                                                    2.30

Трансформатор сухой                                                                                        2.14

Трансформатор трехобмоточный                                                                    2.9

Трансформатор трехфазный                                                                             2.6

Трансформатор тяговый                                                                                   2.29

Трансформатор электропечной                                                                       2.33

Угол магнитной системы                                                                                 7.1.17

Устройство ПБВ                                                                                                   6.16

Устройство переключения ответвления обмоток                                      6.15

Устройство переключения ответвлений обмоток без возбуждения       6.16

Устройство регулирования напряжения под нагрузкой                           6.17

Устройство регулирования напряжения трансформатора                        6.14

Устройство РПН                                                                                                   6.17

Устройство регулирования трансформаторного агрегата                         6.14

Фильтр термосифонный                                                                                   6.12

X. х. трансформатора                                                                                           8.4

Частота трансформатора номинальная                                                         9.2.6

Часть трансформатора активная                                                                    6.1

Число ступеней в стержне                                                                               7.1.8

Число ступеней в ярме                                                                                     7.1.8

Ширина окна магнитной системы                                                                 7.1.14

Экран емкостной защиты обмотки                                                                5.10

Ярмо                                                                                                                      3.6

Ярмо боковое                                                                                                      3.7

Ярмо с плоской шихтовкой                                                                             7.1.1

Ярмо торцевое                                                                                                     3.8.

ПРИЛОЖЕНИЕ

Справочное

ЭСКИЗЫ, ПОЯСНЯЮЩИЕ НЕКОТОРЫЕ ТЕРМИНЫ

Стержневая магнитная система трансформатора

(к терминам: 3.14, 3.2, 3.4, 3.6, 3.7, 7.1.13, 7.1.14, 7.1.17)

А - межосевое расстояние; В - ширина окна; Н - высота окна;

1 - ярмо; 2 - угол; 3 - стержень

Черт. 1

Бронестержневая магнитная система трансформатора

(к терминам: 3.16, 3.2, 3.6, 3.7, 3.8)

1 - стержень; 2 - торцевая часть бокового ярма; 3 - боковое ярмо; 4 - боковая часть бокового ярма; 5 - торцевое ярмо

Черт. 2

Броневая магнитная система трансформатора

(к терминам: 3.15, 3.2, 3.7)

1 - стержень; 2 - боковое ярмо

Черт. 3

Двухобмоточный трансформатор с концентрическими обмотками

(к терминам 2.8 и 4.18)

Черт. 4

Трехобмоточный трансформатор с концентрическими обмотками

(к терминам 2.9 и 4.18)

Черт. 5

Двойная концентрическая обмотка трансформатора

(к термину 4.19)

Черт. 6

Двухобмоточный автотрансформатор

(к терминам: 2.26, 4.11, 4.12)

Черт. 7

Трехобмоточный автотрансформатор

(к термину 2.27)

Черт. 8

Расщепленная обмотка трансформатора

(к термину 4.10)

Черт. 9

Чередующиеся обмотки трансформатора

(к термину 4.20)

Черт. 10

Простая цилиндрическая обмотка трансформатора

(к термину 7.2.4)

Черт. 11

Двухслойная цилиндрическая обмотка трансформатора

(к термину 7.2.5)

Черт. 12

Одноходовая винтовая обмотка трансформатора

(к термину 7.2.12)

Черт. 13

Двухходовая винтовая обмотка трансформатора

(к термину 7.2.13)

Черт. 14

Непрерывная обмотка трансформатора

(к термину 7.2.8)

Черт. 15

Виды транспозиции

(к терминам 7.2.16 и 7.2.17)

Черт. 16

Равномерно распределенная транспозиция проводов обмотки трансформатора

(к термину 7.2.18)

Черт. 17