Информационная система
«Ёшкин Кот»

XXXecatmenu

ОСТ 26.260.466.2000

СТАНДАРТ ОТРАСЛИ

УСТРОЙСТВА ДЛЯ УСТАНОВКИ ПРИБОРОВ ИЗМЕРЕНИЯ ДАВЛЕНИЯ НА Ру 4,0 и 16,0 МПа
(с двумя вентилями)

Конструкция и размеры

 

Предисловие

1 РАЗРАБОТАН Дочерним открытым акционерным обществом Центральное конструкторское бюро нефтеаппаратуры ДАО ЦКБН

2 ПРИНЯТ И ВВЕДЕН В ДЕЙСТВИЕ Техническим комитетом 260 «Оборудование химическое и нефтегазоперерабатывающее»

3 ВЗАМЕН АТК 24.201.03 - 90 в части устройств с двумя вентилями типа ВМ-15.

4 ВВЕДЕН ВПЕРВЫЕ

ОСТ 26.260.466-2000

СТАНДАРТ ОТРАСЛИ

УСТРОЙСТВА ДЛЯ УСТАНОВКИ ПРИБОРОВ ИЗМЕРЕНИЯ
ДАВЛЕНИЯ НА Ру 4,0 и 16,0 МПа
(с двумя вентилями)

Конструкция и размеры

Дата введения 2000-12-01

1 Область применения

Настоящий стандарт устанавливает пределы применения, конструкцию и основные размеры устройств для установки приборов измерений давления на трубопроводах и аппаратах, применяемых в химической, нефтехимической, газовой и других смежных отраслях промышленности на условное давление 4,0 и 16,0 МПа, температуру от минус 40 до 250 °С, для неагрессивной среды со скоростью коррозии до 0,1 мм/год, в том числе:

- природный газ с содержанием углекислоты до 1 % объемных, сероводорода не более 20 мг/нм3, нефтегазовая смесь, углеводородный конденсат, конденсационная вода, метанол, мехпримеси.

 

ОАО «НИИхиммаш»

Зарегистрировано № 152 2000-09-12

Заместитель Генерального директора

________________ В.В. Раков

2 Нормативные ссылки

В настоящем стандарте использованы ссылки на следующие стандарты:

ОСТ 26.260.465-2000 Устройства для установки приборов измерения давления на Ру 1,6 МПа (с краном трехходовым). Конструкция и размеры

ОСТ 26.260.472-2000 Устройства для установки приборов измерения и отбора давления. Общие технические требования

ТУ 26-07-1078-73 Вентили запорные муфтовые типа ВВД, Ру 16 МПа (160 кгс/см2)

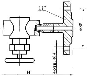
3 Конструкция и размеры

3.1 По конструкции и размерам устройства имеют шестнадцать исполнений:

исполнения 1 - 8 - рисунки 1 - 8, таблица 1

исполнения 9 - 16 - рисунки 9 - 16, таблица 1.

Исполнение 1

1 - гайка накидная 1 ОСТ 26.260.465

2 - ниппель шаровый 1 ОСТ 26.260.465

3 - прокладка 1 ОСТ 26.260.465

4 - гайка накидная 1 ОСТ 26.260.466

5 - ниппель 1 ОСТ 26.260.466

6 - тройник равнопроходный 1 ОСТ 26.260.466

7 - штуцер концевой 1 ОСТ 26.260.466

8 - штуцер проходной 1 ОСТ 26.260.466

9 - вентиль Ду 15, Ру 16 МПа т/ф 14с64нж

(Р1327-00-00) У1 ТУ 26-07-1078

Рисунок 1

Исполнение 2

Остальное см. исполнение 1

10 - тройник переходный 2 ОСТ 26.260.466

Рисунок 2

Исполнение 3

Остальное см. исполнение 1

10 - заглушка 3 ОСТ 26.260.466

Рисунок 3

Исполнение 4

Остальное см. исполнение 1

10* - заглушка 4 ОСТ 26.260.466

Рисунок 4

Исполнение 5

1 - гайка накидная 1 ОСТ 26.260.465

2 - ниппель шаровый 1 ОСТ 26.260.465

3 - прокладка 1 ОСТ 26.260.465

4 - гайка накидная 1 ОСТ 26.260.466

5 - ниппель 1 ОСТ 26.260.466

6 - тройник равнопроходный 1 ОСТ 26.260.466

7 - штуцер концевой 1 ОСТ 26.260.466

8 - штуцер проходной 1 ОСТ 26.260.466

9 - вентиль Ду 15, Ру 16 МПа т/ф 14с64нж (Р 1327-00-00) УI ТУ 26-07-1078

Рисунок 5

Исполнение 6

Остальное см. исполнение 5

10 - тройник переходный 2 ОСТ 26.260.466

Рисунок 6

Исполнение 7

Остальное см. исполнение 5

10 - заглушка 3 ОСТ 26.260.466

Рисунок 7

Исполнение 8

Остальное см. исполнение 5

10* - заглушка 4 ОСТ 26.260.466

Рисунок 8

_____________

* Заглушку поз. 10 в устройствах исполнений 4 и 8 для сосудов и аппаратов 1 и 2 группы применять с уплотнительной поверхностью «выступ» рисунок 24.

Исполнение 9

1 - гайка накидная 1 ОСТ 26.260.465

2 - ниппель шаровый 1 ОСТ 26.260.465

3 - прокладка 1 ОСТ 26.260.465

4 - трубка сифонная 4 ОСТ 26.260.465

5 - гайка накидная 1 ОСТ 26.260.466

6 - ниппель 1 ОСТ 26.260.466

7 - тройник равнопроходный 1 ОСТ 26.260.466

8 - штуцер концевой 1 ОСТ 26.260.466

9 - штуцер проходной 1 ОСТ 26.260.466

10 - вентиль Ду 15, Ру 16 МПа т/ф 14с64нж (Р 1327-00-00) УI ТУ 26-07-1078

Рисунок 9

Исполнение 10

Остальное см. исполнение 9

11 - тройник переходный 2 ОСТ 26.260.466

Рисунок 10

Исполнение 11

Остальное см. исполнение 9

11 - заглушка 3 ОСТ 26.260.466

Рисунок 11

Исполнение 12

Остальное см. исполнение 9

11* - заглушка 4 ОСТ 26.260.466

Рисунок 12

Исполнение 13

1 - гайка накидная 1 ОСТ 26.260.465

2 - ниппель шаровый 1 ОСТ 26.260.465

3 - прокладка 1 ОСТ 26.260.465

4 - трубка сифонная 4 ОСТ 26.260.465

5 - гайка накидная 1 ОСТ 26.260.466

6 - ниппель 1 ОСТ 26.260.466

7 - тройник равнопроходный 1 ОСТ 26.260.466

8 - штуцер концевой 1 ОСТ 26.260.466

9 - штуцер проходной 1 ОСТ 26.260.466

10 - вентиль Ду 15, Ру 16 МПа т/ф 14с64нж (Р 1327-00-00) УI ТУ 26-07-1078

Рисунок 13

Исполнение 14

Остальное см. исполнение 13

11 - тройник переходный 2 ОСТ 26.260.466

Рисунок 14

Исполнение 15

Остальное см. исполнение 13

11 - заглушка 3 ОСТ 26.260.466

Рисунок 15

Исполнение 16

Остальное см. исполнение 13

11* - заглушка 4 ОСТ 26.260.466

Рисунок 16

____________

* Заглушку поз. 11 в устройствах исполнений 12 и 16 для сосудов и аппаратов 1 и 2 группы применять с уплотнительной поверхностью «выступ» рисунок 24.

3.1.1 Конструкция и размеры гайки накидной устройства исполнения 1 должны соответствовать указанным на рисунке 17.

Рисунок 17

Примечание - Масса - 0,05 кг

Пример условного обозначения гайки накидной устройства исполнения 1, материального исполнения 2:

Гайка накидная 1-2 ОСТ 26.260.466-2000

3.1.2 Конструкция и размеры ниппеля устройства исполнения 1 должны соответствовать указанным на рисунке 18.

Рисунок 18

Примечание - Масса - 0,003 кг

Пример условного обозначения ниппеля устройства исполнения 1, материального исполнения 2:

Ниппель 1-2 ОСТ 26.260.466-2000

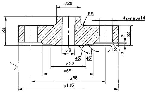
3.1.3 Конструкция и размеры тройника равнопроходного устройства исполнения 1 должны соответствовать указанным на рисунке 19.

Рисунок 19

Примечание - Масса - 0,13 кг

Пример условного обозначения тройника равнопроходного устройства исполнения 1, материального исполнения 2:

Тройник равнопроходный 1-2 ОСТ 26.260.466-2000

3.1.4 Конструкция и размеры штуцера концевого устройства исполнения 1 должны соответствовать указанным на рисунке 20.

Рисунок 20

Примечание - Масса- 0,09 кг.

Пример условного обозначения штуцера концевого устройства исполнения 1, материального исполнения 2:

Штуцер концевой 1-2 ОСТ 26.260.466-2000

3.1.5 Конструкция и размеры штуцера концевого устройства исполнения 1 должны соответствовать указанным на рисунке 21.

Рисунок 21

Примечание - Масса- 0,08 кг.

Пример условного обозначения штуцера проходного устройства исполнения 1, материального исполнения 2:

Штуцер проходной 1-2 ОСТ 26.260.466-2000

3.1.6 Конструкция и размеры заглушки устройства исполнения 3 должны соответствовать указанным на рисунке 22.

Рисунок 22

Примечание - Масса - 3,5 кг.

Пример условного обозначения заглушки устройства исполнения 3, материального исполнения 2:

Заглушка 3-2 ОСТ 26.260.466-2000

3.1.7 Конструкция и размеры заглушки устройства исполнения 4 должны соответствовать указанным на рисунке 23.

Рисунок 23

Примечание - Масса - 1,5 кг.

Пример условного обозначения заглушки устройства исполнения 4, материального исполнения 2:

Заглушка 4-2 ОСТ 26.260.466-2000

3.1.8 Конструкция и размеры заглушки с выступом устройства исполнения 4 должны соответствовать рисунку 24.

Рисунок 24

Примечание - Масса - 1,5 кг.

Пример условного обозначения заглушки с выступом устройства исполнения 4, материального исполнения 2:

Заглушка с выступом 4-2 ОСТ 26.260.466-2000

3.1.9 Конструкция и размеры тройника переходного устройства исполнения 2 должны соответствовать указанным на рисунке 25.

Рисунок 25

Примечание - Масса - 0,44 кг.

Пример условного обозначения тройника переходного устройства исполнения 2, материального исполнения 2:

Тройник переходный 2-2 ОСТ 26.260.466-2000

Таблица 1

Исполнение

Давление условное Ру, МПа

Температура среды, °С

Н, мм

Масса, кг

1

16

До 80

260

1,8

2

315

2,2

3

310

5,3

4

4

295

3,3

5

16

345

1,8

6

400

2,2

7

395

5,3

8

4

380

3,3

9

16

До 450

450

2,2

10

505

2,7

11

500

5,7

12

4

485

3,7

13

16

345

2,2

14

400

2,7

15

395

5,7

16

4

380

3,7

Пример условного обозначения устройства измерения давления исполнения 2, материального исполнения 2, на Ру 16,0 МПа:

Устройство 2-2-16,0 ОСТ 26.260.466-2000

3.2 Технические требования - по ОСТ 26.260.472.

СОДЕРЖАНИЕ

 



© 2013 Ёшкин Кот :-)