Информационная система
«Ёшкин Кот»

XXXecatmenu

Инструкция по применению
опорных кабельных конструкций
серии «П» по ТУ 3449-009-51216464-01

ИМ-51216464-009-01

АООТ «Ассоциация «Монтажавтоматика»

ООО «НОРМА-РТМ»

2001

1. РАЗРАБОТАНА: ООО «НОРМА-РТМ»

2. ВВОДИТСЯ ВПЕРВЫЕ

 

Инструкция по применению опорных кабельных
конструкций серии «П» по ТУ 3449-009-51216464-01

ИМ-51216464-009-01

 

СОДЕРЖАНИЕ

Предисловие

Настоящая инструкция разработана на базе комплекта конструкторской документации на опорные кабельные конструкции серии П, выпускаемые ОАО «Люберецкий завод МОНТАЖАВТОМАТИКА» по ТУ 3449-009-51216464-01

Она предназначена для ознакомления специалистов по проектированию и монтажу систем автоматизации с техническими характеристиками указанных кабельных конструкций, а также со способами их установки и крепления.

Возможно применение данных кабельных конструкций в системах силового электрооборудования, связи, радиофикации и др., где это не противоречит ведомственным и специальным инструкциям.

1. Общие указания

1.1. Опорные кабельные конструкции серии «П» (в дальнейшем - конструкции) предназначены для прокладки трубных и электрических проводок СА как непосредственно по конструкциям, так и с использованием несущих конструкций: лотков, коробов.

1.2. Конструкции изготовлены из оцинкованного листа толщиной 2 мм по ГОСТ 14918 1-я группа. (Толщина покрытия 18 - 40 мкм).

2. Состав конструкций, их размеры и допустимые нагрузки

2.1. Основные размеры и допустимые нагрузки приведены на рисунках 2.1 - 2.7 и в таблице 2.1.

Таблица 2.1

Наименование

Обозначение

№ рис.

Размеры, мм

Характеристика

А

В

L

Стойка

СКП-2000

2.1

43

32

2000

Максимально-допустимый изгибающий момент от одной полки, закрепленной по рис. 3.3 - 450 Нм, прочность стойки на установленной по рис. 3.4а - 330 Н×м

СКП-1200

1200

СКП-1000

1000

СКП-800

800

СКП-600

600

СКП-400

400

Полка

ПКП-50

2.2

40

25

80

Для установки лотков и коробов шириной 50 мм любых типов внутри и вне помещений при их максимальном заполнении, а также для прокладки проводок шириной 50 мм без лотков. Расчетная нагрузка в середине полки 660 Н. На дополнительный вес человека не рассчитана.

Полка

ПКП-100

2.3

55

38

155

Предназначена для проводок шириной 100 мм. Отвечает требованиям для прокладки лотков и коробов с максимальными нагрузками внутри и вне помещений (включая снеговые нагрузки для VI снегового района). Расчетная нагрузка на середину полки (от проводок и конструкций) - 710 Н, монтажная нагрузка, приложенная к наружному концу полки - 800 Н.

Полка

ПКП-150

2.3

60

38

200

Предназначена для проводок шириной 150 мм. Отвечает требованиям для прокладки лотков и коробов с максимальными нагрузками внутри помещений. Расчетная нагрузка на середину полки (от проводок и конструкций) - 915 Н, монтажная нагрузка, приложенная к наружному концу полки - 800 Н.

Полка

ПКП-200

2.3

65

38

245

Для проводок шириной 200 мм. Допустимая рабочая нагрузка 712 Н, что отвечает требованием для монтажа лотков внутри помещений при максимальном заполнении. При прокладке коробов необходима проверка максимальной нагрузки проводками с учетом 30 % запаса. Монтажная нагрузка, приложенная к наружному концу полки - 800 Н.

Полка

ПКП-300

2.3

80

38

365

Для проводок шириной 300 мм. Рабочая нагрузка 377 Н. Пригодна для монтажа двух максимально загруженных лотков легкой серии внутри помещения. Монтажная нагрузка, приложенная к наружному концу полки - 800 Н.

Полка

ПКП-400

2.3

100

38

455

Для проводок шириной 400 мм. Расчетная нагрузка на середину полки (от проводок и конструкций) - 480 Н. Пригодна для монтажа максимально загруженных лотков легкой серии внутри помещения. Монтажная нагрузка, приложенная к наружному концу полки - 800 Н.

Скоба

СОП

2.4

135

47

170

Используется для крепления стоек к полу или перекрытию, а также раскосов, оттяжек к стойкам, лоткам, коробам, тросовым проводкам и др.

Расчетная нагрузка на осевые нагрузки вдоль стойки - 950 Н.

Расчетный опрокидывающий момент при сварке стойки со скобой - 330 Н · м, при болтовом креплении стоек - 240 Н · м

На продольное растягивающее усилие растяжек, раскосов - 2800 Н. Расчетное усилие на отрыв скобы от перекрытия 34160 Н

Скоба двойная

СДП

2.5

125

47

250

Используется для крепления сдвоенных стоек к полу или перекрытию

Расчетная нагрузка на осевые нагрузки вдоль стоек - 1900 Н.

На опрокидывающий момент (при сварке стоек со скобой) - 1825 Н · м.

На опрокидывающий момент стоек (при болтовом креплении стоек) - 720 Н · м. Расчетное усилие на отрыв скобы от перекрытия 34160 Н

Пластина соединительная

ПСП

2.6

80

2

100

Предназначена для соединения двух стоек между собой параллельно и последовательно.

Пластина опорная

ПОП

2.7

4

150

230

Предназначена для установки стоек или полок к строительному основанию с приваркой ее к полке или стойке.

Прочность стойки с пластиной на отрыв от основания 34160 Н.

На опрокидывающий момент - 330 Н · м

Примечания. 1. При применении конструкций для проводок шириной более 150 мм должны рассчитываться рабочие нагрузки, либо исключить монтажные нагрузки, для чего запретить наступать на конец полки при монтаже или при эксплуатации, что позволяет увеличить рабочие нагрузки на 1920 Н (в этом случае допускается установка максимально загруженных коробов внутри помещения на всех размерах полок).

2. При использовании конструкций для более тяжелых условий должен быть уменьшен шаг опор, либо произведено усиление конструкций по рис 3.2а.

Рис. 2.1. Стойка СКП

Рис. 2.2. Полка ПКП-50

Рис. 2.3. Полка ПКП-100 - ПКП-400

Рисунок 2.4. Скоба СОП

Рисунок 2.5. Скоба двойная СДП

Рисунок 2.6. Пластина ПСП

Рисунок 2.7. Пластина ПОП. Толщина 4 мм

2.2. Монтажная нагрузка в расчетах нагружения стоек может учитываться только для одной полки независимо от общего количества полок, устанавливаемых на стойку. Для стоек подвешиваемых к перекрытию монтажная нагрузка 800 Н при выборе конструкций не назначается.

2.3. Снеговая нагрузка должна учитываться при установке конструкций вне помещений для верхней полки при отсутствии навесов.

В таблицах этого раздела снеговая нагрузка принята по VI снеговому району, что для большинства случаев будет неоправданно завышенным (до пятикратной величины), поэтому применение конструкций для наружной установки должно быть просчитано проектной организацией.

2.4. Необходимая прочность стоек при установке полок с максимальной нагрузкой должна быть обеспечена методами, изложенными в разделе 3.

2.5. Методика расчета нагрузок на конструкции при проектировании и требования к конструкциям приведены в [1, 2].

2.6. Расчетные нагрузки с коэффициентами запаса от наиболее тяжелых проводок для несущих конструкций, имеющих наибольшее распространение среди организаций ассоциации «Монтажавтоматика», приведены в таблице 2.2, фактические максимальные основные и дополнительные нагрузки могут быть значительно ниже.

В настоящее время применяется большое число других несущих конструкций, отличающихся вместимостью и допустимыми нагрузками, поэтому при проектировании и монтаже конструкций следует рассчитывать нагрузки для конкретной трассы по расчетной рабочей нагрузке. При отсутствии монтажной нагрузки (800 Н), рабочая расчетная нагрузка на полки может быть увеличена на 1920 Н (для полок, на которые монтажная нагрузка указана).

Таблица 2.2

Вид нагрузки

Расчетная величина нагрузки, Н, при ширине потока проводки, мм

50

100

150

200

400

Расчетная нагрузка на опору от проводок, включая массу лотков, и т.п. при максимально возможном по несущей способности несущих конструкций для лотков легкой серии ЛП по ТУ 36.22.21.00-018 (высота бортов 25 мм), шаге опор 2 м

60

120

180

240

480

Расчетная нагрузка на опору от проводок, включая массу лотков, при максимально возможном по несущей способности несущих конструкций шаге опор для лотков с высотой бортов 100 мм. Средняя серия

 

 

 

420

850

Расчетная нагрузка на опору от проводок с медными жилами при максимальном заполнении короба, включая массу коробов, при шаге опор 2 м, для коробов по ТУ 36-1109-77. Тяжелая серия

 

340

700

1170

2340

3. Требования к установке конструкций

3.1. Установка полки на стойку.

Общий вид сборки полки со стойкой приведен на рисунках 3.1, 3.2.

Полку ПКП-50 можно установить как на стойку СКП, так и на другой перфорированный профиль с отверстиями шириной 8 мм, так, чтобы выступы полки располагались в перфорированных отверстиях. Установить болт в верхнее или нижнее совмещенное с пазом полки отверстие. Болт обеспечивает необходимое переходное заземление между полкой и стойкой, а выступы воспринимают момент от нагружения полки проводками. Положение полки по высоте можно регулировать, что особенно важно для трубных проводок с уклонами. После подгонки расположения полки по высоте болт затянуть.

1 - стойка СКП (профиль перфорированный); 2 - полка ПКП-50; 3 - болт М8´16.029 по ГОСТ 7798-70; 4 - шайба царапающая (зубчатая) 8-02; 5 - гайка М8.01.029 ГОСТ 5915-70

Рис. 3.1. Установка полки ПКП-50

Установка полок ПКП-100 - ПКП-400

Вставить конец полки в стойку, установить шплинт с шайбами, осадить полку легким ударом молотка сверху по концу полки соединенному со стойкой, разогнуть концы шплинта, установить болт с любой стороны полки, как показано на рисунке, и затянуть соединение.

Рисунок 3.2. Установка полки ПКП-100 на стойке

1 - стойка СКП; 2 - полка ПКП; 3 - шплинт стальной 8´60-02 по ГОСТ 397-79; 4 - шайба 8.01.029 по ГОСТ 6958-78 - 3 ед.; 5 - болт М8´16.029 по ГОСТ 7798-70; 6 - шайба царапающая (зубчатая) 8-02; 7 - гайка М8.01.029 ГОСТ 5915-70

Для повышения несущей способности полок ПКП-300, ПКП-400 конструкцией предусмотрена возможность установки дополнительных раскосов по рис. 3.2а. При необходимости увеличения длины полки, вместо полок ПКП следует применять перфорированные профили (перфоуголки или перфошвеллера).

1 - стойка СКП (профиль перфорированный);

2 - полка ПКП или перфорированный профиль;

4 - болт М8´16.029 по ГОСТ 7798-70;

5 - шайба царапающая (зубчатая) 8-02;

6 - гайка М8.01.029 ГОСТ 5915-70

Рис. 3.2а. Установка полки с большим вылетом или большой нагрузкой

3.2. Крепление стойки к стене.

Стойка должна быть закреплена дюбелями с диаметром стержня не менее 10 мм в количестве по расчету с учетом прочности основания и характеристик применяемого дюбеля, но не менее - 2.

При установке на стойке полок в количестве более 1, крепление следует производить у каждой полки выше ее опорной площадки на 20 - 30 мм. Общий вид крепления стойки к стене показан на рисунке 3.3.

Рис. 3.3. Крепление стойки к стене

3.3. Крепление стойки к перекрытию, рисунок 3.4

A) Установка стойки на скобе СОП; Б) Установка стойки на скобе СОП с раскосом; B) Установка двойной стойки на скобе СДП; Г) Установка стойки на пластине опорной ПОП.

1 - скоба СОП; 2 - стойка СКП; 3 - полка ПКП; 4 - раскос (стойка); 5 - пластина соединительная ПСП; 6 - пластина опорная ПОП; 7 - дюбель со стержнем 10 мм; 8 - болт М8´16.029 по ГОСТ 7798-70; 9 - гайка М8.01.029 ГОСТ 5915-70; 10 - шайба 8.01.029 по ГОСТ 6958-78; 11 - скоба СДП.

Рис. 3.4. Установка конструкций на перекрытии

Установка по варианту А:

суммарный момент от всех полок не более 330 Н · м, при суммарном моменте от нагрузок на полках до 240 Н · м - болтовое крепление стойки к скобе, при суммарном моменте более 240 Н · м после регулировки по высоте стойку приварить к скобе угловым швом;

суммарная осевая нагрузка на стойку при болтовом креплении - до 950 Н;

при суммарной осевой нагрузке на стойку более 950 после регулировки по высоте стойку приварить к скобе угловым швом.

Места приварки указаны на рис. 3.5

Установка по варианту Б:

момент от нагрузок на отдельную полку не более 450 Н · м;

суммарный момент от всех полок более 660 Н · м;

суммарная осевая нагрузка на стойку при болтовом креплении - до 950 Н;

при суммарной осевой нагрузке на стойку более 950 Н после регулировки по высоте стойку приварить к скобе угловым швом.

Места приварки указаны на рис. 3.5

Установка по варианту В:

момент от нагрузок на отдельную полку более 450 Н · м;

суммарный момент от всех полок не более 1825 Н · м;

при суммарном моменте 720 Н · м стойки сварить со скобой;

при суммарном моменте от всех полок более 1825 Н · м установить дополнительно раскос;

при суммарной осевой нагрузке на стойку более 1900 Н после регулировки по высоте стойки приварить к скобе угловым швом.

Установка по варианту Г:

момент от нагрузок на отдельную полку не более 330 Н · м;

суммарный момент от всех полок не более 330 Н · м (при большем моменте установить подкос по варианту Б);

максимальная осевая нагрузка 34160 Н

Рис. 3.5. Расположение сварных швов (при необходимости усиления узлов крепления)

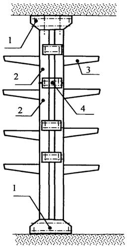
Наиболее рационально использовать конструкции на кабельных трассах большой емкости по рис. 3.6 с симметричным расположением полок, что уменьшает вероятность появления опрокидывающих моментов. Необходимость усиления болтовых креплений стоек со скобами наложением сварных швов по рис. 3.5 определяется превышением суммарных осевых нагрузок или суммарных опрокидывающих моментов, приведенных к установке В) рис. 3.4.

1 - скоба СДП; 2 - стойка СКП; 3 - полка ПКП; 4 - пластина соединительная ПСП; 5 - болт М8´16.029 по ГОСТ 7798-70; 6 - гайка М8.01.029 ГОСТ 5915-70; 7 - шайба 8.01.029 по ГОСТ 6958-78

Рис. 3.6. Установка полок на сдвоенной стойке

3.4. Установка стоек в полуэтажах кабельных сооружений, рис. 3.7

1 - скоба СДП; 2 - стойка СКП; 3 - полка ПКП; 4 - пластина соединительная ПСП (позволяет соединять стойки последовательно и параллельно).

Рис. 3.7. Установка полок на сдвоенной стойке в кабельном полуэтаже.

При установке стоек по металлическим конструкциям вместо дюбелей применять болты M10.

4. Стойкость цинковых покрытий конструкций к различным условиям применения

Защитное влияние цинка на поверхности стали основывается на разном электрическом потенциале металлов. Сталь более благородный металл, чем цинк. Поэтому цинк, когда он попадает в контакт со сталью, разъедается и образует защитный слой над ним.

Цинк защищает сталь двумя способами:

1. Цинк образует на поверхности стали закрытый слой, который предотвращает попадание влажности и кислорода воздуха на поверхность стали. В наружном воздухе на поверхности цинка образуется гидроокись цинка, которая в свою очередь, из-за влияния двуокиси углерода воздуха, превращается в щелочной карбонат цинка. Такой слой хорошо защищает цинковое покрытие. Он хорошо прикрепляется к основному металлу и почти не растворяется в воде. Первоначальная блестящая поверхность превращается в матовую, светло-серого цвета.

2. Другим способом защиты является то, что цинк обеспечивает катодное защитное влияние в местах с царапинами, ударами и на срезах кромок.

Оцинкованные предметы могут находиться постоянно при температуре до + 200 °C. При более высокой температуре происходит диффузионная реакция, в которой слой чистого цинка отделяется от слоя соединений цинка и стали.

Цинковое покрытие не повреждается даже в самых суровых зимних условиях.

Конструкции (стойки, полки, скобы, пластины, кроме пластины ПОП) поставляются изготовленными из оцинкованного листа по ГОСТ 14918-80 с классом покрытия 1. Масса и толщина покрытия приведены в таблице 13.1;

Таблица 13.1

Класс покрытия

Масса 1 м, двухстороннего слоя покрытия

Толщина покрытия, мкм

1

Св. 258 до 570 включ.

Св. 18 до 40 включ.

При отрезании или пробивке отверстий в изделиях из оцинкованного листа толщиной до 3 - 4 мм оголенные участки металла защищаются благодаря образованию гидроокиси цинка. Пленка гидроокиси цинка создается системой железо-цинк-электролит при воздействии воздушной среды. Большая величина толщины листа относится к листам с классом покрытия «П».

Повреждения на поверхности металла шириной до 5 мм со временем закрываются.

Схема образования гидроокиси цинка показана на Рис. 13.1

Рис. 13.1.

Примерная скорость атмосферной коррозии цинка в умеренном климате приведена на диаграмме 13.1

Диаграмма скорости коррозии цинка в атмосфере

Диаграмма 13.1

На основании диаграммы 1 можно оценить стойкость цинкового покрытия в атмосфере в зависимости от условий эксплуатации изделия.

Расчетная долговечность цинковых покрытий в разных атмосферных условиях приведена на диаграмме 2

Диаграмма 2

где: 1 - сельская атмосфера;

2 - морская атмосфера;

3 - городская атмосфера;

4 - промышленная атмосфера

5 - погруженные в землю;

6 - погруженные в морскую воду (Балтийское море).

Для условий применения конструкций, где стойкость цинковых покрытий недостаточна, конструкции следует дополнительно окрашивать по схеме окраски металлоконструкций, предусмотренной рабочей документацией на строительство объекта.

Список литературы

1. Системы автоматизации. Рекомендации по проектированию стальных конструкций для прокладки проводок и монтажа средств автоматизации РМ 4-264-92. ГПКИ Проектмонтажавтоматика 1992 г.

2. СНиП II-23-81* Строительные нормы и правила. Стальные конструкции. Госстрой России 1998.

СИСТЕМЫ АВТОМАТИЗАЦИИ ЭЛЕКТРИЧЕСКИЕ И ТРУБНЫЕ ПРОВОДКИ

№ п/п

Наименование

723

ИМ 14-2-01. Каталог ч. 2. Системы автоматизации. Изделия для монтажа проводок и приборов./Ассоциация Монтажавтоматика, ООО НОРМА-РТМ.

899

ОТТ 4.260-87. Монтаж систем автоматизации. Прокладка кабелей и проводов. Общие технические требования./Минмонтажспецстрой, ГПКИ «Проектмонтажавтоматика»

809

РМ 4-242-92. Системы автоматизации. Рекомендации по проектированию обогрева и теплоизоляции трубных проводок./Минмонтажспецстрой, ГПКИ «Проектмонтажавтоматика»

880

РМ 4-264-92. Системы автоматизации технологических процессов.

Рекомендации по проектированию стальных конструкций для прокладки проводок и монтажа средств автоматизации./Минмонтажспецстрой, ГПКИ «Проектмонтажавтоматика»

669

РМ 4-6-84 ч. 1. СА ТП. Проектирование электрических трубных проводок. Часть 1. Электрические проводки. Пособие к ВСН 205/84 ММСС./Минмонтажспецстрой, ГПКИ «Проектмонтажавтоматика»

628

РМ 4-6-92 ч. 2. Системы автоматизации технологических процессов. Проектирование электрических и трубных проводок. Часть 2. Трубные проводки. Минмонтажспецстрой, ГПКИ «Проектмонтажавтоматика»

605

РМ 4-6-92 ч. 3. Системы автоматизации. Проектирование электрических и трубных проводок. Часть 3. Указания по выполнению документации.

801

Сборник 78. Типовые монтажные чертежи. Обогрев и теплоизоляция трубных проводок систем автоматизации. Часть 2. Конструкции теплоизоляции./Минмонтажспецстрой, ГПКИ «Проектмонтажавтоматика», 1974 г.

716

СЗК 14-29-02 (издание 2002 г.) Закладные конструкции. Электрические и трубные проводки систем автоматизации. Проходы проводок через ограждающие строительные конструкции./Ассоциация Монтажавтоматика, ООО НОРМА-РТМ, 2002 г., (Взамен СЗК 14-29-94)

715

СТМ 14-29-02 (2002 г.). Проходы проводок через ограждающие строительные конструкции. Монтажные чертежи. Электрические трубные проводки систем автоматизации./Ассоциация Монтажавтоматика, ООО НОРМА-РТМ. (Взамен: СТМ 14-29-94)

932

ТИ 4.25288.19000. Монтаж систем автоматизации. Производство работ. Вводы электрических и трубных проводок. Технологическая инструкция./НПО Монтажавтоматика, ГПКИ «Проектмонтажавтоматика», 1991 г.

961

ТТП 14.01280.25000. Типовой технологический процесс. Монтаж систем автоматизации. Производство работ. Уплотнение и герметизация проходов проводок через ограждающие строительные конструкции./Издание 2000. Ассоциация «Монтажавтоматика», НОРМА-РТМ.

 



© 2013 Ёшкин Кот :-)