Информационная система
«Ёшкин Кот»

XXXecatmenu

ОРДЕНА ТРУДОВОГО КРАСНОГО ЗНАМЕНИ
ЦЕНТРАЛЬНЫЙ НАУЧНО-ИССЛЕДОВАТЕЛЬСКИЙ
И ПРОЕКТНО-ЭКСПЕРИМЕНТАЛЬНЫЙ
ИНСТИТУТ КОМПЛЕКСНЫХ ПРОБЛЕМ
СТРОИТЕЛЬНЫХ КОНСТРУКЦИЙ И СООРУЖЕНИЙ
им. В.А. КУЧЕРЕНКО
МИНСТРОЯ РОССИЙСКОЙ ФЕДЕРАЦИИ

РЕКОМЕНДАЦИИ
ПО ПРИМЕНЕНИЮ
СТЕНОВЫХ
МЕЛКИХ БЛОКОВ
ИЗ ЯЧЕИСТЫХ БЕТОНОВ

МОСКВА 1992

Рекомендованы к изданию решением секции «Крупнопанельные и каменные конструкции» Научно-технического совета ЦНИИСК им. В.А. Кучеренко.

Рекомендации по применению стеновых мелких блоков из ячеистых бетонов/ЦНИИСК им. В.А. Кучеренко. - М., 1992.

Содержат основные положения по применению стеновых мелких блоков из ячеистых бетонов. Приведены данные о материалах, конструкции стен и узлов сопряжения, составах легких строительных растворов, составах для отделки фасадов. Приведена методика расчета стен по несущей способности, а также их теплотехнический расчет. Даны примеры расчета.

Для инженерно-технических работников проектных и строительных организаций.

ПРЕДИСЛОВИЕ

Настоящие Рекомендации составлены с целью правильного использования мелких ячеистобетонных блоков (камней) при проектировании и строительстве зданий различного назначения, в том числе сельских жилых и общественных зданий.

В настоящее время объем производства стеновых мелких блоков из ячеистых бетонов составляет более 3,5 млн. м3 в год, а в дальнейшем этот объем намечено увеличить до 27 млн. м3 в год, а единого документа, регламентирующего правила проектирования и применения таких блоков, нет.

При составлении Рекомендаций были использованы материалы экспериментально-теоретических исследований и данные по опыту проектирования, строительства и эксплуатации зданий со стенами из мелких ячеистобетонных блоков в нашей стране и за рубежом.

Значения расчетных сопротивлений, величина усадки, а также упругие характеристики кладки из мелких ячеистобетонных блоков даны с учетом изменений главы СНиП II-22-81 «Каменные и армокаменные конструкции». При разработке 2-го издания Рекомендаций учтены требования ГОСТ 21520-89 и ГОСТ 25485-88.

Рекомендации разработаны ЦНИИСК им. В.А. Кучеренко (кандидаты техн. наук Левин Н.И., Грановский А.В., инж. Мартынова B.C.); НИИЖБ (кандидаты техн. наук Макаричев В.В., Муромский К.П., Крохин A.M., инж. Щербакова T.A.); НИИСФ (канд. техн. наук Ананьев A.H.); ВНИИСтром им. Будникова (канд. техн. наук Коковин О.А., инж. Титов B.A.); НИПИсиликатобетон (инж. Острат Л.И.), ЛенЗНИИЭП (канд. техн. наук Пинскер В.А., инженеры Коровкевич В.В., Писарев B.C.).

При разработке Рекомендаций были использованы материалы Мосгипрониисельстроя, КБ по железобетону им. А.А. Якушева, ЦНИИЭПграждансельстроя, НИИстроительства и Эстгипросельстроя, Белгоспроекта и др.

Текст из главы СНиП II-22-81, как правило, в Рекомендациях не приводится, в скобках указаны соответствующие номера пунктов главы СНиП.

Рекомендации подготовлены к изданию руководителем работы кандидатом техн. наук Левиным Н.И.

1. ОБЩИЕ ПОЛОЖЕНИЯ

1.1. Настоящие Рекомендации распространяются на применение стеновых мелких блоков (камней) из ячеистых бетонов автоклавного и неавтоклавного твердения в жилых, производственных и сельскохозяйственных зданиях в обычных условиях и не распространяются на сейсмические районы строительства.

1.2. Проектирование стен из мелких ячеистобетонных блоков следует выполнять по СНиП II-22-81 и настоящим Рекомендациям.

Теплотехнический расчет стен и их сопротивление воздухопроницанию и паропроницанию выполняют в соответствии с требованиями СНиП II-3-79**.

1.3. Мелкие блоки (камни) из ячеистых бетонов рекомендуется применять для кладки наружных и внутренних стен, перегородок зданий, а также для устройства сборно-монолитного перекрытия с относительной влажностью воздуха помещений не более 75 %; применение блоков в наружных стенах помещений с относительной влажностью воздуха более 60 % допускается при условии нанесения на внутренние поверхности пароизоляционного покрытия.

Расчет сборно-монолитного перекрытия из ячеистобетонных блоков может быть выполнен по методике разработанной ЛенЗНИИЭП и приведенной в Приложении 6.

Примечания. 1. Влажностный режим помещений зданий и сооружений принимается по СНиП II-3-79**.

2. Применение мелких блоков из ячеистых бетонов для цоколей, и стен подвалов, для кладки стен с мокрым режимом помещений, а также в местах, где возможно усиленное увлажнение бетона или наличие агрессивных сред не рекомендуется.

1.4. Расчет элементов стен из мелких ячеистобетонных блоков по предельным состояниям первой и второй группы следует производить в соответствии с требованиями СНиП II-22-81; стены могут быть несущими, самонесущими и ненесущими (навесными).

Допустимую высоту (этажность) стен из ячеистобетонных мелких блоков (камней) рекомендуется определять расчетом несущей способности наружных и внутренних стен с учетом их совместной работы.

Мелкие стеновые блоки (камни) из автоклавных ячеистых бетонов рекомендуется применять в несущих стенах зданий высотой до 5-ти этажей включительно, но не более 20 м, в самонесущих стенах зданий высотой до 9-ти этажей включительно, но не более 35 м.

Мелкие стеновые блоки из неавтоклавных ячеистых бетонов рекомендуется применять в несущих и самонесущих стенах зданий высотой до 3-х этажей включительно, но не более 12 м.

Этажность зданий, в которых применяются мелкие ячеистобетонные блоки (камни) для заполнения каркасов или ненесущих (навесных) стен, не ограничивается.

1.5. Внутренние и наружные несущие стены зданий высотой до 5-ти этажей рекомендуется изготавливать из автоклавных ячеистобетонных камней марки по прочности не ниже М50 (В3,5); при высоте зданий до 3-х этажей - не ниже М35 (В2,5); при высоте до 2-х этажей - не ниже М25 (В1,5).

Для самонесущих и ненесущих (навесных) стен зданий высотой более 3-х этажей марка камней - не ниже М35 (В2,5), а высотой до 3-х этажей - не ниже М25 (В1,5).

1.6. Проектирование конструкций из мелких стеновых ячеистобетонных блоков (камней) зданий и сооружений, предназначенных для строительства в сейсмических районах и районах Крайнего Севера, на территориях распространения вечномерзлых грунтов, на подрабатываемых территориях, а также для эксплуатации в условиях систематического воздействия повышенной температуры, влажности и динамических воздействий, выполняется с учетом дополнительных требований, предъявляемых к строительству зданий и сооружений и их конструкций, в перечисленных условиях, по соответствующим нормативным документам, в том числе согласно «Рекомендаций по проектированию жилых и общественных зданий из ячеистобетонных блоков в сейсмических районах».

2. МАТЕРИАЛЫ

2.1. Ячеистые бетоны - бетоны, состоящие из затвердевшей смеси вяжущего и кремнеземистого компонента и искусственных равномерно распределенных опор в виде ячеек, образованных газо- или пенообразователями.

2.2. Мелкие стеновые блоки (камни) изготавливаются из конструкционно-теплоизоляционных и конструкционных ячеистых бетонов автоклавного и неавтоклавного твердения, удовлетворяющих требованиям ГОСТ 25485-89 в соответствии с «Инструкцией по технологии изготовления изделий из ячеистых бетонов» СН 277-80.

2.3. Типы и размеры стеновых мелких ячеистобетонных блоков (камней) для кладки стен на строительном растворе и клею принимаются в соответствии с ГОСТ 21520-89.

Основные типы и размеры блоков и допускаемые отклонения от линейных размеров приведены в табл. 1 и 2 Приложения 1.

Примечания. 1. Допускается применять мелкие ячеистобетонные стеновые блоки (камни) с размерами, соответствующими размерам бетонных стеновых камней по ГОСТ 6133-84.

2. По согласованию с заказчиком (потребителем) допускается применение блоков других размеров.

2.4. При проектировании стен из мелких ячеистобетонных блоков (камней) в соответствии со СНиП II-22-81 и ГОСТ 25485-89 устанавливаются следующие основные показатели:

- марки мелких ячеистобетонных блоков (камней) по прочности на сжатие «М»;

- класс бетона по прочности на сжатие «В»;

- марки бетона по морозостойкости «F»;

- марки бетона по средней плотности «D».

Таблица 1

Вид ячеистого бетона

Марка ячеистого бетона по средней плотности «D», кг/м3, в зависимости от марки ячеистобетонного блока по прочности на сжатие «М», кгс/см2 (класса бетона «В», МПа)

М25

(В1,5)

М25

(В2,0)

М35

(В2,5)

М50

(В3,5)

М75

(В5)

М100

(В7,5)

М150

(В10)

М150

(В12,5)

Автоклавного твердения

500

500

500

500

-

-

-

-

-

600

600

600

600

-

-

-

-

-

700

700

700

-

-

-

-

-

-

800

800

800

-

-

Неавтоклавного твердения

-

700

-

-

-

-

-

-

-

-

800

-

-

-

-

-

-

-

900

900

900

900

-

-

-

-

-

-

1000

1000

-

-

-

-

-

-

-

1100

1100

-

-

-

-

-

-

-

1200

1200

Примечание. Для приведенных в табл. 1 марок ячеистобетонных блоков по прочности на сжатие «М» (классов бетона «В») допускаются другие значения марок средней плотности «D» в соответствии с приведенными в ГОСТ 25485-89.

2.5. За марку мелкого ячеистобетонного блока по прочности при осевом сжатии «М», МПа принимается средний предел прочности при сжатии эталонных образцов-кубов с размером ребра 150 мм или блоков, прошедших автоклавную или тепловую обработку пропариванием, имеющих среднюю установившуюся влажность 10 ± 2 % по (массе). Среднее значение прочности бетона в серии образцов вычисляется по ГОСТ 10180-90, а камней по ГОСТ 8462-85.

2.6. Рекомендуется применять стеновые мелкие блоки из ячеистых бетонов следующих марок и классов:

а) по прочности на сжатие - М25; М35; М50; М75, М100; М150, М200, которым соответствуют классы бетона по прочности на сжатие - В1,5 и В2; В2,5, В3,5; В5; В7,5; В10; В12,5;

б) по морозостойкости - F15; F25; F35; F50;

в) по средней плотности - D500; D600; D700; D800; D900; D1000, D1100, D1200.

2.7. Класс бетона по прочности на сжатие «В» определяется значением гарантированной прочности бетона на сжатие в МПа с обеспеченностью 0,95.

2.8. Марки блоков из ячеистого бетона по средней плотности «D», в зависимости от марок ячеисто-бетонных мелких блоков (камней) по прочности на сжатие «М» (классов бетона «В»), принимаются по табл. 1.

2.9. Отпускная влажность мелких ячеистобетонных блоков (по массе) должна быть не более 25 % - для бетонов, изготовленных на песке, и 35 % для бетонов - на золе и отходах производства.

Сорбционная влажность ячеистых бетонов определяется по ГОСТ 12852.6-77.

2.10. За расчетную среднюю установившуюся влажность ячеистых бетонов принимается сорбционная влажность при относительной влажности воздуха 75 %. При расчетах стен из ячеистобетонных мелких блоков по предельным состояниям первой и второй групп расчетную среднюю влажность (по массе) принимают равной 10 % - для бетонов на песке и на золах. При теплотехнических расчетах эксплуатационная влажность бетона принимается по Приложению 3 СНиП II-3-79**.

Примечание. Допускается для теплотехнических расчетов принимать влажность ячеистого бетона по экспериментальным данным для конструкций стены и условий ее эксплуатации, как среднее значение по толщине стены через три года эксплуатации.

Таблица 2

Вид ячеистого бетона

Средняя плотность кладки D1, кг/м3, в зависимости от марки ячеистобетонного блока по прочности на сжатие «М», кгс/см2 («В», МПа)

М25

М25

М35

М50

М75

М100

М150

М150

(В1,5)

(В2,5)

(В2,5)

(В3,5)

(В5)

(В7,5)

(В10)

(В12,5)

Автоклавного твердения

650

650

650

650

-

-

-

-

-

760

760

760

760

-

-

-

-

-

870

870

870

-

-

-

-

-

980

980

980

980

-

-

Неавтоклавного твердения

-

870

-

-

-

-

-

-

-

-

980

-

-

-

-

-

-

-

1090

1090

1090

1080

-

-

-

-

-

-

1200

1200

1310

-

-

-

-

-

-

1310

1420

1420

Примечание. В случае применения кладки из ячеистобетонных мелких блоков со средней плотностью, отличной от приведенной в табл. 2 (см. п. 2.8), разрешается принимать иные (фактические) значения D1, но не ниже приведенных в табл. 1.

2.11. Средняя плотность кладки из мелких ячеистобетонных блоков на легких растворах и клеях с учетом влажности бетона 10 % D1 (для определения собственной массы конструкции при расчете их на прочность и деформации) принимается по табл. 2.

Примечание. Для кладки стен из мелких ячеистобетонных блоков на тяжелых растворах значения D1, приведенные в табл. 2, увеличиваются на 50 кг/м3.

2.12. [3.26] Величина усадки кладки из блоков, изготовленных из автоклавного ячеистого бетона на песке, должна быть не более 0,4 мм/м; то же, на других кремнеземистых компонентах - 0,6 мм/м; для неавтоклавных бетонов - 2,0 мм/м.

2.13. Теплотехнический расчет стен из мелких ячеистобетонных блоков рекомендуется выполнять по разделу 5 настоящих Рекомендаций.

2.14. Стабильность показателей автоклавных ячеистых бетонов и мелких блоков из них по плотности и прочности при сжатии характеризуется коэффициентами вариации, которые определяются в соответствии с требованиями ГОСТ 27005-86 и ГОСТ 18105-86. Средние значения партионных коэффициентов вариации ячеистых бетонов, как правило, не должны превышать значений, приведенных в табл. 3.

Таблица 3

Характеристика бетона

Средний партионный коэффициент вариации, %

Плотность

5

Прочность при осевом сжатии

18

2.15. При назначении вида, проектной марки и состава строительного раствора для кладки стен из ячеистобетонных блоков следует учитывать требования, приведенные в «Инструкции по приготовлению и применению строительных растворов» (СН 290-74), раздела 6 настоящих Рекомендаций и ГОСТ 28013-89.

2.16. При кладке наружных стен из ячеистобетонных блоков рекомендуется применять преимущественно легкие растворы с плотностью в сухом состоянии менее 1500 кг/м3, при кладке внутренних стен - тяжелые растворы плотностью 1500 кг/м3 и более.

2.17. Требуемая марка строительного раствора для кладки стен из ячеистобетонных мелких блоков (камней) принимается по результатам расчета несущей способности стен. Рекомендуется применять строительный раствор М25 и более.

Примечание. При кладке стен малоэтажных зданий, по результатам расчета по прочности, допускается применять строительные растворы с меньшим пределом прочности на сжатие.

2.18. Отделка стен из мелких ячеистобетонных блоков в построечных условиях выполняется водоэмульсионными красками и эмалями на органических растворителях. Рекомендации по отделке фасадов приведены в разделе 7 настоящих Рекомендаций.

2.19. При отсутствии сколов и обеспечении марки блоков по морозостойкости F25, а для районов Севера не менее F35, допускается вести наружную кладку стен без наружной отделки под расшивку швов.

3. РАСЧЕТ НЕСУЩЕЙ СПОСОБНОСТИ СТЕН ИЗ МЕЛКИХ ЯЧЕИСТОБЕТОННЫХ БЛОКОВ

Расчетные сопротивления кладки из мелких ячеистобетонных блоков (камней)

3.1. Расчетные сопротивления сжатию кладки из ячеистобетонных блоков определяются в зависимости от марки блока (камня) и марки строительного раствора. Марка мелкого ячеистобетонного блока устанавливается в соответствии с указаниями пп. 2.5 и 2.6 настоящих Рекомендаций.

Марка строительного раствора по прочности при сжатии устанавливается в соответствии с «Инструкцией по приготовлению и применению строительных растворов» (СН 290-74) и ГОСТ 5802-86.

3.2. Для удобства изложения и сокращения размера таблиц расчетных сопротивлений вводятся обозначения различных видов кладки из ячеистобетонных блоков с учетом их качества по категориям в соответствии с табл. 4.

3.3. Расчетные сопротивления сжатию кладки из мелких ячеистобетонных блоков при высоте ряда кладки 200 - 300 мм на тяжелых растворах приведены в табл. 5.

3.4. Расчетные сопротивления кладки стен в сроки, отличающиеся от 28 сут, рекомендуется принимать по марке раствора, отвечающей его прочности в эти сроки. При определении расчетных сопротивлений прочности неотвердевшей летней кладки, а также зимней кладки (без противоморозных добавок) в стадии оттаивания, прочность раствора рекомендуется принимать равной нулю.

Таблица 4

Вид кладки

Категория качества блоков

Категория кладки

Из блоков на клею

1

1

Из блоков на растворе

2

2

То же

3

3

Номера формул и пунктов СНиП II-22-81 в настоящем разделе приведены в квадратных скобках.

Таблице 5

Марка блока

Категория кладки

Расчетные сопротивления R, МПа (кгс/см2), сжатию кладки из ячеистобетонных блоков (автоклавного твердения) при высоте ряда кладки 200 - 300 мм

при марке раствора

при прочности раствора

150

100

75

50

25

10

4

0,2 (2)

нулевой

1

2

3

4

5

6

7

8

9

10

11

150

1

3,3 (33)

3,3 (33)

3,3 (33)

3,3 (33)

3,3 (33)

3,3 (33)

3,3 (33)

3,3 (33)

3,3 (33)

2

3,1 (31)

2,9 (29)

2,8 (28)

2,6 (26)

2,4 (24)

2,2 (22)

2,0 (20)

1,8 (18)

1,5 (15)

3

2,8 (28)

2,6 (26)

2,5 (25)

2,3 (23)

2,2 (22)

2,0 (20)

1,8 (18)

1,6 (16)

1,4 (14)

100

1

2,5 (25)

2,5 (25)

2,5 (25)

2,5 (25)

2,5 (25)

2,5 (25)

2,5 (25)

2,5 (25)

2,5 (25)

2

2,4 (24)

2,3 (23)

2,2 (22)

2,0 (20)

1,8 (18)

1,7 (17)

1,5 (15)

1,3 (13)

1,0 (10)

3

2,3 (23)

2,1 (21)

2,0 (20)

1,8 (18)

1,6 (16)

1,5 (15)

1,4 (14)

1,2 (12)

0,9 (9)

75

1

-

1,9 (19)

1,9 (19)

1,9 (19)

1,9 (19)

1,9 (19)

1,9 (19)

1,9 (19)

1,9 (19)

2

-

1,9 (19)

1,8 (18)

1,7 (17)

1,5 (15)

1,4 (14)

1,2 (12)

1,1 (11)

0,8 (8)

3

-

1,7 (17)

1,6 (16)

1,5 (15)

1,4 (14)

1,3 (13)

1,1 (11)

1,0 (10)

0,7 (7)

50

1

-

1,5 (15)

1,5 (15)

1,5 (15)

1,5 (15)

1,5 (15)

1,5 (15)

1,5 (15)

1,5 (15)

2

-

1,5 (15)

1,4 (14)

1,3 (13)

1,2 (12)

1,0 (10)

0,9 (9)

0,8 (8)

0,6 (6)

3

-

1,4 (14)

1,3 (13)

1,2 (12)

1,1 (11)

0,9 (9)

0,8 (8)

0,7 (7)

0,5 (5)

35

1

-

-

-

1,0 (10)

1,0 (10)

1,0 (10)

1,0 (10)

1,0 (10)

1,0 (10)

2

-

-

-

1,0 (10)

0,95 (9,5)

0,85 (8,5)

0,7 (7)

0,6 (6)

0,45 (4,5)

3

-

-

-

0,9 (9)

0,8 (8)

0,7 (7)

0,6 (6)

0,5 (5)

0,4 (4)

25

1

-

-

-

0,8 (8)

0,8 (8)

0,8 (8)

0,8 (8)

0,8 (8)

0,8 (8)

2

-

-

-

0,8 (8)

0,75 (7,5)

0,65 (6,5)

0,55 (5,5)

0,5 (5)

0,35 (3,5)

3

-

-

-

0,7 (7)

0,55 (5,5)

0,51 (5,1)

0,44 (4,4)

0,4 (4)

0,32 (3,2)

Примечания. 1. Расчетные сопротивления сжатию кладки из мелких ячеистобетонных блоков принимаются с понижающим коэффициентом 0,9: для блоков, изготовленных из бетона неавтоклавного твердения, для кладки на легких растворах; при толщине растворного шва от 15 до 20 мм.

2. Допускается для экспериментального строительства повышать расчетные сопротивления кладки до 10 %, если это подтверждено результатами испытаний и согласовано с головной или базовой организацией в установленном порядке.

3. При высоте ряда кладки 150 мм, а также толщине растворного шва 20 мм и более расчетные сопротивления кладки сжатию принимаются с учетом понижающего коэффициента 0,8.

4. Расчетные сопротивления сжатию кладки при промежуточных размерах высоты ряда от 150 до 200 мм должны определяться как среднее арифметическое значение в соответствии с примечанием 3 данной табл.

3.5. [3.20] Модуль упругости (начальный модуль деформаций кладки из ячеистобетонных блоков Е0 при кратковременной нагрузке определяют по формуле

Е0 = Ru,                                                               (1) [1]

где a - упругая характеристика кладки, принимаемая по табл. 6;

Ru - временное сопротивление (средний предел прочности) сжатию кладки, определяемое по формуле

Ru = К×R,                                                                (2) [2]

где R - расчетное сопротивление сжатию кладки, принимаемое по табл. 5 с учетом коэффициентов, приведенных в примечаниях к табл. 5;

К - принимается равным 2,25.

Таблица 6

Вид ячеистого бетона

Упругая характеристика a кладки из мелких ячеистобетонных блоков

при марках раствора

по прочности раствора

25 и выше

10

4

0,2 (2)

нулевой

Автоклавного твердения

750

500

350

350

200

Неавтоклавного твердения

500

350

200

200

200

Примечание. Для кладки на легких растворах значения упругой характеристики a принимают с учетом понижающего коэффициента 0,7.

3.6. [3.22] Модуль деформации кладки должен приниматься равным:

a) при расчете конструкций по прочности кладки для определения усилий в кладке

Е = 0,5E0;                                                              (3) [7]

б) при определении деформаций кладки от продольных или поперечных сил

Е = 0,8E0.                                                              (4) [8]

3.7. Относительная деформация кладки из ячеистобетонных мелких блоков с учетом ползучести определяется по формуле

                                                               (5) [9]

где s - напряжение, при котором определяется e;

v - коэффициент, учитывающий влияние ползучести кладки, определяемый по формуле

v = 1 + jt,                                                                    (6)

где jt - характеристика ползучести, принимаемая по табл. 7.

Таблица 7

Категория кладки

Блоки из ячеистого бетона вида

jt

1

автоклавный

2,0

2

то же

2,5

3

неавтоклавный

3,0

3.8. [3.24]. Модуль упругости кладки Е0 при постоянной и длительной нагрузке, с учетом ползучести, рекомендуется уменьшить путем деления его на коэффициент ползучести v, определяемый по формуле (6).

Расчет элементов конструкций стен из мелких ячеистобетонных блоков (камней)

3.9. Расчет элементов стен и узлов опирания по предельным состояниям первой (по несущей способности) и второй групп (по образованию и раскрытию трещин и по деформациям) рекомендуется производить в соответствии с требованиями СНиП II-22-81 и пп. 3.2 - 3.8 настоящих Рекомендаций.

3.10. Расчет армированных ячеистобетонных перемычек рекомендуется выполнять по «Пособию по проектированию бетонных и железобетонных конструкций из ячеистых бетонов (НИИЖБ, ЦНИИСК, М., 1986). При этом нагрузку на перемычки от перекрытий и давления кладки следует принимать в соответствии со СНиП II-22-81.

Расчет железобетонных перемычек рекомендуется выполнять по СНиП 2.03.01-84.

Примечание. Допускается применять перемычки из армированной кладки из мелких ячеистобетонных блоков с учетом рекомендаций «Пособия по проектированию каменных и армокаменных конструкций» (ЦНИИСК М. 1987).

4. КОНСТРУКЦИИ СТЕН И УЗЛОВ СОПРЯЖЕНИЯ ИЗ МЕЛКИХ ЯЧЕИСТОБЕТОННЫХ БЛОКОВ

4.1. Стены из мелких ячеистобетонных блоков по типу кладки могут быть однослойные, двухслойные и трехслойные (с облицовкой).

Типы кладок однослойных и двухслойных стен из мелких ячеистобетонных блоков приведены на рис. 1.

Примечания. 1. Размеры блоков, приведенные на рисунках и схемах, соответствуют ГОСТ 21520-89 и Альбому «Детали многослойных кирпичных и каменных наружных стен жилых и общественных зданий», серия 2.130-8, выпуск 1, ЛенЗНИИЭП, ЦНИИСК, М., 1988.

2. Конструкции стен из блоков других размеров (п. 2.3) выполняются по аналогии с приведенными на рисунках.

а)

Описание: 1

б)

в)

Описание: 1

г)

д)

Описание: 1

е)

ж)

з)

Описание: 1

Рис. 1. Типы кладки стен из мелких ячеистобетонных блоков

а, б - толщиной в один блок; в, г - толщиной в полтора блока с чередованием целых блоков и продольных половинок или целых блоков; д, е - толщиной в два блока с чередованием горизонтальной укладки через два ряда блоков; ж, з - толщиной в два блока с чередованием вертикальной и горизонтальной укладки через один ряд блоков

1 - сетка Æ 4 мм с ячейкой 80´80 мм, 2 - сетка Æ 4 мм с ячейкой 70´70 мм

Рис. 2. Схема кладки стен из мелких ячеистобетонных блоков толщиной в один блок с выполнением проема

1 - основные блоки; 2 - железобетонные перемычки; 3 - доборный блок; 4 - антисептированный брус; 5 - штукатурка; 6 - утеплитель

4.2. При кладке стен толщиной в один блок рекомендуется «цепная» перевязка мелких блоков (рис. 2, 3).

4.3. При кладке стен толщиной в полтора и два блока рекомендуется обеспечивать смещение вертикальных швов наружных блоков относительно вертикальных швов внутренних блоков в соответствии со схемой, приведенной на рис. 4.

4.4. Сопряжения наружных и внутренних стен, а также в узлах лестничных клеток, рекомендуется осуществлять перевязкой мелких блоков или с помощью металлических анкеров.

В качестве металлических анкеров можно использовать металлические скобы диаметром 4 - 6 мм, Т-образные анкеры из полосовой стали толщиной 4 мм или сварные сетки из арматуры диаметром 4 - 6 мм. Связи между продольными и поперечными стенами должны быть установлены, по крайней мере, в двух уровнях в пределах одного этажа.

Крепление перегородок к стенам допускается осуществлять Т-образными анкерами или металлическими скобами, которые устанавливаются в стену в уровне горизонтальных швов перегородок и стен (рис. 3, 4).

а)

Описание: 1

б)

Описание: 1

в)

Рис. 3. Схема кладки толщиной в один блок

а) фрагмент кладки угла здания; б) примыкание перегородки к стене; в) сопряжение наружных и внутренних стен

4.5. Для облицовки стен из мелких ячеистобетонных блоков применяют керамические лицевые камни и кирпич по ГОСТ 7484-78, а также отборный силикатный кирпич и камни по ГОСТ 379-79.

а)

б)

в)

Описание: 1

Рис. 4. Схема кладки стен толщиной в два блока

а) фрагмент кладки угла здания; б) примыкание перегородки к стене; в) сопряжение наружной и внутренней стены

Рис. 5. Типы кладок стен из мелких ячеистобетонных блоков с наружной облицовкой в 1/2 кирпича

а - кладка толщиной в один блок с креплением облицовки не гибких металлических связях с заполнением вертикального шва раствором;
б - то же без заполнения вертикального шва раствором (на относе); в - кладка толщиной в полтора блока;

а, б, в - для зданий высотой до 2-х этажей;

г, д, е - для зданий высотой до 5 этажей

1 - облицовочный кирпич; 2 - металлические скобы

Типы кладок стен из ячеистобетонных блоков с облицовкой приведены на рис. 5 и 6.

Рис. 6. Типы кладок стен из мелких ячеистобетонных блоков толщиной в полтора и два блока с наружной облицовкой в 1/2 кирпича с перевязкой прокладными тычковыми рядами

а, б - облицовка из одинарного кирпича; в, г - облицовка из утолщенного кирпича

Крепление облицовки к стенам из ячеистобетонных блоков выполняется при помощи гибких металлических связей с заполнением вертикального шва раствором и на относе (без заполнения вертикального шва раствором) или перевязкой с основной кладкой прокладными тычковыми рядами.

При выполнении облицовки в качестве гибких связей применяют металлические скобы Æ 4 - 6 мм, которые устанавливают через 6 - 8 рядов облицовочного кирпича для зданий высотой до 2-х этажей и через 3 - 5 рядов для зданий высотой до 5-ти этажей. Зазор между стеной и облицовкой должен быть от 20 до 30 мм.

4.6. Все металлические скобы и анкеры должны изготавливаться из нержавеющей стали или обычной стали с антикоррозионным покрытием.

4.7. Минимальная ширина простенков в зданиях должна быть не менее 600 мм в несущих стенах и не менее 300 мм в самонесущих и ненесущих стенах.

Схема кладки наружных несущих стен из мелких ячеистобетонных блоков приведена на рис. 7.

Схема кладки наружных самонесущих стен из мелких ячеистобетонных блоков приведена на рис. 8.

Схема кладки наружных навесных стен из мелких ячеистобетонных блоков приведена на рис. 9.

Схема кладки внутренних несущих стен без проема и с проемом приведена на рис. 10.

4.8. Кладка наружных стен из мелких ячеистобетонных блоков проводится по цоколю здания, выполненному из морозостойких и влагостойких материалов. При этом высота цоколя должны быть не менее 500 мм (рис. 11).

Стены из ячеистобетонных блоков должны быть гидроизолированы в местах их примыкания к цоколю, полу первого этажа и подвалу (рис. 11).

4.9. Наружные стены из мелких ячеистобетонных блоков с целью защиты стены от увлажнения в зоне опирания на цоколь рекомендуется выполнять со свесом по отношению к цоколю здания не более чем на 80 мм.

Первый ряд ячеистобетонных блоков рекомендуется укладывать на пояс, выполненный из железобетонных перемычек или из керамического кирпича (рис. 12).

а)

б)

Рис. 7. Схема кладки наружных несущих стен из мелких ячеистобетонных блоков

а - с перекрытием из ячеистобетонных блоков; б - с перекрытием из железобетонных плит

1 - основные блоки; 2 - доборные блоки; 3 - кирпич М100; 4 - утеплитель

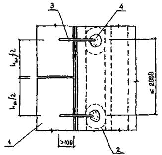
4.10. Глубина опирания междуэтажных железобетонных плит перекрытия и плит покрытия на стены из мелких ячеистобетонных блоков должна быть не менее 100 мм (рис. 13).

4.11. Для уменьшения эксцентриситета нагрузки от железобетонной плиты перекрытия (покрытия) на стены из мелких ячеистобетонных блоков и устранения околов в зоне опирания рекомендуется осуществлять опирание перекрытия через ряд кирпича, уложенный «плашмя» на растворе. При этом допускается сдвижка кирпича от внутренней грани стены к ее центру на 20 мм. Для зданий более 3-х этажей в местах опирания плит перекрытий и перемычек рекомендуется ставить арматурную сетку Æ 5 мм с размерами ячейки 70´70 мм.

а)

б)

Рис. 8. Схема кладки наружных самонесущих стен из мелких ячеистобетонных блоков

а) блоки размерами 288´588´(200 ¸ 300); б) блоки размерами 188´588´(200 ¸ 300)

1 - основные блоки; 2 - доборные блоки; 3 - ж.б. перемычка; 4 - арматура 2 Æ 5 B1; 5 - бетон В7,5; 6 - плита перекрытия; 7 - утеплитель; 8 - арматурная сетка

а)

б)

Рис. 9. Схема кладки наружных навесных стен из мелких ячеистобетонных блоков

а) блоки размерами 288´400´(350 ¸ 400); б) блоки размерами 188´400´(350 ¸ 400)

1 - основные блоки; 2 - доборные блоки; 3 - плита перекрытия; 4 - упругие прокладки из пороизола

Паз глубиной 20 мм, образовавшийся под плитой перекрытия; рекомендуется заделывать легко деформируемым материалом: древесноволокнистой рейкой или цементно-известково-песчаным раствором М25.

Торец железобетонной плиты перекрытия должен быть утеплен эффективным утеплителем.

Рис. 10. Схема кладки внутренних несущих стен из мелких ячеистобетонных блоков

а - блоки размерами 188´588´250; б - блоки размерами 288´588´250; в - схема кладки внутренних несущих стен с устройством проема

1 - основные блоки; 2 - доборные блоки; 3 - перемычки; 4 - плиты перекрытия

а)

б)

Рис. 11. Схема гидроизоляции стен из мелких ячеистобетонных блоков

а) при устройстве пола над подвалом или подпольем; б) при устройстве пола по насыпному грунту

1 - основной блок; 2 - доборный блок; 3 - гидроизоляция; 4 - фундаментный блок; 5 - утеплитель; 6 - штукатурка

4.12. Схема узлов опирания железобетонных плит перекрытия на армированные перемычки из ячеистого бетона приведена на рис. 14, а, а на железобетонные перемычки - на рис. 14, б. Во всех случаях рекомендуется предусмотреть дополнительное утепление торцов железобетонных плит перекрытия эффективным утеплителем.

4.13. В случаях, когда значение местного напряжения под плитой перекрытия или под перемычкой превышает значение основного напряжения в стене на 20 % и более, а также в случаях, когда толщина монтажного шва 30 мм и более, рекомендуется в местах опирания этих плит и перемычек на стену укладывать сварную сетку из арматуры диаметром 4 ¸ 6 мм с ячейкой 70´70 мм в растворный шов в уровне низа плиты или перемычки.

а)

б)

Рис. 12. Схема узла цоколя, здания из ячеистобетонных блоков

а) вариант опирания плиты перекрытия на стену; б) вариант примыкания плиты перекрытия к стене

1 - основные блоки кладки; 2 - железобетонные перемычки; 3 - железобетонная плита перекрытия;
4 - утеплитель; 5 - гидроизоляция; 6 - фундаментные блоки; 7 - штукатурка

а)

Описание: 1

б)

Рис. 13. Схема узла опирания плит перекрытия на стены из ячеистого бетона

а) вариант опирания железобетонной плиты перекрытия на стену; б) вариант опирания ячеистобетонной плиты перекрытия на стену

1 - основные блоки из ячеистого бетона; 2 - доборные блоки из ячеистого бетона; 3 - железобетонная плита перекрытия;
4 - кирпич М100; 5 - минераловатный утеплитель; 6 - раствор М25; 7 - ячеистобетонная плита перекрытия; 8 - штукатурка

а)

б)

Описание: 1

Рис. 14. Схемы узлов опирания железобетонного перекрытия

а) на перемычки из ячеистого бетона; б) на железобетонные перемычки

1 - железобетонная плита перекрытия; 2 - ячеистобетонные перемычки; 3 - железобетонные перемычки; 4 - доборные блоки из ячеистого бетона;
5 - основные блоки из ячеистого бетона; 6 - минераловатный утеплитель; 7 - антисептированный брус; 8 - штукатурка; 9 - раствор М25

Рис. 15. Схема узла сопряжения крыши с чердаком со стеной из ячеистого бетона

1 - железобетонная плита перекрытия; 2 - основной блок из ячеистого бетона, 3 - кирпич М100;
4 - минераловатный утеплитель; 5 - плитный утеплитель; 6 - скрутка из проволоки; 7 - раствор М25

Рис. 16. Схема узла заполнения оконного проема

1 - оконная коробка; 2 - нащельник; 3 - кровельная сталь; 4 - мастика или упругая прокладка; 5 - смоленая пакля; 6 - цементный раствор

4.14. При кладке стен из мелких ячеистобетонных блоков на растворе толщина горизонтальных швов принимается не менее 10 мм и не более 15 мм, в среднем 12 мм в пределах высоты этажа. Толщина вертикальных швов принимается от 8 до 15 мм, в среднем 10 мм. Горизонтальные и вертикальные швы между блоками рекомендуется тщательно заполнять пластичным легким раствором.

4.15. Схема узла сопряжения крыши с чердаком со стеной из ячеистобетонных блоков приведена на рис. 15.

4.16. При однослойных стенах из ячеистобетонных блоков оконные и дверные проемы не имеют четвертей. Крепление деревянных коробок производится оцинкованными гвоздями или металлическими ершами. Для этого в коробках просверливаются отверстия, а в ячеистобетонные блоки устанавливаются деревянные пробки. Схема узла заполнения иконного проема приведена на рис. 16.

При опирании на стены из ячеистобетонных блоков и облицовкой железобетонных перемычек проемы могут быть без четверти и с четвертью в соответствии со схемами узлов, приведенными на рис. 17.

а)

б)

Рис. 17. Схема узлов опирания стен из мелких ячеистобетонных блоков с облицовкой на перемычки

а - с устройством четвертей; б - без четвертей

1 - ячеистобетонные мелкие блоки; 2 - железобетонные перемычки;
3 - облицовочный кирпич; 4 - эффективный утеплитель

4.17. Зазоры между проемом и оконной (дверной) коробкой тщательно заполняются эффективным утеплителем с установкой упругих прокладок, а откосы оштукатуриваются. Подоконную часть наружной стены следует защищать сливом из кровельной стали.

4.18. Более подробно узлы сопряжений зданий из ячеистобетонных элементов приведены в Альбоме «Малоэтажные дома из ячеистых бетонов» (2-я редакция) ЛенЗНИИЭП, Ленинград, 1989 г. и Приложении 2 настоящих Рекомендаций.

5. ТЕПЛОТЕХНИЧЕСКИЙ РАСЧЕТ СТЕН ИЗ МЕЛКИХ ЯЧЕИСТОБЕТОННЫХ БЛОКОВ

5.1. Наружные стены из мелких ячеистобетонных блоков новых и реконструируемых жилых, общественных и производственных зданий с нормируемой температурой (или температурой и относительной влажностью внутреннего воздуха) должны отвечать требованиям главы СНиП II-3-79** по сопротивлению теплопередаче, воздухопроницаемости, паропроницаемости и теплоустойчивости. Последовательность операций при определении сопротивления теплопередаче приведена в настоящем разделе Рекомендаций. Номера формул и пунктов СНиП II-3-79** в настоящем разделе приведены в квадратных скобках.

5.2. Для уменьшения воздухопроницаемости наружных стен из ячеистобетонных блоков необходимо наружную поверхность выполнять с расшивкой швов, а на внутренней - устраивать штукатурный слой толщиной 15 - 20 мм или обшивку из плотных материалов.

5.3. Для повышения теплотехнических свойств наружных стен из ячеистобетонных блоков кладку целесообразно вести на легких (теплых) растворах с заменой кварцевого песка шлаковым, шлакопемзовым или перлитовым, а портландцемента - не менее теплопроводный, но равнопрочный, шлакопортландцемент.

5.4. Требуемые сопротивления наружных стен из ячеистобетонных блоков воздухопроницанию, паропроницанию и их теплоустойчивость определяется соответствующим расчетом по СНиП II-3-79**.

5.5. Теплозащитные свойства стен из ячеистобетонных блоков однородных (однослойных) и многослойных без теплопроводных включений характеризуются - сопротивлением теплопередаче R0 м2×С/Вт.

5.6. Теплозащитные свойства стен из ячеистобетонных блоков однослойных и многослойных, облицованных кирпичом, образующим теплопроводные включения в кладки, характеризуются приведенным сопротивлением теплопередаче R0пр м2×С/Вт.

5.7. Сопротивление теплопередаче R0, приведенное сопротивление теплопередаче R0пр стен должны быть не менее требуемого сопротивления теплопередаче R0тр, определяемого [по формуле 1] и экономически целесообразного сопротивления теплопередаче R0эк, определяемого [по п. 2.15].

5.8. Сопротивление теплопередаче однородных стен из ячеистобетонных бетонов следует определять [по формулам 4 и 5], приведенное сопротивление теплопередаче однослойных и многослойных стен, облицованных кирпичом, образующим теплопроводные включения, рассчитывается в соответствии [с п. 2.8 по формулам 4 и 7] или по результатам расчета температурного поля.

5.9. Расчетные температуры внутреннего воздуха tв °С и относительная влажность jв % принимаются по нормам проектирования соответствующих зданий и сооружений.

5.10. Расчетная зимняя температура tн °С принимается по СНиП 2.01.01-82 с учетом тепловой инерции ограждающих конструкций [по табл. 5].

5.11. Для сплошных стен из ячеистобетонных камней, а также облицованных кирпичом, допускается R0 принимать меньше R0тр, но не более чем на 5 %.

5.12. Расчет требуемого сопротивления теплопередаче стен из ячеистобетонных блоков по санитарно-гигиеническим условиям выполняется в следующем порядке:

- [по табл. 1] устанавливают влажностный режим помещений здания или сооружения в зимний период эксплуатации в зависимости от относительной влажности и температуры внутреннего воздуха;

- [по карте Приложения 1] устанавливают зону влажности, соответствующую заданному району строительства;

- [по Приложению 2] устанавливают условия эксплуатации наружных ограждающих конструкций в зависимости от влажностного режима и зоны влажности;

- принимают предварительное конструктивное решение наружной стены из ячеистобетонных блоков и определяют его сопротивление теплопередаче R0 [по формулам 4 и 5] или приведенное сопротивление теплопередаче R0тр [по формулам 4 и 7] и тепловую инерцию «Д» [по формуле 2], принимая при этом расчетные коэффициенты теплопроводности кладки стен l по табл. 8. Значения коэффициентов теплоусвоения s рассчитываются в соответствии [с примечанием 1 к Приложению 3];

Таблица 8

Материал блоков

Плотность ячеистого бетона в сухом состоянии g0, кг/м3

Расчетное массовое отношение влаги в материале конструкции при условиях эксплуатации (эксплуатационная влажность) w, % А/Б

Расчетные коэффициенты теплопроводности кладки l, Вт/(м×К), при условиях эксплуатации А/Б на растворах

цементно-песчаном g0 = 1800 кг/м3

известково-песчаном g0 = 1600 кг/м3

цементно-шлаковом g0 = 1400 кг/м3

цементно-шлаковом g0 = 1200 кг/м3

цементно-перлитовом g0 = 1000 кг/м3

цементно-перлитовом g0 = 800 кг/м3

гипсоперлитовом g0 = 600 кг/м3

1

2

3

4

5

6

7

8

9

10

Ячеистый бетон на кварцевом песке

1200

10

15

0,54

0,62

0,52

0,60

0,51

0,59

0,50

0,57

0,49

0,55

0,48

0,55

0,47

0,54

1100

10

15

0,51

0,57

0,50

0,56

0,48

0,54

0,47

0,53

0,45

0,50

0,44

0,50

0,44

0,49

То же

1000

10

15

0,45

0,52

0,44

0,51

0,43

0,49

0,42

0,48

0,40

0,46

0,39

0,45

0,39

0,45

900

10

15

0,42

0,47

0,41

0,46

0,40

0,45

0,39

0,45

0,39

0,44

0,35

0,40

0,35

0,40

- ² -

800

10

15

0,37

0,42

0,37

0,41

0,36

0,40

0,35

0,39

0,35

0,39

0,33

0,37

0,31

0,35

- ² -

700

10

15

0,35

0,40

0,34

0,39

0,33

0,38

0,32

0,37

0,31

0,36

0,30

0,34

0,28

0,32

- ² -

600

8

12

0,27

0,32

0,26

0,31

0,25

0,30

0,25

0,29

0,24

0,29

0,23

0,27

0,22

0,26

- ² -

500

8

12

0,25

0,30

0,24

0,28

0,23

0,28

0,23

0,27

0,22

0,26

0,21

0,25

0,20

0,25

Ячеистый золобетон

1200

15

22

0,56

0,63

0,54

0,61

0,53

0,60

0,52

0,58

0,51

0,56

0,50

0,56

0,49

0,55

То же

1100

15

22

0,53

0,59

0,52

0,58

0,50

0,56

0,48

0,54

0,46

0,52

0,46

0,52

0,45

0,51

- ² -

1000

15

22

0,48

0,55

0,47

0,54

0,46

0,52

0,45

0,51

0,44

0,50

0,43

0,48

0,42

0,47

- ² -

900

15

22

0,45

0,52

0,44

0,51

0,43

0,50

0,43

0,49

0,42

0,48

0,38

0,44

0,38

0,44

- ² -

800

15

22

0,40

0,46

0,39

0,45

0,38

0,44

0,37

0,44

0,37

0,43

0,35

0,41

0,34

0,40

- ² -

700

15

22

0,39

0,45

0,38

0,44

0,36

0,42

0,36

0,41

0,35

0,40

0,33

0,38

0,31

0,36

- ² -

600

12

17

0,31

0,37

0,30

0,36

0,29

0,35

0,28

0,34

0,27

0,33

0,26

0,32

0,25

0,30

- ² -

500

12

17

0,28

0,33

0,27

0,32

0,26

0,31

0,25

0,31

0,24

0,30

0,24

0,29

0,24

0,28

- по заданному району строительства и определенному показателю тепловой инерции стены в соответствии [с п. 2.3] главы СНиП II-3-79** и главой СНиП 2.01.01-82 принимают расчетную зимнюю температуру наружного воздуха tн °С;

- [в формулу 1] подставляют величины tв, tн, Dtн, aв и определяют R0тр;

- сравнивают R0тр с R или R0пр предварительно принятой конструкции стены, в случае их расхождения, если возможно, то изменяют толщину стены или теплоизоляционного слоя до размеров, обеспечивающих равенство и R0тр и R0 или R0пр;

- после этого проверяют заново соответствие показателя тепловой инерции принятой расчетной зимней температуре наружного воздуха в случае их несоответствия изменяют термическое сопротивление наружной стены, снова вычисляют ее тепловую инерцию и принимают расчетную зимнюю температуру наружного воздуха, соответствующей откорректированному значению «Д»;

- экономически целесообразное сопротивление теплопередаче стены следует принимать равным сопротивлению теплопередаче того варианта стены, при котором обеспечивается, наименьшая величина приведенных затрат, П руб/м2, определяемая [по формуле 17];

- единовременные затраты СD, входящие [в формулу 17], определяют с учетом оптовой цены 1 м2 стены, стоимости транспортирования, монтажа и погрузочно-разгрузочных работ;

- в качестве первого варианта R0 принимается сопротивление теплопередаче стены из мелких ячеистобетонных блоков, равное или близкое величине (R0тр rэф) с учетом унифицированной толщины блоков. Величину коэффициента rэф для однослойных стен из ячеистобетонных блоков следует, принимать равной 1,3;

Таблица 9

Здания и помещения

Нормативный температурный перепад Dtн, °C, для наружных стен

Расчетная температура внутреннего воздуха tв, °С

Требуемое сопротивление теплопередаче R0тр, м2×°С/Вт, для наружных стен по санитарно-гигиеническим условиям при расчетных температурах наружного воздуха, tн, °С

-10

-20

-30

-40

-50

1

2

3

4

5

6

7

8

Жилых, больничных учреждений (больниц, клиник, стационаров и госпиталей), диспансеров и амбулаторно-поликлинических учреждений, родильных домов, домов ребенка, домов-интернатов для престарелых и инвалидов; учебные и спальные корпуса общеобразовательных детских школ; детских садов, яслей, яслей-садов (комбинатов), детских домов и детских приемников-распределителей

6

18

0,54

0,73

0,92

1,11

1,3

20

0,57

0,77

0,96

1,15

1,34

22

0,61

0,80

1,00

1,19

1,38

Общественные, кроме указанных в п. 1, и вспомогательные промышленных предприятий, за исключением помещений с влажным или мокрым режимом

7

18

0,46

0,62

0,79

0,95

1,12

20

0,49

0,66

0,82

0,98

1,15

Производственные с сухим режимом

10

12

0,25

0,37

0,48

0,60

0,71

15

0,26

0,40

0,52

0,63

0,75

17

0,31

0,42

0,54

0,65

0,77

20

0,34

0,46

0,50

0,69

0,80

22

0,37

0,48

0,60

0,71

0,83

Производственные с нормальным режимом

8

12

0,32

0,46

0,60

0,75

0,89

15

0,36

0,50

0,65

0,79

0,93

17

0,39

0,53

0,68

0,82

0,96

20

0,43

0,57

0,72

0,86

1,00

22

0,46

0,60

0,75

0,89

1,03

Производственные со значительными избытками явного тепла (более 23 Вт/м3) и расчетной относительной влажностью внутреннего воздуха не более 50 %

12

12

0,21

0,31

0,40

0,50

0,59

15

0,24

0,34

0,43

0,53

0,62

17

0,26

0,35

0,45

0,55

0,64

20

0,29

0,38

0,48

0,57

0,67

22

0,31

0,40

0,50

0,59

0,69

24

0,33

0,42

0,52

0,61

0,71

26

0,34

0,44

0,54

0,63

0,73

Примечание. Расчетные сопротивления приведены для кладки с толщиной растворных швов 12 мм.

Таблица 10

Тип кладки стен

Толщина без штукатурки*)

Сопротивление теплопередаче стен R0, м2×°С/Вт, из ячеистобетонных блоков для условий эксплуатации А/Б

блоки из ячеистого бетона, на кварцевом песке плотностью g0, кг/м3

блоки из ячеистого золобетона плотностью g0, кг/м3

1200

1000

800

600

500

1200

1000

800

600

500

1

2

3

4

5

6

7

8

9

10

11

12

а) на цементно-песчаном растворе g0 = 1800 кг/м3

Однослойная, толщиной в один блок (рис. 1 а, 2, 3) и двухслойная с чередованием вертикальной и горизонтальной укладки блоков (рис. 1, д, 1, ж)

0,3

0,71

0,64

0,82

0,73

0,97

0,87

1,27

1,09

1,36

1,16

0,69

0,63

0,78

0,70

0,91

0,81

1,12

0,97

1,23

1,07

Двухслойная с чередованием целых блоков и продольных половинок (рис. 1, в)

0,305

0,72

0,65

0,83

0,74

0,98

0,88

1,29

1,11

1,38

1,18

0,70

0,64

0,79

0,71

0,92

0,82

1,14

0,99

1,25

1,09

Двухслойная с чередованием вертикальной и горизонтальной укладки блоков (рис. 1, е, 1, з)

0,25

0,62

0,56

0,71

0,64

0,83

0,75

1,08

0,94

1,16

0,99

0,60

0,55

0,68

0,61

0,78

0,70

0,96

0,83

1,05

0,91

Двухслойная с наружной облицовкой в 1/2 кирпича (сплошного глиняного g0 = 1800 кг/м3) на гибких металлических связях (рис. 5, а)

0,33

0,72

0,64

0,79

0,70

0,89

0,79

1,09

0,94

1,15

0,98

0,70

0,63

0,76

0,68

0,85

0,75

0,99

0,86

1,06

0,92

То же, (рис. 5, а)

0,43

0,90

0,80

1,01

0,89

1,16

1,03

1,46

1,25

1,55

1,32

0,88

0,79

0,97

0,86

1,10

0,97

1,31

1,13

1,42

1,23

Трехслойная с наружной облицовкой в 1/2 кирпича (сплошного глиняного g0 = 1800 кг/м3) на гибких металлических связях (рис. 5, в)

0,435

0,91

0,81

1,02

0,90

1,17

1,04

1,48

1,27

1,57

1,34

0,89

0,80

0,98

0,87

1,11

0,98

1,33

1,15

1,44

1,25

Трехслойная с наружной облицовкой в 1/2 кирпича (сплошного глиняного g0 = 1800 кг/м3) с прокладными рядами (рис. 6, а, 6, в)**)

0,435

0,87

0,79

0,96

0,89

1,07

1,00

1,22

1,13

1,28

1,16

0,85

0,77

0,92

0,85

1,03

0,95

1,14

1,15

1,20

1,11

То же**) (рис. 6, б, 6, г)

0,54

1,07

0,95

1,16

1,09

1,32

1,18

1,56

1,42

1,63

1,48

1,04

0,94

1,13

1,05

1,24

1,15

1,45

1,32

1,53

1,39

б) на цементно-песчаном растворе g0 = 1600 кг/м3

Однослойная, толщиной в один блок (рис. 1, а, 2, 3) и двухслойная с чередованием вертикальной и горизонтальной укладки блоков (рис. 1, д, ж)

0,3

0,73

0,66

0,84

0,75

0,97

0,89

1,13

1,12

1,41

1,23

0,71

0,65

0,80

0,71

0,93

0,82

1,16

0,99

1,27

1,09

Двухслойная с чередованием целых блоков и продольных половинок (рис. 1, в)

0,305

0,74

0,67

0,85

0,76

0,98

0,90

1,33

1,14

1,43

1,18

0,72

0,66

0,81

0,72

0,94

0,83

1,18

1,01

1,29

1,11

Двухслойная с чередованием вертикальной и горизонтальной укладки блоков (рис. 1, е, з)

0,25

0,64

0,57

0,73

0,65

0,83

0,77

1,12

0,96

1,20

1,05

0,62

0,57

0,69

0,62

0,80

0,71

0,99

0,85

1,08

0,94

Двухслойная с наружной облицовкой в 1/2 кирпича (сплошного глиняного g0 = 1800 кг/м3) на гибких металлических связях (рис. 5, а)

0,33

0,73

0,65

0,80

0,71

0,89

0,80

1,12

0,96

1,18

1,03

0,72

0,64

0,77

0,69

0,86

0,76

1,01

0,87

1,09

0,97

То же (рис. 5, а)

0,43

0,92

0,82

1,03

0,91

1,16

1,05

1,50

1,28

1,60

1,42

0,90

0,81

0,98

0,87

1,12

0,98

1,35

1,15

1,46

1,25

Трехслойная с наружной облицовкой в 1/2 кирпича (сплошного глиняного g0 = 1800 кг/м3) на гибких металлических связях (рис. 5, в)

0,435

0,93

0,83

1,04

0,92

1,17

1,06

1,52

1,30

1,62

1,44

0,91

0,82

1,00

0,88

1,13

0,99

1,37

1,17

1,48

1,27

Трехслойная с наружной облицовкой в 1/2 кирпича (сплошного глиняного g0 = 1800 кг/м3) с прокладными рядами (рис. 6, а, 6, в)**)

0,435

0,89

0,80

0,97

0,90

1,07

1,01

1,25

1,14

1,27

1,21

0,87

0,80

0,94

0,87

1,04

0,96

1,15

1,08

1,22

1,13

То же**) (рис. 6, б, 6, г)

0,54

1,09

0,97

1,16

1,10

1,32

1,21

1,60

1,45

1,66

1,53

1,07

0,96

1,14

1,07

1,26

1,15

1,48

1,33

1,56

1,42

в) на цементно-шлаковом растворе g0 = 1200 кг/м3

Однослойная толщиной в один блок (рис. 1, а, 2, 3) и двухслойная с чередованием вертикальной и горизонтальной укладки блоков (рис. 1, д, ж)

0,3

0,76

0,68

0,87

0,78

1,01

0,93

1,36

1,19

1,46

1,27

0,733

0,67

0,82

0,75

0,97

0,84

1,23

1,04

1,36

1,12

Двухслойная с чередованием целых блоков и продольных половинок (рис. 1,в)

0,305

0,77

0,69

0,88

0,79

1,02

0,94

1,38

1,21

1,48

1,29

0,74

0,68

0,83

0,76

0,98

0,85

1,25

1,06

1,38

1,14

Двухслойные с чередованием вертикальной и горизонтальной укладки блоков (рис. 1, з)

0,25

0,66

0,60

0,75

0,68

0,87

0,80

1,16

1,02

1,24

1,08

0,64

0,59

0,71

0,65

0,83

0,73

1,05

0,89

1,16

0,96

Двухслойная с наружной облицовкой в 1/2 кирпича (сплошного глиняного g0 = 1800 кг/м3) на гибких металлических связях (рис. 5, а)

0,33

0,75

0,67

0,82

0,73

0,92

0,83

1,15

1,01

1,22

1,06

0,73

0,66

0,79

0,71

0,89

0,77

1,06

0,91

1,15

0,96

То же (рис. 5, а)

0,43

0,95

0,84

1,06

0,94

1,20

1,09

1,55

1,35

1,65

1,43

0,92

0,83

1,01

0,91

1,16

1,00

1,42

1,20

1,55

1,28

Трехслойная с наружной облицовкой в 1/2 кирпича (сплошного глиняного g0 = 1800 кг/м3) на гибких металлических связях (рис. 5, в)

0,435

0,96

0,85

1,07

0,95

1,21

1,10

1,57

1,03

1,67

1,08

0,93

0,84

1,02

0,92

1,17

1,01

1,44

1,22

1,57

1,30

Трехслойная с наружной облицовкой в 1/2 кирпича (сплошного глиняного g0 = 1800 кг/м3) с прокладными рядами (рис. 6, а, 6, в)**)

0,435

0,91

0,83

1,00

0,92

1,09

1,04

1,25

1,16

1,30

1,20

0,59

0,82

0,96

0,90

1,07

0,97

1,19

1,10

1,25

1,16

То же**) (рис. 6, б, 6, г)

0,54

1,11

1,02

1,18

1,13

1,36

1,27

1,63

1,51

1,17

1,56

1,09

1,01

1,16

1,10

1,32

1,16

1,53

1,39

1,63

1,45

г) на цементно-перлитовом растворе g0 = 800 кг/м3

Однослойная, толщиной в один блок (рис. 1, а, 2, 3) и двухслойная с чередованием вертикальной и горизонтальной укладки блоков (рис. 1, д, ж)

0,3

0,78

0,70

0,93

0,82

1,07

0,97

1,46

1,29

1,59

1,36

1,76

0,69

0,85

0,78

1,01

0,89

1,31

1,09

1,41

1,19

Двухслойная с чередованием целых блоков и продольных половинок (рис. 1, в)

0,305

0,79

0,71

0,94

0,83

1,08

0,98

1,48

1,31

1,61

1,38

0,77

0,70

0,86

0,79

1,02

0,90

1,33

1,11

1,43

1,21

Двухслойная с чередованием вертикальной и горизонтальной укладки блоков (рис. 1, е, з)

0,25

0,68

0,61

0,80

0,71

0,91

0,83

1,24

1,08

1,35

1,16

0,66

0,60

0,74

0,68

0,87

0,77

1,12

0,94

1,20

1,02

Двухслойная с наружной облицовкой в 1/2 кирпича (сплошного глиняного g0 = 1800 кг/м3) на гибких металлических связях (рис. 5, а)

0,33

0,76

0,68

0,86

0,76

0,95

0,86

1,22

1,06

1,30

1,12

0,75

0,67

0,81

0,73

0,92

0,80

1,12

0,94

1,18

1,01

То же (рис. 5, a)

0,43

0,97

0,86

1,12

0,98

1,26

1,13

1,68

1,45

1,78

1,52

0,95

0,85

1,04

0,94

1,20

1,05

1,50

1,25

1,60

1,35

Трехслойная с наружной облицовкой в 1/2 кирпича (сплошного глиняного g0 = 1800 кг/м3) на гибких металлических связях (рис. 5, в)

0,435

0,98

0,87

1,13

0,99

1,27

1,14

1,70

1,47

1,80

1,54

0,96

0,86

1,05

0,95

1,21

1,06

1,52

1,27

1,62

1,37

Трехслойная с наружной облицовкой в 1/2 кирпича сплошного глиняного g0 = 1800 кг/м3) с прокладными рядами (рис. 6, а, 6, б)

0,435

0,92

0,86

1,04

0,96

1,12

1,07

1,30

1,20

1,33

1,25

0,91

0,85

0,98

0,92

1,09

1,01

1,24

1,13

1,27

1,19

Трехслойная с наружной облицовкой в 1/2 кирпича сплошного глиняного g0 = 1800 кг/м3) с прокладными рядами (рис. 6, б, 6 г)

0,54

1,13

1,05

1,27

1,16

1,41

1,32

1,71

1,56

1,79

1,63

1,11

1,04

1,19

1,13

1,36

1,21

1,60

1,42

1,66

1,50

___________

*) При наличии внутренней или наружной штукатурки к величине R0 следует прибавить 0,02 (м2×°С)/Вт, а при наличии обеих штукатурок - 0,04 (м2×°С)/Вт.

**) Теплозащитные качества стен с теплопроводными включениями оценены по приведенному значению сопротивления теплопередаче R0пр2×°С)/Вт.

- результаты расчета требуемых сопротивлений теплопередаче R0тр м2×°С/Вт наружных стен по санитарно-гигиеническим условиям при нормативных перепадах Dtн для наружных стен разных видов зданий и помещений в зависимости от температуры внутреннего воздуха и зимней расчетной температуры приведены в табл. 9;

- сопротивление теплопередаче кладки стен R0 м2×°С/Вт из ячеистобетонных мелких блоков на различных растворах при толщине растворных швов 12 мм для условий эксплуатации А/Б приведены в табл. 10.

5.13. Рекомендации по приближенному теплотехническому расчету наружных стен малоэтажных домов из мелких ячеистобетонных блоков (по данным ЛенЗНИИЭП) приведены в Приложении 3.

6. ПОДБОР СОСТАВОВ ЛЕГКИХ СТРОИТЕЛЬНЫХ РАСТВОРОВ ДЛЯ КЛАДКИ СТЕН ИЗ МЕЛКИХ ЯЧЕИСТОБЕТОННЫХ БЛОКОВ

6.1. Для кладки стен из мелких ячеистобетонных блоков рекомендуется применять легкие кладочные растворы, приготовленные на цементном или цементно-известковом вяжущем и легких заполнителях, в том числе на заполнителях из дробленых отходов ячеистого бетона в виде песка.

При приготовлении и применении легких строительных кладочных растворов на пористых заполнителях следует выполнять требования Инструкции СН 290-74.

6.2. Легкие строительные кладочные растворы на пористых заполнителях разделяются:

а) по плотности в сухом состоянии (кг/м3): 600; 700; 800; 900; 1000, 1100, 1200, 1300, 1400;

б) по пределу прочности на сжатие в МПа (временному сопротивлению) на марки: 0,4; 1,0; 2,5; 5,0; 7,5; 10,0;

в) по виду вяжущего: цементные, цементно-известковые;

г) по виду легкого заполнителя: перлитовые, полистирольные, на дробленом песке из отходов ячеистого бетона и керамзитобетона и др.

6.3. Определение водоудерживающей способности, расслаиваемости, средней плотности свежеприготовленного раствора, а также определение предела прочности на сжатие, средней плотности, влажности, водопоглощения, морозостойкости затвердевшего раствора следует, проводить по ГОСТ 5802-86.

6.4. Растворы рекомендуется приготовлять в растворомешалках принудительного действия непосредственно на стройплощадке.

6.5. Для улучшения удобоукладываемости раствора допускается применять добавки: гидрофобные типа ГКЖ-10, ГКЖ-11, ГКЖ-94 или воздухововлекающие типа СДБ, сульфонол в количестве до 0,2 % от массы цемента.

6.6. Дозировка вяжущего, заполнителей и добавок должна производиться по массе. Точность дозирования материалов должна быть: для вяжущего - 1 % от массы; для заполнителя - 1,5 % от массы цемента.

6.7. Подвижность кладочных растворов по глубине погружения стандартного конуса должна быть:

- для заполнения горизонтальных швов - 9 - 13 см;

- для заполнения вертикальных швов высотой до 30 см, заделываемых с помощью мастерка или специального совка, - 7 - 9 см;

- для заполнения вертикальных швов высотой более 30 см, заполняемых способом заливки швов - 14 см.

6.8. Заводами-изготовителями и растворными узлами могут изготавливаться сухие растворные смеси для кладочных растворов, доставляемые на строительство в контейнерах или мешках. На сухие растворные смеси изготовителями составляются технические условия.

6.9. При приготовлении раствора в емкость вначале загружается легкий заполнитель, затем цемент, которые перемешиваются в течение 1 - 2 мин. После перемешивания вяжущего и заполнителя состав перемешивается с водой с растворенными в ней добавками. В случае приготовления раствора в небольших количествах вручную, время перемешивания должно быть увеличено до получения однородной массы.

6.10. При приготовлении сухих растворных смесей твердые добавки вводятся в смесь на заводе-изготовителе.

При дозировании и приготовлении водных растворов компонентов, входящих в состав добавки, последние следует растворять и смешивать в мерных емкостях для воды непосредственно перед подачей воды в смеситель.

6.11. Для приготовления легких кладочных растворов на легких заполнителях применяются следующие материалы:

а) портландцемент М400 и выше по ГОСТ 10178-76*;

б) известь-пушонку или известковое тесто плотностью 1400 кг/м3;

в) кварцевый песок по ГОСТ 8736-77;

г) вспученный перлитовый песок по ГОСТ 10832-83 и ГОСТ 9757-83;

д) дробленый песок (крошку) из отходов автоклавного затвердевшего ячеистого бетона влажностью по массе не более 5 %, размером зерен 4 мм и менее, плотностью 800 кг/м3;

е) известково-песчаную молотую смесь влажностью по массе не более 5 %, плотностью 1000 кг/м3;

ж) керамзитовый песок насыпной плотностью 1200 кг/м3, влажностью 5 % по массе, размером зерен 4 мм и менее и другие заполнители;

з) сульфонол по ТУ 84-373-72;

и) воду питьевую по ГОСТ 2874-82.

6.12. Зерновой состав легких дробленых заполнителей (перлит, керамзит, ячеистобетонный песок и др.) должен быть близким к указанному в табл. 11.

Таблица 11

Остаток на ситах, %

Размеры отверстий сит, мм

Проход сквозь сито 0,14 мм

2,5

1,25

0,63

0,315

0,14

Частный

14,0

10,0

18,5

30,0

17,0

7,5

Полный

17,0

27,0

46,0

75,0

92,0

-

6.13. Дробленые легкие заполнители должны выпускаться и поставляться заводами по специально разработанным техническим условиям.

6.14. Рекомендуемые составы цементных кладочных растворов приводятся в табл. 12. Соотношения компонентов, приведенные в табл. 12, получены экспериментальным путем на портландцементе М400, объемной плотностью 1200 кг/м3, кварцевом песке насыпной плотностью 1600 кг/м3, вспученном перлитовом песке насыпной плотностью 100 кг/м3 и подвижности раствора, равной 10 см погружения стандартного конуса.

6.15. При производстве работ по кладке из мелких ячеистобетонных блоков в зимнее время для обеспечения необходимой прочности раствора рекомендуется применять противоморозные химические добавки: поташ, нитрит натрия, или комплексную добавку из нитрита натрия с мочевиной.

Более подробно вопросы применения противоморозных добавок при разных температурах наружного воздуха, количество добавок и другие требования приведены в СНиП 3.03.01-87.

6.16. Кладку стен из ячеистобетонных мелких блоков 1-ой категории при положительной температуре наружного воздуха рекомендуется выполнять на клеях следующих составов:

Таблица 12

Плотность раствора, кг/м3

Соотношение компонентов (по массе) для растворов марок, кгс/см2

Материалы

50

25

10

4

1

2

3

4

5

6

1500

1:0,5:4

Цемент : известь : песок керамзитовый

1400

1:0,5:6

1400

1:3,5:1

1:4,7:1

Цемент : песок из отходов ячеистого бетона : известково-песчаная молотая смесь : перлитовый песок

1300

1:2,8:1:0,15

1:4,2:1:0,18

1200

1:4:1:0,25

1:4,5:2

1100

1:0,6:0,24

Цемент : кварцевый песок : перлитовый песок

1000

1:1,15:0,48

1:5,0:2

800

1:0,75:0,48

800

1:1,35:0,8

700

1:0,6:0,72

600

1:0,6:1

Примечания. 1. Растворы плотностью 1200 кг/м3 содержат добавку сульфанола в количестве 0,15 % от массы цемента.

2. Расход воды при подборе состава уточняется по заданной осадке конуса.

Состав 1. Силикатный клей (состав по массе)

1. Цемент марки 400 - 27 %.

2. Песок (удельной поверхностью 200 - 250 см2/г) - 20 %.

3. Жидкое натриевое стекло (плотностью 1,34) - 46 %.

4. Фтористый натрий - 7 %.

Температура наружного воздуха при склеивании должна быть не ниже +10 °С. Начало схватывания клея через 20 мин после нанесения, конец через 4 ч. Жизнеспособность клея 25 - 30 мин. Приготавливать клей рекомендуется в мешалках со скоростью вращения лопасти не более 50 об/мин. Расход клея на 1 м2 шва колеблется от 4 до 10 кг при толщине шва 2 ¸ 5 мм.

Состав 2. Полимерцементный клей (состав по массе).

1. Цемент марки 400 - 22 %.

2. Песок (по ГОСТ 8736-87) - 48 %.

3. Карбоксиметилцеллюлоза (по ОСТ 6-05-386-80) - 1 %.

4. Поливинилацетатная эмульсия (ГОСТ 18992-80) - 5 %.

5. Добавка ОП-7 (ГОСТ 8433-81) - 1 %.

6. Вода - 23 %.

Жизнеспособность клея составляет 3 - 4 ч при температуре +20 °С; расход на 1 м2 шва от 4 до 10 кг при толщине шва 2 - 5 мм. Полимерцементный клей приготавливается в смесителях принудительного действия типа СП-133, с выходом готового состава до 65 л. Допускается применение клеев других проверенных составов.

6.17. Составы растворов заданной марки на легких заполнителях подбираются в соответствии с требованиями инструкции СН 290-74 и настоящих Рекомендаций. Окончательный состав уточняется контрольными испытаниями прочности раствора в 28-дневном возрасте по ГОСТ 5802-86.

6.18. При подборе составов растворов по СН 290-74 на легких заполнителях плотность свежеприготовленной растворной смеси следует принимать 1700 кг/м3 и 1800 кг/м3 для растворов плотностью 600 - 1000 кг/м3 и 1100 - 1500 кг/м3 соответственно.

7. ОТДЕЛКА ФАСАДОВ ДОМОВ ИЗ МЕЛКИХ ЯЧЕИСТОБЕТОННЫХ БЛОКОВ

7.1. Защитно-отделочные покрытия по своим основным физико-техническим свойствам должны удовлетворять требованиям табл. 13.

7.2. Цвет отделочного слоя или покрытия, а также его фактура, должны соответствовать утвержденному эталону. На поверхности покрытия не должно быть видимых трещин, шелушений покрытия.

7.3. До начала работ по отделке необходимо устранить все конструктивные дефекты узлов, швов и водосливов, обуславливающие систематическое увлажнение стен атмосферной влагой.

7.4. Запрещается производить отделку стен во время дождя, зимой по наледи, при порыве ветра, скорость которого превышает 10 м/с, в жаркую погоду, при температуре воздуха в тени выше 25 °С, при прямом воздействии солнечных лучей.

7.5. Для отделки поверхности стен из мелких ячеистобетонных блоков применяют следующие основные материалы.

Вяжущие:

- белый, цветной и серый портландцементы марки не выше 300 по ГОСТ 965-78, ГОСТ 15852-82, ГОСТ 10178-76 с изм.;

- известь-пушонка по ГОСТ 9179-77.

Наполнители:

- песок кварцевый фракций 1 - 2,5 мм, влажностью 3 - 5 % по ГОСТ 8736-77 с изм.;

- вспученный перлит фракций до 1 мм по ГОСТ 10832-83;

- каолин по ГОСТ 19608-84;

- ячеистобетонный песок фракцией до 1,0 мм;

- молотая керамика фракцией до 2,0 мм,

- известково-песчаная смесь с удельной поверхностью 4500 см2/г с содержанием СаО - 35 - 40 %.

Таблица 13

Свойства покрытий

Метод определения

Допустимые значения и единицы измерения

Сопротивление паропроницанию

По диффузии насыщенного пара в среду ненасыщенного (j = 50 %) в стационарных условиях

Водопроницаемость (объемная) через 24 ч трехсантиметрового слоя бетона за отделкой

По капиллярной впитываемости

Wоб = 5 %

Адгезия к ячеистому бетону

Отрыв отделки после 14 дней хранения при

t = 18 - 20 °С,

j = 50 - 60 %

Rсц = 0,6 МПа

Морозостойкость после 35 циклов переменного замораживания и оттаивания

По ГОСТ 12852.4-77

Rсцкон = 0,75Рсцнач

сохранение первоначального внешнего вида

Полимеры:

- поливинилацетатная 50 %-ная пластифицированная дисперсия ПВА марок ДВ-47/7с и ДБ-40/2с по ГОСТ 18992-80 с изм.:

- синтетический латекс СКС-65 ГП, СКС-60 ГП, СКС-65 ГП «Б» по ГОСТ 10564-75 с изм.;

- алкидный лак ПФ-060 (ТУ 6-10-612-74);

- эмульсия МБМ-5с (ТУ 6-10-274-74).

Краски водоэмульсионные:

- стиролбутодиеновые Э-К4-112 по ГОСТ 19214-80;

- поливинилацетатные Э-ВА-17 по ГОСТ 20833-75 с изм.

Краски и эмали на органических растворителях:

- эмали КО-174 разных цветов (ТУ 6-02-576-75);

- цементно-полихлорвиниловые ЦПХВ (ТУ 400-1-266-76);

- хлорвиниловые ХВ-161.1 (ТУ-6-10-908-79).

Растворители:

- уайт-спирт по ГОСТ 3134-78 с изм.;

- керосин по ГОСТ 4756-77;

- Р-4 по ГОСТ 14710-78 с изм.

Добавки:

- кремнефтористый натрий;

- стеарат кальция;

- белила по ГОСТ 202-84;

- кремнийорганическая жидкость 136-41 по ГОСТ 10894-76 с изм.;

- кремнийорганическая жидкость ГКЖ-10 и ГКЖ-11 по ГОСТ 13032-77 с изм., ГОСТ 13004-77 с изм.;

- дибутилфталат по ГОСТ 6102-78 с изм.;

- хлористый кальций по ГОСТ 450-77;

- клей казеиновый по ГОСТ 3056-74 с изм.;

- казеинат аммония.

Пигменты:

- двуокись титана Р-02 по ГОСТ 9808-84;

- охра сухая;

- желтый свинцовый крон «00» по ГОСТ 478-80 с изм.;

- фталоцианиновый зеленый (МРТУ 6-14-408-71);

- фталоцианиновый голубой по ГОСТ 6220-76 с изм.;

- красная окись железа (МРТУ 6-10-602-66);

- ультрамарин;

- железный сурик по ГОСТ 8135-74.

7.6. Вне зависимости от выбранного вида отделки перед началом отделочных работ необходимо закончить работы по:

- заделке швов на фасаде дома;

- исправлению всех повреждений поверхности стен (если таковые имеются);

- устройству кровли и карнизных навесов над входами, устройству отмостки вокруг дома.

7.7. К отделке рекомендуется приступать только после оформления акта по выполнению подготовительных работ и готовности дома к отделке.

7.8. До начала отделочных работ все неокрашиваемые части стены (окна, двери и др.) рекомендуется закрыть полиэтиленовой пленкой или плотной бумагой ввиду того, что высохшее защитно-отделочное покрытие трудно удаляется.

7.9. Отделываемая поверхность должна быть чистой и сухой. Влажность ячеистого бетона в поверхностном слое на глубине 5 мм не должна превышать 8 % (по массе); при отделке красками и составами на органических растворителях и 20 % (по массе), при отделке водоэмульсионными красками.

7.10. На поверхности стен, подлежащих отделке, не должно быть:

- трещин в бетоне, за исключением местных, поверхностных шириной не более 0,2 мм;

- жировых и ржавых пятен;

- газобетонной пыли;

- раковин, выколов, впадин глубиной более 2 мм и диаметром более 5 мм;

- «зуба» высотой более 1,5 мм.

7.11. При наличии на поверхности стен, указанных выше дефектов, их необходимо устранить. Ремонт отдельных выбоин, околов углов и ребер следует производить раствором с добавлением от массы цемента 10 % дисперсии ПВА 50 %-ной. Состав раствора в масс. ч. равен 1:0,2:4 (цемент : известь : песок) и вода до подвижности раствора 8 - 10 см по конусу ГОСТ 5802-86.

7.12. При большем количестве дефектов производят выравнивание поверхности раствором на основе цемента или измельченного газобетона, составы которых приведены в табл. 14.

Таблица 14

Компоненты

Составы в масс. ч.

1

2

Портландцемент марки не ниже 300*)

1

-

Измельченный газобетон с удельной поверхностью 800 - 6000 см2

-

1

Песок крупностью до 1,2 мм

3

2

Дисперсия ПВА 50 %-ная пластифицированная

0,35

0,2

Вода

0,35

0,6

____________

*) Для ускорения твердения раствора рекомендуется ввести глиноземистый цемент в количестве 10 % от массы портландцемента.

7.13. Компоненты раствора перемешивают; в мешалке, загружая их в следующей последовательности: половинное количество воды и дисперсию ПВА перемешивают 2 - 3 мин, затем вводят песок, портландцемент (или смесь цементов), либо измельченный газобетон и остальную воду затворения. Полученную смесь перемешивают еще 5 мин. Подвижность раствора 8 - 10 см по конусу ГОСТ 5802-86.

7.14. Выравнивающий слой наносят на поверхность стены огрунтованную дисперсией ПВА, разведенной водой в соотношении 1:3 (дисперсия:вода) по объему, либо смоченную водой.

7.15. Виды защитно-отделочных покрытий, краткая характеристика, расход и ориентировочная стоимость приведены в табл. 15.

7.16. Отделку цементно-перхлорвиниловыми красками (ЦПХВ) производят в два слоя. Первый слой подготовительный, второй - отделочный.

Подготовительный слой выполняется краской ЦПХВ вязкостью 100 - 120 с по вискозиметру ВЗ-4, отделочный слой наносится на просохший подготовительный. Вязкость отделочного слоя 60 - 80 с по вискозиметру ВЗ-4.

При объемной массе ячеистого бетона до 700 кг/м3 рекомендуется на подготовительный слой краски нанести промежуточный слой 5 %-ного перхлорвинилового лака (пропиточный слой).

Для нанесения красок и лака рекомендуется примерять установку С-562 и пистолет-распылитель 0-45 и ГСХ (Р-68). Перед нанесением краски ЦПХВ следует процеживать через марлевую сетку.

7.17. Отделку кремнийорганическими эмалями КО-174 производят в три слоя: грунт, шпаклевка, окраска.

Первый слой - грунтовочный. Для его получения эмали КО-174 разводят растворителем Р-5 (30 % - бутилацетата, 30 % - ацетона, 40 % - ксилола) до вязкости 15 - 20 с по вискозиметру ВЗ-4.

Второй слой - шпаклевочный. Для его получения в состав готовой краски вводят сухой технический тальк в соотношении 1:1 (эмаль:тальк) в масс. ч. Перемешивание ведется в чистом, герметически закрытом смесителе.

Третий слой - отделочный, наносится эмалью КО-174 исходной вязкости. Отделочный слой наносится на просохший шпаклевочный слой.

Таблица 15

Вид отделки

Краткая характеристика

Расход на 1 м2, кг

Ориентировочная стоимость 1 м2 отделки, руб.

1

2

3

4

Водоэмульсионные краски Э-К4-112, Э-ВА-17

Цветные, пастельных тонов выпускаются лакокрасочными заводами в готовом виде. До рабочей вязкости разбавляются водой.

Фактура - гладкая, шероховатая

1,2 - 1,5

2,4 - 2,6

Краски и эмали на органических растворителях ЦПХВ, КО-174, ХВ-161

Цветные, выпускаются лакокрасочными заводами в готовом виде.

До рабочей вязкости растворяются ксилолом. Фактура - гладкая

1,3 - 1,8

3,0 - 3,5

Цементные краски

Изготавливаются на специализированных заводах и поступают к потребителю в виде сухой смеси.

До рабочей вязкости разводятся водой. Фактура - гладкая, шероховатая.

Цвет краски достигается введением пигмента, либо цветного цемента

0,5 - 0,7

0,8 - 1,5

Водоэмульсионные краски на основе дисперсии ПВА (ПВАЦ, ПВАГ) и стиролбутадиенового латекса СКС-65ГП

Приготовляются на строительных заводах или строительных участках и разводятся водой до рабочей вязкости. Фактура - гладкая, шероховатая. Цвет покрытия достигается введением пигмента, либо цветного цемента. Составы приведены в табл. 17, 18.

1,5 - 2,0

2,0 - 4,0

Декоративные растворы

Готовятся на строительных площадках. Фактура - шероховатая. Цвет раствора достигается путем введения в него пигмента, либо цветного цемента. Составы по табл. 20.

1,5 - 2,0

0,8 - 1,5

Полимерные покрытия на основе поливинилхлоридного лака и наполнителей («Сикра-1»)

Отделочный состав приготовляется в цехах или на стройплощадке. До рабочей готовности разводится растворителем Р-4. Цвет достигается путем введения пигментов. Фактура - шероховатая.

Состав по табл. 19.

1,0 - 1,5

1,5 - 2,0

Гидрофобизация

Пропитка поверхности бесцветным водоотталкивающим составом. Цвет и фактура материала стены сохраняется, поверхность материала становится гидрофобной

0,5 - 0,8

1,0 - 1,2

Примечание. При отделке здания окрасочными составами швы между блоками рекомендуется готовить под расшивку.

С целью сокращения расхода дорогостоящей эмали КО-174 для первого и второго слоя можно применять лак КО-85 по той же технологии, что и для эмали.

Наносить эмали КО-174 можно валиком, пистолетом-распылителем, кистью на поверхность, влажность которой не превышает 8 %.

7.18. Отделку красками Э-КЧ-112 производят в три слоя: грунт, шпаклевка, окраска.

Первый слой - грунтовочный. Для него используют латекс СКС-65 ГП или СКС-60 ГП, разведенный водой до вязкости 15 с по вискозиметру ВЗ-4 (1:3 по объему).

Второй слой - шпаклевочный, состоящий из краски Э-КЧ-112 вязкостью 60 с по ВЗ-4 с добавлением 40 % наполнителя (цемент, молотый песок, тальк, известняк) от массы краски, наносят сразу после нанесения грунта. В случае коагуляции в краску вводят 20 %-ный раствор казеината аммония, приготовленного из казеина и водного раствора аммиака 25 %-ной концентрации.

Третий слой - окрасочный, производится краской Э-КЧ-112 вязкостью 40 - 50 с по ВЗ-4 по просохшему шпаклевочному слою.

Для придания покрытию шероховатой фактуры в состав краски, приготовленной для отделочного слоя, рекомендуется ввести песок (модуль крупностью 1,8 - 2,5), либо крошку горных пород (фракцией до 2 мм) в соотношении 1:2 (по массе).

7.19. Приготовление шпаклевочных и отделочных составов производится в смесителях при тщательном перемешивании краски с наполнителем. Готовые составы должны представлять однородную массу без сгустков, комков и загрязнений.

Для нанесения грунтовочных и окрасочных составов следует применять краскораспылитель КРВ-2, пистолеты-распылители 0-45 и ГСХ (Р-68).

Для нанесения шпаклевочных составов с наполнителем рекомендуется применять пистолет-распылитель ГСХ (Р-68), установку С-562 с форсункой.

7.20. Отделку краской Э-ВА-17 производят в три слоя: грунт, шпаклевка, окраска.

Для грунтовочного слоя используют дисперсию ПВА 50 %-ную пластифицированную либо латекс СКС-65 ГП, разведенные водой в соотношении 1:3 (по объему).

Шпаклевочный состав состоит из краски Э-ВА-17 вязкостью 60 с по ВЗ-4 с добавлением от массы краски 40 % цемента или молотого песка и 0,1 - 0,2 % жидкости 136-41 (ГКЖ-94). Шпаклевочный состав наносят сразу после нанесения грунта. Готовый шпаклевочный состав должен представлять однородную массу без сгустков, комков и загрязнений.

Окрасочный слой выполняется готовой краской Э-ВА-17 вязкостью 40 - 50 с по вискозиметру ВЗ-4 по просохшему шпаклевочному слою.

Для получения шероховатой поверхности в отделочный слой, в зависимости от желаемого внешнего вида фактуры, вводится песок либо крошка горных пород.

Для нанесения грунтовочного и окрасочного составов могут быть использованы пистолеты-распылители типа - ГСХ (Р-68), КРВ-2,0-45 и другие. Для шпаклевочных и окрасочных составов с наполнителем используют установку С-562 либо другие распылители, позволяющие распылять составы с высокой вязкостью.

7.21. Отделку поливинилацетатными красками ПВАЦ, ПВАГ производят в два слоя по поверхности, предварительно огрунтованной дисперсией ПВА 50 %-ной, разведенной водой в соотношении 1:3 (по объему). Составы красок приведены в табл. 16.

7.22. Краску готовят в мешалках при следующей загрузке компонентов: сначала в мешалку заливают воду (40 - 50 % для первого слоя и 60 - 70 % для второго слоя) и дисперсию ПВА. После 2 - 3-х мин перемешивания засыпают сухую смесь и перемешивают еще 4 - 6 мин.

При приготовлении красок ПВАЦ целесообразно применять дисперсию ПВА непластифицированную марки Д-50С или малопластифицированную марки ДФ-47 (5с), а пластификатор (дибутилфталат) смешивать непосредственно с цементом.

Таблица 16

Компоненты

Состав красок, %

ПВАЦ

ПВАГ

Портландцемент белый или цветной марки не ниже 300

53

-

Измельченный газобетон (удельная поверхность 600 - 2000 см2/г)

-

44

Дисперсия ПВА, 50 %-ная, эмульсия СВЭ или марки С-135 (пластификатора должно быть 15 %, если дисперсия непластифицированная)

19

26

Кремнефтористый натрий

1

-

Вода

27

30

Пигмент минеральный

-

0 - 10

Дибутилфталат вводят в количестве 4 % при непластифицированной дисперсии ПВА и 3 % при малопластифицированной дисперсии ПВА (от массы цемента) и тщательно перемешивают с цементом.

7.23. Cyxyю смесь поливинилацетатной краски приготавливают путем тщательного перемешивания в вибро- или шаровых мельницах компонентов до тонкости помола, характеризующейся остатком на сите 0,085 не более 3 %.

Для нанесения красок ПВАЦ, ПВАГ целесообразно применять установку С-562. Возможно нанесение валиком или кистью.

7.24. Отделку цементными красками производят в два слоя. Первый слой подготовительный, второй - отделочный.

Цементные краски изготавливаются на специализированных заводах и доставляются к потребителю в виде сухой смеси. Соотношение компонентов сухой смеси приведено в табл. 17.

Таблица 17

Компоненты

Соотношение компонентов по весу, %

Белый портландцемент

75

Известь-пушонка

15

Белила сухие*)

от 0 до 3

Хлористый кальций**)

3

Стеарат кальция

1

Пигменты

от 3 до 6

____________

*) Сухие белила вводятся для повышения укрываемости и разбеливания краски. Их количество зависит от количества вводимых пигментов.

**) В сухие смеси, предназначенные для длительного хранения, хлористый кальций не вводится. Его добавляют в воду затворения при изготовлении красок.

7.25. Сухая смесь хранится в таре, обеспечивающей защиту от увлажнения.

7.26. Приготовление красок производится в мешалках с добавлением воды и дисперсии ПВА в количестве 8 - 10 % от массы цемента. Количество воды затворения для подготовительного слоя 0,4 - 0,5 л на 1 кг сухой смеси, а для отделочного - 0,5 - 0,7 л.

Введение в состав краски дисперсии ПВА повышает адгезию покрытия к ячеистобетонной поверхности. Дисперсия вводится в воду затворения.

7.27. Перед нанесением первого и второго слоев краски поверхности смачиваются водой из пистолета-распылителя. К моменту окраски поверхность стен должна быть равномерно влажной без капель воды в порах материала.

С целью улучшения защитно-декоративных свойств покрытия в состав цементной краски в подготовительный слой вводится 20 % песка от массы сухой смеси.

Подготовительный и отделочный слой рекомендуется наносить при помощи установки С-562 или растворонасоса с форсункой ФН-1.

7.28. Отделку полимерминеральными покрытиями на основе стиролбутадиенового латекса СКС-65 ГП «Б» производят в два слоя по огрунтованной поверхности. В качестве грунта используется латекс СКС-65 ГП «Б», разведенный водой в соотношении 1:3 (по объему). Составы красок приведены в табл. 18.

Таблица 18

Компоненты

Количество в масс. %, составы

1

2

Латекс СКС-65 ГП «Б»

40

34,5

Клей казеиновый (20 %-ный водный р-р)

15

13,0

Стиральный порошок (4 %-ный водный р-р)

5,0

4,5

Грануляты фракцией 0,3 - 2,5 мм газобетона, газосиликата

35 - 39

35

Пигмент или цветной цемент

1,5

-

Кремнийорганическая жидкость ГКЖ-11

7

7

7.29. Приготовление покрытия осуществляется в смесителях при следующей загрузке материалов: в латекс СКС-65 ГП «Б» при перемешивании добавляют 4 %-ный водный раствор стирального порошка, затем раствор клея и гранулят. Смесь перемешивают 8 - 10 мин.

Приготовление раствора казеинового клея сводится к затворению порошка клея водой комнатной температуры в соотношении 1:4 (клей:вода по массе). Время набухания - 1 ч.

Нанесение составов производится пистолетом-распылителем или агрегатом, распыляющим вязкие составы при давлении воздуха 4 - 6 атм.

7.30. Отделку полимерным покрытием типа «Сикра-1» производят в один слой по огрунтованной поверхности. Для грунта применяется состав «Сикра-1», разбавленный растворителем в соотношении 1:1 («Сикра-1»:растворитель). Рецептурный состав покрытия «Сикра-1» приведен в табл. 19.

Таблица 19

Компоненты в составе покрытия «Сикра-1»

Количество компонентов в %, составы

1

2

3

4

5

6

Лак ХВ-784

70,9

66,7

60,7

65,0

65,0

65,0

Ячеистобетонный порошок

-

-

-

35,0

25,0

-

Молотая керамика

-

-

36,5

-

-

20,0

Вспученный перлит

7,5

20,0

3,1

-

-

-

Каолин

-

5,0

-

-

-

5,0

Пигмент

21,6

8,3

-

-

10,0

10,5

7.31. Составы «Сикра-1» приготавливают в смесителях типа СО-11, С-868 при следующей последовательности загрузки компонентов: связующее или связующее с растворителем, предварительно растертые с пигментом в шаровой мельнице; затем при непрерывно работающей мешалке добавляют наполнитель. Перемешивание производится в течение 2-х ч.

Перед нанесением готовые составы «Сикра-1» должны быть однородными и иметь вязкость по Суттарду 16 - 25 см.

До рабочей вязкости состав «Сикра-1» разводится растворителем Р-4 или разбавителем СР-2.

7.32. Готовые отделочные составы «Сикра-1» хранятся в герметически закрывающихся емкостях при температуре не выше 25 °С и не ниже -10 °С.

Отделочные составы наносятся пистолетом-распылителем или другими аналогичными приспособлениями, диаметр сопла которых в 2,5 раза больше максимальной крупности зерна грубодисперсного наполнителя. Составы с мелкодисперсным наполнителем (фракцией менее 0,5 мм) можно наносить кистью или валиком.

7.33. Отделку декоративными растворами производя в два слоя по огрунтованной поверхности. Грунт состоит из разбавленной водой до вязкости 15 - 20 с по ВЗ-4 дисперсии МБМ, ПВА либо латекса СКС-65 ГП в зависимости от полимерной основы декоративного раствора.

Состав компонентов, входящих в декоративные растворы, приведен в табл. 20.

Таблица 20

Компоненты

Составы в масс. %

1

2

3

Цемент белый

21,5

21,5

12,3

Песок кварцевый

43,0

43,0

27,8

Мел или цинковые белила

6,5

6,5

2,6

Акриловая эмульсия МБМ-5с

9,0

-

3,1

Латекс СКС-65 ГП

4,5

4,5

-

Поливинилацетатная эмульсия ПВАЭ

-

9,0

3,1

ОП-7 (10 %-ный раствор) или казеиновый клей (16 %-ный раствор)

1,5

1,5

1,2

Вода

14,0

14,0

8,7

Стеклянная крошка

-

-

41,2

7.34. Декоративный раствор приготовляют в турбулентных смесителях СБ-43 или растворомешалке С-868 в следующей последовательности загрузки компонентов: заливают воду, стабилизатор, эмульсию МБМ-5с или латекс СКС-65 ГП (50 - 70 % от требуемого количества) и дисперсию ПВА, затем высыпают сухие компоненты в количестве, указанном в табл. 18, и перемешивают 5 мин. Затем добавляют в смесь остальное количество полимера и еще перемешивают 2 - 3 мин. Вязкость раствора должна быть 14 - 18 см по Суттарду.

Декоративные растворы наносят с помощью установки С-562 или другими устройствами. При этом толщина раствора не должна превышать 3 мм.

7.35. Гидрофобизация - это пропитка поверхности слоев строительных материалов кремнийорганическими жидкостями, которые придают порам и капиллярам водоотталкивающие свойства.

7.36. Обработка кремнийорганическими соединениями строительных материалов не изменяет их цвета, фактуры и паропроницаемости, в то же время в результате обработки поверхность материала становится гидрофобной.

7.37. Гидрофобизацию поверхности стен следует осуществлять только при кладке стен на клею, которая согласно ГОСТ 21520-76 ведется из более качественных блоков (с допусками ±1,5).

7.38. Гидрофобизацию поверхности возможно производить в один слой при температуре воздуха не ниже +5 °С раствором 10 %-ной водной эмульсии кремнийорганической жидкости КЭ-30-04 или 10 %-ным раствором жидкости 136-41, приготовленным путем растворения ее в уайт-спирте или керосине в соотношении 1:9 (по массе), а также кремнийорганическими жидкостями ГКЖ-10 или 5 %-ным раствором ГКЖ-11.

7.39. Для нанесения гидрофобизирующего состава применяется краскораспылитель-удочка, позволяющий получить достаточно широкий факел распыления.

7.40. Шланги для транспортирования раствора должны быть выполнены из полиэтилена. Резиновые шланги недопустимы для составов на органических растворителях, т.к. резина частично растворяется в гидрофобизирующем растворе и может дать черные пятна на покрываемой поверхности.

7.41. Расстояние от форсунки до покрываемой поверхности должно находиться в пределах 0,3 - 0,5 м. Состав наносится равномерно по всей плоскости без пропусков и потеков.

7.42 Работы по гидрофобизации проводят в сухую погоду. Во время дождя работы должны быть прекращены и возобновлены лишь после просыхания поверхности.

7.43. Оштукатуривание стен из мелких блоков рекомендуется производить только при кладке стен на растворе (с допусками размеров блоков ±5 мм), швы которой имеют не одинаковую толщину.

Штукатурные растворы должны быть обязательно поризованными с плотностью раствора «в деле» не более 1500 кг/м3.

7.44. Поризованные растворы можно приготавливать в смесителях типа СО-23а путем перемешивания цемента и песка в соотношении 1:3 с введением в них либо порообразующих добавок в виде СНВ (0,8 % от смеси сухих компонентов) и ПО-6 (0,6 %) с сернокислым железом в виде 15 %-ного водного раствора в количестве 30 % от массы ПО-6, либо путем введения отдельно приготовленной пены.

7.45. Пена приготавливается в смесителях, оснащенных электродрелью с насадкой, путем перемешивания в воде сульфанола (1 масс. ч.), тринатрийфосфата (1 масс. ч.) и жидкого стекла (2 масс. ч.).

Для приготовления 10 л пены расходуется: 500 мл воды, 40 г сульфанола, 40 г тринатрийфосфата 80 г жидкого стекла.

Пену добавляют в цементно-песчаный раствор до получения растворной смеси, плотностью 1500 кг/м3.

7.46. Поверхности мелкоблочных стен, подлежащие оштукатуриванию, в целях лучшего сцепления штукатурки со стенами, следует обрабатывать составом дисперсии ПВА, 50 %-ной пластифицированной, разведенной водой в соотношении 1:3 по объему (дисперсия:вода), либо латексом СКС-65 ГП.

Наружную поверхность штукатурки уплотнять и железнить не рекомендуется.

7.47. Для последующей отделки оштукатуренных поверхностей стен может быть применен любой способ отделки, приведенный в настоящих Рекомендациях.

8. ПРАВИЛА ПРОИЗВОДСТВА, ПРИЕМКА РАБОТ И ТЕХНИКА БЕЗОПАСНОСТИ ПРИ ВОЗВЕДЕНИИ ЗДАНИЙ ИЗ ЯЧЕИСТОБЕТОННЫХ БЛОКОВ

8.1. При возведении зданий из ячеистобетонных блоков следует выполнять требования, предъявляемые к каменным конструкциям СНиП 3.03.01-87, а при приготовлении и применении строительных растворов - требования Инструкции СН 290-74.

8.2. Правила приемки, методы испытаний, маркировка, хранение и транспортирование ячеистобетонных блоков должны осуществляться в соответствии с требованиями ГОСТ 21520-89.

8.3. Рекомендуемые размеры блоков в зависимости от плотности бетона приводятся в табл. 21. Масса одного мелкого ячеистобетонного блока не должна быть более 31 кг.

8.4. При работе с ячеистым бетоном требуется осторожность и аккуратность. Прежде всего следует обратить внимание на хранение мелких блоков. Поддоны или контейнеры с блоками необходимо устанавливать на выравненное основание, защищенное от почвенной влаги. При длительном хранении ячеистый бетон нужно укрывать от дождя или снега изоляционными материалами (брезентом, толем, полиэтиленовой пленкой).

Таблица 21

Тип

Размеры блоков номинальные, мм

Марка бетона по средней плотности

500

600

700

800

900

1000

1100

1200

1

2

3

4

5

6

7

8

9

10

I

200´300´600

X

X

X

-

-

-

-

-

II

200´250´600

X

X

X

X

-

-

-

-

III

300´200´400

X

X

X

X

X

-

-

-

IV

200´200´400

X

X

X

-

-

-

-

-

V

300´250´300

X

X

X

X

X

X

X

X

VI

155´300´600

X

X

X

X

X

X

X

-

VII

130´250´600

X

X

X

X

X

X

-

-

VIII

100´300´600

X

X

X

X

X

X

X

-

IX

100´250´600

X

X

X

X

X

X

X

-

X

100´200´400

X

X

X

X

X

X

X

X

Примечания: 1. Знак «-» означает, что применять не рекомендуется.

2. Технические характеристики мелких ячеистобетонных стеновых блоков контролируют в соответствии с требованиями следующих стандартов:

- прочность на сжатие - по ГОСТ 10180-89;

- среднюю плотность - по ГОСТ 12730.1;

- морозостойкость, усадку при высыхании, теплопроводность бетона блоков - по ГОСТ 25485-89;

- отпускную влажность - по ГОСТ 12730.2, ГОСТ 21718.

8.5. Подачу блоков к месту укладки можно осуществлять на поддонах с помощью крана или средствами малой механизации, которые легко изготовить на месте (двухколесные тачки, трехколесные тележки).

8.6. Кладку ячеистобетонных блоков рекомендуется начинать с углов здания, рядами по всему периметру. Строго следить за правильностью высоты рядов с самого начала ведения кладки с помощью натянутого шнура-причалки и горизонтального и вертикального уровней.

8.7. Перед укладкой блоки очистить от пыли, грязи (снега и наледи - зимой), а битые или с отколотыми кромками и углами - отложить. В дальнейшем, подвергнув их механической обработке простейшим инструментом (ручной ножовкой или пилой, рубанком для снятия фасок, угловым шаблоном для направления реза), блоки можно будет использовать при кладке простенков фронтонов или во внутренних стенах.

8.8. Кладку ячеистобетонных мелких блоков, в зависимости от категории их качества, можно вести на растворе или на клею.

8.9. При небольших объемах кладочный раствор можно готовить в передвижных растворосмесителях СО-46А. Приготовление растворов при большом объеме кладочных работ следует вести в смесителях принудительного действия СБ-80, СБ-80-1 с объемом загрузки сухих веществ до 250 л. Выход раствора - 165 л. Можно также использовать смеситель с горизонтальным валом СБ-97. Объем загрузки - 325 л сухих веществ, объем смеси - 250 л.

8.10. Готовый раствор (клей) выгружают в бадью, а затем с помощью специальной емкости или совка распределяют по длине стены, выравнивая постель зубчатой кромкой совка.

Ячеистобетонный мелкий блок опускают на раствор (клей) сверху избегая горизонтальной подвижки. Выдавившийся раствор (клей) снимают скребком сразу же, не допуская его схватывания. Рихтуют блоки покачиванием или подбивкой резиновым молотком.

Таблица 22

Инструмент

Назначение

Основные характеристики

Эскиз

1

2

3

4

Совок металлический

Нанесение раствора при кладке стен

Ширина совка 140; 250; 300 мм

Передняя кромка совка зубчатая с высотой зуба 15 мм

Молоток резиновый

Подгонка блоков при кладке стен

Вес 0,5 кг

Ручная пила-ножовка

Распиловка блоков на куски меньшего размера

Зубья из высокопрочной стали, стойкой к истиранию

Рамка для раскалывания блоков

Раскалывание блоков

Прямоугольная рама с подвижным ножом внутри

Шаблон

Распиловка блоков под углом

Углы 90°, 60°, 45°

Скребок

Образование в стене каналов для открытой электропроводки

Углеродистая сталь

Силос объектный

Хранение сухих растворных смесей и цемента (применение в зимний период)

Емкость 5 м3

Насадка для коловорота

Для сверления круглых отверстий в стенах для пропуска труб и т.п.

Емкость для раствора

Заполнение вертикальных швов

Емкость 5 - 10 л

8.11. Поверхность ячеистобетонного блока перед расстиланием раствора рекомендуется смачивать водой.

8.12. Раствор для кладки стен из ячеистобетонных блоков рекомендуется приготавливать на месте строительства из готовых сухих растворных смесей, доставляемых с завода, или из вяжущего, заполнителя и добавок, составы которых приведены в разделе 6 настоящих Рекомендаций.

8.13. Схема крепления облицовочного слоя кирпича к кладке из ячеистобетонных блоков при помощи металлических скоб показана на рис. 18.

8.14. При возведении зданий из ячеистобетонных блоков рекомендуется использовать специальный инструмент, приведенный в табл. 22.

8.15. При производстве работ по возведению зданий из ячеистобетонных блоков и отделке их фасадов необходимо соблюдать действующие правила техники безопасности, предусмотренные СНиП III-4-80.

8.16. При работе с красками, содержащими токсичные и горючие растворители, необходимо соблюдать правила техники безопасности, предусмотренные соответствующими указаниями по технологии отделки жилых зданий различными видами синтетических материалов.

8.17. Рабочие-отделочники должны быть ознакомлены с настоящими Рекомендациями, с инструкциями по эксплуатации применяемого оборудования и вспомогательных материалов, а также с указанной выше нормативной документацией.

Рис. 18. Схема установки металлических скоб

8.18. Лица, связанные c приготовлением и нанесением отделочных составов, должны быть обеспечены индивидуальными средствами защиты (спецобувь, спецодежда, резиновые перчатки, защитные очки, противогазы), отвечающими требованиям ГОСТ 12.04.011-75.

8.19. При попадании отделочных, грунтовочных или шпаклевочных составов на кожу и одежду эти составы следует удалить растворителем, а затем смыть водой с мылом.

8.20. При работе с кремнефтористым натрием, вводимым в краски ПВАЦ, необходимо пользоваться резиновыми перчатками и респираторами. Кремнефтористый натрий следует хранить в закрытых бочках. Необходимо соблюдать меры личной гигиены.

8.21. При работе с составом «Сикра-1» содержание паров растворителей в воздухе рабочей зоны производственных помещений не должно быть более предельно допустимых концентраций паров растворителей, входящих в состав растворителя Р-4 (мг/м3): бутилацетат - 200; ацетон - 200; толуол - 50.

8.22. Помещения, где хранятся и приготавливаются составы на растворителях, необходимо оборудовать приточно-вытяжной вентиляцией. Пол помещения краскозаготовительного отделения должен быть бетонным или из цементно-песчаного раствора.

8.23. Насос для подачи раствора, шланги, пистолет-распылитель должны содержаться в чистоте. После окончания работ необходимо удалить строительный раствор из насоса, шлангов и растворомешалки, а также краски из пистолета-распылителя.

8.24. Ремонт стен из ячеистых бетонов производится в соответствии с «Рекомендациями по ремонту ячеистобетонных стен жилых и промышленных зданий» (НИИЖБ, М., 1987).

8.25. Изготовление сборно-монолитного перекрытия (рис. 10, 11, 12) в процессе возведения здания осуществляется в следующей последовательности:

- разметка осей монолитных балок производится на обрезе стен в уровне низа сборно-монолитного перекрытия; расстояние между осями принимается равным длине блока плюс ширина балки, которая, как правило, равна 100 мм;

- затем устанавливают опалубочные доски, ширина которых должна быть на 100 мм больше ширины монолитной балки (по 50 мм для опоры ячеистобетонных блоков); при этом горизонтальное положение досок следует контролировать уровнем;

- опорные стыки, в зависимости от толщины опалубочных досок, должны устанавливаться с шагом 0,7 - 1,4 м;

- затем мелкие ячеистобетонные блоки раскладывают вплотную друг к другу на опалубочные доски;

- в образованный торцами блоков шов устанавливают арматурные стержни или арматурные каркасы на прокладке толщиной 15 мм, обеспечивающей защитный слой;

- бетонирование (замоноличивание) балок производится бетоном класса В7,5 - В10 с тщательным штыкованием или уплотнением вибробулавой. Перед бетонированием торцы ячеистобетонных блоков необходимо смочить водой. Бетонирование каждой балки необходимо вести по всей ее длине, не прерывая по времени с послойным трамбованием по 80 - 100 мм;

- замоноличенные балки сверху закрывают влажной тканью, опилками или смоченным поролоном и закрывают полиэтиленовой пленкой. Периодически в течение 10 - 15 сут производится увлажненное укрытие;

- опалубку рекомендуется разбирать после набора бетоном полной прочности через 28 сут.

Приложение 1

РЕКОМЕНДУЕМЫЕ РАЗМЕРЫ СТЕНОВЫХ МЕЛКИХ ЯЧЕИСТОБЕТОННЫХ БЛОКОВ И ДОПУСКАЕМЫЕ ОТКЛОНЕНИЯ К НИМ

Типы и размеры стеновых ячеистобетонных мелких блоков (камней) в соответствии с ГОСТ 21520-89 приведены в табл. 1.

Типы

Размеры в мм для кладки

на растворе

на клею

высота

толщина

длина

высота

толщина

длина

I

188

300

588

198

295

598

II

250

245

III

288

200

298

195

IV

188

388

198

398

V

288

250

288

298

245

298

VI

144

300

VII

119

250

588

-

-

-

VIII

300

295

598

IX

88

250

98

245

X

200

398

195

398

Примечания: 1. Допускается по заказу потребителя, согласованному с проектной организацией, изготовлять блоки других размеров.

2. По согласованию с заказчиком допускается применение блоков других размеров, в том числе номинальной длиной 390 и 490 мм, толщиной 95 мм, 350 мм и 400 мм.

3. Допускается применять мелкие ячеистобетонные стеновые блоки (камни) с размерами, соответствующими размерам бетонных стеновых камней по ГОСТ 6133-84.

4. Толщина блоков для кладки на клею может быть, при необходимости, равной толщине блоков, применяемых для кладки на растворе.

Допускаемые предельные отклонения геометрических параметров и показателей внешнего вида стеновых мелких блоков (камней) приведены в табл. 2.

Таблица 2

Наименование отклонения геометрического параметра

Предельные отклонения в мм

блоков для кладки категории

1

2

3

на клею

на растворе

1

2

3

4

От линейных размеров по:

высоте

±1

±3

±5

длине, толщине

±2

±4

±6

От прямоугольной формы (разность - длины диагоналей)

2

4

6

Искривление граней и ребер

1

3

5

Повреждения углов и ребер

углов (не более двух) на одном блоке глубиной

5

10

15

ребер на одном блоке общей длиной не более двукратной длины продольного ребра и глубиной

5

10

15

Примечания: 1. Повреждениями углов и ребер не считают дефекты, имеющие глубину: для 1-й категории - до 3 мм; 2-й - до 5 мм и 3-й - до 10 мм.

2. Выпуск блоков 3-й категории допускается до 01.01.96.

3. Количество мелких блоков с отклонениями, превышающими указанные в табл. 2, должно быть не более указанных в ГОСТ 21520-89.

Приложение 2

УЗЛЫ СОПРЯЖЕНИЙ КОНСТРУКЦИЙ ЗДАНИЙ ИЗ ЯЧЕИСТОБЕТОННЫХ ЭЛЕМЕНТОВ

а)

б)

Рис. 1. Узлы опирания перекрытия на наружную стену

а) вариант опирания железобетонных плит; б) вариант опирания деревянных балок

1 - мелкий ячеистобетонный блок; 2 - железобетонная плита перекрытия; 3 - балка деревянного перекрытия;
4 - доборный блок; 5 - кирпич; 6 - минераловатный утеплитель; 7 - обертка толем

а)

б)

Рис. 2. Схемы узла цоколя здания опиранием первого ряда ячеистобетонных блоков на кирпичи

а) вариант примыкания плит перекрытия к стене; б) вариант опирания плит перекрытия на стену

1 - мелкий ячеистобетонный блок; 2 - доборный ячеистобетонный блок; 3 - кирпич; 4 - гидроизоляция; 5 - теплоизоляция; 6 - фундамент

а)

б)

Описание: 1

Рис. 3. Схемы узлов опирания плит перекрытия на фундамент внутренней стены

а) вариант опирания железобетонного перекрытия; б) вариант опирания деревянного перекрытия

1 - мелкий ячеистобетонный блок; 2 - гидроизоляция; 3 - фундамент бетонный; 4 - обертка толем

а)

б)

Рис. 4. Схемы узлов сопряжения чердачного перекрытия со стенами из ячеистого бетона

а) вариант устройства карниза; б) устройство парапета при плоской кровле

1 - мелкий ячеистобетонный блок; 2 - стропильная нога; 3 - плита перекрытия; 4 - защитный фартук из оцинкованной стали;
5 - три слоя рубероида, 6 - доборный блок; 7 - цементная стяжка; 8 - утеплитель; 9 - оцинкованные гвозди с шагом 600 мм

а)

б)

Рис. 5. Вариант устройства наклонной крыши из ячеистобетонных плит

1 - мелкий ячеистобетонный блок (перед укладкой подтесать); 2 - ячеистобетонная плита; 3 - рулонный ковер; 4 - оцинкованное железо;
5 - оцинкованные гвозди; 8 - кронштейн; 7 - металлический стержень (нагель) диаметром 10 мм, длиной 500 - 600 мм

Рис. 6. Анкеровка конструкций крыш в стенах хозпостроек

1 - мелкий ячеистобетонный блок; 2 - стропильная нога; 3 - деревянная балка, 4 - полосовой металлический анкер (сечение 20´3 мм); 5 - оцинкованные гвозди

а)

б)

Рис. 7. Анкеровка стропильной ноги в плите перекрытия

а) вариант железобетонного перекрытия; б) вариант деревянного перекрытия

1 - мелкий ячеистобетонный блок; 2 - плита перекрытия; 3 - деревянная балка; 4 -скрутка из проволоки; 5 - утеплитель

а)

б)

в)

Рис. 8. Варианты анкеровки балок и перекрытия к ячеистобетонной стене

а) анкеровка стропильной конструкции к стене; б) анкеровка наружной стены в ячеистобетонном перекрытии; в) анкеровка деревянной балки в стене

1 - мелкий ячеистобетонный блок; 2 - полосовой металлический анкер; 3 - стропильная конструкция;
4 - ячеистобетонная плита перекрытия; 5 - деревянная балка перекрытия; 6 - нагель

Рис. 9. Анкеровка наружной стены к железобетонной плите перекрытия

1 - мелкий ячеистобетонный блок; 2 - плита перекрытия; 3 - металлическая скоба диаметром 6 мм; 4 - раствор

Описание: 1

Рис. 10. Вариант сборно-монолитного перекрытия из ячеистобетонных блоков (для пролетов до 4,8 м)

1 - мелкий ячеистобетонный блок; 2 - монолитный шов из раствора класса В 10 - 15; 3 - арматурные каркасы.
Рабочая арматура диаметром 10 мм класса А-III; 4 - опалубка

а)

б)

Рис. 11. Вариант сборно-монолитного перекрытия из ячеистобетонных блоков

а) чердачное перекрытие; б) чердачное перекрытие с подшивкой гипсокартонными листами

ЧЕРДАЧНОЕ ПЕРЕКРЫТИЕ

Описание: 1

ЦОКОЛЬНОЕ ПЕРЕКРЫТИЕ

Рис. 12. Вариант сборно-монолитного перекрытия из ячеистобетонных блоков

Рис. 13. Узел опирания балок-ферм на внутреннюю стену

Приложение 3

РЕКОМЕНДАЦИИ ПО ПРИБЛИЖЕННОМУ ТЕПЛОТЕХНИЧЕСКОМУ РАСЧЕТУ НАРУЖНЫХ СТЕН МАЛОЭТАЖНЫХ ЗДАНИЙ ИЗ МЕЛКИХ ЯЧЕИСТО-БЕТОННЫХ БЛОКОВ (по ЛенЗНИИЭП)

Представленные в действующем каталоге «Малоэтажные дома из ячеистых бетонов» (Л., 1989) типовые проекты малоэтажных домов разработаны в различных проектных организациях для различных климатических регионов Советского Союза. В основные варианты этих проектов заложены толщины наружных стен, рассчитанные на условия эксплуатации при действии зимних температур наружного воздуха -20 °С, -25 °С и -30 °С. Это однако не исключает возможности использования любого проекта для строительства в районах с иными климатическими характеристиками после корректировки рабочих чертежей, т.е. «привязки» проектов к конкретным внешним условиям.

Изменения в проектах, в основном, будут касаться толщин ограждающих стен зданий. Представление о том, какие требуются толщины наружных стен домов в зависимости от расчетной температуры наружного воздуха и плотности ячеистого бетона дают величины, приведенные в таблице 1.

Таблица 1

Толщины стен из автоклавных ячеистых бетонов, см

Плотность ячеистого бетона, кг/м3

Расчетные температуры наружного воздуха, °С

-20

-30

-40

-50

500

15

20

25

30

600

20

25

35

40

700

25

30

40

50

Эти значения определены с учетом увеличения требуемого термического сопротивления стен из ячеистого бетона, согласно СНиП II-3-79**, на 30 %.

В результате в проекты должны будут закладываться решения, позволяющие снизить расход топлива в отопительный период, а небольшие затраты, связанные с утолщением наружных стен значительно перекроются экономией энергетических ресурсов в процессе эксплуатации домов.

Приложение 4

примеры расчета несущей способности стен из мелких ячеистобетонных блоков*)

___________

*) Примеры расчета, приведенные в настоящем Приложении, выполнены по формулам, таблицам и пунктам СНиП II-22-81 (приведены в квадратных скобках) и настоящим Рекомендациям.

1. Центрально-сжатые элементы

ПРИМЕР 1. Задание. Требуется определить расчетную несущую способность Nс, которая может быть воспринята простенком внутренней несущей стены при центральном сжатии. На простенок с двух сторон опираются сборные железобетонные настилы (плиты) перекрытий из тяжелого бетона марки М200 с круглыми заполненными пустотами; глубина опирания плит 0,10 м. Простенок выполнен из мелких газобетонных блоков (камней) автоклавного твердения; вид кладки 2 (по п. 3.2 настоящих Рекомендаций); опоры простенка - шарнирные, неподвижные (рис. 1).

Размеры простенка: высота Н = 3 м; сечение a´h = 1,0´0,3 м. Марка блока (камня) по пределу прочности на сжатие М35, кладка выполнена на тяжелом растворе М25, время выполнения кладки летнее.

Рис. 1. Расчетная схема к примерам 1, 2

Решение. Сначала проверяем, выдержаны ли требования [п. 6.17] СНиП II-22-81 в части отношения b = Н/h. [По табл. 26] кладка из камней М35 на растворе М25 относится ко II группе и допустимое отношение b = Н/h [по табл. 28] равно 20, что выше отношения H/h = 3/0,3 = 10, следовательно, простенок можно рассматривать как несущий элемент.

Найдем наиболее опасное сечение простенка, для чего проверим его расчетную несущую способность Nc в пределах высоты этажа и в опорном сечении.

Сечение простенка А = а´h = 1,0´0,3 = 0,30 м2; А = 0,3 м2, следовательно, коэффициент условий работы согласно [п. 3.11] равен g0 = 0,8. Расчетное сопротивление сжатию кладки согласно табл. 5 настоящих Рекомендаций

Р = 0,95´0,8 = 0,76 МПа = 760 кН/м2 (7,6 кгс/см2).

Расчетная длина элемента l0 согласно [рис. 4, а п. 4.3] равна

l0 = Н = 3 м (300 см).

Гибкость элемента равна

lh = l0/h = 3/0,3 = 10.

Упругая характеристика a по табл. 6 настоящих Рекомендаций равна

a = 750.

Коэффициент продольного изгиба j определяем [по табл. 18]

j = 0,84 (в сечении 2-2);

j = 1,0 (в сечении 1-1).

Коэффициент, учитывающий влияние длительной нагрузки mg при толщине стен h = 30 см [по п. 4.7], принимаем равным

mg = 1,0.

Расчетная несущая способность простенка Nc по формулам СНиП II-22-81 равна

а) в пределах высоты этажа, сечение 2-2 [по формуле 10] NC2 = mg×j×R×A = 1´0,84´760´0,30 = 191,52 кН (19152 кгс);

б) в опорном сечении 1-1 [по формуле 51]

где А = 0,3 м2; АB = (0,10 + 0,10)´1,0 = 0,2 м2, следовательно, АB = 0,2 м2 > 0,4 А = 0,4´0,3 = 0,12 м2, поэтому согласно [п. 6.44] коэффициент g = 0,8.

Коэффициент Р для плит с круглыми пустотами принимается равным 1.

Следовательно:

.

Наиболее опасным является опорное сечение 1-1. Расчетная продольная сила, которая может быть воспринята простенком в нашем примере по наиболее опасному сечению 1-1, равна

NC = 182,4 кН (18240 кгс).

ПРИМЕР 2. Задание. Требуется подобрать сечение (ширину) простенка из мелких ячеистобетонных блоков (камней) и уточнить марку раствора. Камни изготовлены из газобетона автоклавного твердения; вид кладки - 2; плотность кладки D1 = 12 кН (1200 кгс/м3); марка камня по прочности на сжатие М100; сечение камней h´l = 0,3´0,6 м; кладка может быть выполнена на растворе М25 ¸ 100; время выполнения кладки - летнее, высота простенка Н = 3,6 м; опоры шарнирные, неподвижные по схеме, аналогичной той, что приведена на рис. 1. Расчетная продольная сила от длительных нагрузок Ng = 350 кН (35000 кгс), а от длительных и кратковременных N = 400 кН (40000 кгс).

Решение. Допустимое отношение b = H/h [по табл. 28] равно 22, а фактическое отношение Н: = 3,6 : 0,3 = 12, следовательно, простенок можно рассматривать как несущий элемент.

Расчетная длина элемента согласно [п. 4.3] равна l0 = Н = 3,6 м.

Гибкость простенка

lh = l0 : h = 3,6 : 0,3 = 12.

Упругая характеристика по табл. 6 настоящих Рекомендаций

a = 750.

Коэффициент продольного изгиба определяем [по табл. 18]

j = 0,79.

Коэффициент h определяем [по табл. 20] при гибкости lh = 12 и проценте армирования менее 0,1 h = 0,05.

Коэффициент, учитывающий влияние длительной нагрузки mg при центральном сжатии, определяем [по формуле 16]

Для ориентировочного подсчета собственного веса простенка принимаем ширину простенка, равную 1 м

Ng0 = ng×Vg×D1 = 1,2´1´0,3´3,6´12,0 = 15,55 кН (1555 кгс).

Наиболее опасное сечение 2-2, для которого коэффициент продольного изгиба j является наименьшим. Для среднего по высоте сечения расчетная продольная сила от собственного веса равна

Ng02 = 0,5×Ng0 = 7,78 кН (778 кгс).

Полная расчетная продольная сила, действующая в сечении 2-2, равна

N2 = N + Ng02 = 400 + 7,78 = 407,78 кН (40778 кгс).

Расчетное сопротивление сжатию кладки на растворе марки М100 определяем по табл. 5 настоящих Рекомендаций

R = 2,3 МПа = 2300 кН/м2 (23 кгс/см2).

Подсчитаем необходимую площадь сечения простенка А1

С учетом размера камней принимаем ширину простенка а = 1,2 м (120 см), тогда сечение простенка

А2 = а´h = 1,2´0,3 = 0,36 м2 (3600 см2).

Напряжение s2 в сечении 2-2 простенка будет равно

Таким образом, простенок недонапряжен на

Для того чтобы стена была экономичной, примем раствор марки М25, тогда по табл. 5 настоящих Рекомендаций

R = 1,8 МПа = 1800 кН/м2 (18 кгс/см2).

Расчетная несущая способность, простенка в сечении 2-2 равна

.

Величина  простенок удовлетворяет требованиям по прочности.

2. Внецентренно-сжатые элементы

ПРИМЕР 3. Задание. Требуется определить расчетную несущую способность участка стены здания с жесткой конструктивной схемой.

К участку стены прямоугольного сечения приложена расчетная продольная сила

N = 165 кН (16500 кгс): от длительных нагрузок Ng = 150 кН (15000 кгс) и кратковременных Nst = 15 кН (1500 кгс). Размеры сечения показаны на рис. 2, а, высота этажа 3 м (300 см); нижние и верхние опоры стены - шарнирные, неподвижные. Стена запроектирована из газобетонных мелких блоков (камней), смонтированных на тяжелом растворе марки М25, газобетон автоклавного твердения марки по плотности 8 кН/м3 (800 кг/м3); марка по прочности на сжатие М50. Кладка вида 2 (по п. 3.2 настоящих Рекомендаций).

Требуется проверить несущую способность элемента стены в середине высоты этажа при возведении здания в летних условиях.

Описание: 1

Рис. 2. Расчетная схема к примерам 3, 4

Решение. В соответствии [с п. 4.9] для несущих стен толщиной 25 см следует учитывать случайный эксцентриситет еv = 2 см. Следовательно, продольная сила будет действовать с эксцентриситетом е0 = еv = е0g = 0,02 м (2 см). Расчет производим по указаниям [п. 4.7 и формуле 13]

N £ mg×j1×R×Ac×w.

Находим геометрические характеристики сечения. Площадь сечения элемента равна

А = 0,25´1,0 = 0,25 м2 (2500 см2).

Площадь сжатой части сечения определяем [по формуле 14]

Расстояние от центра тяжести сечения до края сечения в сторону эксцентриситета

y = h/2 = 0,25/2 = 0,125 м (12,5 см).

Расчетное сопротивление сжатию кладки R по табл. 5 настоящих Рекомендаций равно

R = 1,2 МПа = 1200 кН/м2 (12 кгс/см2),

расчетная длина элемента согласно [рис. 4, а п. 4.3] равна

l0 = Н = 3 м (300 см).

Гибкость элемента стены равна

lh = l0/h = 3/0,25 = 12.

Упругая характеристика кладки a принимается по табл. 6 настоящих Рекомендаций и равна a = 750.

Коэффициент продольного изгиба определяется [по табл. 18]

j = 0,79.

Гибкость сжатой части сечения

Коэффициент продольного изгиба сжатий части сечения принимаем [по табл. 18] jc = 0,722; [по формуле 15]

Коэффициент w для ячеистого бетона принимается [пo табл. 19] w = 1,0. Коэффициент h при lhc = 14,3 принимаем [по табл. 20] = 0,098. Коэффициент mg вычисляем [по формуле 16]

Расчетная несущая способность участка стены Nc равна

Nc = mg×j1×R×Ас×w = 0,902´0,756´1200´0,21´1 = 171,84 кН (17184 кгс).

Значение расчетной продольной силы N меньше расчетной несущей способности

N = 165 кН < Nс = 171,84 кН.

Следовательно, стена удовлетворяет требованиям по прочности.

Эксцентриситет e = 0,02 м и меньше 0,7y = 0,7´0,125 = 0,088 м, поэтому в соответствии [с п. 4.8] не следует производить расчет по раскрытию трещин.

ПРИМЕР 4. Задание. Требуется произвести расчет участка внутренней несущей стены здания с жесткой конструктивной схемой на внецентренное сжатие. К участку стены прямоугольного сечения приложена расчетная продольная сила N = 200 кН (20000 кгс); от длительных нагрузок Ng = 180 кН (18000 кгс); от кратковременных Nst = 20 кН (2000 кгс) и расчетный момент М = 3,9 кНм (390 кг×см). Размеры сечения a´h = 1,0´0,25 (рис. 2, б); высота этажа Н = 3 м (300 см), нижние и верхние опоры стены - шарнирные неподвижные. Стена запроектирована из мелких газобетонных блоков (камней), смонтированных на тяжелом растворе марки М25; газобетон автоклавного твердения плотностью 11 кН/м3 (1100 кг/м3); марка камня по прочности на сжатие М 150. Кладка вида 3 (по п. 3.2 настоящих Рекомендаций).

Требуется проверить несущую способность элемента стены в середине высоты этажа при возведении здания в летних условиях.

Решение. Вычисляем эксцентриситет от расчетной продольной силы

e01 = М : N = 3,9 : 200 = 0,0195 м (1,95 см).

Случайный эксцентриситет, в соответствии [с п. 4.9] для несущих стен толщиной 25 см, равен ev = 0,02 м (2 см). Эксцентриситет от действия длительных нагрузок e0g1 = М : Ng = 3,9 : 180 = 0,0217 м (2,17 см). Расчетный эксцентриситет принимаем равным от расчетной продольной силы с учетом случайного эксцентриситета

е0 = е01 + ev = 0,0195 + 0,02 = 0,0395 м (3,95 см) » 0,04 м (4 см);

от действия длительных нагрузок с учетом случайного

е0g = е0g1 + еv = 0,0217 + 0,02 = 0,0417 м (4,17 см) » 0,42 м (4,2 см).

Расчет производим по указаниям [п. 4.7 и формуле 13]

N £ mg×j1×R×Ac×w.

Находим геометрические характеристики сечения. Площадь сечения элемента

А = 0,25´1,0 = 0,25 м2 (2500 см2).

Площадь сжатой части сечения определяем [по формуле 14]

Аc = A(1 - 2e0/h) = 0,25(1 - 2´0,04/0,25) = 0,17 м2 (1700 см2).

Расстояние от центра тяжести сечения до края сечения в сторону эксцентриситета

y =h/2 = 0,25/2 = 0,125 м (12,5 см).

Расчетное сопротивление сжатию кладки R принимаем по табл. 5 настоящих Рекомендаций

R = 2,2 МПа = 2200 кН/м2 (22 кгс/см2).

Расчетная длина элемента согласно [п. 4.3 рис. 4, а] равна

l0 = Н = 3 м (300 см).

Гибкость элемента [по формуле 12] равна

lh = l0/h = 3/0,25 = 12.

Упругая характеристика a по табл. 6 настоящих Рекомендаций равна

a = 750.

Коэффициент продольного изгиба j [по табл. 18] равен j = 0,79. Гибкость сжатой части сечения lhc равна

Коэффициент продольного изгиба сжатой части сечения jc [по табл. 18] jc = 0,64.

Коэффициент j1 вычисляем [по формуле 15]

Коэффициент w для ячеистого бетона принимаем [по табл. 19]

w = 1,0.

Коэффициент h при lhc = 17,6 принимаем [по табл. 20] h = 0,18. Коэффициент mg вычисляем [по формуле 16]

Расчетная несущая способность элемента стены Nc равна

Nc = mg×j1×R×Ac×w = 0,805´0,715´2200´0,17´1 = 215,26 кН (21526 кгс).

Значение расчетной продольной силы N меньше расчетной несущей способности стены Nc

N = 200 кН < Nс = 215,26 кН.

Следовательно, стена удовлетворяет требованиям по прочности. Относительный эксцентриситет

е/у = 0,04 : 0,12 = 0,33 < 0,7.

поэтому в соответствии [с п. 4.8] расчета по раскрытию трещин производить не требуется.

Приложение 5

ПРИМЕР РАСЧЕТА СОПРОТИВЛЕНИЯ ТЕПЛОПЕРЕДАЧЕ НАРУЖНОЙ ОДНОСЛОЙНОЙ СТЕНЫ ИЗ МЕЛКИХ ЯЧЕИСТОБЕТОННЫХ БЛОКОВ

Задание. Определить требуемое сопротивление теплопередаче наружной однослойной стены из мелких ячеистобетонных блоков по санитарно-гигиеническим условиям и экономически целесообразное сопротивление теплопередаче для жилого здания, строящегося в пригороде г. Нижний Тагил.

Решение. Расчетная температура внутреннего воздуха для жилого здания принимается равной 20 °С, относительная влажность воздуха в соответствии с примечанием [п. 2.10] равной 55 % (СНиП II-3-79**).

По принятым значениям температуры и относительной влажности внутреннего воздуха [по табл. 1] устанавливаем, что здание эксплуатируется при нормальном влажностном режиме. Поскольку г. Нижний Тагил с пригородами расположен на территории зоны с нормальной относительной влажностью воздуха [Приложение 1] и эксплуатируемые помещения имеют нормальный влажностный режим, то расчетные значения коэффициента теплопроводности принимаются для условий эксплуатации Б.

Принимаем кладку из ячеистобетонных блоков g0 = 700 кг/м3 на цементно-шлаковом растворе g0 = 1200 кг/м3 с lкладки = 0,37 Вт××°С) (табл. 8), толщиной 350 мм с штукатурным слоем с внутренней стороны толщиной 20 мм с g0 = 1700 кг/м3, l = 0,7 Вт/(м×°С), S = 8,95 Вт/(м×°C) [по Приложению 3]. Коэффициент теплоотдачи внутренней и наружной поверхности стены принимаем [по табл. 4, 6] равными соответственно aв = 8,7 и aн = 23 Вт/(м×°С).

Сопротивление теплопередаче принятой конструкции стены определяют [по формуле 4]

где Rк - термическое сопротивление стены, определяемое для однослойной конструкции [по формуле 3] Rк = d/l, а для многослойной конструкции как сумма термических сопротивлений отдельных слоев [по формуле 5];

d - толщина слоя, м.

R0 = 1/8,7 + 0,02/0,7 +0,35/0,37 + 1/23 =1,13 м2×°С/Вт,

Определяем соответствие принятой конструкции стены требуемому значению сопротивления теплопередаче по гигиеническим условиям и экономически целесообразному сопротивлению теплопередаче.

Расчетную зимнюю температуру наружного воздуха tн °С принимаем в соответствии с главой СНиП 2.01.01-82 с учетом тепловой инерции D наружной стены [по формуле 2 и табл. 5].

D = R1×S1 + R2×S2 + ... + Rn×Sn,

где R1, R2, ... Rn - термические сопротивления отдельных слоев стены, определяемые [по формуле 3] R = d/l;

S1, S2, ..., Sn - расчетные коэффициенты теплоусвоения материала отдельных слоев стены, принимаемые [по Приложению 3] или вычисляются по формуле

где l - коэффициент теплопроводности кладки Вт/(м×°С), принимается по табл. 8 настоящих Рекомендаций;

g0 - плотность кладки в сухом состоянии, кг/м3;

С0 - удельная теплоемкость, равная 0,84 кДж/м×°C;

w - расчетное массовое отношение влаги в материале (эксплуатационная влажность), в процентах, принимаемое по табл. 8 настоящих Рекомендаций;

А1 и А2 - коэффициенты соответственно равные 0,27 и 4,19.

Коэффициент теплоусвоения для кладки из ячеистобетонных блоков равен

Для штукатурного слоя принимаем [по Приложению 3]

S = 8,95 Вт/(м2×°С).

Тепловая инерция наружной стены равна

Стена имеет среднюю инерционность и поэтому за расчетную температуру наружного воздуха принимается средняя температура наиболее холодных трех суток, т.е. -39 °С.

Определяем R0тр [по формуле 1]

Значение Dtн принимается [по табл. 2].

Принятая конструкция стены с толщиной бетонных блоков 350 мм удовлетворяет R0тр по санитарно-гигиеническим условиям.

Экономически целесообразное сопротивление теплопередаче стены из мелких ячеистобетонных блоков определяются [по формуле 17], исходя из условия обеспечения наименьших приведенных затрат.

Сравнение выполняем для стен из блоков толщиной 300 мм, 350 мм и 400 мм соответственно с сопротивлением теплопередаче R0, равным 1,0; 1,13, 1,27 м2×°С/Вт.

где СD - единовременные затраты, pyб./м2, определяемые [по формуле 17 a]

С = 1,25(Ц + Т)´1,02 + См.

Величины теплотехнических показателей и коэффициентов в формулах tв = 20 °С; tот.пер. = -6,6 °С; zот.пер.= 238 сут; Ст = 3,36 руб./ГДж (письмо Госстроя СССР № ИИ-44-48-19/5 от 06.09.84 г. «О расчетных стоимостных показателях топливно-энергетических ресурсов на период до 2000 года») R0 = 1,13 м2×°С/Вт, Ц - оптовая цена материалов, равная для ячеистобетонных блоков 42,5 руб./м3, а для раствора - 16,7 руб./м3 (по СНиП IV-4-82 часть IV «Местные материалы»); Т - стоимость транспортирования материалов с учетом погрузочно-разгрузочных работ, равная для ячеистобетонных блоков 3,32 руб./т, а для раствора - 1,62 руб./т (по СНиП IV-4-82 часть 1 «Железнодорожные и автомобильные перевозки»); См - стоимость возведения стены, равная 2,95 руб./м3 (по СНиП IV-5-82 «Сборник единых районных единичных расценок на строительные конструкции и работы». Сб. 8 «Конструкции из кирпича и блоков»)

С = 1,25[(13,4 + 0,85)´1,02 + 1,03] = 19 руб. 46 коп.

Расход материалов на 1 м2 стены толщиной 370 мм:

бетонные блоки

- 0,28 м3 или 0,196 т;

кладочный раствор

- 0,07 м3 или 0,084 т;

штукатурный раствор

- 0,02 м3 или 0,034 т.

Оптовая цена 1 м2 конструкции стены:

Ц = Цблока + Цраствора = 42,5´0,28 + 16,7´0,09 = 13,4 руб.

Стоимость транспортирования материалов с учетом погрузочно-разгрузочных работ

Т = (0,196´1,66 + 0,118´0,29) + (0,196´1,66 + 0,118´1,33) = 0,85 руб.

Стоимость возведения 1 м2 стены

См = 2,95´0,35 = 1,03 руб.

Приведенные затраты стены толщиной 370 мм с сопротивлением теплопередаче R0 = 1,13 м2×°С/Вт составляют:

Аналогично определяют приведенные затраты для стен из ячеистобетонных блоков толщиной 300´400 мм.

Итоговые данные экономического расчета приведены в табл. 1.

Таблица 1

Толщина стены со штукатурным слоем, м

м2×°С/Вт

СD, руб./м2

П, руб./м2

0,32

1,0

16,76

40,80

0,37

1,13

19,46

40,73

0,42

1,27

22,16

41,09

Выполненные расчеты показывают, что для строительства жилых домов в пригороде г. Нижний Тагил сопротивление теплопередаче стен из ячеистобетонных блоков необходимо принимать равным 1,13 м2×°С/Вт, что соответствует требуемому значению сопротивления теплопередаче по санитарно-гигиеническим условиям и наименьшим приведенным затратам.

Приложение 6

МЕТОДИКА РАСЧЕТА СБОРНО-МОНОЛИТНЫХ ПЕРЕКРЫТИЙ ИЗ ЯЧЕИСТОБЕТОННЫХ БЛОКОВ

Расчет сборно-монолитных перекрытий по прочности

Предельный разрушающий момент определяется по формуле, подтвержденной экспериментально,

                                      (1)

где bred - приведенное значение ширины балки-шва, учитывающее участие газобетонных блоков при разрушении сборно-монолитного перекрытия и установленное опытным путем, вычисляется по формуле

                                                   (2)

где bб - ширина балки-шва;

Eв - модуль упругости материала балки;

bя и Евя - соответственно длина ячеистобетонного блока и его модуль упругости.

Относительная высота сжатой зоны при хрупком разрушении определяется по формуле

                                                 (3)

где

                                                                  (4)

                                                             (5)

Расчет сборно-монолитных перекрытий по наклонным сечениям, раскрытию трещин, местное действие нагрузок ведется по СНиП 2.03.01-84.

Расчет жесткости сборно-монолитных перекрытий

Расчет жесткости производят по формуле, выведенной для сечения с трещиной из условия равновесия усилий с моментными напряжениями и совместности деформаций,

B = Eв×bб×h03×ez,                                                           (6)

где Ев - модуль упругости раствора балки-шва;

bб - толщина балки-шва на рассматриваемом участке;

h0 - рабочая высота сечения

                                                        (7)

                                                               (8)

a - по формуле (4),

x - по формуле (3).

Кратковременный прогиб от равномерно-распределенной нагрузки определяется по формуле

                                                     (9)

где b - ширина всего перекрытия.

Длительный прогиб определяется по формуле

fд.л. = fкр (1 + x×jt),                                                       (10)

где jt - для цементно-песчаного раствора по данным испытаний с достаточной степенью точности можно принять равным 2,5.

Пример расчета сборно-монолитного перекрытия

Требуется определить расчетную несущую способность М и расчетную жесткость В сборно-монолитного перекрытия со следующими параметрами: длина перекрытия l0 = 4,6 м; ширина перекрытия b = 1,4 м; высота h = 30 м. Расчетная схема приведена на рис. 1.

Расчет ведется по двум монолитным балкам и двум пролетам ячеистобетонных блоков между ними. Материал монолитных балок - мелкозернистый бетон группы Б, класса В10, марки по плотности D2000. Арматура класса АIII. Материал блоков - автоклавный ячеистый бетон класса В2, средней плотностью D700. Сечение балок 10´30 см, блоков 60´30 см, рабочая высота сечения h0 = 27 см.

Нагрузки, действующие на перекрытие.

Собственный вес

Рис. 1.

Конструкция пола

- 0,8 кН/м2;

Перегородки

- 0,7 кН/м2;

Временная нагрузка

- 1,5 кН/м2;

Собственный вес

- 2,84 кН/м2;

Итого: qн = 5,84 кН/м2.

Полная расчетная нагрузка для расчета по первому предельному состоянию

q = (0,8 + 0,7)´1,3 + 1,5´1,4 + 2,84´1,1 = 7,17 кН/м2.

Расчетный момент равен

Полная расчетная нагрузка для расчета по второму предельному состоянию

qнд.л. = 0,8 + 0,7 + 0,3 + 2,84 = 4,64 кН/м2.

Расчетные и нормативные сопротивления для балок

Rв = 6 МПа, Rв.п = 7,5 МПа, Ев = 14´103 МПа;

для арматуры

Rs = 365 МПа, Rs.п = 390 МПа, Еs = 20´104 МПа.

Поперечное сечение арматуры назначаем из условия

Принимаем 2 Æ 16 = 2´2,011 = 4,022 см2 (по одному стержню на каждую монолитную балку).

Предельный разрушающий момент для неармированного сечения

Приведенная ширина монолитной балки

Относительная высота сжатой зоны

Коэффициент армирования

a = 0,055;

Ми = 28,22 кНм > М = 26,55 кНм.

Определение жесткости сборно-монолитного перекрытия

Коэффициент армирования балки

a = 0,074´14,3 = 0,106.

Относительная высота сжатой зоны

Коэффициент жесткости балки в сечении с трещиной

Жесткость определяем по формуле

В = Ев×bб×h02×ez = 14´106´2´0,1´0,273´0,059 = 3252 кНм2.

Кратковременный прогиб равен

Прогиб от действия длительной нагрузки

fд.л. < fпред. = 1/200´4,6 = 2,3 см.

Армирование каждой монолитной балки 1 Æ 16-А-III удовлетворяет требованиям прочности и жесткости при данных нагрузках.

СОДЕРЖАНИЕ

Предисловие. 1

1. Общие положения. 1

2. Материалы.. 2

3. Расчет несущей способности стен из мелких ячеистобетонных блоков. 4

4. Конструкции стен и узлов сопряжения из мелких ячеистобетонных блоков. 5

5. Теплотехнический расчет стен из мелких ячеистобетонных блоков. 21

6. Подбор составов легких строительных растворов для кладки стен из мелких ячеистобетонных блоков. 25

7. Отделка фасадов домов из мелких ячеистобетонных блоков. 27

8. Правила производства, приемка работ и техника безопасности при возведении зданий из ячеистобетонных блоков. 32

Приложение 1. Рекомендуемые размеры стеновых мелких ячеистобетонных блоков и допускаемые отклонения к ним.. 35

Приложение 2. Узлы сопряжений конструкций зданий из ячеистобетонных элементов. 36

Приложение 3. Рекомендации по приближенному теплотехническому расчету наружных стен малоэтажных зданий из мелких ячеисто-бетонных блоков (по лензнииэп) 44

Приложение 4. Примеры расчета несущей способности стен из мелких ячеистобетонных блоков. 45

Приложение 5. Пример расчета сопротивления теплопередаче наружной однослойной стены из мелких ячеистобетонных блоков. 49

Приложение 6. Методика расчета сборно-монолитных перекрытий из ячеистобетонных блоков. 51

 



© 2013 Ёшкин Кот :-)