Информационная система
«Ёшкин Кот»

XXXecatmenu

МИНИСТЕРСТВО ПУТЕЙ СООБЩЕНИЯ
РОССИЙСКОЙ ФЕДЕРАЦИИ

 

НОРМЫ
ТЕХНОЛОГИЧЕСКОГО
ПРОЕКТИРОВАНИЯ ЦИФРОВЫХ
ТЕЛЕКОММУНИКАЦИОННЫХ СЕТЕЙ
НА ФЕДЕРАЛЬНОМ
ЖЕЛЕЗНОДОРОЖНОМ ТРАНСПОРТЕ
(НТП ЦТКС-ФЖТ-2002)

 

 

 

Утверждены указанием МПС России от 10 июля 2002 г. № Р-626у

Москва

2002

 

Введены в действие с 1 января 2003 года

Нормы разработали:

ВНИИУП МПС России:

Васильев O.K. (руководитель темы, ответственный исполнитель), Анпилов М.В., Асc Э.Е., Блиндер И.Д., Ваванов Ю.В., Демчук А.В., Ильин С.А., Кондрашин Ю.П., Левин В.А., Савенко Л.Я., Сизова А.В.

Гипротранссигналсвязь:

Попова Г.А. (руководитель работы), Борисенко И.В., Васильев Н.С., Епишин В.М., Кауфман И.А., Кошелева В.А., Кочетков Г.Б., Мятежева Л.И., Попов Д.А., Тихомиров Ю.М., Ядревская В.А.

Внесены: Департаментом информатизации и связи МПС России

I. Общие положения

1.1 Нормы технологического проектирования цифровых телекоммуникационных сетей на федеральном железнодорожном транспорте (далее Нормы) устанавливают основные требования федерального железнодорожного транспорта Российской Федерации:

к системам и средствам связи, используемых в цифровых сетях связи федерального железнодорожного транспорта;

к выполнению проектных работ по созданию (модернизации) цифровых сетей связи федерального железнодорожного транспорта.

1.2 Настоящие Нормы разработаны в соответствии с основными положениями следующих документов:

Концепция информатизации железнодорожного транспорта России. Одобрена на расширенном заседании Коллегии МПС РФ 28.02.1996 г. (протокол № 5);

Концепция создания цифровой сети связи МПС России. Утверждена МПС России 28.07.1997 г.;

Сеть связи железнодорожного транспорта Российской Федерации. Системный проект. Утвержден МПС России 06.04.2000 г.

1.3 Настоящие Нормы являются обязательными для всех организаций и предприятий, участвующих в выполнении научно-исследовательских, опытно-конструкторских и проектных работ по созданию и развитию цифровой связи федерального железнодорожного транспорта.

1.4 Общая структура цифровых телекоммуникационных сетей МПС России

1.4.1 Цифровые телекоммуникационные сети МПС России (ЦТКС МПС)*) предназначены для обеспечения связью предприятий, организаций и структурных подразделений федерального железнодорожного транспорта в соответствии с Правилами технической эксплуатации железных дорог Российской Федерации. Необходимые объемы и качество связи определяются в соответствии с потребностями системы управления федеральным железнодорожным транспортом, а также с учетом развития техники связи и возможности расширения перечня услуг, предоставляемых абонентам сетей.

*) - здесь и далее по тексту документа: перечень сокращений приведен в Приложении № 1.

1.4.2 Структура ЦТКС МПС должна соответствовать структуре системы управления федеральным железнодорожным транспортом и учитывать специфику организации управления грузовыми и пассажирскими перевозками в МПС России.

1.4.3 ЦТКС МПС включают в себя линии передачи и оборудование, позволяющие обеспечивать существующие связи, а также наращивать объем связей и количество предоставляемых услуг абонентам сетей.

1.4.4 ЦТКС МПС имеют в своем составе транспортный и технологический сегменты.

Транспортный сегмент представляет собой магистральную цифровую коммутационную сеть связи, построенную на базе волоконно-оптических линий передачи, каналов спутниковой связи, радиорелейных линий связи, систем передачи синхронной иерархии, ATM коммутаторов, цифровых узлов автоматической коммутации магистрального уровня и является магистральной первичной сетью с элементами широкополосной цифровой сети с интеграцией служб (ШЦСИС).

Технологический сегмент состоит из первичных сетей дорожной и отделенческой связи, построенных на оборудовании синхронной цифровой иерархии (СЦИ), плезиохронной цифровой иерархии (ПЦИ), и вторичных сетей технологических связей, построенных на цифровом коммутационном оборудовании и оборудовании доступа.

1.4.5 ЦТКС МПС являются составной частью Взаимоувязанной сети связи Российской Федерации (ВСС). Структура ЦТКС МПС должна учитывать структуру ВСС, возможность рационального совместного функционирования и требования по гибкости, качеству и надежности, предъявляемые к ВСС в соответствии с нормативными документами (Приложение № 2 к настоящим Нормам).

1.4.6 Присоединение ЦТКС МПС к сетям связи общего пользования должно осуществляться в соответствии с правилами, установленными Постановлением Правительства РФ от 19.10.96 г. № 1254 Об утверждении правил присоединения ведомственных и выделенных сетей электросвязи к сети электросвязи общего пользования.

1.5 Общий порядок использования Норм

1.5.1 Настоящие Нормы являются основой для выполнения проектных работ по цифровым телекоммуникационным сетям МПС России. При выполнении проектных работ следует, кроме требований настоящих Норм, учитывать также дополнения и изменения, в которых отражено дальнейшее развитие цифровой техники и техники связи, результаты испытаний и опыт эксплуатации ЦТКС МПС (соответствующие дополнения и изменения должны быть утверждены МПС России в установленном порядке).

1.5.2 При проектировании ЦТКС МПС должны использоваться перспективные технологии и современные технические средства, обеспечивающие надежное и высококачественное функционирование ЦТКС МПС при минимальных материальных и трудовых затратах в процессе ее технической эксплуатации.

1.5.3 Все комплексы аппаратуры, используемые в ЦТКС МПС, должны иметь сертификацию Государственного Комитета Российской Федерации по связи и информатизации. С учетом специфики функционирования железнодорожного транспорта отдельные системы и комплексы связи должны проверяться на соответствие требованиям, предъявляемым к ним в реальных условиях эксплуатации на железнодорожном транспорте (по решению Руководства МПС России).

1.5.4 Обеспечение информационной безопасности ЦТКС МПС должно осуществляться в соответствии с Концепцией построения системы обеспечения информационной безопасности телекоммуникационной сети МПС и железных дорог (утверждена МПС России 30.03.2000 г.).

1.5.5 Термины и определения, применяемые в настоящих Нормах, приведены в Приложении № 3.

1.5.6 Перечень аппаратуры, рекомендуемой для применения в цифровых системах связи федерального железнодорожного транспорта, приведен в Приложении № 4.

II. Первичные цифровые сети

2.1 Общие требования к первичным цифровым сетям

2.1.1 Цифровая первичная сеть связи федерального железнодорожного транспорта (ЦПСС ФЖТ) представляет собой совокупность типовых физических цепей, типовых каналов передачи и сетевых трактов, образованную на базе сетевых узлов, сетевых станций, оконечных устройств первичной сети и соединяющих их линий передачи.

2.1.2 ЦПСС ФЖТ должна обеспечивать существующие потребности вторичных сетей электросвязи в типовых каналах передачи и сетевых трактах. ЦПСС ФЖТ также должна обеспечивать возможность существенного увеличения пропускной способности линий передачи для внедрения новых технологий и предоставления пользователям вторичных сетей новых услуг, требующих широкополосных каналов (например, для развития широкополосных цифровых сетей с интеграцией служб на основе технологии ATM).

2.1.3 ЦПСС ФЖТ должна строиться как наложенная сеть с учетом того, что она является частью Взаимоувязанной сети связи Российской Федерации, и развиваться параллельно существующей аналоговой первичной сети связи ФЖТ.

2.1.4 В ЦПСС ФЖТ существуют 4 уровня первичных сетей: магистральный, дорожный, отделенческий и местный. По одной и той же линии передачи, проложенной вдоль полотна железнодорожного пути, могут быть организованы каналы и тракты различных уровней первичной сети. Одна система передачи может также совмещать разные уровни, например, магистральный и дорожный, дорожный и отделенческий.

2.1.5 В зависимости от среды распространения в ЦПСС ФЖТ могут применяться: системы передачи (СП), использующие кабели, а также радиорелейные системы передачи (РРСП) и спутниковые системы передачи (ССП).

Основным видом среды распространения являются одномодовые оптические волокна, на базе которых организуется работа систем передачи синхронной цифровой иерархии (СЦИ) и плезиохронной цифровой иерархии (ПЦИ).

При использовании кабелей с медными жилами могут применяться системы передачи ПЦИ и оборудование семейства xDSL с кодами 2В1Q, САР, ТС-РАМ.

2.1.6 Линии передачи для систем передачи СЦИ могут быть построены на радиальном и кольцевом принципах. Для ЦПСС ФЖТ приоритетным должен являться кольцевой принцип, обеспечивающий более высокую надежность. При отсутствии возможности построения колец должна предусматриваться линейная защита.

2.1.7 Для ЦПСС ФЖТ применяются следующие системы передачи:

СЦИ, рассчитанные на скорости передачи 155 Мбит/с (СТМ-1), 622 Мбит/с (СТМ-4), 2488 Мбит/с (СТМ-16); в перспективе - с большими скоростями (в зависимости от потребности и поставок техники на российский рынок);

ПЦИ, рассчитанные на скорости передачи 2048 кбит/с (первичный цифровой канал ПЦК) и 34 Мбит/с (третичный цифровой канал ТЦК).

2.1.8 ЦПСС ФЖТ должна иметь систему управления для поддержки заданных показателей надежности и качества.

2.2 Первичная сеть магистрального уровня

2.2.1 Магистральная цифровая первичная сеть связи (МЦПСС) включает в себя центральный магистральный сетевой узел, магистральные сетевые узлы, дорожные сетевые узлы и линии передачи, их соединяющие, и фактически охватывает большую часть густонаселенных территорий России.

2.2.2 Основу МЦПСС составляют волоконно-оптические линии передачи (ВОЛП) с применением систем передачи СЦИ. В зависимости от требуемой пропускной способности участка сети должно быть предусмотрено совместное использование систем передачи СЦИ 1-го, 4-ого или 16-ого уровней.

2.2.3 Волоконно-оптические кабели магистрального уровня должны содержать одномодовые волокна, соответствующие Рекомендации МСЭ-Т G.652 и одномодовые волокна со смещенной ненулевой дисперсией, соответствующие Рекомендации МСЭ-Т G.655 для возможности спектрального уплотнения (WDM, DWDM).

2.2.4 Радиорелейные системы передачи (РРСП) следует применять для резервирования ВОЛП на уровне цифровых потоков 34 Мбит/с и 155 Мбит/с, резервирования колец оперативно-технологической связи верхнего и нижнего уровней, а также для увеличения канальной емкости тех направлений связи, где строительство РРСП является наиболее целесообразным.

2.2.5 Реконструируемые и вновь строящиеся РРСП должны иметь в своем составе, как правило, два ствола и обеспечивать взаимное резервирование стволов. Передача информации в стволе должна обеспечиваться со скоростями 34 Мбит/с и 155 Мбит/с, при этом должны обеспечиваться централизованный мониторинг и управление многопролетной РРСП.

2.2.6 В МЦПСС могут применяться спутниковые системы передачи (ССП), которые обеспечивают организацию каналов и трактов с параметрами, отвечающими требованиям к типовым каналам и трактам первичной сети. Спутниковые системы передачи следует применять для организации каналов и трактов в короткие сроки на большие расстояния.

2.2.7 Для организации сетевого резервирования рекомендуется использовать цифровые потоки спутниковых систем передачи со скоростью передачи 2 Мбит/с, 8 Мбит/с.

2.2.8 Магистральная сеть, построенная на основе систем передачи СЦИ, должна образовывать единую транспортную среду, имеющую единую систему управления сетью, обеспечивающую стандартные интерфейсы для подключения.

2.2.9 Защита трафика при повреждениях оптического кабеля и выходе из строя элементов оборудования должна быть выполнена на основе организации обходных маршрутов передачи и кольцевых структур.

2.2.10 Пропускная способность магистральных ВОЛП должна определяться с учетом потребностей технологического сегмента, а также с учетом обеспечения технологического взаимодействия с сетью общего пользования.

Технологическое взаимодействие сетей может осуществляться в виде:

использования свободного канального ресурса одной сети в интересах создания другой (аренда каналов, трактов);

использования канального ресурса одной сети для повышения надежности другой (создания обходных резервных путей);

использования совместного канального ресурса сетей в условиях чрезвычайных ситуаций и в особый период.

2.3 Первичные сети дорожного и отделенческого уровней

2.3.1 Цифровая первичная сеть связи дорожного уровня (ЦПССД) включает в себя дорожные и отделенческие сетевые узлы связи и линии передачи, их соединяющие.

2.3.2 Цифровая первичная сеть связи отделенческого уровня (ЦПССО) включает в себя отделенческий сетевой узел связи, сетевые узлы участковых, промежуточных и оконечных станций и линии передачи, их соединяющие.

2.3.3 ЦПССД и ЦПССО должны строиться на основе использования проводных и радио средств: симметричного кабеля с медными жилами, волоконно-оптического кабеля, радиорелейных и спутниковых систем передачи, а также средств подвижной связи.

2.3.4 Основными средствами должны быть волоконно-оптические системы передачи СЦИ и ПЦИ, обеспечивающие образование цифровых каналов и трактов: 64 кбит/с (ОЦК), 2048 кбит/с (ПЦК), 34368 кбит/с (ТЦК), 155 Мбит/с.

Системы передачи СЦИ магистрального уровня, как правило, должны также использоваться для дорожной и отделенческой связи в виде выделенного ресурса.

2.3.5 Количество потоков 2048 кбит/с, выделяемых на станциях из оборудования СЦИ и ПЦИ, должно определяться потребностями вторичных сетей технологического сегмента, в том числе: каналов общетехнологической и оперативно-технологической связи; каналов сети передачи данных; каналов связи совещаний; каналов для смежных станций соседних железных дорог и т.п.

2.3.6 В соответствии с техническими возможностями систем передачи ПЦИ и СЦИ на ЦПССД и ЦПССО рекомендуется организовывать кольцевые структуры, обеспечивающие требуемые показатели надежности более экономично, чем линейные структуры соединения сетевых узлов.

Кольцевые структуры ЦПССД и ЦПССО могут быть реализованы в топологии «плоского» кольца (в одном кабеле через системы передачи высших иерархий) или «пространственного» кольца (кабели проходят по разным трассам).

2.3.7 Образование кольцевых структур для резервирования отделенческих связей через ЦПССД наиболее целесообразно на уровне 2048 кбит/с.

Образование кольцевых структур для резервирования дорожных связей через МЦПСС должно осуществляться на уровне 2048 кбит/с, 34 Мбит/с или 155 Мбит/с.

2.3.8 Для построения первичной сети технологического сегмента должно выделяться не менее 4 оптических волокон.

2.3.9 На первом этапе создания цифровой сети, когда существующее периферийное оборудование оперативно-технологической связи (аналогового типа) еще будет находиться в эксплуатации, канальные окончания ТЧ должны предоставляться сети оперативно-технологической связи (ОТС) с помощью цифро-аналоговых преобразователей.

2.3.10 При построении цифровой оперативно-технологической связи коммутационные устройства ОТС должны сопрягаться с ЦПССО потоками 2048 кбит/с.

2.3.11 Существующие и вновь прокладываемые симметричные кабели с медными жилами должны использоваться в ЦПССД и ЦПССО в технически и экономически обоснованных случаях с применением имеющихся технологий (xDSL), а также новых, которые будут появляться по мере развития средств телекоммуникации.

2.3.12 Радиорелейные системы передачи должны использоваться в ЦПССД и ЦПССО для решения следующих задач:

организации связи на участках сети, где их применение необходимо или более экономически целесообразно по сравнению с применением ВОЛП и спутниковых систем передачи;

резервирования кабельных линий передачи;

организации соединительных линий между АТС;

организации связи при ремонтно-восстановительных работах и чрезвычайных ситуациях.

2.3.13 На дорожном уровне следует использовать стационарные цифровые радиорелейные системы передачи с пропускной способностью ствола 155 Мбит/с и 622 Мбит/с при совместной организации дорожной и магистральной связи.

2.3.14 На отделенческом уровне рекомендуется применять цифровые РРСП со скоростью передачи 2048 кбит/с и 34 Мбит/с, обеспечивающие на промежуточных станциях выделение каналов (ОЦК и ПЦК соответственно).

2.3.15 Использование средств спутниковой связи должно предусматриваться на дорожном уровне. Связь в дорожной спутниковой сети должна быть организована по схеме «звезда» с размещением дорожной узловой станции в управлении железной дороги, а абонентских станций - в отделениях железной дороги, а также на станциях, определяемых управлением железной дороги.

В зависимости от особенностей каждой железной дороги каналы спутниковой связи могут предоставляться по требованию или закрепляться за отдельными направлениями.

Предоставление каналов по требованию должно осуществляться по заявкам абонентских станций и дорожной узловой станции центральным узлом спутниковой связи, который является главным управляющим элементом системы спутниковой связи МПС России.

2.4 Местная первичная сеть

2.4.1 Цифровая первичная сеть связи местная (ЦПССМ) состоит из местных сетевых узлов, оконечных станций, а так же из соединительных и абонентских линий передачи, их соединяющих. ЦПССМ организуется в пределах крупных железнодорожных узлов и станций для обеспечения цифровыми каналами сетей общетехнологической и оперативно-технологической связи и сетей передачи данных. Протяженность линий, как правило, не превышает 10 км.

2.4.2 При строительстве ЦПССМ рекомендуется снимать с эксплуатации существующие аналоговые системы передачи, т.е. использовать стратегию «замещения».

2.4.3 Топологическая структура ЦПССМ должна соответствовать структуре местных телефонных сетей. Рекомендуется на территории особо крупных железнодорожных узлов (станций) проектировать кольцевые и радиально-кольцевые структуры сети.

Для обеспечения надежности передачи сообщений по местной первичной сети необходимо, чтобы каждый узел связи был связан с другими узлами сети по двум независимым маршрутам.

2.4.4 Для организации ЦПССМ могут быть использованы кабельные линии (с волоконно-оптическими кабелями или кабелями с медными жилами), радиорелейные системы передачи, системы передачи ПЦИ и СЦИ и оборудование семейства xDSL, в т.ч. ресурсы верхних уровней ЦПСС на совпадающих направлениях.

2.5 Первичная сеть в переходный период от аналоговой к цифровой системе связи

2.5.1 В период одновременного функционирования аналогового и цифрового компонентов ЦПСС следует при проектировании максимально возможно исключить двойные цифро-аналоговые и аналого-цифровые переходы, так как при этом снижается эффективность применения цифровой техники и увеличиваются затраты на строительство и эксплуатацию.

Для номинальной цепи канала ТЧ или ОЦК (13900 км) число пар преобразований аналог - цифра и цифра - аналог не должно превышать 6.

2.5.2 Существующие линии передачи аналоговой первичной сети должны использоваться для создания ЦПСС путем замены аналоговых систем передачи на цифровые, а также путем установки цифровых систем передачи на свободных парах симметричных кабелей.

2.5.3 Взаимодействие цифровой и аналоговой первичной сети должно осуществляться на уровне трактов и каналов. На уровне трактов рекомендуется применять трансмультиплексоры, преобразующие первичные и вторичные группы каналов аналоговых систем передачи в стандартные цифровые потоки Е1 и обратно.

На уровне каналов следует применять первичные гибкие мультиплексоры, предназначенные для формирования потоков 2048 кбит/с из 30 аналоговых каналов ТЧ и ПД и обеспечивающие преобразования сигнализации цифровых АТС в сигнализацию аналоговых АТС.

III. Вторичные сети

3.1 Сеть оперативно-технологической связи

3.1.1 Общие положения

3.1.1.1 Цифровая сеть оперативно-технологической связи (ОТС) предназначена для передачи информации в системе оперативного диспетчерского управления работой железнодорожного транспорта на всех уровнях и во всех звеньях с обеспечением прямых и групповых каналов для передачи речевой и дискретной информации.

3.1.1.2 Сеть ОТС должна быть организована независимо от других сетей связи, и представлять собой самостоятельную выделенную ведомственную сеть. Должно быть исключено присоединение сети ОТС к сети общего пользования.

3.1.1.3 Принципы организации и основные функции ОТС должны отвечать требованиям Концепции построения оперативно-технологической связи (редакция 3), утвержденной Департаментом ЦИС.

3.1.1.4 Оперативно-технологическая связь включает в себя сети следующих уровней управления железнодорожным транспортом:

1) магистральная ОТС;

2) дорожная ОТС;

3) отделенческая ОТС;

4) станционная ОТС.

3.1.1.5 Отделенческая ОТС является наиболее массовой по применению на сетях связи железных дорог и наиболее развитой по своей структуре. Основной задачей отделенческой ОТС является установление соединений и ведение переговоров диспетчеров всех служб с абонентами диспетчерских кругов (участков), находящимися на станциях, перегонах и других объектах МПС.

По функциональному назначению в состав отделенческой ОТС входят следующие виды связи:

поездная диспетчерская (ПДС), предназначенная для руководства движением поездов;

линейно-путевая (ЛПС), предназначенная для переговоров работников пути по вопросам текущего содержания путевого хозяйства;

служебная диспетчерская (СДС), предназначенная для служебных переговоров работников дистанций сигнализации и связи по техническому содержанию и ремонту устройств СЦБ и связи;

энергодиспетчерская (ЭДС), предназначенная для руководства техническим содержанием устройств энергоснабжения;

вагонораспорядительная диспетчерская (ВДС), предназначенная для контроля за прохождением подвижного состава и выполнением погрузо-разгрузочных работ;

транспортной военизированной охраны (СТВ), предназначенной для переговоров работников ВОХР по вопросам обеспечения охраны железнодорожных объектов;

опорных станций (ДСО), предназначенная для переговоров с ДС опорной станции;

пунктов технологических осмотров (ПТО), предназначенная для обслуживания устройств ПОНАБ и ДИСК;

дежурного по охраняемому переезду (ОПС), предназначенная для переговоров дежурного по охраняемому переезду с дежурным ближайшей станции по обеспечению безопасности движения и контроля внешнего состояния поездов;

поездная межстанционная (МЖС), предназначенная для служебных переговоров по движению поездов между дежурными смежных раздельных пунктов (станций);

перегонная (ПГС), предназначенная для переговоров находящихся на перегоне работников с дежурными раздельных пунктов, ограничивающих перегон, с поездным и энергодиспетчером, диспетчером дистанции пути, диспетчером службы информатизации и связи и диспетчером службы сигнализации по вопросам движения поездов и технического содержания устройств;

постанционная связь (ПС), предназначенная для служебных переговоров работников промежуточных станций (разъездов и остановочных пунктов) между собой и с работниками участковых и отделенческих станций;

билетная диспетчерская связь (БДС), предназначенная для передачи сведений в билетные кассы о наличии свободных мест в поездах всех назначений.

В проектах с развитой сетью автоматически коммутируемой общетехнологической связи (ОбТС) рекомендуется исключить из состава ОТС следующие виды связи: постанционную, билетную диспетчерскую, транспортной военизированной охраны и пунктов технологических осмотров.

3.1.1.6 Сеть станционной ОТС предназначена для оперативного диспетчерского управления эксплуатационной работой железнодорожной станции. Станционная проводная ОТС включает в себя связи следующего назначения:

станционная распорядительная телефонная связь (СРТС), содержащая отдельные сети распорядительной связи, используемые для оперативного руководства работой технологических зон станций;

стрелочная телефонная связь, предназначенная для связи дежурного по станции со стрелочными постами в процессе управления поездной и маневровой работой, и т.д.

3.1.1.7 Для обеспечения связи с подвижными объектами в ОТС должна использоваться технологическая радиосвязь, в состав которой входят поездная, станционная и ремонтно-оперативная радиосвязь.

3.1.1.8 Для обеспечения работы сети передачи данных в нижнем звене сети ОТС должны предусматриваться средства абонентского доступа в сеть передачи данных.

3.1.2 Организация диспетчерской связи в цифро-аналоговой и аналоговой сети

3.1.2.1 Цифро-аналоговая сеть оперативно-технологической связи представляет собой сопрягающиеся между собой в пределах диспетчерского круга участки цифровой и аналоговой сети, являющиеся продолжением или ответвлением цифровой.

3.1.2.2 Распорядительная станция, как правило, должна подключаться к цифровому участку сети.

3.1.2.3 В цифро-аналоговой сети установление соединений должно осуществляться принятой для цифровой сети сигнализацией по ОКС с использованием в пунктах сопряжения для трансляции избирательного вызова преобразователей цифрового вызывного кода в тональные сигналы С2/11 и обратное преобразование.

3.1.2.4 Для сопряжения с двухпроводными аналоговыми линиями диспетчерской связи должны применяться специальные управляемые двухпроводные окончания, обеспечивающие усиление и коррекцию амплитудно-частотных искажений линии.

3.1.2.5 В аналоговой сети наряду с существующей аппаратурой ОТС могут использоваться цифровые коммутационные станции, имеющие соответствующие аналоговые четырехпроводные и двухпроводные окончания избирательной связи.

3.1.2.6 Сопряжение систем ОТС разных производителей должно осуществляться в соответствии с отраслевым стандартом ОСТ 32.145.2000 Информационно-логическое взаимодействие объектов в цифровой сети ОТС.

3.1.3 Цифровая сеть отделенческой оперативно-технологической связи железной дороги

3.1.3.1 Цифровая сеть отделенческой оперативно-технологической связи строится на основании рекомендаций отраслевого стандарта ОСТ 32.145-2000 и Руководящих материалов по проектированию цифровых и цифро-аналоговых сетей оперативно-технологической связи РТМ-1-ОТС-Ц-2000.

3.1.3.2 Сеть ОТС строится по кольцевой структуре двух уровней - верхнего и нижнего. Кольца нижнего уровня формируются в пределах участков ОТС, кольца верхнего уровня - в масштабах всей дороги. Кольца нижнего уровня охватывают участки ОТС, содержащие не более 50 станций. Электрическое и информационно-логическое сопряжение колец нижнего и верхнего уровня осуществляется с помощью мостовых станций.

Допускается использование смешанного построения колец нижнего уровня с одновременным применением цифровых и ТЧ каналов.

3.1.3.3 При построении колец нижнего уровня цифровой сети ОТС используются следующие правила:

кольцо нижнего уровня должно формироваться, как правило, с помощью одного ПЦК (одного потока Е1). Использование двух и более потоков Е1 допускается в технически обоснованных случаях;

в потоке Е1 нижнего уровня для организации речевых трактов ОТС рекомендуется занимать канальные интервалы с 1 по 28;

границы колец нижнего уровня следует располагать так, чтобы сократить число ретранслируемых речевых трактов через мостовые станции в кольца верхнего уровня. Для этого кольцом нижнего уровня нужно охватывать по возможности те диспетчерские круги, которые могут полностью разместиться в его границах.

3.1.3.4 При построении колец верхнего уровня используют следующие правила:

кольцо верхнего уровня может формироваться с помощью нескольких ПЦК (т.е. нескольких потоков Е1). Количество канальных интервалов, задействованных в каждом ПЦК под речевые тракты ОТС, находится в пределах от 1 до 30;

мостовые станции, необходимые для сопряжения нижнего и верхнего уровней, устанавливаются в пунктах, где есть выделение цифровых потоков Е1 первичной сети;

поток Е1, в котором выделен общий канал сигнализации (ОКС), должен выделяться во всех распорядительных, мостовых и исполнительных станциях данного направления.

3.1.3.5 Абоненты диспетчерских кругов, организованных в цифровой сети, «подтягиваются» к диспетчерам, размещенным в дорожном (отделенческом) едином центре диспетчерского управления (ЕДЦУ) по каналам Е1 кольца «верхнего» уровня.

3.1.3.6 Кольцевая структура цифровых сетей ОТС предполагает организацию основной и защитной цепей кольца в разных кабелях ВОЛП (так называемые «пространственные» кольца).

3.1.3.7 На данном этапе внедрения ВОЛП на большинстве участков железных дорог проложена одна кабельная линия, в результате чего основная и защитная цепи оказываются в одном кабеле (т.н. «плоские» кольца). В этом случае при повреждении кабеля ВОЛП нарушаются оба направления кольца, что приводит к нарушению диспетчерских связей.

На таких участках кольцевая структура сети может быть обеспечена с помощью каналов Е1, организованных по кабелям с медными жилами с применением технологии xDSL, трансмультиплексоров или с использованием прямых каналов ТЧ, объединяющих крайние станции резервируемого участка.

Должна быть предусмотрена возможность резервирования диспетчерских связей и с помощью специального пульта (пульта диспетчерского резервного - ПДР), соединенного непосредственно с аналоговым каналом диспетчерской связи, к которому должна быть подключена либо цифровая аппаратура ОТС, либо промежуточные пункты избирательной связи.

3.1.3.8 С целью повышения живучести связи распорядительную станцию ОТС в ЕДЦУ (НОД) рекомендуется строить децентрализованно, используя отдельные установки для групп диспетчеров каждого направления. Рекомендуется полное дублирование распорядительных станций.

3.1.3.9 Для обеспечения возможности выхода диспетчерам в несколько направлений отдельные установки аппаратуры распорядительных станций охватываются общим (внутренним) кольцом.

3.1.3.10 Потоки Е1 для организации ОТС выделяются из оборудования систем передачи дорожного уровня, установленного на каждой станции.

3.1.3.11 Полупостоянные соединения между каналами ОЦК, формирование групповых каналов, выделение каналов ТЧ и передачи данных осуществляется в первичных мультиплексорах, входящих в состав аппаратуры оперативно-технологической связи (ВТК-12, МВТК, РСМ и др.).

3.1.3.12 В ряде случаев является целесообразным непосредственное соединение между собой по симметричному кабелю первичных мультиплексоров с применением технологии xDSL.

3.1.3.13 Организация диспетчерской телефонной связи и поездной радиосвязи в каждом «подтягиваемом» круге остается без изменений (избирательный, групповой и циркулярный вызов, коллективная система переговоров, избирательное подключение радиостанции и др.).

3.1.3.14 Рабочее место поездного диспетчера (ДНЦ) оборудуется двумя пультами для ПДС и ПРС. Пульты ДНЦ оборудуются дополнительным громкоговорителем и педалью. Рабочее место других руководителей дополнительным громкоговорителем не оборудуется.

3.1.4 Организация станционной оперативно-технологической связи, стрелочной связи с применением цифровых коммутаторов

3.1.4.1 Перечисленные выше виды станционной оперативно-технологической связи должны быть организованы на базе специального цифрового коммутационного оборудования.

3.1.4.2 В качестве абонентских переговорно-вызывных устройств должны использоваться существующие прямые телефоны ЦБ, аналоговые телефонные аппараты ЦБ с номеронабирателем (импульсным и DTMF), а также цифровые телефоны ЦСИС (переговорно-вызывные пульты), сопрягающиеся с коммутационной станцией двухпроводными кабельными линиями по каналу 2B + D.

3.1.4.3 Для подключения вынесенного от коммутационной станции пульта управления используется экранированный кабель с витой парой 5-ой категории с диаметром 0,4 - 1,2 мм. Экран кабеля должен быть соединен с корпусом (заземлен) со стороны коммутационной станции.

При выборе пары в магистральном кабеле для подключения пульта необходимо учитывать вносимые пультом помехи для работы аппаратуры системы передачи с частотным разделением каналов. Недопустимо совмещать в одном абонентском распределительном кабеле пары, подключаемые к пульту, с парами абонентских аналоговых линий.

3.1.4.4 Аналоговые телефонные аппараты ЦБ с номеронабирателем, выход с которых предусматривается и в диспетчерскую связь, должны быть оборудованы микротелефонной трубкой с тангентой, при нажатии которой в линию должен передаваться сигнал управления, включающий соответствующие тракты коммутационной станции в режим передачи для ведения переговоров в полудуплексном режиме.

3.1.4.5 В зависимости от категории железнодорожной станции и организации сетей технологической связи устанавливаемое коммутационное оборудование должно обеспечивать возможность работы в исполнительном и распорядительном режимах.

3.1.4.6 Учитывая технологию эксплуатационной работы, оперативно-технологическая связь на крупных участковых и сортировочных станциях организуется с использованием нескольких комплектов аппаратуры, объединенных между собой в пределах станции.

Соединение между собой отдельных коммутационных станций осуществляется по каналам Е1. При этом, в соответствии с регламентом работы, должна обеспечиваться доступность к диспетчерским линиям абонентов, подключенных к любому комплекту аппаратуры.

Соединение между собой отдельных комплектов аппаратуры в пределах станции рекомендуется производить с использованием кабельных линий, оборудованных модемами по технологии xDSL.

3.1.4.7 В соответствии с регламентом работы железнодорожной станции каждому абоненту должны устанавливаться категории доступности, определяющие разрешенные и запрещенные соединения в системе диспетчерской, станционной распорядительной, стрелочной и парковой связи.

3.1.4.8 Двусторонняя парковая связь (ДПС) может быть организована с применением цифровой, цифро-аналоговой или аналоговой аппаратуры. Тип аппаратуры определяется проектом и номенклатурой выпускаемого на период строительства оборудования для ДПС.

3.1.5 Организация перегонной и межстанционной связи

3.1.5.1 Цепи перегонной (ПГС) и межстанционной (МЖС) связи должны быть организованны по кабелю с медными жилами. Для МЖС должны быть предусмотрены резервные каналы в цифровой сети.

3.1.5.2 При проектировании перегонной связи на шкафах с аппаратурой СЦБ устанавливаются розетки, к которым абоненты перегонной связи подключаются с помощью носимых телефонных аппаратов или микротелефонных трубок.

В аппаратуре ОТС должен быть предусмотрен для подключения линии ПГС специальный линейный комплект, рассчитанный как для работы с телефонными аппаратами «Перегон КТС», так и с микротелефонной трубкой, оборудованной устройствами формирования сигнала управления (включаемого при нажатии тангенты), а также импульсного и тонального набора (DTMF).

Линейный комплект перегонной связи должен иметь изолированные от корпуса (земли) полюса источника дистанционного электропитания линии ПГС. Физические цепи перегонной и избирательной связи должны быть оборудованы устройствами защиты типа ПМС, ЗИС.

С помощью микротелефонной трубки или специального телефонного аппарата абонент перегона должен иметь возможность переговоров с ДСП, днц, эчц, сдс.

3.1.5.3 При проектировании ВОЛП необходимо рассматривать возможность устройства ответвлений в местах соединения строительных длин ВОК для подключения к цепям ПС и ПГС.

3.1.6 Технологическая радиосвязь в цифровой и цифро-аналоговой сети

3.1.6.1 Организация сетей технологической радиосвязи, включая поездную (ПРС), станционную (СРС) и ремонтно-оперативную (РОРС) радиосвязь, осуществляется на типовой аппаратуре радиосвязи отечественного и зарубежного производства, принятой МПС для использования на сети железных дорог. Выбор аппаратуры должен производиться в соответствии с Перечнем радиосредств, разрешенных для использования в сетях технологической радиосвязи на сети железных дорог России (утвержденным указанием МПС России от 15.12.97 г. № п-1421у), а также в соответствии с последующими дополнениями.

3.1.6.2 На аналоговых участках в цифро-аналоговой сети проектирование технологической радиосвязи должно осуществляться на основе нормативно-технической документации, принятой МПС применительно к ПРС, СРС и РОРС, и в соответствии с Частотным планом технологической радиосвязи железнодорожного транспорта (утвержден Заместителем министра путей сообщения 18.05.89 г.).

3.1.6.3 В цифровой сети и на цифровых участках цифро-аналоговой сети проектирование радиоканала технологической радиосвязи должно производиться в соответствии с п. 3.1.6.2, а проводного канала - в соответствии с требованиями, предъявляемыми к сетям цифровой ОТС (см. п.п. 3.1.1 ... 3.1.5).

3.1.6.4 В цифровой сети и на цифровых участках цифро-аналоговой сети симплексная линейная диспетчерская радиосвязь ПРС реализуется с использованием аналоговых четырехпроводных (двухпроводных) каналов и каналов ОЦК для передачи речевой и сигнальной информации, обеспечивающей работу сети ПРС в штатном режиме. В этом случае распорядительная станция и стационарные радиостанции подключаются к четырехпроводным и двухпроводным аналоговым окончаниям цифровой сети. В перспективе (после модернизации линейных радиостанций) должна быть предусмотрена работа ПРС с использованием ПЦК.

3.1.6.5 В цифровой сети и на цифровых участках цифро-аналоговой сети допускается организация симплексной линейной диспетчерской радиосвязи ПРС с использованием цифровой сети ОТС для передачи речевой информации по каналу ОЦК и сигнальной информации по каналу ОКС.

При этом управление работой сети радиосвязи, включая выбор стационарной радиостанции, обеспечивающей лучшее качество радиосвязи, осуществляется централизованно на распорядительной станции, а в качестве диспетчерского пульта используется цифровой пульт ОТС.

На промежуточных станциях для сопряжения стационарных радиостанций ПРС с цифровой сетью ОТС предусматриваются специальные интерфейсы, обеспечивающие:

двустороннее преобразование цифровой информации, передаваемой по каналу ОКС, в сигнализацию, принятую в аналоговой системе ПРС (сигналы избирательного подключения радиостанций, контроля подключения, блокировки, вызова, управления, отбоя и сигналы контроля состояния стационарных радиостанций);

сложение (микширование) сигналов управления радиостанцией с речевой информацией;

сопряжение интерфейса с четырехпроводным (двухпроводным) входом стационарной радиостанции.

Дистанционный контроль состояния стационарных радиостанций осуществляется на распорядительной станции, информация передается по каналу ОКС.

3.1.6.6 При реализации ПРС в соответствии с п.п. 3.1.6.4, 3.1.6.5 на распорядительной станции для обеспечения вызова диспетчера во время переговоров по радиоканалу должна быть предусмотрена возможность прослушивания вызова диспетчера голосом со стороны дежурного по станции (по дополнительному каналу в режиме громкоговорящих переговоров). Соответственно, должна быть предусмотрена возможность вызова голосом диспетчера со стороны радиоабонента при занятости канала «диспетчер - дежурный по станции».

Допускается, по согласованию с заказчиком, установка отдельного дополнительного пульта диспетчерской радиосвязи. При этом организация дополнительного канала (в режиме громкоговорящих переговоров) для вызова диспетчера не требуется.

Для ДСП устанавливается отдельный пульт, входящий в комплект радиостанции. Связь ДСП с машинистами локомотивов при этом реализуется в штатном для ПРС аналоговом режиме. На участках с протяженными перегонами должны устанавливаться стационарные радиостанции (типа РС-46МР), которые выполняют функции распорядительных станций по отношению к радиостанциям, установленным на участке, обслуживаемом данным ДСП.

Выход на радио-абонента ЭЧЦ и ТНЦ реализуется через пульт ДНЦ.

3.1.6.7 Симплексная диспетчерская ПРС должна обеспечивать работу при петлевой структуре резервирования (при нарушении линейного канала связи обеспечивается работа сети ПРС по петле).

3.1.6.8 Симплексная диспетчерская радиосвязь РОРС должна строиться по аналогичному принципу с ПРС (см. п.п. 3.1.6.4 ... 3.1.6.7). Однако, вследствие большого числа пользователей в РОРС рекомендуется выделение самостоятельных пультов на распорядительной станции для проводной и радиосвязи. В отдельных случаях по согласованию с заказчиком возможно объединение пультов.

3.1.6.9 Симплексная зонная радиосвязь ПРС, РОРС и СРС должна организовываться в аналоговом режиме с использованием самостоятельного типового пульта радиостанции.

Включение в цифровую сеть (цифровой коммутатор) и управление радиостанцией с цифровых пультов станционной ОТС должно осуществляться по мере разработки интерфейсов сопряжения цифровой сети ОТС с аналоговыми радиостанциями. Это позволит повысить эффективность использования радиоканала, расширить доступ и реализовать приоритеты пользователей.

3.1.6.10 В цифровой сети и на цифровых участках цифро-аналоговой сети организация дуплексной линейной поездной радиосвязи ПРС-Д со шлейфным включением стационарных радиостанций в четырехпроводный канал должна осуществляться следующим образом. На распорядительной станции типовой пульт ПРС подключается к каналу ТЧ, на промежуточных пунктах обеспечивается шлейфное включение в канал ТЧ стационарных радиостанций, но с возможностью инвертирования входных и выходных цепей (для обеспечения работы системы в случае нарушения канала при его петлевом резервировании).

Целесообразность использования пульта ОТС для управления сетью ПРС-Д должна быть определена по результатам последующего анализа работы сети, при этом должно быть принято решение о соответствующем перепрограммировании цифровой распорядительной станции.

3.1.6.11 При организации технологической радиосвязи на базе цифровых систем типа GSM-R, ТЕТРА и др. используются специальные выделенные потоки Е1 с построением полностью самостоятельной структуры подвижной радиосвязи.

Целесообразность увязки цифровой подвижной радиосвязи с цифровой сетью ОТС должна определяться на этапе проектирования (в зависимости от технологических особенностей работы проектируемого участка).

3.2 Сеть общетехнологической телефонной связи

3.2.1 Цифровая сеть общетехнологической телефонной связи (ОбТС) предназначена для предоставления работникам различных подразделений железнодорожного транспорта услуг по передаче речевой, документальной и видео информации в пределах всей сети железных дорог Российской Федерации, необходимых для управления железнодорожным транспортом, а также дополнительных услуг, обеспечиваемых современным телекоммуникационным оборудованием.

3.2.2 Построение сети ОбТС

3.2.2.1 Цифровая коммутируемая телефонная сеть ОбТС организуется на магистральном, дорожном и местном уровнях и представляет собой совокупность цифрового коммутационного оборудования, цифровых каналов, устройств абонентского доступа и терминального оборудования.

В цифровую сеть дорожного уровня включаются железнодорожные цифровые автоматические телефонные станции (ЖАТСЦ), устанавливаемые в узлах связи станций, отделений и управления железной дороги, а в сеть магистрального уровня - управлений дорог.

3.2.2.2 Цифровые АТС на сети ОбТС могут выполнять функции:

оконечной станции (ОС);

узловой станции (УС);

узла автоматической коммутации (УАК).

3.2.2.3 Цифровое коммутационное оборудование на магистральной и дорожных сетях ОбТС устанавливается в пунктах, совпадающих с сетевыми узлами и сетевыми станциями первичной сети.

3.2.2.4 Цифровые магистральная, дорожные и местные коммутируемые сети ОбТС строятся по радиально-узловому принципу с применением переменной маршрутизации.

При организации переменной маршрутизации допустимы два варианта.

Первый вариант (статическое управление трафиком). Задаются маршруты прямых (основных) и обходных направлений. Переключение нагрузки с основного направления на обходные происходит в соответствии с заранее определенной последовательностью обходных направлений при занятости всех линий прямого или соответствующего обходного направления. Между двумя коммутационными станциями рекомендуется иметь не менее одного, но не более трех обходных маршрутов. Выбор маршрута в этом варианте происходит с использованием технических возможностей цифровой коммутационной станции.

Второй вариант (динамическое управление трафиком). Маршруты прямых и обходных направлений могут изменяться по командам из центра технического обслуживания (ЦТО) в зависимости от ситуации на сети ОбТС в текущий момент времени (нагрузки между коммутационными станциями, аварии, переключения). Выбор обходных направлений и последовательность переключения нагрузки на обходные направления задаются командами ЦТО. Команды на управление сетью генерируются ЭВМ или управление производит оператор.

При такой организации переменной маршрутизации значительно эффективнее используются ресурсы сети, однако необходимы дополнительные работы по технической реализации управления прямыми и обходными направлениями.

Построение сети ОбТС при использовании ATM коммутаторов должно рассматриваться отдельно.

3.2.2.5 При построении цифровой дорожной сети ОбТС необходимо учитывать топологию железной дороги.

При линейной топологии, малых емкостях ЖАТСЦ на станциях участка (от 10 до 300 абонентов) и малой телефонной нагрузке целесообразно организовывать дорожную сеть ОбТС участка по принципу последовательного включения малых АТС в канал Е1 с возможностью организации обходных соединений. Не рекомендуется при линейной топологии участка строить сеть ОбТС по схеме «звезда», поскольку такое включение не обеспечивает достаточно надежную связь и требует значительно большее количество первичных цифровых каналов Е1 (2048 кбит/с).

3.2.2.6 Количество коммутационных станций в цифровом тракте, как правило, не должно превышать:

семи - при установлении соединения на сети ОбТС одной дороги;

десяти - при установлении соединения между абонентами сетей ОбТС разных дорог.

3.2.2.7 Развитие цифровой сети ОбТС определяется перспективной схемой развития средств связи железной дороги.

3.2.2.8 Количество служебных абонентов, имеющих право пользования междугородной связью по сети ОбТС, зависит от возможности первичной сети, соблюдения принятых норм по качеству обслуживания и определяется администрацией дороги (заказчиком).

3.2.2.9 Количество каналов на участках сети ОбТС определяется на основании ожидаемой телефонной нагрузки и принятых норм по качеству обслуживания.

3.2.2.10 Между цифровыми коммутационными узлами и станциями используются цифровые каналы связи с двусторонними соединениями (двусторонние цифровые каналы).

3.2.2.11 Внедрение цифровых систем коммутации на сети ОбТС должно обеспечивать построение цифровой сети с интеграцией служб (ЦСИС). ЦСИС создается как узкополосная сеть с базовым доступом BRI (2B + D) и/или первичным доступом PRI (30B + D). Развитие ЦСИС должно основываться на рекомендациях МСЭ-Т серии I.

3.2.2.12 Цифровая сеть ОбТС должна обеспечивать:

время установления соединения от абонента до абонента при междугородном соединении не более 3 с на дорожной сети и не более 5 с на магистральной сети;

суммарные потери по вызовам при установлении соединения на дорожной сети от абонента до абонента (без учета занятости вызываемого абонента) при местной связи - не более 2 %, при междугородной связи - не более 5 %.

Норму потерь вызовов необходимо соблюдать независимо от того, как организована связь (с обходами или без них).

3.2.2.13 Ожидаемая телефонная нагрузка на цифровой коммутационной станции и на участках цифровой сети ОбТС должна основываться на статистических данных учета телефонной нагрузки на существующей сети.

При отсутствии статистических данных для определения ожидаемой нагрузки на коммутационную станцию могут быть использованы средние показатели интенсивности нагрузки (исходящей плюс входящей) на одну абонентскую линию в час наибольшей нагрузки (ЧНН):

аналоговая абонентская линия, а также включенные по телефонному алгоритму устройство передачи данных, факсимильный аппарат - 0,2 Эрл;

цифровая абонентская линия базового доступа (2В + D) - 0,5 Эрл;

цифровая абонентская линия первичного доступа (30В + D) - 24 Эрл;

таксофон - 0,65 Эрл.

Максимально допустимая интенсивность нагрузки (исходящей плюс входящей) на один межстанционный канал (соединительную линию) - 0,8 Эрл.

3.2.2.14 При отсутствии данных по нагрузке количество каналов на участках дорожной сети принимается по согласованию с заказчиком (оператором сети), но не менее значений, указанных в таблице 3.1.

3.2.2.15 На цифровой сети ОбТС при междугородной связи допускается использование полуавтоматического или ручного способа соединения. При этом существующие ручные междугородные телефонные станции (РМТС) М-60, МРУ должны быть заменены на электронное автоматизированное оборудование рабочих мест операторов (телефонистов) АРМТ, входящих в состав цифровой коммутационной станции, которая реализует функции МТС.

Допускается применение в качестве РМТС цифровых коммутаторов, включаемых в цифровую станцию по цифровому тракту и поставляемых по отдельному заказу.

3.2.2.16 Заявки на соединения, поступающие от оперативных работников железнодорожного транспорта, а также оконечные или транзитные соединения по неавтоматизированным телефонным каналам, исполняются по заказной и немедленной системам обслуживания.

3.2.2.17 На цифровой сети ОбТС должна обеспечиваться возможность организации:

телефонной связи общеслужебного пользования;

оперативной телефонной связи руководящих работников управления, отделений и других предприятий железнодорожного транспорта;

передачи данных;

связи с подвижными абонентами;

факсимильной связи;

голосовой почты;

аудио- и видеоконференций;

справочно-информационной службы;

циркулярного оповещения групп абонентов.

По мере развития цифровой сети ОбТС перечень видов связи должен расширяться в соответствии с функциями цифровой сети с интеграцией служб (ЦСИС) и возможностями применяемого коммутационного оборудования.

3.2.2.18 При построении цифровой сети ОбТС следует придерживаться основных правил:

цифровизацию сети рекомендуется проводить «сверху - вниз»: дорожный узел - отделенческие узлы - железнодорожные станции;

все связи между цифровыми АТС, УАК должны осуществляться только через цифровые АТС, УАК;

при связи между цифровыми коммутационными станциями должны использоваться линейные тракты цифровых систем передачи, удовлетворяющие рекомендациям МСЭ-Т серии G при согласовании интерфейсов;

в переходный период при создании отдельных цифровых участков (островов) на существующей аналоговой сети временно допускается для организации соединения между двумя цифровыми участками использовать существующие аналоговые каналы и аналоговую коммутационную станцию. Как правило, между цифровой и существующей аналоговой сетью допускается только один цифро-аналоговый переход. Действующие на сети аналоговые АТС рекомендуется использовать только в качестве оконечных станций;

связь между цифровыми и аналоговыми АТС, УАК должна осуществляться по линейным трактам цифровых систем передачи, удовлетворяющим рекомендациям МСЭ-Т серии G, с установкой, как правило, оборудования аналого-цифрового преобразования и согласования систем сигнализации на стороне аналоговых АТС, УАК.

Количество каналов на участках дорожной сети ОбТС приведено в табл. 3.1.

Таблица 3.1 Количество каналов на участках дорожной сети ОбТС

Участки дорожной сети ОбТС

Количество двусторонних каналов на участке сети ОбТС

аналоговых или цифровых каналов В (64 кбит/с)

цифровых каналов Е1 (2048 кбит/с)

Управление - отделение

41

2

Управление - станция внеклассная, 1 класса

23

1

Отделение - станция внеклассная, 1 класса

23

1

Отделение - смежное отделение

15

1

Станция внеклассная, 1 класса - станция внеклассная, 1 класса

15

1

Управление - станция 2, 3 класса

7

1

Отделение - станция 2, 3 класса

7

1

Станция внеклассная, 1 класса - станция 2, 3 класса

7

*

Станция 2, 3 класса - станция 2, 3 класса

3

*

* Примечание. При линейной топологии участка ЖАТСЦ малых емкостей на станциях 2, 3 класса рекомендуется включать последовательно в общий первичный цифровой канал Е1.

3.2.2.19 Для предоставления абонентам сети ОбТС услуг ЦСИС необходимо:

наличие у пользователя терминального оборудования (ТЕ) с функциями ЦСИС;

организация абонентской линии базового доступа (2B + D) или первичного доступа (30В + D);

применение для построения ЖАТС цифровой коммутационной станции с функциями ЦСИС;

присоединение ЖАТСЦ ЦСИС к опорной станции с функциями ЦСИС на сети ТфОП;

наличие сквозного цифрового соединения между оконечными устройствами пользователей;

применение на межстанционной сети общеканальной сигнализации ОКС № 7, QSIG, а также специализированной сигнализации однотипных систем коммутации.

3.2.2.20 Сеть абонентского доступа («последняя миля») может быть организована с использованием:

физических цепей существующих медных кабелей;

цифровых систем передачи различных типов, используемых для передачи информации по медным парам существующих кабелей, и технологий xDSL;

радиосистем для беспроводного подключения абонентов;

оптических систем передачи и волоконно-оптических кабелей связи.

3.2.2.21 Подключение абонентских установок к цифровым ЖАТС (ЖАТСЦ) обеспечивается абонентскими линиями, которые подразделяются на:

аналоговые абонентские линии (АЛА);

цифровые абонентские линии (АЛЦ).

3.2.2.22 Цифровой абонентский доступ организуется между:

цифровой ЖАТС и цифровыми абонентскими установками;

цифровой ЖАТС и групповыми абонентскими установками (малыми цифровыми УПАТС, мультиплексорами и др.);

цифровой групповой абонентской установкой и оконечными цифровыми абонентскими установками.

3.2.2.23 На цифровом абонентском доступе используется линейная скорость передачи сигналов 160 (192) кбит/с (2В + D) и 2048 кбит/с (30В + D). Допускается применение других линейных скоростей передачи, кратных линейной скорости основного цифрового канала В (64 кбит/с), обеспечивающих передачу информационных сигналов.

3.2.2.24 Структура цифровой абонентской линии ЦСИС при базовом доступе (2B + D), организованной по двухпроводной физической цепи в кабеле с металлическими жилами, приведена на рисунке 3.1.

Рисунок 3.1 Структура цифровой абонентской линии (2B + D) ЦСИС

3.2.2.25 Для линейных трактов 2048 кбит/с по кабелям с металлическими жилами цепи приема и передачи должны находиться в отдельных кабелях (двухкабельный вариант построения тракта).

Допускается использование однокабельного варианта построения линейного тракта. При этом следует производить отбор пар кабеля для линейного тракта в соответствии с требованиями ОСТ 45.36-97.

3.2.2.26 Параметры аналоговых и цифровых абонентских линий ЖАТСЦ, имеющих выход на местную сеть общего пользования, должны соответствовать ОСТ 45.62-97. Отбор пар в существующем кабеле для организации цифровых абонентских линий (АЛЦ) должен производиться по результатам измерений электрических характеристик. Результаты измерений должны быть представлены заказчиком как исходные данные перед началом проектирования.

3.2.2.27 При организации цифровой абонентской линии не допускается:

использование пупинизированных кабелей;

использование воздушных металлических линий связи, включая воздушные вставки;

использование абонентских линий, организованных с применением аппаратуры высокочастотного уплотнения АВУ;

совмещение в одном кабеле АЛЦ ЦСИС с аналоговой аппаратурой уплотнения.

3.2.2.28 Подключение абонентских линий к цифровому коммутационному оборудованию выполняется через станционные стыки для терминалов абонентов:

для цифровых абонентских линий в зависимости от вида доступа используются цифровые станционные стыки - V1, V3, V5;

для аналоговой абонентской линии (физической двухпроводной линии или канала системы передачи с двухпроводными окончаниями) используется аналоговый станционный стык СТф-2.

Характеристики станционных стыков для цифровых телефонных станций сети ОбТС с функциями ЦСИС и без функций ЦСИС приведены в таблице 3.2.

3.2.2.29 Включение системных телефонных аппаратов (пультов) в цифровые УПАТС с использованием базового доступа 2B + D выполняется через стык, определенный производителем УПАТС, с применением специализированной сигнализации.

3.2.2.30 Схемы подключения интерфейсов «пользователь - сеть» ЦСИС к цифровой коммутационной станции ЦСИС через станционные стыки V1, V3, V5.1, V5.2, СТф-2 приведены на рисунках 3.2, 3.3.

Таблица 3.2. Эталонные точки стыка

Вид доступа

Стык

Рекомендации МСЭ-Т

Объект для соединения

Цифровая секция базового доступа

V1

G.960

Базовый доступ к ЦСИС (2B + D)

Цифровая секция абонентского доступа на первичной скорости

V3

G.703 G.704 G.706 G.962

Только доступ ЦСИС на первичной скорости (30В + D)

Конфигурация линий доступа (статическое мультиплексирование или концентрация)

V5

G.703 G.704 G.706 G.964 G.965

Аналоговые абонентские линии, базовые доступы ЦСИС и общие доступы с мультиплексированием и (или) возможностью концентрации несущих каналов

Общий аналоговый абонентский доступ

СТф-2 (Z)

нет

Аналоговые абонентские линии

Цифровая секция абонентского доступа на первичной скорости с сигнализацией общего абонентского доступа: АТСЦ - канал E1 - MUX - аналоговые абонентские линии

V3

G.703 G.704

Аналоговые абонентские линии, включаемые в мультиплексор (MUX)

Примечание. Обозначения стыков (интерфейсов) в таблице 3.2 приняты в соответствии с ОСТ 45.68-96.

3.2.2.31 В соответствии с ОСТ 45.62-97 должны обеспечиваться следующие параметры:

рабочее затухание цепей аналоговых абонентских кабельных линий на участке между оконечным оборудованием абонентов и станционным оборудованием УПАТС не должно превышать для жил диаметром:

0,32 мм -                                                                                    3,5 дБ

0,40 мм -                                                                                    4,5 дБ

0,50 мм -                                                                                    5,0 дБ

0,64 мм -                                                                                    5,0 дБ

рабочее затухание цепей цифровых (со скоростью до 192 кбит/с) абонентских линий не должно превышать для жил диаметром:

0,40 мм - на частоте 40 кГц                                                    8,56 дБ

0,50 мм - на частоте 40 кГц                                                    6,16 дБ

0,64 мм - на частоте 40 кГц                                                    3,47 дБ

0,90 мм - на частоте 120 кГц                                                  3,28 дБ

1,20 мм - на частоте 120 кГц                                                  3,00 дБ

Новая прокладка кабелей с диаметром жил 0,32 мм не рекомендуется.

3.2.2.32 Действующие на сети ОбТС АТС и УАК аналоговых систем по мере выработки ресурса должны заменяться на цифровые системы коммутации. При замене действующего оборудования, а также при новом строительстве, используются цифровые учрежденческо-производственные АТС (УПАТС) с возможностью реализации услуг ЦСИС. Допускается применение АТСЦ городского типа в управлениях дорог для организации связи с сетями других операторов, без выполнения функции УАК на дорожной сети.

3.2.2.33 Устанавливать цифровое коммутационное оборудование целесообразно в первую очередь в узлах связи тех участков сети, которые оснащены цифровыми системами передачи, в непосредственной близости от комплекса оборудования сетевых узлов и сетевых станций первичной сети электросвязи.

3.2.2.34 Развитие сети ОбТС дороги рекомендуется производить на однотипных цифровых системах коммутации. Количество разных типов систем коммутации на сети ОбТС одной дороги не должно быть более трех.

3.2.2.35 В цифровой сети ОбТС, обеспечивающей передачу и коммутацию сигналов в цифровом виде, необходимо организовывать сеть тактовой сетевой синхронизации (ТСС).

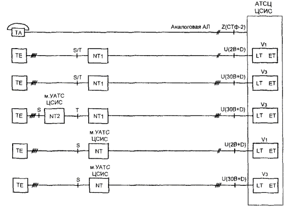
ТЕ - терминальное оборудование;

NT1 - сетевое окончание первого уровня;

NT2 - сетевое окончание второго уровня;

NT - сетевое окончание, реализующее функции NT1 и NT2;

LT - линейное окончание;

ЕТ - станционное окончание

Рисунок 3.2 Эталонная конфигурация интерфейсов «пользователь - сеть» ЦСИС

ТЕ - терминальное оборудование;

NT1 - сетевое окончание первого уровня;

NT2 - сетевое окончание второго уровня;

NT - сетевое окончание, реализующее функции NT1 и NT2;

LT - линейное окончание;

ЕТ - станционное окончание;

М - функции статического мультиплексирования, поддерживаемые V5.1;

К - функции мультиплексирования или Концентрации каналов пользователей, Поддерживаемые V5.2

Рисунок 3.3 Эталонная конфигурация интерфейса V5

3.2.2.36 При внедрении на сети ОбТС цифрового коммутационного оборудования должен решаться вопрос создания центров технического обслуживания (ЦТО) с учетом применяемых систем коммутационных станций.

3.2.2.37 На цифровой сети ОбТС дорожного и местного уровней рекомендуется использовать сигнализацию QSIG, а также специализированные сигнализации на участках, оборудованных аппаратурой одного производителя; возможно использование EDSS1 и общеканальной сигнализации № 7 (ОКС № 7), по спецификации, утвержденной для сети России.

3.2.2.38 Для взаимодействия с цифровой сетью общего пользования (ОП) при подключении ЖАТСЦ на правах УПАТС используется сигнализация EDSS1, а при включении ЖАТСЦ на правах районной коммутационной станции - ОКС № 7.

3.2.2.39 Между вновь устанавливаемыми цифровыми станциями и уже находящимися в эксплуатации должно быть обеспечено согласование систем сигнализации.

3.2.2.40 В переходный период от аналоговой к полностью цифровой сети при организации межстанционных соединений между цифровыми и аналоговыми АТС (УАК) могут использоваться действующие системы сигнализации:

специализированная для железнодорожной сети связи одночастотная сигнализация, частота 2600 (2100) Гц, декадный код - по аналоговым четырехпроводным каналам ТЧ;

батарейный способ сигнализации, декадный код - по аналоговым трехпроводным соединительным линиям;

многочастотный способ сигнализации «2 из 6» (R1,5) - по трехпроводным соединительным линиям или по СЛ, организованным с помощью систем передачи;

сигнализация по двум выделенным сигнальным каналам (2ВСК) с передачей сигналов управления многочастотным или декадным способом - по соединительным линиям, организованным с использованием систем передачи с ИКМ.

3.2.2.41 Для взаимодействия систем сигнализации в смешанной аналого-цифровой сети ОбТС целесообразно использовать конвертеры сигнализации.

3.2.2.42 Развитие сети ОбТС и ее взаимодействие с телефонной сетью общего пользования (ТфОП) должно осуществляться на основании лицензии на предоставление услуг электросвязи по ведомственной сети МПС РФ и действующих документов по организационно-техническому взаимодействию операторов телефонных сетей связи ОП на территории Российской Федерации.

3.2.2.43 При определении монтируемой емкости ЖАТС, сооружаемой взамен действующей станции, учитывается задействованное количество номеров существующей телефонной станции, заявки на установку телефонов у новых абонентов, а также предусматривается распараллеливание телефонных аппаратов, где это необходимо по условиям работы.

3.2.2.44 На вновь вводимых цифровых ЖАТС не допускается спаренное включение телефонных аппаратов.

3.2.2.45 Монтируемая емкость вновь сооружаемой ЖАТС определяется из расчета установки телефонного аппарата:

каждому руководящему работнику согласно перечню, утвержденному администрацией дороги;

на двух-трех работников вспомогательного производственного персонала, находящихся в одном помещении;

в квартирах должностных лиц железнодорожного транспорта, которым по действующему положению предоставлено право пользования служебным телефоном;

в помещениях клиентов, наиболее значимых для работы данной железной дороги.

3.2.2.46 Количество служебных абонентов, которым будут предоставляться услуги ЦСИС, должно быть ограничено и определяется администрацией дороги. При отсутствии данных рекомендуется предусматривать 10 % линий базового доступа (2B + D) от общей емкости служебных абонентов. Количество АЛЦ с первичным доступом (30B + D) принимается на основании требований оператора сети.

3.2.2.47 Монтируемая емкость ЖАТСЦ кроме емкости подключаемой абонентской сети должна учитывать и количество организуемых первичных цифровых каналов 2048 кбит/с для межстанционных соединений в пределах железнодорожного узла, с опорной станцией сети ТфОП, а также для междугородной связи по сети ОбТС.

3.2.2.48 При определении монтируемой емкости цифровой коммутационной станции необходимо предусматривать возможность подключения технических средств системы оперативно-розыскных мероприятий (СОРМ) по первичным цифровым каналам. Исходные данные по количеству подключаемых каналов 2048 кбит/с предоставляются заказчиком (оператором сети) на основании «Плана мероприятий по внедрению технических средств СОРМ на сети электросвязи оператора», согласованного с территориальными органами ФСБ России.

При отсутствии исходных данных по согласованию с заказчиком предусматривать для СОРМ подключение к коммутационным станциям: одного первичного цифрового канала - при абонентской емкости до 1000 номеров (при технической возможности коммутационной системы); двух первичных цифровых каналов - при абонентской емкости 1000 номеров и более.

3.2.2.49 При определении монтируемой емкости ЖАТС, сооружаемой вновь или взамен действующей, может учитываться удовлетворение потребности населения в услугах телефонной связи.

3.2.2.50 Необходимо предусматривать возможность включения в ЖАТС таксофонов. Количество таксофонов местной связи определяется администрацией дороги в зависимости от телефонной плотности и плотности населения, но в объеме не менее 0,5 % от номерной емкости части местной железнодорожной сети связи, используемой для предоставления услуг связи и имеющей выход на телефонную сеть общего пользования, и согласовывается с органами местного самоуправления.

3.2.2.51 Монтируемая емкость ЖАТС должна включать в себя резерв 10 % на развитие в ближайший период. Монтируемая емкость ЖАТС должна быть задействована не позднее, чем на пятый год эксплуатации.

3.2.2.52 Конечная емкость ЖАТС определяется в зависимости от местных условий с учетом перспективы развития на 15 - 20 лет. При отсутствии данных о перспективном развитии конечную емкость ЖАТС принимают равной 150 % от монтируемой.

3.2.2.53 Площади помещений, предназначенных для размещения ЖАТС, должны обеспечить ее развитие до конечной емкости.

3.2.2.54 При необходимости увеличения емкости действующей ЖАТС аналоговой системы оборудование такой станции подлежит замене на цифровую АТС.

3.2.2.55 Необходимость выхода на сеть ОП в зависимости от емкости и расположения ЖАТС устанавливается заданием на проектирование на основании технических условий соответствующих органов Министерства по связи и информатизации, получаемых заказчиками до начала проектирования.

3.2.2.56 Подключение ЖАТС к сети ОП выполняется в соответствии с «Правилами присоединения ведомственных и выделенных сетей электросвязи к сети электросвязи общего пользования», руководящим документом «Общие принципы включения УПАТС на телефонных сетях общего пользования» и «Нормами технологического проектирования. Городские и сельские телефонные сети РД 45.120-2000 (НТП112-2000)».

Необходимость подключения ЖАТС малой емкости (до 128 номеров) к сети ТфОП определяется экономической целесообразностью и техническими возможностями.

3.2.2.57 ЖАТС, абоненты которой имеют возможность выхода на сеть ТфОП, должна отвечать техническим требованиям (в части стыка с местной телефонной сетью), утвержденным Министерством по связи и информатизации РФ. Оборудование ЖАТС, присоединяемой к сети ТфОП, должно иметь сертификат соответствия, выдаваемый Министерством по связи и информатизации РФ.

3.2.2.58 Проект на подключение ЖАТС к сети ОП согласовывается с оператором местной и междугородной связи. В рамках проекта решается вопрос организации соединительных линий между ЖАТС и АТС сети ТфОП, выбор системы сигнализации в точке стыка ЖАТС с ТфОП.

3.2.2.59 При использовании сигнализации ОКС № 7 между ЖАТСЦ и цифровой опорной АТС сети ОП организуются двусторонние (исходящие и входящие) универсальные (местные, междугородные) соединительные линии.

3.2.2.60 Организация соединительных линий между ЖАТС и АТС ТфОП осуществляется за счет средств оператора сети МПС, который оплачивает также и расходы на дооборудование сети ТфОП, вызванное необходимостью подключения данной ЖАТС.

3.2.2.61 Соединение ЖАТСЦ с цифровыми АТС (АТСЦ) сети ТфОП должно осуществляться по цифровым линиям, обеспечивающим скорость передачи сигнала 2048 кбит/с (30B + D), с использованием цифровых станционных стыков в направлении других станций - А или V5 в соответствии с ОСТ 45.68-96.

3.2.2.62 В соответствии с Руководящим документом Общие принципы включения УПАТС на телефонных сетях общего пользования железнодорожные АТС к АТС ТфОП могут подключаться:

на уровне абонентских комплектов АТС ТфОП - если число абонентов ЖАТС, имеющих право выхода на городскую (ГТС) или сельскую (СТС) телефонную сеть, не превышает 128 номеров, а нагрузка на одну абонентскую линию - не более 0,15 Эрл.;

на правах выносных модулей опорной АТС ТфОП - при условии, что число абонентов ЖАТС, имеющих право выхода на районированную ГТС или СТС, не превышает 6000 номеров. Для нерайонированных ГТС или СТС эта величина может уменьшаться. Под выносным модулем понимается оборудование УПАТС, которое не является принадлежностью опорной АТС ТфОП;

на правах районной коммутационной станции - в том случае, когда число абонентов ЖАТС, имеющих право выхода на ГТС или СТС, превышает 6000 номеров (указанная величина по согласованию с оператором сети ОП может корректироваться). При установке на местной сети железнодорожного узла нескольких ЖАТС, включаемых в сеть ТфОП на правах районной АТС, рекомендуется использовать единый тип коммутационного оборудования.

3.2.2.63 Междугородная и международная связь по сети ТфОП для абонентов ЖАТС при ее подключении к ТфОП на правах УПАТС организуется через районную опорную АТС. При подключении ЖАТС к ТфОП на правах районной АТС способ ее связи с АМТС должен соответствовать принятому на данной местной сети ОП принципу организации междугородной и международной связи.

3.2.2.64 Способ присоединения к сети ТфОП цифровой ЖАТС с функциями ЦСИС, тип и количество интерфейсов на опорной станции сети ТфОП, тип сигнализации определяется проектом на подключение ЖАТСЦ ЦСИС к сети ОП, выполняемом на основании технических условий оператора сети ОП.

Варианты организации доступа при подключении ЖАТСЦ ЦСИС к АТСЦ ЦСИС сети ТфОП приведены в таблице 3.3.

Таблица 3.3 Подключение ЖАТСЦ ЦСИС к сети ТфОП

Емкость ЖАТСЦ ЦСИС, присоединяемой к сети ТфОП, номеров

Тип интерфейса на опорной станции сети ТфОП

Количество интерфейсов (СЛ или каналов)

Нагрузка (исх. + вх.), Эрл.

Рекомендуемая система сигнализации

Примечание

до 128

V1 (BRI)

до 12 (до 24)(1)

до 6

EDSS1

Включение ЖАТСЦ ЦСИС в абонентские комплекты опорной АТС сети ТфОП

V3 (PRI)(2)

1 (до 30)(3)

до 21

128 - 1000

V3 (PRI)

До 3 (до 90)(3)

до 63

EDSS1

Включение ЖАТСЦ ЦСИС в опорную АТС сети ТфОП на правах выносного модуля, не являющегося принадлежностью опорной АТС ТфОП

1000 - 6000

V3 (PRI)

 

 

EDSS1

V5.1 (PRI)

V5.2 (до 16РRI)

 

 

Протоколы V5.1, V5.2

A3 (PRI)

 

 

ОКС № 7

более 6000

A3 (PRI)

 

 

ОКС № 7

Включение ЖАТСЦ ЦСИС в сеть ТфОП на правах районной станции

(1) - возможно формирование группы серийного искания;

(2) - при необходимости организации более 12 BRI;

(3) - могут быть задействованы не все каналы.

Примечание. Обозначения интерфейсов (стыков) в таблице 3.3 приняты в соответствии с ОСТ 45.68-96.

Количество интерфейсов и нагрузка определяются в каждом конкретном случае на основании данных статистического учета телефонной нагрузки. При отсутствии статистического учета количество интерфейсов при подключении на уровне абонентской установки принимается по таблице 3.3.

При использовании на железнодорожной сети сигнализации ОКС № 7 при присоединении ее к сети ТфОП применяется сигнализация ОКС № 7.

3.2.2.65 Количество абонентов ЖАТС, имеющих право выхода на сеть общего пользования, в том числе с предоставлением функций ЦСИС, определяется администрацией дороги и согласовывается с соответствующими организациями оператора сети ОП.

3.2.2.66 Каждому абоненту ЖАТС, имеющему право выхода на сеть ОП, кроме номера, определенного планом нумерации ЖАТС, присваивается также и номер на местной телефонной сети ОП с количеством знаков, принятых на последней.

3.2.2.67 Количество соединительных линий между ЖАТС и опорной АТС сети ОП принимается по техническим условиям оператора сети ОП на присоединение ЖАТС к общегосударственной сети в зависимости от количества абонентов, которым предоставляется право выхода на эту сеть.

3.2.2.68 Количество соединительных линий между ЖАТС и опорной АТС сети ОП, между двумя ЖАТС одной местной сети определяется по таблицам полнодоступного включения, исходя из телефонной нагрузки, создаваемой действующими ЖАТС, и нормируемых потерь по вызовам.

При отсутствии статистических данных допускается:

количество линий к опорной АТС сети ОП для ЖАТС емкостью меньше 100 номеров определять по формуле:

NAЛ = 4 + (N - 16) : 8,

где N - количество абонентов с правом выхода на сеть общего пользования;

для ЖАТС емкостью свыше 100 номеров количество соединительных линий принимать по таблице 3.4 по меньшей емкости телефонных станций, между которыми организуются СЛ.

3.2.2.69 Железнодорожная АТС, подключаемая к ТфОП, должна обеспечивать поддержку функций учета стоимости местных, междугородных и международных разговоров, включая сопряжение с центром расчета местной сети за соединения в пределах городской (ГТС) или сельской (СТС) телефонной сети.

3.2.2.70 При разработке проектов ЖАТС должны учитываться перспективы развития сети ОбТС железнодорожного транспорта.

3.2.3 Требования к коммутационному оборудованию

3.2.3.1 В качестве основного вида коммутационного оборудования на цифровой сети ОбТС следует использовать оборудование цифровых учрежденческо-производственных АТС (УПАТС), соответствующее требованиям, изложенным в Руководящем документе по применению сложного оборудования связи на сетях электросвязи, входящих в состав взаимоувязанной сети связи Российской Федерации на период 1998 - 2005 г.г.

3.2.3.2 Цифровое коммутационное оборудование, устанавливаемое на сети ОбТС, должно иметь сертификат соответствия Министерства Российской Федерации по связи и информатизации.

3.2.3.3 Цифровое коммутационное оборудование должно иметь возможность реализации требований системы оперативно-розыскных мероприятий (СОРМ).

Таблица 3.4 Количество соединительных линий для ЖАТС

Количество абонентов ЖАТС с правом выхода на сеть ТфОП

При связи с АТС сети ТфОП

При связи с ЖАТС одной местной сети

исходящие CJI

входящие СЛ

емкость ЖАТС, номеров

исходящие СЛ

входящие СЛ

при наличии автоматической междугородной связи

местной связи

междугородной связи

100

7

7

3

100

5

5

200

11

10

4

200

8

9

300

15

14

5

300

10

11

400

17

16

6

400

12

13

500

21

19

7

500

14

15

600

24

22

7

600

16

17

700

27

25

8

700

18

20

800

30

28

8

800

20

22

900

33

30

9

900

22

24

1000

34

30

9

1000

24

26

1500

50

44

12

1500

34

36

2000

60

54

15

2000

40

44

Примечание: при использовании интерфейса PRI количество двусторонних линий (каналов В) определяется суммированием количества исходящих и входящих СЛ, указанных в таблице 3.4

3.2.3.4 Коммутационное оборудование, используемое для построения ЖАТС, должно иметь возможность автоматического определения номера (АОН) вызывающего абонента.

3.2.3.5 При выборе конкретного типа цифровой системы коммутации необходимо руководствоваться «Основными техническими требованиями к цифровым автоматическим телефонным станциям для цифровой сети общетехнологической телефонной связи (ОбТС) железнодорожного транспорта РФ», ВНИИАС МПС, 2000 г.

3.2.4 Нумерация на цифровой сети ОбТС

3.2.4.1 На цифровых сетях ОбТС магистрального, дорожного и местного уровней, оснащаемых цифровым коммутационным оборудованием, должна использоваться единая система нумерации в соответствии с документом «Единая система нумерации на цифровой сети общетехнологической телефонной связи (ОбТС) железнодорожного транспорта РФ» (ЕСНЦ), ВНИИАС МПС, 2000 г.

3.2.4.2 Дорожным сетям по согласованию с ЦИС МПС и ЦСС МПС присваиваются трехзначные междугородные коды вида 9ХХ.

3.2.4.3 В пределах одной дорожной сети организуются зоны нумерации с общим числом абонентов в зоне не более 60000 (с учетом 50 % развития емкости сети). Каждая зона включает в себя местные сети группы железнодорожных станций. Границы зон должны совпадать с границами существующих отделенческих сетей ОбТС.

3.2.4.4 Каждой зоне внутри дорожной сети присваивается двузначный междугородный код вида АВ, где А - любая цифра, кроме «9».

3.2.4.5 Внутри каждой зоны применяется закрытая 5-значная абонентская нумерация. Абонентам присваиваются номера вида аХХХХ, где а - любая цифра, кроме 1, 8, 9, 0.

3.2.4.6 За специальными соединительными линиями (заказ междугородных соединений, справочная служба и т.п.) закрепляются трехзначные номера - 1XX.

3.2.4.7 Трехзначные номера с первой цифрой «8» (8ХХ) резервируются в качестве кодов выхода на коммерческие сети и для доступа к перспективным сервисным службам.

3.2.4.8 Индекс «9» используется для выхода абонентов ЖАТС на сеть ТфОП без прослушивания сигнала «Ответ станции» опорной АТС МС перед набором номера телефона вызываемого абонента. Допускается производить последующий набор номера с прослушиванием сигнала «Ответ станции» (с учетом типов ЖАТС и опорной АТС МС).

3.2.4.9 Выход абонентов ЖАТС на автоматически коммутируемую междугородную сеть ОбТС предусматривается набором индекса «0».

3.2.4.10 На цифровой сети ОбТС при установлении соединений внутри зоны ЕСНЦ, между зонами ЕСНЦ внутри дорожной сети и между зонами ЕСНЦ разных дорог предусматривается прослушивание сигнала «Ответ станции» только перед набором первого знака номера абонента или индекса, определяющего вид соединения.

3.2.5 Нумерация на сети ОбТС в переходный период

3.2.5.1 В переходный период от аналоговой к цифровой сети ОбТС должны сосуществовать участки со старой (ЕСН) и новой (ЕСНЦ) системами нумерации.

3.2.5.2 Внедрять ЕСНЦ на участке сети, оборудуемом цифровыми системами передачи и коммутации, рекомендуется только в том случае, если есть возможность создания зоны с закрытой пятизначной системой нумерации.

3.2.5.3 Для создания зон с ЕСНЦ на дорожной сети дорожный УАК (УС) должен быть оборудован цифровой коммутационной аппаратурой.

3.2.5.4 На сети ОбТС отделения дороги зона ЕСНЦ может быть образована при условии, что все УАК и УС, входящие в создаваемую зону, оборудованы цифровой коммутационной аппаратурой, способной при необходимости преобразовать пятизначный номер закрытой нумерации зоны в существующий номер абонента сети ОбТС.

3.2.5.5 Существующие на сети ОбТС аналоговые АТС включаются в зону ЕСНЦ только в качестве оконечных станций (ОС).

3.2.5.6 При создании зон ЕСНЦ на дорожной сети, дорожный УАК (УС) которой оборудован цифровой коммутационной аппаратурой, двузначные междугородные коды вида «АВ» могут вводиться как при организации первой зоны ЕСНЦ, так и позднее.

3.2.5.7 Двузначные междугородные коды ЕСНЦ вводятся на сети ОбТС с соблюдением следующих правил:

двузначный междугородный код присваивается только зоне ЕСНЦ; за пунктами, не входящими в зону, сохраняются существующие междугородные коды;

в переходный период, когда дорожный УАК (УС) еще не оборудован цифровой коммутационной аппаратурой, для доступа к зоне должен использоваться существующий междугородный код наиболее крупного УАК (УС) в ее пределах, как правило, это будет код УАК (УС) отделения дороги.

3.2.5.8 В переходный период, вплоть до введения ЕСНЦ на всех дорожных сетях ОбТС железнодорожного транспорта РФ, при разработке рабочей версии программного обеспечения цифровых коммутационных узлов необходимо учитывать, что они должны обеспечивать сквозную трансляцию цифр номера. При этом выдержки времени, необходимые для установления соединений на электромеханических УАК (УС), должны обеспечиваться передачей вызывающему абоненту акустических известительных сигналов, либо введением запрограммированных межсерийных интервалов увеличенной длительности.

3.2.6 Нормы допустимых затуханий

3.2.6.1 Максимально допустимая величина остаточного затухания в разговорном тракте от абонента до абонента при любом виде соединений (местном или междугородном), измеренная на частоте 1000 Гц, не должна превышать 28 дБ.

3.2.6.2 Допустимые значения затухания:

на физической двухпроводной абонентской линии, включаемой в цифровую ЖАТС (ЖАТСЦ) - 6 дБ;

на цифровом абонентском доступе - 7 дБ;

на физической двухпроводной абонентской линии, включенной в существующую аналоговую ЖАТС - 4,5 ... 5 дБ;

на цифровой соединительной линии (канале) - 7 дБ;

на физической соединительной линии - 4,5 дБ.

3.2.6.3 При включении ЖАТСЦ емкостью до 128 номеров в абонентские комплекты существующих аналоговых АТС ТфОП при установке у абонентов ЖАТСЦ телефонных аппаратов с повышенной чувствительностью и на прием, и на передачу на участке от телефонного аппарата абонента ЖАТСЦ до АТС ТфОП допускается затухание не более 6 дБ.

3.2.6.4 Распределение норм затухания на частоте 1000 Гц на участках сети приведено на рисунках 3.4 ... 3.7:

на местной сети ОбТС - рис. 3.4;

при включении ЖАТСЦ в сеть ТфОП по соединительным линиям (каналам) - рис. 3.5;

при включении ЖАТСЦ ЦСИС цифровых интерфейсов ЦСИС - рис. 3.6;

на междугородной сети ОбТС - рис. 3.7.

Показанные на рисунках 3.4 ... 3.7 аналоговые АТС, а также аналоговые абонентские линии с затуханием 4,5 ... 5 дБ являются элементами существующей аналоговой сети, где 4,5 дБ - затухание АЛ на частоте 1000 Гц для диаметра жил 0,4 мм, 5 дБ - затухание АЛ на частоте 1000 Гц для диаметра жил 0,5 мм, 0,64 мм, 0,7 мм.

Значение У уточнять по ТУ на оборудование.

ААЦСП - аппаратура абонентской цифровой системы передачи

* Использование существующих физических соединительных линий допускается только как временный вариант при отсутствии возможности организации цифрового тракта между ЖАТСЦ и электромеханической ЖАТС

Рис. 3.4 Распределение норм затухания на местной сети ОбТС

* Использование существующих физических соединительных линий допускается только как временный вариант при отсутствии возможности организации цифрового тракта между ЖАТСЦ и электромеханической опорной АТС сети ТфОП

Х + У = 6 дБ, У - от 0 дБ до 6 дБ

Значение У уточнять по ТУ на оборудование.

ААЦСП - аппаратура абонентской цифровой системы передачи

Х + У = 6 дБ, У - от 0 дБ до 6 дБ

Значение У уточнять по ТУ на оборудование.

Рис. 3.5 Распределение норм затухания при включении ЖАТСЦ в местную сеть ТфОП по соединительным линиям (каналам)

 - виртуальный четырехпроводный тракт;

ТЕ - терминальное оборудование, реализующее услуги телефонной сети, имеет дифсистему;

NT1 - сетевое окончание первого уровня;

U - интерфейс для подключения цифрового абонентского доступа к линейному окончанию LT станции

Рис. 3.6 Распределение норм затухания при включении в ЖАТСЦ ЦСИС цифровых интерфейсов ЦСИС

 - переход с двухпроводной линии на четырехроводный тракт системы передачи

Рис. 3.7. Распределение норм затухания на междугородней сети ОбТС

3.3 Сети передачи данных

3.3.1 Информационная система железнодорожного транспорта

3.3.1.1 В соответствии с концепцией информатизации железнодорожного транспорта России создается информационная система железнодорожного транспорта нового поколения (ИСЖТ) - крупномасштабная ведомственная система, состоящая из множества систем, распределенных территориально и по уровням управления. Ее назначение - создание представительной информационной среды как информационной основы для достижения максимальной эффективности работы отрасли в условиях рыночной экономики.

3.3.1.2 Под информационной средой понимают реализованную в системе баз данных (БД) и баз знаний (БЗ) информацию, которая обеспечивает функционирование органов управления, объектов и отдельных пользователей, связанных с железнодорожным транспортом. В результате проектирования информационной среды должно быть создано единое прозрачное информационное пространство, в котором все пользователи могут быть обеспечены необходимой и достоверной информацией в требуемое время в удобной форме.

3.3.1.3 Для создания информационной среды, ее физической поддержки и сопровождения проектируется инфраструктура информационной системы, которая включает:

комплекс технических средств, обеспечивающих физическую поддержку и эксплуатацию информационной среды;

систему коммуникаций;

систему безопасности.

3.3.1.4 В состав комплекса технических средств ИСЖТ входят технические средства, распределенные в сети информационно-вычислительных центров МПС, в локально-вычислительных сетях линейных предприятий, а также ПЭВМ автоматизированных рабочих мест работников основных профессий железнодорожного транспорта.

Сеть информационно-вычислительных центров включает:

Главный вычислительный центр МПС (ГВЦ), объединяющий и поддерживающий БД и БЗ для общесетевой маркетинговой и экономической деятельности и управления перевозочным процессом; в ГВЦ размещается основной сервер ИСЖТ для центрального обрабатывающего комплекса ГВЦ;

дорожные информационно-вычислительные центры (ИВЦ), реализующие комплексы информационных услуг. На уровне ИВЦ создаются и поддерживаются БД и БЗ, обеспечивающие функционирование комплексов информационных технологий по управлению перевозочным процессом на полигоне дороги; в состав комплекса технических средств ИВЦ входят серверы ИСЖТ для обрабатывающих комплексов ИВЦ.

В составе локальных вычислительных сетей предприятий железнодорожного транспорта предусматриваются серверы приложений ИСЖТ.

3.3.1.5 Система коммуникаций ИСЖТ включает:

средства связи на базе оптоволоконных, спутниковых, радиорелейных и традиционных кабельных линий связи;

комплекс технических средств сетей передачи данных (СПД), в том числе и средства доступа пользователей к СПД;

комплекс программных средств СПД, поддерживающих функционирование технических средств СПД.

В соответствии с классификацией служб электросвязи, приведенной в руководящем документе «Основные положения развития Взаимоувязанной сети связи Российской федерации на перспективу до 2005 года» (книга 1, п. 1.5.3), служба передачи данных является службой переноса.

Служба переноса обеспечивает передачу информации между стыками сети с абонентскими оконечными устройствами. Оконечные устройства не входят в службы переноса.

3.3.2 Виды и назначение сетей передачи данных

3.3.2.1 На Российских железных дорогах в пределах каждой дороги создаются два вида сетей:

1) Сеть передачи данных общетехнологического назначения (СПД ОбТН), обеспечивающая функционирование систем АСУЖТ верхних уровней управления железнодорожным транспортом.

СПД ОбТН обеспечивает информационное взаимодействие АРМ работников железнодорожного транспорта между собой, со службами и подразделениями дорог, организацию автоматизированного электронного документооборота в подразделениях и службах железнодорожного транспорта, организацию доступа и передачи информации в базы данных ГВЦ и ИВЦ дорог, организацию доступа к информации, хранящейся на серверах ГВЦ, ИВЦ и др.

СПД ОбТН проектируются как ведомственные сети или сети ограниченного пользования, имеющие выход на сети связи общего пользования ВСС. Особенность сетей ограниченного пользования (ОгП), состоит в том, что к ним или к их отдельным частям могут подключаться абоненты вневедомственной принадлежности;

2) Специализированные дорожные сети передачи данных оперативно-технологического назначения (СПД-ОТН), обеспечивающие функционирование информационных и информационно-управляющих систем оперативно-технологического назначения (ИУС-ОТН) нижнего уровня АСУЖТ.

СПД ОТН - нижний уровень инфраструктуры информатизации железнодорожного транспорта. Эти сети предназначены для автоматизации централизованного сбора, обработки, передачи и предоставления потребителям в реальном масштабе времени первичной оперативной информации о функциональном и техническом состояниях технологических объектов, технических средств и систем автоматики, связи, энергетики, средств идентификации и контроля технического состояния подвижного состава, необходимой для эффективного функционирования автоматизированных систем верхнего уровня управления технологическими процессами работы транспорта.

СПД-ОТН проектируются, как закрытые и должны быть защищены от несанкционированного доступа, как к сетям, так и к информации ИУС-ОТН.

Проектирование и строительство сетей СПД-ОТН должно осуществляться по заданиям дорог совместно с проектированием и строительством отдельных информационных и информационно-управляющих систем ИУС-ОТН.

3.3.3 Сеть передачи данных общетехнологического назначения СПД ОбТН

3.3.3.1 СПД ОбТН МПС России должны иметь иерархическую структуру, соответствующую иерархической структуре управления железнодорожным транспортом, с сетевыми узлами на разных уровнях иерархии:

центральным или главным (ЦУ) - на уровне МПС (ГВЦ);

региональными (РУ) - на уровне Управлений железных дорог (ИВЦ);

транзитно-периферийными (ТПУ) и периферийными (ПУ) - на уровне отделений и крупных станций;

оконечными (ОУ) - на уровне линейных предприятий и малых промежуточных станций.

Местоположение ПУ определяется концентрацией на станции абонентов СПД ОбТН (ЛВС, комплексов АРМ и отдельных АРМ работников основных профессий железнодорожного транспорта) и топологией первичной сети связи, предоставляющей каналы связи для СПД.

3.3.3.2 Топология СПД ОбТН - радиально-узловая:

к каждому ТПУ (ПУ) радиально подключаются ОУ, расположенные на станции размещения соответствующего ТПУ (ПУ), а также на тяготеющих к ним промежуточных станциях отделенческого подчинения;

ПУ радиально подключаются к ТПУ или непосредственно к РУ;

ТПУ радиально подключаются к РУ;

РУ дорог радиально подключаются к ЦУ МПС.

Помимо радиальных связей должны предусматриваться рокадные связи между узлами одного иерархического уровня: междорожные РУ - РУ и внутридорожные ТПУ - ТПУ и ПУ - ПУ.

3.3.3.3 Техническими границами сети (службы) передачи данных являются стыки между оконечным оборудованием данных (ООД) и аппаратурой окончания канала данных (АКД). АКД обеспечивает преобразование и в некоторых случаях кодирование данных между ООД и СПД.

Эксплуатационная граница - точка доступа к сети (службе) передачи данных - это точка, в которой оператор сети или службы предоставляет услуги пользователю, т.е. точка разделения ответственности оператора и пользователя в условиях эксплуатации. Точка доступа может не совпадать с технической границей сети (службы).

3.3.3.4 Требования к техническим средствам, используемым в узлах СПД ОбТН, определяются общими требованиями к системным техническим решениям по ИСЖТ:

надежность и отказоустойчивость;

производительность;

открытость, гибкость, наращиваемость;

поэтапное развитие системы по мере роста потребностей и развития информационных технологий;

резервирование ключевых компонентов системы, обеспечивающее устойчивость к авариям центров и узлов СПД;

современность, перспективность и долгосрочность решений; легкость развития и модификации;

эффективное использование действующего парка сетевого оборудования.

3.3.3.5 Назначение СПД ОбТН как основы инфраструктуры ИСЖТ определяет высокие требования к надежности. Достижение высокой надежности СПД ОбТН должно обеспечиваться:

выбором надежного оборудования, имеющего защиту от сбоев в питании, самодиагностику, схемы контроля основных нормируемых параметров;

применением в центральном и региональных узлах сети дублирования основного оборудования, с организацией работы в режиме «горячего резервирования»; этот режим позволяет не только оперативно без отключения системы заменять отказавшие блоки и модули, но и гибко изменять конфигурацию сети;

топологией сети, предоставляющей резервные пути доставки информации через разные узлы доступа;

организацией полнофункциональной системы управления СПД, способной обеспечить контроль состояния сети, повышение оперативности реакции на сбои и их своевременное прогнозирование.

Но основной способ обеспечения высоких показателей надежности СПД ОбТН - это проектирование высоконадежной первичной сети, каналы которой используются в СПД.

3.3.3.6 Общие требования к комплексу технических средств СПД ОбТН:

возможность поэтапного наращивания по мере развития СПД и первичной сети связи;

обеспечение доступа ЛВС и АРМ предприятий дороги к ресурсам серверов ЛВС ИВЦ (ЦУ и РУ) на базе протокола TCP/IP;

интеграция создаваемой сети TCP/IP с действующей системой на базе обрабатывающих машин (mainframe) ИВЦ.

3.3.3.7 Комплекс технических средств СПД ОбТН должен включать в себя следующие компоненты:

активное оборудование узлов сети;

средства подключения к узлам сети ЛВС предприятий;

модемное оборудование;

системы электропитания активного оборудования узлов сети;

системы централизованного управления, мониторинга, инвентаризации, необходимое коммутационное и монтажное оборудование узлов (кроссы, стойки, шкафы и т.п.);

3.3.3.8 В качестве аппаратуры доступа региональных (дорожных) сегментов СПД к магистральной сети передачи данных МПС и активного оборудования узлов всех уровней в дорожном сегменте СПД по протоколу TCP/IP предусматривается использование семейства продуктов фирмы Cisco Systems.

Семейство продуктов фирмы Cisco Systems, используемых для построения дорожных сегментов СПД ОбТН, включает маршрутизаторы, концентраторы, Ethernet-коммутаторы.

В настоящее время используются следующие серии маршрутизаторов фирмы Cisco Systems:

1) Высокопроизводительные опорные маршрутизаторы серии 7х00, которые поддерживают множество сетевых интерфейсов как локальных, так и глобальных сетей; используются в РУ и ТПУ;

2) Маршрутизаторы/серверы доступа серии 3600, для подключения к каналам территориально-распределенной сети с использованием последовательных синхронных портов до 2048 Кбит/с с интерфейсами G.703, V.35, V.24. Модули ISDN и цифровых модемов используются для доступа к сети по коммутируемым телефонным линиям; используются в ТПУ и большинстве ПУ;

3) Маршрутизаторы серии 2600 с 1 или 2 портами ЛВС Ethernet (Fast Ethernet), двух портовыми модулями G.703 с поддержкой функций шлюза пакетной телефонии, модулями на 2 синхронных последовательных порта до 2 Мбит/с и 8 синхронно-асинхронными портами до 128 Кбит/с (V.35, V.24); используются в некоторых ПУ;

4) Маршрутизаторы серии 1600, 1700 для подключения ЛВС небольшого предприятия; используются в ОУ.

В качестве концентраторов в ТПУ и ПУ используются устройства Cisco 1516М и аналогичные; в качестве Ethernet-коммутаторов - устройства типа Catalyst 2924 XL.

3.3.3.9 На первом этапе, до полной цифровизации первичной сети связи дорожного и отделенческого уровней, обмен информацией между узлами СПД ОбТН будет осуществляться по протоколу Х.25 с использованием оборудования, обеспечивающего надежность при работе по низкоскоростным аналоговым каналам.

В качестве активного оборудования узла используются коммутаторы пакетов HNN, маршрутизаторы, коммутаторы ЛВС, модемы.

3.3.3.10 Согласно Основным положениям развития Взаимоувязанной сети связи Российской федерации на перспективу до 2005 года (утверждены Решением ГКЭС России от 20.12.95 г. № 140) сеть связи делится на транспортную сеть и сеть доступа. Первая включает международные, междугородные и внутризоновые (региональные) сети; вторая - местные сети связи.

К транспортной сети (в применении к СПД-ОбТН) относятся каналы связи, используемые на магистральных участках СПД между ЦУ и РУ и между РУ смежных дорог, а также на дорожных участках СПД между РУ и ТПУ (ПУ) и между соседними ТПУ (ПУ).

Сеть доступа предназначена для подключения к транспортной сети абонентских терминалов и состоит из абонентских линий, оконечных коммутационных станций и каналов, соединяющих местные станции между собой и с транспортной сетью.

К сети доступа (в применении к СПД ОбТН) относятся каналы связи, используемые на участках ТПУ (ПУ) - ОУ станций расположения соответствующих ТПУ (ПУ) и ТПУ (ПУ) - ОУ соседних промежуточных станций.

3.3.3.11 На магистральных и дорожных участках СПД ОбТП должны использоваться:

межстанционные каналы ПЦК (N×2 Мбит/с) магистральной сети СЦИ;

межстанционные цифровые каналы ОЦК (N×64 кбит/с) дорожной сети СЦИ (ПЦИ).

3.3.3.12 В качестве каналов доступа для СПД ОбТН должны использоваться:

межстанционные цифровые каналы ОЦК (64 кбит/с) внутридорожной (отделенческой) цифровой сети СЦИ (ПЦИ) на участках ТПУ (ПУ) - ОУ соседних промежуточных станций;

межстанционные каналы ТЧ на тех направлениях, где нет цифровых каналов, на участках ТПУ (ПУ) - ОУ соседних промежуточных станций;

скорость передачи данных от 2400 бит/с до 33,6 кбит/с;

местные физические линии станционной связи на участках ТПУ (ПУ) - ОУ линейных подразделений станций расположения соответствующих ТПУ или ПУ; скорость передачи данных от 2400 бит/с до нескольких Мбит/с.

3.3.3.13 Для сопряжения с каналами ТЧ должны использоваться аналоговые модемы. При выборе аналоговых модемов для работы в СПД ОбТН следует руководствоваться следующими соображениями:

должны использоваться модемы, поддерживающие самые современные протоколы, поскольку в новейшие протоколы вносятся последние достижения в методах передачи информации, в том числе по помехоустойчивости и защите от ошибок; в настоящее время это утвержденный МСЭ-Т протокол V.34; V34+;

нецелесообразно использовать модемы, обеспечивающие скорость передачи данных ниже 28,8 кбит/с, так как эти модемы в ближайшем будущем будут сняты с производства большинством производителей;

не должны использоваться модемы, реализующие нестандартные, т.е. не утвержденные МСЭ-Т протоколы.

3.3.3.14 При невысоких требованиях к скорости ПД для сопряжения с физическими линиями, организованными по действующим традиционным кабелям с медными жилами, должны предусматриваться модемы для физических линий (МФЛ). Эти устройства не осуществляют модуляцию/демодуляцию сигнала, т.е., строго говоря, не являются модемами; они позволяют передавать дискретные двоичные сигналы по каналу связи без преобразования их в аналоговые сигналы. Особенность этих модемов - ограниченная дальность действия (не более 1 - 4 км при скорости передачи 2 Мбит/с, в зависимости от параметров физических линий), которая объясняется применением в МФЛ простейших линейных кодов и отсутствием сигнальных процессоров, способных восстанавливать сигнал.

3.3.3.15 При более высоких требованиях к скорости и большей необходимой дальности передачи данных должны применяться модемы по технологии xDSL для организации цифровых абонентских линий по выделенным парам существующих кабелей с медными жилами.

3.3.4 Сети передачи данных оперативно-технологического назначения СПД-ОТН

3.3.4.1 К прикладным системам оперативного контроля и диспетчерского управления (ОКДУ) технологическими процессами и системам эксплуатации, управления и технического обслуживания (ЭУТО) основных технических, технологических и гражданских объектов железнодорожного транспорта, функционирование которых обеспечивается СПД-ОТН, относятся следующие автоматизированные системы:

1) АСС-ДИ - автоматизированная информационная система централизованного сбора, обработки, передачи и предоставления пользователям данных идентификации единиц подвижного состава и контейнеров;

2) АСК-ПС - автоматизированная информационная система контроля технического состояния подвижного состава и контейнеров;

3) АСКУ-СЦБ - автоматизированная информационно-управляющая система контроля функционального и технического состояний систем и устройств СЦБ, диспетчерского управления движением поездов, в том числе на основе систем диспетчерской централизации (ДЦ);

4) СКУ-СС - автоматизированная информационно-управляющая система контроля и управления сетями электросвязи телекоммуникационной сети МПС;

5) АСКУ-ЭС - автоматизированная информационно-управляющая система контроля и управления объектами электроснабжения и контактной сети, диспетчерского управления объектами электроснабжения на основе систем ТУ-ТС;

6) АСК-ПУТЬ - автоматизированная информационная система контроля технического состояния пути, сооружений путевого хозяйства гражданских и иных сооружений.

СПД-ОТН открыта для развития и поэтапного подключения к ней новых систем съема первичной информации с технологических объектов - источников ее зарождения.

3.3.4.2 Источниками оперативной и достоверной информации для перечисленных автоматизированных систем контроля и управления являются:

для АСС-ДИ - системы и средства автоматического считывания данных идентификации с локомотивов, вагонов и контейнеров, оснащенных кодовыми бортовыми датчиками (КБД) системы САИД «ПАЛЬМА»;

для АСК-ПС - системы ПОНАБ, ДИСК, РИСК, СКАТ, бортовые системы контроля и диагностики состояния подвижного состава;

для АСКУ-СЦБ - системы и устройства железнодорожной автоматики (сигнализации, централизации и блокировки), в том числе устройства диспетчерской централизации;

для АСКУ-СС - системы и средства контроля и управления сетями связи;

для АСКУ-ЭС - системы и устройства телеуправления и телесигнализации (ТУ-ТС), тяговые подстанции, посты секционирования и др. объекты, вагоны-лаборатории контроля параметров контактной сети и т.п.;

для АСК-ПУТЬ - вагоны - путеизмерители и т.п. средства.

3.3.4.3 Дорожные специализированные сети СПД-ОТН должны создаваться в дополнение к действующим дорожным сетям СПД-ОбТН.

3.3.4.4 Сети СПД-ОТН должны функционировать в жестко регламентированном режиме реального времени на основе типовых (стандартизированных) протоколов и интерфейсов.

Применяемые протоколы передачи данных должны обеспечивать гарантированную доставку данных и сигналов только по установленному адресу с установленными для ИУС-ОТН временными показателями доставки сообщений, показателями вероятности потери информации и трансформации команд и сигналов в сети.

Эти показатели приводятся в разрабатываемых по каждой из автоматизированных ИСУ-ОТН частных технических заданиях, а также в справочных приложениях 2 и 3 к ТЗ на разработку комплекса технических средств СПД-ОТН (разработка ВНИИАС МПС, Москва, 2001 год).

3.3.4.5 Дорожные специализированные сети СПД-ОТН должны быть максимально закрытыми от несанкционированного доступа, изолированными от возможных соединений с другими сетями.

Средства обеспечения информационной безопасности, включая и средства защиты от несанкционированного доступа к информации, должны предусматриваться (при необходимости) на пользовательском уровне в составе каждой ИУС-ОТН, в соответствии с ее особенностями.

3.3.4.6 Сети СПД-ОТН должны иметь следующую структуру:

на всех станциях и перегонах железной дороги организуются местные сети сбора данных (МССД) и доступа оконечного оборудования данных (ООД) объектов контроля и управления (ОКУ) и объектов технической эксплуатации (ОТЭ) в сеть СПД;

МССД объединяются в участковые сети сбора данных и передачи сигналов (УСД-ОТН); количество МССД, объединяемых в УСД-ОТН, определяется допустимым временем доставки информации высшей категории (о техническом и функциональном состоянии устройств СЦБ и состоянии подвижного состава);

на уровне Управления дороги организуется центр сбора, накопления, обработки и хранения первичной информации (ЦСПИ). ЦСПИ должен быть рассчитан на объединение УСД-ОТН с общей эксплуатационной длиной каналов до 6000 км, общим числом МССД - с обеспечением их доступа в сеть СПД-ОТН - до 500, с суммарным числом ОКУ и ОТЭ до 3000;

в ЦСПИ организуется сервер сигналов СПД-ОТН, с которого через ЛВС ЕДЦУ необходимая информация выводится на АРМ диспетчеров и других руководителей.

3.3.4.7 Для передачи данных в СПД-ОТН должны использоваться только некоммутируемые (выделенные) каналы:

прямые межстанционные каналы типа «точка - точка» - на базе как цифровых каналов связи цифровой телекоммуникационной сети МПС, так и каналов связи телефонного типа действующих линий связи и аналоговых систем передачи;

многоточечные каналы на базе групповых каналов транспортных систем передачи типа К-24Т, К-3Т и др.

Каналы доступа оконечного оборудования данных ИУС-ОТН в сеть СПД-ОТН организуются на базе:

физических цепей местных кабельных линий связи;

каналов ТЧ;

цифровых каналов, организованных с использованием аппаратуры xDSL или цифровых модемов;

радиоканалов доступа.

Скорость передачи данных по аналоговым каналам - 1200, 2400, 4800, 9600 бит/с; по цифровым каналам - до 2048 кбит/с (19,2; 48; 56; 64; 2048 Кбит/с).

Оконечное оборудование данных (ООД) и аппаратура окончания канала данных (АКД) (модемы, оконечные адаптеры) входят в состав оконечных установок данных (ОУД) аппаратно-программных комплексов прикладных систем ОУД-СЦБ, ОУД-ДИСК, ОУД-РИСК, ОУД-ОСА САИД, ОУД-СС, ОУД-Э и др., а также в состав аппаратно-программного комплекса СПД-ОТН.

3.3.4.8 Стыки и интерфейсы взаимодействия средств СПД-ОТН с каналами связи, с ООД, с АРМами пользователей - стандартизированные:

стык типа С1-ТЧ для сопряжения с 4-проводными окончаниями типовых телефонных каналов ТЧ и 4-проводными симметричными кабельными линиями местной связи малой протяженности (до 5 км) - ГОСТ 25007-81 и ГОСТ 26557-85;

стык типа С1-ФЛ для сопряжения с 2- и 4-проводными физическими цепями протяженностью до 20 км - ГОСТ 27232-87;

цифровой стык (64 кбит/с) по Рек. МСЭ-Т G.703, I.412, I.430.

цифровой стык (2048 Кбит/с) по Рек. МСЭ-Т G.703, I.431.

Применение не стандартизированных стыков и интерфейсов не допускается.

3.3.4.9 Изделия, входящие в состав КТС СПД-ОТН, должны быть рассчитаны на непрерывный круглосуточный режим работы в течение всего установленного срока службы изделия (не менее 15 лет).

3.3.4.10 Комплексные требования по обеспечению надежности функционирования сети устанавливаются для каждой участковой сети УСД-ОТН по коэффициенту готовности не менее 0,9995 (99,95 %) на уровне требований к системам ДЦ по ОСТ 32.112-98.

Методы определения и контроля показателей надежности должны соответствовать требованиям ГОСТ 27.301-83, ГОСТ 27.401-84, ГОСТ 27.701-86.

3.3.4.11 Для обеспечения установленных высоких показателей готовности и надежности функционирования сетей СПД-ОТН, требований и норм безопасности, показателей времени доставки сообщений должны применяться следующие способы и средства:

1) обязательное резервирование всех участковых каналов передачи данных, а в необходимых случаях также каналов доступа МССД;

2) использование кольцевой (петлевой) структуры резервирования каналов по обходным независимым направлениям, линиям связи и системам передачи;

3) эффективные методы непрерывного контроля работоспособного состояния сети и обеспечения автоматического реконфигурирования сети при ее повреждениях;

4) автоматическая передача сообщений об аварийном состоянии сети, о повреждениях и сбоях в ее работе на АРМы руководителей - пользователей с минимальной задержкой, не превышающей установленные показатели времени доставки сообщений пользователям.

3.3.4.12 В составе системы должны быть реализованы программные и аппаратные средства централизованного оперативного контроля и управления сетью СПД-ОТН и средства взаимодействия с СКУ-СС, исключающие возможность несанкционированного реконфигурирования сети и переключения каналов передачи.

3.3.4.13 Основные положения по проектированию сети СПД-ОТН, ее структуре и используемой терминологии могут быть скорректированы после проведения испытаний на опытных полигонах железных дорог и разработки концептуальных рекомендаций по развитию сетей передачи данных оперативно-технологического назначения на железнодорожном транспорте МПС РФ.

3.3.5 Автоматизация пассажирских перевозок

3.3.5.1 В настоящее время осуществляется новый этап развития системы «Экспресс» - переход от АСУ продажей билетов на сети дорог к системе управления пассажирскими перевозками в целом на базе новой, более мощной системы «Экспресс-3».

3.3.5.2 Система «Экспресс-3» должна включать следующие функциональные подсистемы:

управление билетно-кассовыми операциями и оформлением проездных документов во всех видах сообщений, включая внутригосударственное, пригородное, межгосударственное, международное сообщения;

информационно-справочное обслуживание пассажиров по всем видам сообщений во всех пунктах продажи - система ЭКАСИС;

управление багажной работой, оформление и учет багажа, грузобагажа - система ЭСУБР;

управление парком пассажирских вагонов, всеми технологическими процессами, связанными с эксплуатацией и ремонтом пассажирских вагонов - система АСУ-ПВ;

финансово-экономический и статистический учет и отчетность по пассажирским перевозкам - система ЭФИС;

подготовка, ведение и печать служебных расписаний движения пассажирских поездов дальнего и пригородного сообщений - система РАСПИСАНИЕ;

предоставление пассажирам различных сервисных услуг, как в пассажирском, так и в смешанном сообщении путем осуществления взаимодействия с АСУ других видов транспорта; создание для выполнения этих функций сети сервисных центров обслуживания (СЦО) пассажиров, аналогичных центрам фирменного транспортного обслуживания (ЦФТО) в грузовых перевозках. СЦО должны иметь связь не только с системой «Экспресс-3», но и с банками, гостиницами, таксомоторными парками и т.п.;

оперативное управление пассажирскими перевозками на уровне дорог; создание для выполнения этих функций автоматизированных диспетчерских центров управления (АДЦУ-ПП).

3.3.5.3 Система «Экспресс-3» образует электронную базу данных, аналогичную базе данных по грузовым перевозкам. Эти базы данных взаимодействуют и поставляют аппарату управления МПС и дорог необходимую информацию для управления перевозочным процессом в целом.

3.3.5.4 Ввиду широкого внедрения и развития на сети железных дорог России электронной системы резервирования мест и продажи билетов «Экспресс-2» принято решение при создании инфраструктуры информатизации пассажирских перевозок на первом этапе базироваться на технических и программных средствах этой системы.

СПД существующей сети «Экспресс-2» построена на выделенных каналах связи и специализированной аппаратуре коммутации. В качестве АРМ билетных и багажных кассиров (ООД) используются специально разработанные терминалы модели «Экспресс-2А-К» с блоком управления на базе микропроцессора и монитором. Передача данных на участке между терминальным оборудованием и обрабатывающими ЭВМ вычислительного центра региональной системы «Экспресс-2» осуществляется по выделенным стандартным каналам ТЧ или физическим линиям со скоростью 1200/2400 бит/с.

Сопряжение кассовых терминалов с каналами связи обеспечивается аналоговыми модемами. Стык модема с аналоговым каналом связи С1 (стык, зависящий от среды) в зависимости от физического канала связи соответствует:

С1-ТЧ - ГОСТы 23475-79, 23504-79, 23578-79, 25007-81*, 26557-85;

С1-ФЛ - ГОСТы 24174-80, 26532-85.

Стык модема с ООД - терминалом «Экспресс-2А-К» - С2 (преобразовательный стык, не зависящий от среды) - по ГОСТ 18145-81 соответствует интерфейсу RS-232 (V.24).

3.3.5.5 Переход системы от уровня управления резервированием и продажей билетов к уровню управления пассажирскими перевозками в целом требует внедрения более мощной системы «Экспресс-3», базирующейся на новых вычислительных машинах. Старые ЭВМ АСУ «Экспресс-2», выработавшие свой ресурс, заменяются на ЭВМ IBM-9672 с операционной системой ОС/390.

3.3.5.6 В основу перехода от системы «Экспресс-2» к системе «Экспресс-3» положен принцип эволюционного перехода, который предполагает значительный (несколько лет) переходный период совместного функционирования старых и новых средств, включая обеспечение работы телекоммуникационных подсистем обрабатывающих ЭВМ с сетями передачи данных, использующих различную технологию передачи и разные скорости передачи данных.

3.3.5.7 Создание СПД ОбТН - единой СПД Российских железных дорог - требует от системы «Экспресс» использования современных сетевых технологий, а следовательно, практически полной модернизации программно-аппаратного комплекса телеобработки данных. Новое терминальное оборудование должно подключаться к системе «Экспресс-3» по стеку протоколов TCP/IP. Для действующего терминального оборудования сохраняется существующая система телеобработки с протоколом BSC3. Для подключения этого оборудования по протоколу BSC3 создается программный шлюз на базе операционной системы TKS432 и метода доступа ТСАМ, т.е. телеобработка для существующих терминалов до полной их замены новыми будет функционировать в TKS, а сама система «Экспресс» - в OS/390. Другим вариантом может быть шлюз на базе ПЭВМ, который возьмет на себя взаимодействие с существующими терминалами, а с ЭВМ системы будет взаимодействовать по протоколу TCP/IP.

Взаимодействие региональных систем «Экспресс» между собой на первом этапе будет осуществляться так же, как в настоящее время, по протоколу BSC1, а в дальнейшем - на основе протокола TCP/IP и MQSeries.

Действующее терминальное оборудование из-за морального старения и выработки установленных сроков эксплуатации будет интенсивно заменяться новым. Возможно, перепрограммирование части существующих терминалов для работы по новым протоколам. При этом из СПД «Экспресс-2» будут постепенно, по мере замены старых терминалов новыми, выводиться каналы, трафик которых будет переводиться в СПД ОбТН.

3.4 Автоматизированная система документальной телеграфной связи

3.4.1 Автоматизированная система документальной телеграфной связи (АСДС) предназначена для организации автоматического обмена между абонентами организационно-распорядительной и информационной корреспонденцией в виде телеграфных сообщений.

3.4.2 Автоматизированная система документальной телеграфной связи представляет собой совокупность специализированных аппаратно-программных средств и каналов связи (цифровых и аналоговых), обеспечивающих сбор, хранение, обработку и передачу абонентам входящей и исходящей телеграфной корреспонденции.

3.4.3 АСДС должна обеспечивать работу в:

коммутируемой телеграфной сети прямых соединений (ПС);

коммутируемой телеграфной сети абонентского телеграфирования (AT);

сети Телекс (ТХ);

по некоммутируемым дискретным каналам;

сети передачи данных общетехнологического назначения (СПД ОбТН).

3.4.4 АСДС должна строиться по радиально-узловому принципу, соответствующему действующей структуре управления железнодорожным транспортом, с организацией сетевых узлов трех уровней:

главного (центрального) - на уровне МПС (ЦСС МПС);

региональных - на уровне Управлений железных дорог, ЦУПР, опорных центров;

периферийных - на уровне отделений железных дорог.

Количество и места размещения периферийных узлов АСДС в границах железной дороги определяются исходя из территориальной концентрации оконечных (абонентских) пунктов, объемов передаваемой корреспонденции и топологии сетей связи, обеспечивающих соединение абонентских пунктов с сетевыми узлами.

3.4.5 Для соединения сетевых узлов АСДС всех уровней должны предусматриваться, преимущественно, однозвенные маршруты - прямые соединения «точка - точка».

Для повышения надежности и живучести АСДС наряду с основными маршрутами соединений следует предусматривать не менее одного обходного маршрута.

3.4.6 Электрические характеристики каналов связи, используемых для организации АСДС, должны соответствовать действующим нормам.

3.4.7 Технологическое оборудование, предусматриваемое в проектах узлов АСДС, должно быть сертифицировано в системе сертификации «Электросвязь».

3.4.8 Комплекс технических средств АСДС должен включать в себя следующие компоненты:

активное оборудование узлов, обеспечивающее работу в сети телеграфной связи и СПД ОбТН;

системы электропитания активного оборудования;

необходимое кроссовое и монтажное оборудование;

системы администрирования, управления и мониторинга;

абонентские устройства.

3.4.9 Активное оборудование узлов АСДС должно обеспечивать местные и входящие соединения, исходящие и транзитные соединения с выбором маршрутов соединения, а также передачу циркулярной корреспонденции.

3.4.10 В качестве оконечных (абонентских) устройств АСДС должны применяться автоматизированные рабочие места телеграфиста (АРМ-Т) на базе ПЭВМ или автономные электронные терминальные аппараты типа «Пульс-Е».

3.4.11 Технологическое оборудование АСДС должно обеспечивать возможность передачи сообщений на абонентские установки факсимильной связи, системы электронной почты и АРМ СПД ОбТН.

3.4.12 Технологическое оборудование АСДС должно обеспечивать возможность работ в СПД ОбТН в режиме двухточечного соединения по протоколу TCP/IP с соблюдением действующих телеграфных правил и других нормативных актов.

3.4.13 Состав и комплектация оборудования АСДС должно определяться в зависимости от линейной емкости сетевого узла и его нагрузки в часы наибольшей нагрузки (ЧНН).

IV. Система управления

4.1 Назначение системы

4.1.1 Сеть связи Федерального железнодорожного транспорта (ФЖТ) должна иметь свою систему управления, взаимодействующую с системой управления сети общего пользования и являющуюся частью комплексной взаимоувязанной системы управления сетями связи, входящими в ВСС РФ. Система управления сетью связи ФЖТ должна соответствовать принятой концепции МСЭ-Т (Рекомендации М.3010, М.3020), отвечать требованиям взаимоувязанной системы управления ВСС РФ.

4.1.2 Система управления цифровой сети связи ФЖТ предназначена для:

обеспечения эффективного функционирования всех участков сетей связи;

рационального использования и развития связных ресурсов в целях наилучшего удовлетворения нужд ФЖТ в услугах связи;

поддержания готовности и живучести сети связи ФЖТ в условиях действия различных внешних дестабилизирующих факторов;

удовлетворения требований и запросов пользователей услуг связи.

4.1.3 В соответствии с классификацией функциональных областей управления (Рекомендации МСЭ-Т М.3010, М.3200, М.3400) система управления должна осуществлять управление:

конфигурацией сети;

устранением последствий отказов;

качеством;

расчетами;

защитой информации (секретностью).

4.1.3.1. При управлении конфигурацией должны решаться задачи:

1) формирование и развитие сети, в том числе:

планирование работ;

улучшение и расширение диапазона предоставляемых услуг связи;

анализ функционирования сети;

регистрация показателей качества обслуживания;

разработка рекомендаций по улучшению эксплуатационных характеристик сети и др.;

2) реконфигурация сети, в том числе:

создание, изменение, удаление данных об оборудования сети;

конфигурирование резервирования оборудования и трактов (каналов) связи;

конфигурирование служебных каналов связи;

конфигурирование устройств синхронизации (выбор источников синхронизации, присвоение приоритетов, задание качества синхронизации);

синхронизация показаний системы единого времени для всех элементов сети;

3) создание и ведение банка данных, в том числе:

конфигурационной информации по отдельным элементам сети;

запросов (результатов выполнения запросов) пользователей на изменение конфигурации.

4.1.3.2. При управлении устранением последствий отказов должны решаться задачи:

1) контроль за техническим состоянием сети и ее элементов в реальном масштабе времени, в том числе:

автоматическое обнаружение и автоматическая (автоматизированная) локализация неисправностей в сети связи (аварий, неисправности оборудования и ошибок в каналах), присвоение признака тревоги в сети в соответствии с принятой классификацией;

своевременное представление операторам информации об аварии (неисправности) оборудования и ошибках в каналах связи; соответствующая информация должна отображаться как на аппаратуре сети, так и на терминале оператора, сопровождаться световой индикацией на электронной карте сети и звуковой сигнализацией;

автоматическая регистрация информации об изменении технического состояния элементов сети в электронной базе данных соответствующего терминала оператора, автоматическая распечатка на принтере полученных сигналов (сообщений);

2) устранение неисправностей в сети связи, при этом должны быть осуществлены:

предоставление оператору инструкций (перечня необходимых действий), которые должны быть выполнены для устранения возникших неисправностей в сети;

автоматизированное управление отключением неисправных и включением исправных резервных элементов сети;

оперативное перестроение сети, организация обходных маршрутов;

3) взаимодействие с пользователями (оповещение пользователей о текущих работах на сети, прием и выполнение заказов от пользователей).

4.1.3.3 При управлении качеством должны быть решены задачи:

сбор и анализ статистических данных по функционированию сетей и их элементов;

регулирование трафика;

разработка рекомендаций по улучшению эксплуатационных характеристик сетей электросвязи;

анализ с целью улучшения и расширения диапазона предоставляемых услуг связи;

анализ функционирования систем управления и контроля с целью усовершенствования методов управления сетью связи.

4.1.3.4 При управлении расчетами должны решаться задачи:

сбор данных по предоставляемым (арендуемым) средствам и услугам связи;

разработка тарифов за предоставляемые средства связи и услуги;

обмен информацией по вопросам взаиморасчетов.

4.1.3.5 При управлении защитой информации необходимо решить задачи:

разработка мер по обеспечению закрытости информации и контроля за их осуществлением; защиты баз данных от несанкционированного доступа;

соблюдение конфиденциальности при предоставлении данных;

защита целостности и сохранности данных.

Система управления должна иметь многоуровневую иерархию паролей с различными уровнями полномочий операторов по управлению системой связи и/или ее элементами.

4.1.4 Система управления сетью связи ФЖТ подразделяется на функциональные подсистемы:

система управления первичной цифровой сетью связи;

система управления цифровой сетью оперативно-технологической связи;

система управления цифровой сетью связи ОбТС;

система управления сетью передачи данных.

4.2 Основные принципы организации управления

4.2.1 Организационная структура системы управления должна базироваться на функциональной иерархической структуре TMN. В основе организации управления цифровой сетью связи ФЖТ должны лежать принципы:

централизация управления с возможностью децентрализации функций управления;

создание гибкой архитектуры на основе методологии открытых систем, обеспечивающей возможность реконфигурации и наращивания функций управления;

использование единой системы стандартов по техническому, информационному и программно-алгоритмическому обеспечению на базе Рекомендаций МСЭ-Т, стандартов ЕТСИ, МОС, ГОСТ, а также стандартов Минсвязи России.

4.2.2 Функциональная структура программно-технических комплексов центров системы управления должна определяться в соответствии с выполняемыми на данном уровне управления функциями, на основе типовой обобщенной модели TMN.

В состав программно-технических комплексов входят:

управляющие системы, обеспечивающие обработку информации при реализации различных функций управления сетью и услугами, ведение баз данных, управление вычислительными процессами;

элементы сети - оборудование сети связи или его часть и вспомогательное оборудование (электропитания и пр.), которое находится под контролем сети управления связью;

медиаторы, предназначенные для преобразования информации при прохождении ее от элементов сети к управляющим системам;

рабочие станции, обеспечивающие взаимодействие с пользователями системы управления;

сеть передачи данных, обеспечивающая взаимодействие территориально разнесенных элементов сети с управляющими системами;

Q-адаптеры - устройства, которые служат для подсоединения элементов сети с нестандартными интерфейсами к сети управления;

интерфейсы: Qx - для взаимодействия между собой вышеуказанных блоков через локальную сеть; Q3 - для взаимодействия программно-технических комплексов через сеть передачи данных; F - для подключения рабочих станций к компонентам программно-технических комплексов; X - для взаимодействия с системами управления других операторов; М (медиаторы) - для подключения аппаратуры, не имеющей стандартных стыков.

4.2.3 Надежность и живучесть системы управления должны быть выше этих параметров для управляемых сетей и объектов связи.

4.2.4 Для повышения надежности и живучести системы управления сетью связи ФЖТ должны оборудоваться как основные, так и резервные пункты управления.

4.3 Система управления первичной цифровой сетью связи

4.3.1 Система управления магистральной первичной цифровой сетью связи ФЖТ представляет собой систему, построенную в соответствии с существующей иерархической структурой управления железнодорожным транспортом, и состоит из следующих основных компонентов:

Главного центра управления (ГЦУ);

Региональных (дорожных) центров управления (РЦУ);

распределенных элементов доступа к цифровой сети связи.

4.3.2 Главный центр управления должен:

осуществлять оперативное руководство управлением магистральной сетью связи ФЖТ в чрезвычайных условиях;

обеспечивать создание и ведение банка данных, содержащего сведения о всех связных ресурсах ФЖТ;

обеспечивать учет ресурсов сети связи ФЖТ и планирование ее использования в чрезвычайных условиях;

обеспечить в рамках зоны ответственности взаимодействие с другими операторами ВСС РФ, а также согласование и координацию действий нескольких операторов по управлению сетями связи при их заинтересованности;

осуществлять оперативный контроль за состоянием работы сетей связи ФЖТ;

координировать техническое оснащение сети связи ФЖТ;

координировать разработку нормативных документов по обслуживанию сети связи ФЖТ;

координировать обучение обслуживающего персонала;

обеспечивать поддержку сетевого программного обеспечения, разработку и ведение базы данных;

обеспечивать сбор статических данных и анализ функционирования сетей связи ФЖТ с целью подготовки предложений по их совершенствованию;

обеспечивать потребителей услуг связи ресурсами сети связи для проведения сеансов связи с требуемым качеством;

осуществлять контроль магистральных каналов, трактов, включая анализ производительности, перераспределение трафика;

обеспечить информационную безопасность системы управления магистральной цифровой сети связи ФЖТ.

4.3.3 Региональный центр управления должен:

осуществлять оперативное руководство управлением и эксплуатацией зоны первичной сети связи;

обеспечивать создание и ведение банка данных, содержащего сведения о всех связных ресурсах дороги;

обеспечивать учет ресурсов сетей дороги и планирование их использования в чрезвычайных условиях;

обеспечить в рамках зоны ответственности взаимодействие с другими операторами МЦСС МПС РФ, а также согласование и координацию действий нескольких операторов по управлению сетями связи при их заинтересованности;

осуществлять оперативный контроль за состоянием работы сетей связи в пределах дороги;

проводить техническое обслуживание установленного оборудования сети связи и оборудования центра;

руководить проведением регламентных и аварийно-восстановительных работ;

обеспечивать поддержку сетевого программного обеспечения, разработку и ведение базы данных;

обеспечивать сбор статических данных и анализ функционирования сетей связи дороги с целью подготовки предложений по их совершенствованию;

обеспечивать потребителей услуг связи МПС ресурсами сети связи для проведения сеансов связи с требуемым качеством;

осуществлять контроль каналов, трактов, включая анализ производительности, перераспределение трафика;

планировать мероприятия по подготовке сетей связи к функционированию в чрезвычайных ситуациях;

обеспечить информационную безопасность системы управления сетью связи дороги.

4.3.4 В состав технических средств ГЦУ должны быть включены:

интегрирующие устройства управления объектами систем передачи различных поставщиков оборудования;

устройства управления объектами систем передачи - основные и резервные рабочие терминалы систем управления поставщиков оборудования;

требуемые узлы обеспечения функционирования системы управления и сопряжения с каналами связи (источники бесперебойного питания, маршрутизаторы, модемы, блоки оборудования локальной сети).

4.3.5 В состав технических средств РЦУ должны быть включены:

интегрирующий блок управления объектами систем передачи - сервер системы управления поставщика оборудования;

блок управления объектами систем передачи - основной и резервный рабочие терминалы системы управления поставщика оборудования;

блок управления системы верхнего уровня - выносной терминал системы управления поставщика оборудования систем передачи;

требуемые узлы обеспечения функционирования системы управления и сопряжения с каналами связи.

4.3.6 Для обслуживания оборудования в пределах дороги в состав технических средств эксплуатационно-технических цехов и региональной производственной лаборатории должны быть также включены «терминалы пользователя» (craft terminal), необходимые как для технической эксплуатации, так и в случае потери управления сетью связи дороги или ее фрагментом при повреждении волоконно-оптических линий связи.

Терминал пользователя обеспечивает децентрализованное управление и контроль местного или удаленного сетевого элемента при их нормальной работе или во время конфигурирования. Он обеспечивает пользователя возможностями для контроля характеристик и отображения аварий в случаях неисправностей, отображает идентификационные данные, обладает возможностями переустановки существующих кросс-соединений или установки новых на местных или удаленных сетевых элементах.

4.3.7 Для управления первичной сетью технологического сегмента должна создаваться система мониторинга и администрирования (СМА) в соответствии с Временными положениями по построению единой системы мониторинга и администрирования дорожного уровня технологического сегмента сети связи МПС.

СМА первичной сети дорожного уровня технологического сегмента должна обеспечивать решение полного комплекса задач, связанных с эксплуатацией первичных сетей связи, построенных на базе аппаратуры различных фирм производителей, на протяжении их жизненного цикла.

4.3.8 СМА первичной сети дорожного уровня должна обеспечивать выполнение следующих функций:

мониторинг и администрирование в процессе эксплуатации (техническое обслуживание, восстановление связей, набор статистики, расчеты);

развитие (анализ качества, прогнозирование, формирование требований к эксплуатационным характеристикам сети и системы управления).

4.3.9 Управление первичной сетью технологического сегмента должно осуществляться операторами СМА на основании общего контроля (мониторинга) технического состояния первичной сети посредством формирования и выдачи на уровень управления сетью производителя распоряжений (команд) на выполнение определенных процедур предоставления и использования необходимого ресурса сети. Основные функции по организации и предоставлению необходимого ресурса сети обеспечиваются на уровне управления сетью производителя путем последующей передачи этих распоряжений в виде настроечных параметров в элементы первичной сети.

4.4 Система управления сетью оперативно-технологической связи

4.4.1 Система управления сетью ОТС должна обеспечивать мониторинг и администрирование сети ОТС на следующих уровнях функциональной иерархии управления:

управление коммутационной станцией;

управление сетью в пределах участка (зоны обслуживания);

управление сетью в пределах дороги.

4.4.2 Мониторинг и администрирование сети ОТС должны обеспечивать решение следующих задач:

непрерывный круглосуточный контроль работоспособности оборудования ОТС;

предоставление инструментальных средств диагностики и устранения отказов в оборудовании ОТС;

конфигурация технических средств ОТС, цифровой сети ОТС и направление информационных потоков в сети ОТС.

4.4.3 Для решения задач мониторинга и администрирования сети ОТС должны быть образованы:

дорожный (региональный) центр технического управления (ЦТУ);

зональные центры технического обслуживания (ЦТО).

4.4.4 Дорожный (региональный) центр технического управления (ЦТУ) должен размещаться при управлении железной дороги и предназначен для выполнения следующих административных функций:

общий контроль технического состояния сети ОТС в целом по дороге (региону);

установление (присвоение) системных адресов сетевым элементам ОТС согласно системе адресации;

планирование и управление конфигурацией информационных потоков в сети ОТС.

Текущая работа по реализации задач административной службы должна возлагаться на дежурного администратора ЦТУ.

4.4.5 Зональные ЦТО должны обеспечить в пределах подведомственных зон обслуживания:

контроль (мониторинг) работоспособности оборудования ОТС (контроль за работой коммутационных станций, определение степени работоспособности станций, обработка информации о возникновении аварийных ситуаций, контроль линейного тракта и системы резервирования, в случае аварии переключение с основного на резервный линейный тракт, отображение конфигурации сети);

ремонтно-восстановительные работы в случае отказов компонентов сети ОТС.

Текущая работа по реализации задач мониторинга должна возлагаться на сменного оператора, а функции по выполнению ремонтно-восстановительных работ на ремонтно-восстановительные бригады.

4.4.6 Количество зональных ЦТО в пределах дороги должно определяться в зависимости от топологии сети и административно-хозяйственного деления дороги.

Размещать зональные ЦТО следует при отделениях дороги и на узловых станциях (для возможности обслуживания по схеме «звезда») с учетом того, что время перемещения ремонтно-восстановительной бригады из ЦТО до самого удаленного обслуживаемого объекта не должно превышать трех часов.

4.4.7 На уровне управления коммутационной станцией при инсталляции и при проведении ремонта и профилактических работ осуществляется:

установление параметров конфигурации в соответствии с проектом организации связи;

диагностика;

тестирование.

4.4.8 Техническими средствами доступа эксплуатационного персонала к сети ОТС должны являться рабочие места (РМ) эксплуатационного персонала в ЦТУ, организованные на базе персональных компьютеров (рабочих станций).

4.4.8.1 Рабочее место эксплуатационного персонала в ЦТУ должно быть организовано на постоянной основе.

Подключение рабочих мест к сети ОТС осуществляется с помощью канала передачи данных в соответствии с требованиями ОСТ 32.145-2000. Для этого РМ подключается к ближайшей станции по стыку 64 кбит/с (ОЦК).

4.4.8.2 Рабочее место эксплуатационного персонала в ЦТО должно быть организовано на постоянной основе.

Физической средой передачи между рабочим местом зонального ЦТО и коммутационными станциями зоны обслуживания является общий канал сигнализации (ОКС), организованный в цифровой сети ОТС в соответствии с требованиями ОСТ 32.145-2000.

Допускается также использование выделенных каналов специализированной сети передачи данных оперативно-технологического назначения (СПД ОТН).

При централизованном размещении сменных операторов всей дороги (региона) рабочие места ЦТО могут размещаться вне зональных ЦТО при сохранении за ЦТО мест дислокации ремонтно-восстановительных бригад.

4.4.8.3 Рабочее место на объектах мониторинга и администрирования (коммутационных станциях) организуется на момент проведения работ с помощью переносного персонального компьютера и подключается к станциям по стыку RS-232.

4.4.9 В зоне обслуживания одного рабочего места ЦТО должно быть не более 50 коммутационных станций одного производителя оборудования. При обслуживании одним зональным ЦТО оборудования ОТС разных производителей количество рабочих мест должно соответствовать количеству типов оборудования.

4.4.10 Рабочие места ЦТО должны быть оснащены пультами руководителя, технические требования к которым установлены Техническим заданием «Аппаратура оперативно-технологической связи для российских железных дорог ОТС-Ц (Редакция 2)».

4.4.11 Количество рабочих мест ЦТУ определяется из условия, что к одному рабочему месту ЦТУ должно подключаться не более 8 рабочих мест ЦТО.

4.4.12 Должна быть организована служебная связь сменного оператора ЦТО с работниками ремонтно-восстановительных бригад соответствующей зоны обслуживания по групповому принципу.

4.4.13 Должна быть организована служебная связь дежурного администратора ЦТУ со сменными операторами ЦТО с возможностью подключения к групповому каналу служебной связи для ведения переговоров с работниками ремонтно-восстановительных бригад.

4.5 Система управления сетью общетехнологической связи

4.5.1 Для сети ОбТС должна быть реализована трехуровневая модель мониторинга и администрирования:

уровень управления сетями производителей и отдельными их элементами;

уровень управления сетями отделений дороги;

уровень управления сетью ОбТС дороги (централизованный мониторинг и административное управление сетью).

4.5.2 На уровне управления сетями производителей и отдельными их элементами осуществляется мониторинг и администрирование подсетей ОбТС на УПАТС разных производителей.

4.5.2.1 Система управления сетью производителя (в рамках каждой сети производителя) выполняет следующие задачи:

формирование и развитие сети (подключение и удаление абонентов, предоставление или закрытие тривиальных услуг связи и системных функций абонентам, создание и модификация таблиц маршрутизации; создание, ведение, хранение и выдача среднему уровню управления банка конфигурационных данных);

управление устранением отказов (обнаружение и устранение неисправностей, использование резерва аппаратуры, оперативное перестроение сети);

управление качеством (сбор, анализ, хранение и выдача среднему звену управления данных по функционированию сети и ее элементов; автоматическая регулировка трафика; выработка рекомендаций по улучшению эксплуатационных характеристик сети);

защита информации (разграничение доступа к системе управления и обеспечение сохранности информации).

4.5.2.2 Обмен данными между отдельными элементами и рабочей станцией осуществляется как по внутренним протоколам, так и по стандартным протоколам (SNMP).

Система управления сетью производителя должна предоставлять более высокому уровню, непосредственно или через конвертеры протоколов, данные через SNMP-интерфейс для обеспечения возможного мониторинга и управления всей сетью.

4.5.3 Система управления сети отделения дороги объединяет сети управления производителей посредством протокола SNMP и может выполнять следующие функции в рамках отделения дороги:

управление конфигурацией сети (планирование работ и услуг связи на сети; создание, ведение, хранение и выдача уровню управления сетью ОбТС банка конфигурационных данных сети отделения дороги);

управление устранением последствий отказов (контроль состояния сетей производителей и их элементов; выдача директив системе управления сетью производителя по устранению неисправностей со статусом «повреждение»);

управление качеством (сбор, анализ, хранение и выдача верхнему уровню статистических данных по функционированию сети отделения дороги и ее элементов; выработка рекомендаций по улучшению эксплуатационных характеристик сети отделения, улучшению и расширению диапазона предоставления услуг);

защита информации (разграничение доступа к системе управления, выдача указаний системе управления сетью производителя по изменению всех паролей доступа ко всем ресурсам системы управления и операционной среды; классификация уровня безопасности сети; обеспечение сохранности информации).

4.5.4 Система управления сетью ОбТС дороги выполняет:

мониторинг дорожной сети;

ведение и хранение баз данных;

планирование сети, контроль процесса установки сетевого оборудования и формирования сети;

регистрацию показателей качества обслуживания;

контроль интенсивности внутреннего, внешнего и транзитного трафика сетей, коэффициента отказов в обслуживании из-за перегрузки направлений;

анализ функционирования систем управления и контроля;

разработку мер по обеспечению закрытости информации и контроль за их осуществлением;

управление взаиморасчетами.

4.5.5 Управление сетевыми элементами должно осуществляться одним или несколькими способами, перечисленными ниже.

4.5.5.1 Способ управления по выделенным каналам ПД

Между каждой удаленной АТСЦ и ЦТО организуется двусторонний выделенный канал ПД, используемый для обмена информацией между АРМ ЦТО и центральным управляющим устройством (ЦУУ) удаленной цифровой АТС.

Удаленная АТСЦ и АРМТО в ЦТО подключаются к выделенному каналу ПД по интерфейсам RS232C или S0.

При наличии интерфейса S0 между удаленной АТСЦ и ЦТО с помощью мультиплексоров образуется выделенный цифровой канал В, и скорость передачи достигает 64 кбит/с.

При отсутствии на удаленной АТСЦ интерфейса S0, следует использовать терминальный адаптер, обеспечивающий в удаленном пункте преобразование протоколов между интерфейсами RS232C и S0.

В переходный период, если удаленная АТСЦ не соединена с ЦТО цифровым трактом, интерфейсы RS232C соединяют между собой с помощью модемов, работающих со скоростью передачи 19200 бит/с.

4.5.5.2 Способ управления по коммутируемым каналам сети ОбТС

Между удаленной АТСЦ и ЦТО используется прямой или составной коммутируемый канал. На стороне ЦУУ удаленной АТСЦ и на АРМТО ЦТО применяются аналогичные первому способу интерфейсы. Коммутируемый канал образуется посредством включения соответствующих интерфейсов системы управления в аналоговые (АЛА) или цифровые (АЛЦ) абонентские линии удаленной и центральной АТСЦ. Можно использовать интерфейс RS232C или S0, а также их сочетание.

Перед обменом информацией между ЦТО и удаленной АТСЦ или в обратном направлении устанавливается соединение между абонентскими линиями, что обеспечивается программными средствами ЦТО и удаленной АТСЦ.

Управление удаленными АТСЦ возможно только при наличии хотя бы одного свободного канала между удаленной и центральной АТСЦ. С помощью составного коммутируемого канала возможно управление удаленной АТСЦ, соединяемой с центральной АТСЦ через иную транзитную АТСЦ.

4.5.5.3 Способ использования стандартной сети ПД

В этом случае данные между удаленной АТСЦ и ЦТО передаются по стандартной сети ПД: ТСР/IР, Х.25, Frame Relay, ATM и другие.

В каждом удаленном пункте, а также на центральной АТСЦ организуется по одному терминальному пункту сети ПД, связанному с ЦТО.

В ЦТО для связи с объектами управления организуются один или более терминальные пункты сети ПД (зависит от количества удаленных АТСЦ и требований по оперативности управления).

При использовании в сети Х.25 интерфейсов RS232, подключение к коммутатору Х.25 производится через устройство сборки и разборки пакетов (PAD).

При наличии в пунктах сети управления интерфейсов Х.21 устройства PAD не требуются.

На одной сети управления возможно сочетание применения обоих схем подключения. По аналогии со способом с коммутируемыми каналами перед сеансом обмена данными между пунктами сети управления требуется установить соединение.

Возможно применение схемы организации связи между одной удаленной АТСЦ и ЦТО с двумя коммутаторами Х.25, напрямую соединенными между собой. Функционально такая схема эквивалентна варианту с выделенными каналами ПД.

4.5.5.4 Способ использования общих каналов сигнализации

Данные между удаленной АТСЦ и ЦТО передаются по общему каналу сигнализации (ОКС), работающему с одним из следующих протоколов:

QSIG;

EDSS-1;

ОКС № 7;

специализированный для АТС одного или группы производителей: DPNSS1, ABC, Cornet, Telnet и другие.

На каждом звене сети достаточно иметь один ОКС, являющийся универсальным средством по обслуживанию вызовов на сети и по управлению цифровыми АТСЦ.

Центральные управляющие устройства (ЦУУ) АТСЦ должны быть соединены общим каналом сигнализации с ЦУУ смежных АТСЦ и центральной АТСЦ.

Обмен данными управления осуществляется между двумя ЦУУ центральной и удаленной АТСЦ. ЦУУ центральной АТСЦ обменивается с АРМТО данными, поступающим и передаваемым ко всем удаленным АТСЦ, а также к центральной АТСЦ. ЦУУ удаленной АТСЦ может выполнять роль транзитного пункта данных на сети управления АТСЦ.

Между АРМТО и ЦУУ центральной АТСЦ можно использовать как интерфейс RS232, так и интерфейс S0.

4.5.5.5 Способ управления по коммутируемым каналам сети ОбТС предусматривать не рекомендуется ввиду его зависимости от ресурса сети, но он должен иметь возможность реализации на сети ОбТС с АТСЦ любого типа.

Способ управления по коммутируемым каналам сети ОбТС должен быть использован при отсутствии возможности организации иных способов управления.

4.5.5.6 Способ управления по выделенным каналам ПД должен иметь возможность реализации на сети ОбТС с АТСЦ любого типа и должен использоваться при возможности организации по одному выделенному двунаправленному каналу ПД для каждой удаленной АТСЦ.

4.5.5.7 Способ управления с использованием общих каналов сигнализации должен иметь возможность реализации на сети ОбТС с АТСЦ, предоставляющими услуги ЦСИС, и должен применяться в первую очередь на гомогенной сети ОбТС.

На сети с разнотипными АТСЦ, когда возможно применение сигнализации QSIG, OKC № 7, EDSS-1 возможность обмена данными сети управления по ОКС между АТСЦ разных типов должна согласовываться между производителями каждого из типов оборудования. В противном случае для групп каждого типа оборудования на ЦТО должны быть созданы отдельные системы технического обслуживания.

4.5.5.8 Сеть управления, построенная на базе стандартной сети ПД, может обеспечить более надежную доставку информации, так как строится отдельно от сети ОбТС. На сети управления с ОКС выход из строя одного звена или узла сети ОбТС приведет к блокировке от одной до всех удаленных АТСЦ.

Могут быть использованы стандартные (SNMP, CORBA) или специализированные протоколы.

4.5.6.2 На цифровой сети ОбТС оборудование АТСЦ должно быть ориентировано на контрольно-корректирующий метод технического обслуживания. Круглосуточное присутствие персонала на коммутационных станциях не предусматривается.

На цифровых АТС сети ОбТС должен производиться автоматический программно-аппаратный контроль исправности оборудования и в требуемых случаях осуществляться автоматическая реконфигурация (отключение неисправных узлов, включение резервных устройств) для восстановления работоспособности при обнаружении неисправностей.

На каждой необслуживаемой коммутационной станции должен быть предусмотрен интерфейс для подключения переносной контрольной аппаратуры (например, переносного компьютера), используемого обслуживающим персоналом при проведении на станции восстановительных работ.

4.5.6.3 В ЦТО технический персонал может находиться круглосуточно или только в дневное рабочее время при обеспечении режима автоматической передачи аварийной сигнализации дежурному оператору.

4.6 Система управления сетью передачи данных

4.6.1 Для управления сетью передачи данных проектируется полнофункциональная система управления. Система управления должна обеспечить:

контроль и диагностику состояния сети в целом и элементов сети;

управление ресурсами сети и инфраструктурой сети с целью повышения эффективности работы, защищенности, оперативности реакции на сбои и их своевременного прогнозирования;

динамическую реконфигурацию сети при сбоях и неисправностях;

организацию системы учета программно-аппаратных средств.

4.6.2 Система управления СПД строится по иерархическому принципу. На верхнем уровне (в ГВЦ) - главный центр управления (ГЦУ), на нижнем уровне (в ИВЦ дорог) - РЦУ дорожными сегментами СПД. Подсистемы системы управления СПД, функции подсистем и используемые программные средства показаны в справочной таблице 4.2.

4.6.3 Функции системы управления должны быть защищены системным паролем, исключающим несанкционированный доступ.

4.6.4 Система управления должна взаимодействовать с системой техобслуживания в части:

изменения структуры сети,

изменения режимов работы оборудования,

передачи результатов контроля о состоянии оборудования и качестве обслуживания.

Таблица 4.2. Подсистемы системы управления СПД

Подсистема

Функции подсистемы

ПО

Уровень модели TMN*

Общего управления сетью

Интеграция подсистем в единую систему

NNM

N

Ведение базы данных всех событий

NNM

N

Круглосуточный мониторинг состояния сети

NNM

N

Управление системой имен и IP-адресным пространством

CNR

N

Управления сетевыми элементами

Круглосуточный мониторинг состояния оборудования

RWAN Modem MS* UPS MS*

NE

Управление конфигурацией оборудования

RWAN Modem MS* UPS MS*

NE

Поиск и устранение неисправностей

RWAN Modem MS* UPS MS*

NE

Учета, анализа и планирования

Сбор и обработка статистической информации

NNM, CNF RWAN

N, NE

Анализ корректности и эффективности функционирования оборудования

Netsys

N, NE

Анализ эффективности использования канальных ресурсов

CNF

N, NE

Моделирование функционирования сегментов СПД

Netsys

N, NE

Планирование ресурсов

RWAN

N

Выработка предложений по модернизации СПД

RWAN

N

Инвентаризации ПО и оборудования

Инвентаризация активного сетевого оборудования

Remedy ARS

S

Инвентаризация ПО активного сетевого оборудования

Remedy ARS

S

Сопровождения и решения проблем

Ведение единого журнала неисправностей

Remedy ARS

S

Ведение базы данных готовых решений проблем

Remedy ARS

S

Возможность автоматического извещения о проблемах

Remedy ARS

S

Обработка запросов пользователей

Remedy ARS

S

Примечания: 1. * - ПО, поставляемое с модемами и с ИБП (зависит от производителя).

2. Уровни: NE - сетевых элементов, N - сетей, S - сервисов.

V. Система тактовой сетевой синхронизации

5.1 Назначение тактовой сетевой синхронизации

5.1.1 Цифровая сеть связи, в которой совместно работают системы передачи и коммутации потоков информации, для обеспечения надежности и качества своего функционирования должна иметь систему тактовой сетевой синхронизации (ТСС).

5.1.2 Система ТСС на цифровой сети обеспечивает равенство частот (с допустимой точностью генераторов) всех нуждающихся в синхронизации устройств этой сети, чтобы избежать или свести к минимуму «проскальзывания» цифрового сигнала.

Для нормально работающей цифровой сети интенсивность «проскальзываний» не должна превышать норм, установленных Рекомендациями МСЭ-Т G.822.

5.1.3 На цифровой сети должны синхронизироваться цифровые устройства коммутации телефонных каналов (АТСЦ), аппаратура кроссовых соединений, каналообразующая аппаратура, служащая для организации цифрового транзита ОЦК или их групп, мультиплексоры СЦИ, аппаратура ATM.

5.1.4 Система синхронизации должна быть рассчитана на одновременное использование на цифровой сети систем передачи, относящихся как к синхронной цифровой иерархии (СЦИ), так и к плезиохронной цифровой иерархии (ПЦИ).

5.1.5 В цифровых сигналах, переданных через спутниковые линии и предназначенных для использования в наземной синхронной цифровой сети, на земной станции (или спутнике) должны быть скомпенсированы изменения задержки (эффект Доплера), а вносимое спутниковыми линиями долговременное относительное расхождение частот не должно превышать 1 × 10-11.

5.2 Принципы построения тактовой сетевой синхронизации цифровой сети связи

5.2.1 Синхронизация цифровой сети осуществляется по методу принудительной синхронизации, в соответствии с которым один генератор является ведущим, другой - ведомым. Ведомый генератор должен отслеживать частоту ведущего генератора и, в соответствии с этим, подстраивать свою частоту. Ведомый генератор может являться ведущим для генераторов более низкого уровня. Количество уровней синхронизации не должно превышать десяти в соответствии с рекомендациями ETS 300 462-1, 2, 3, 4, 5, 6.

Таким образом, на сети используется следующая иерархическая структура:

на первом уровне используется первичный эталонный генератор (ПЭГ), удовлетворяющий Рекомендации МСЭ-Т G.811;

на втором уровне могут использоваться ведомые задающие генераторы (ВЗГ), удовлетворяющие Рекомендации МСЭ-Т G.812 типа 1;

на последующих уровнях могут использоваться ведомые задающие генераторы (ВЗГ), удовлетворяющие Рекомендации МСЭ-Т G.812 других типов, либо генераторы коммутационного оборудования, параметры которых соответствуют требованиям Рекомендации МСЭ-Т G.823 (02.2000);

на самом низком уровне могут находиться генераторы сетевых элементов, параметры которых соответствуют таблице 2 Рекомендации МСЭ-Т G.823 (02.2000).

5.2.2 Дрожания фазы сигнала генераторов, находящихся на всех уровнях, не должны превышать 0,05 единичного интервала (ЕИ), измеренного в полосе частот от 20 Гц до 100 кГц, при дрожании на входе 0,5 ЕИ в этом же диапазоне частот.

По всем стыкам аппаратуры ПЦИ дрожания фазы сигнала на выходах и входах не должны превышать 1,5 ЕИ в диапазоне частот от 20 Гц до 100 кГц и 0,2 ЕИ в диапазоне частот от 18 кГц до 100 кГц.

Сетевые стыки генераторов коммутационных станций и мультиплексоров СЦИ и ПЦИ должны соответствовать Рекомендации МСЭ-Т G.823 (02.2000).

5.2.3 Для того, чтобы на участке синхронизации все генераторы одного уровня синхронизации синхронизировались от одного источника синхросигнала, в системе передачи СЦИ предусмотрена передача статусных слов, характеризующих качество и приоритет источника сигнала синхронизации.

Обозначения уровней качества источников синхронизации в соответствии с Рекомендациями МСЭ-Т G.704 и G.871 приведены в таблице 5.1.

5.2.4 Цифровая телекоммуникационная сеть федерального железнодорожного транспорта разбивается на четыре региона по синхронизации с установкой ПЭГ в Москве, Санкт-Петербурге, Новосибирске, Хабаровске (после анализа качества синхросигнала на удаленных сетевых элементах возможно увеличение количества регионов синхронизации). В каждом регионе синхронизация должна происходить от ПЭГ непосредственно или с помощью ВЗГ, управляемых от ПЭГ.

Регионы между собой и с другими синхронными сетями ВСС должны работать в псевдосинхронном режиме.

Таблица 5.1. Уровни качества источников синхронизации

Код сообщения SSM

Обозначение качества

Характеристика качества источника сигнала синхронизации

0000

Q0

Отсутствие данных о качестве

0010

Q2

Высшее качество внешнего источника обычно соответствует Рек. G.811

0100

Q4

Качество внешнего источника может соответствовать G.812 типа 1

1000

Q8

Качество внешнего источника может соответствовать G.812 других типов

1011

Q11

Самый низкий по качеству (ГСЭ СЦИ)

1111

Q15

Не использовать для синхронизации

Остальные

 

Резерв

Примечание. В некоторых случаях, когда необходимо обеспечить уровень качества основного сигнала не хуже, чем у резервного, присвоенный уровень качества может отличаться от действительного качества источника сигнала синхронизации.

5.2.5 Количество последовательно включенных ВЗГ в цепи синхронизации от ПЭГ до последней станции местной сети ограничено и не может превышать десяти. В проектируемой схеме с целью повышения ее надежности рекомендуется, чтобы количество последовательно включенных ВЗГ не превышало 7 - 8.

Количество последовательно включенных ГСЭ в цепи синхронизации не должно превышать 60. В проектируемой схеме с целью повышения ее надежности рекомендуется, чтобы количество последовательно включенных ГСЭ не превышало 50.

5.2.6 Приоритетным должен быть путь синхронизации, организованный по СП СЦИ более высокого уровня.

5.2.7 Использовать в цепи синхронизации аппаратуру СП ПЦИ с двусторонним стаффингом не рекомендуется. При сопряжении СП СЦИ с СП ПЦИ рекомендуется предусматривать оборудование ресинхронизации (retiming), если по входу в СП СЦИ аппаратура данную функцию не обеспечивает.

5.2.8 Распределение синхросигналов делится на внутриузловое в пределах узлов и внешнее для узла.

5.2.8.1 Внутриузловое распределение по возможности соответствует логической топологии в форме «звезды». Все задающие генераторы сетевого элемента нижнего уровня в пределах границ узла непосредственно получают сигналы ТСС от иерархического задающего генератора наивысшего в узле уровня.

При отсутствии в узле внешнего задающего генератора все элементы узла получают синхросигнал, прошедший по тракту СЦИ высшего уровня, при необходимости через разветвитель синхросигнала.

5.2.8.2 Распределение вне узла соответствует топологии в виде «дерева» и обеспечивает синхронизацию всех узлов цифровой сети. Задающие генераторы низшего иерархического уровня принимают сигналы синхронизации от генераторов того же или высшего иерархического уровня и исключают появление петель в цепи передачи синхросигналов.

5.2.8.3 Информация о качестве источника синхронизации передается между узлами при помощи статуса синхронизации.

5.2.9 В качестве источников опорных сигналов для синхронных мультиплексоров используются следующие источники синхросигналов:

внешний синхросигнал 2048 кГц;

внешний синхросигнал 2,048 кбит/с (с информацией и без нее);

линейный сигнал STM-N;

внутренний кварцевый генератор сетевого элемента (мультиплексора).

5.2.9.1 В узле, где установлен ПЭГ или ВЗГ, внешний опорный сигнал имеет наивысший приоритет и поступает по интерфейсу Рек. МСЭ-Т G.703 п. 13, синхронизируя внутренний тактовый генератор синхронного мультиплексора. Частота выходного линейного сигнала определяется частотой генератора (Т0).

5.2.9.2 В процессе работы синхронный мультиплексор постоянно контролирует каждый сконфигурированный источник синхросигналов.

Выбор источника синхронизации может осуществляться по уровню качества и установленному приоритету.

5.2.9.3 При отказе всех внешних источников синхросигналов синхронный мультиплексор автоматически переключается на внутренний синхрогенератор и продолжает функционировать с использованием опорной частоты, сохраненной последней (режим удержания - holdover mode). Генерируется соответствующий «Аварийный сигнал оборудования». Автоматической реакцией является отключение выходного интерфейса синхронизации, и всем задействованным потокам STM-N назначается приоритет синхронизации низшего качества (Рекомендация МСЭ-Т G 813).

При приеме синхросигнала из линейного тракта STM-N (S1) в обратном направлении устанавливается приоритет «запрещен для синхронизации» (Not use).

5.2.9.4 Если с самого начала отсутствуют все внешние источники синхронизации (для ввода в эксплуатацию и тестирования синхронных мультиплексоров на пусковых участках, где нет источников синхросигналов более высокого иерархического уровня), внутренний синхрогенератор синхронного мультиплексора может быть сконфигурирован как независимый кварцевый генератор (автономный режим).

В режиме запоминания или в автономном режиме адекватная стабильность частоты обеспечивается внутренним кварцевым генератором синхронного мультиплексора.

5.2.10 Для оценки качества синхронизации сети согласно Рекомендации МСЭ-Т G.822 используются следующие три категории качества:

Категория качества «а» - высшая категория качества, соответствует нормальному режиму работы сети синхронизации в условиях, когда в цепях синхронизации отсутствуют неисправности. Работа по категории качества «а» за длительный промежуток времени (например, год) должна составлять не менее 98,9 % от времени эксплуатации.

Причинами появления проскальзываний могут быть:

блуждания;

псевдосинхронный режим;

выбросы частот в результате воздействия помех;

прерывания сигналов в СЦИ, ПЦИ;

реконфигурация в СЦИ, возникающая в результате сбоя;

шумы, включая шум дискретизации;

сбои.

Категория качества «b» - категория ухудшенного качества, соответствует появлению одиночной неисправности в цепях синхронизации. За время работы с этой категорией качества проводится диагностика и устранение повреждения. Работа по категории качества «b» за длительный промежуток времени не должна превышать 1 % от времени эксплуатации. Причинами появления «проскальзываний» могут быть:

переход в режим удержания;

переходные процессы при переключениях на резервные входы и при восстановлении нормального режима;

аварийные отказы в системах передачи и в блоках синхронизации станций;

реконфигурация в системах передачи СЦИ;

ошибки в приеме навигационных частот из-за неисправности программного обеспечения спутниковых радионавигационных систем или спутника.

Категория качества «с» - категория недопустимого качества, возможна при работах по монтажу и перестройке цепей синхронизации. Работа по категории качества «с» за длительный промежуток времени не должна превышать 0,1 % от времени эксплуатации.

5.2.11 Генераторное оборудование имеет систему мониторинга, программное обеспечение для местного и системного управления и удовлетворяет всем требованиям «РТМ по построению тактовой сетевой синхронизации на цифровой сети связи Российской Федерации» и Европейских стандартов электросвязи ETS 300 462-1, 2, 3, 4, 5, 6.

5.3 Принципы построения тактовой сетевой синхронизации общетехнологической связи

5.3.1 Сеть синхронизации ОбТС должна строиться по принципу принудительной иерархической синхронизации.

5.3.2 АТСЦ должна получать синхросигналы от ПЭГ (ВЗГ) либо непосредственно, либо по системам передачи.

5.3.3 Оборудование синхронизации АТСЦ должно иметь не менее двух входов внешней синхронизации:

по симметричному стыку 120 Ом, 2048 кГц - в соответствии с Рекомендацией МСЭ-Т G.703 п. 13;

по симметричному стыку 120 Ом, 2048 кбит/с - в соответствии с Рекомендацией МСЭ-Т G.703 п. 9.

5.3.4 Для обеспечения возможности внешней синхронизации систем передачи синхронной иерархии блоки синхронизации коммутационных станций должны иметь не менее двух выходов сигналов синхронизации с частотой 2048 кГц по стыку в соответствии с Рекомендацией МСЭ-Т G.703 п. 13.

5.3.5 В блоках синхронизации любой АТСЦ должны быть предусмотрены следующие режимы работы:

режим свободных колебаний;

режим вхождения;

режим синхронной работы;

режим удержания.

5.3.6 Режим свободных колебаний должен использоваться в следующих случаях:

когда генератор блока синхронизации является ведущим для части сети (часть сети еще не подключена к сети ТСС МЦСС);

когда расхождение частоты внешнего сигнала синхронизации и собственной частоты генератора превышает полосу удержания синхронизации, т.е. когда теряется возможность синхронной работы.

5.3.7 Основным параметром режима свободных колебаний является максимальное значение относительного отклонения частоты генератора блока синхронизации (δсв), равное сумме относительных отклонений:

δсв = δо + δt + δст                                                       (5.1)

где δо - относительная погрешность начальной установки частоты генератора АТСЦ;

δt - относительное отклонение частоты генератора АТСЦ из-за изменения температуры в помещении;

δст - относительное отклонение частоты генератора АТСЦ из-за старения за время эксплуатации.

Допустимая величина блужданий фазы на выходе генератора АТСЦ в режиме свободных колебаний в настоящее время находится в стадии изучения.

5.3.8 Режим удержания с запоминанием значения частоты синхронизации должен быть предусмотрен в оборудовании синхронизации каждой АТСЦ. Допускается отсутствие режима удержания в абонентских выносах и в АТСЦ малой емкости.

Переход в режим удержания должен выполняться в случае неисправности сигналов на всех входах синхронизации.

5.3.9 Ошибка при запоминании значения частоты зависит от ширины полосы синхронизации, от количества двоичных разрядов в запоминающем числовом значении сигнала управления, от величины дрожаний и блужданий на входе синхронизации и от собственного шума синхронизируемого генератора. Соотношения между относительной погрешностью запоминания и относительным уходом частоты за сутки для генератора в режиме удержания по критерию максимальной ошибки временного интервала (МОВИ) приведены на рисунке 5.1.

5.3.10 Режим синхронной работы должен обеспечивать максимальное кратковременное отклонение частоты на выходе относительно частоты на входе не более ±1 × 10-9.

5.3.11 Передаточная характеристика (отношение дрожаний и блужданий на выходе АТСЦ к дрожаниям и блужданиям на входе) должна определяться частотой среза и максимальным выбросом на частотах ниже частоты среза.

Величина выброса не должна превышать 0,2 дБ.

Частота среза передаточной характеристики должна быть:

в блоках синхронизации транзитных АТСЦ - не более 0,001 Гц;

в блоках синхронизации оконечных АТСЦ - не более 0,01 Гц;

в блоках синхронизации абонентских выносов и подстанций - не более 0,1 Гц.

5.3.12 Полоса захвата и удержания блоков синхронизации станций (dFATС) должна быть больше рассчитанных значений (в зависимости от пути прохождения синхросигнала) относительного отклонения частоты синхронизации на входе БСС АТСЦ (D) на сумму собственных параметров блоков:

dFATС > (δо + δст + δt°) + D,                                                 (5.2)

где δо - относительная погрешность начальной установки частоты генератора АТСЦ;

δст - относительное отклонение частоты генератора АТСЦ из-за старения за время эксплуатации;

δt° - относительное отклонение частоты генератора АТСЦ из-за изменения температуры в помещении.

Полоса захвата и удержания синхронизации должна быть не менее значений, приведенных в таблице 5.2.

Таблица 5.2 - Полоса захвата и удержания синхронизации

Частота среза передаточной характеристики, Гц

Минимальное значение полосы синхронизации с учетом влияния структурных параметров сети

0,001

δсв + 7,8 × 10-8

0,01

δсв + 3,0 × 10-7

0,1

δсв + 2,8 × 10-6

Примечание: После анализа структуры сети и условий подключения к сети общего пользования значения запаса могут быть уменьшены, но не должны быть менее значений, приведенных в таблице 5.4.

5.3.13 Максимальное значение допускаемого размаха блужданий на входе эластичной памяти 2048 кбит/с относительно сигнала 2048 кГц, подаваемого от генератора станции, при котором синхронизация должна работать устойчиво (не должно появляться проскальзываний и сбоев), должно быть не менее 18 мкс.

Максимальное значение размаха блужданий информационного сигнала в линии передачи не должно быть более 18 мкс.

5.3.14 Режим вхождения должен обеспечивать:

переход в режим синхронной работы при первоначальном запуске АТСЦ;

переход в режим синхронной работы из режима свободных колебаний;

переход в режим синхронной работы из режима удержания;

восстановление синхронной работы после скачков частоты и фазы, вызванных переключениями входов синхронизации.

5.3.15 Время вхождения в режим синхронной работы при первоначальном запуске АТСЦ с учетом прогрева термостатов не должно превышать 3 часа.

Рисунок 5.1 - Соотношения между относительной погрешностью запоминания и относительным уходом частоты за сутки для генератора в режиме удержания по критерию МОВИ

5.4 Принципы построения тактовой сетевой синхронизации оперативно-технологической связи

5.4.1 Система тактовой сетевой синхронизации ОТС должна строиться в соответствии с отраслевым стандартом ОСТ 32.180-2001. Система оперативно-технологической связи железных дорог России. Система тактовой сетевой синхронизации: структура сети, нормы качества.

5.4.2 Основным режимом работы сети ОТС дороги должен быть синхронный принудительный. Режим псевдосинхронного взаимодействия на сети ОТС допускается в случаях установления соединений цифрового оборудования ОТС на стыках двух участков, каждый из которых синхронизируется независимым источником (генератором) синхронизации. При этом среднее значение частоты независимых генераторов должно отличаться не более чем на 1 × 10-11 от номинального.

Режим плезиохронного взаимодействия цифрового оборудования допускается на сети ОТС на время проведения ремонтно-восстановительных работ по устранению неисправности в цепи синхронизации. При этом в каждом оборудовании связи информационные сигналы, принимаемые от другого оборудования, и синхросигналы, поступающие от собственного генератора, имеют средние значения частот, отличающиеся более чем на 1 × 10-11 от номинального.

В случае одиночной неисправности участка сети синхронизации допускается иметь не более одного плезиохронного звена в одной цепи синхронизации.

5.4.3 Установлены три категории качества синхронизации: «а», «b» и «с».

Категория качества «а» соответствует качеству работы сети ОТС при нормальных условиях в режиме синхронного взаимодействия цифрового оборудования ОТС.

Категория качества «b» соответствует качеству работы сети ОТС при появлении неисправности в цепях синхронизации. Эта категория качества соответствует режиму плезиохронного взаимодействия оборудования. За время работы с этой категорией качества проводится диагностика и устранение повреждений.

Категория качества «с» допускается на время проведения работ по монтажу и перестройке цепей синхронизации.

Требования по качеству синхронизации на сетях ОТС приведены в таблице 5.3

Таблица 5.3. Требования по качеству синхронизации на сетях ОТС

Участок цепи соединения

Категория качества

«а»

«b»

«с»

Любая цепь соединения

Не более 5 пр./сутки

Более 5 пр./сутки, но не более 30 пр./час

Более 30 пр./час

Кольцо верхнего уровня. Кольцо нижнего уровня.

Не более 2 пр./сутки

Более 2 пр./сутки, но не более 12 пр./час

Более 12 пр./час

Участок связи между дорогами

Не более 1 пр./сутки

Более 1 пр./сутки, но не более 6 пр./час

Более 6 пр./час

Допускаемая продолжительность работы по категории качества в течение года

Не менее 361 суток

Не более 87,6 часов

Не более 8,7 часов

Примечание. В таблице сокращение «пр» обозначает «проскальзывание».

5.4.4 Основным источником сигналов синхронизации для цифровой сети оперативно-технологической связи является ведомый задающий генератор (ВЗГ-1) или первичный эталонный генератор (ПЭГ).

Синхронизация ВЗГ-1 осуществляется по принципу принудительной синхронизации:

непосредственно от приемника спутниковых навигационных сигналов;

от первичного эталонного генератора непосредственно или с использованием системы передачи транспортной сети STM-N.

5.4.5 Для частичного подавления накопленных в цепочке синхронизации «дрожаний» требуется установка ведомого генератора (ВЗГ-2). В качестве ВЗГ-2 может использоваться внешний синхронизируемый генератор или генератор коммутационной станции.

5.4.6 Количество сетевых элементов между ВЗГ не должно превышать 10 для нормальной работы цепи синхронизации и 20 при одиночной неисправности. Количество ВЗГ-2 в цепи синхронизации не должно превышать 10, при этом величина блужданий фазы не должна превышать 18 мкс.

5.4.7 Основные варианты построения схем синхронизации сети ОТС, определенные ОСТ 32.180-2001:

вариант 1, при одноуровневой схеме транспортной сети - синхронизация мостовых и промежуточных станций от ВЗГ-1, расположенных на распорядительных станциях, через системы передачи ПЦИ (СПИ);

вариант 2, при двухуровневой схеме транспортной сети - синхронизация мостовых станций от ВЗГ-1 через системы передачи верхнего уровня и синхронизация промежуточных станций от соответствующих мостовых станций через систему передачи ПЦИ (СЦИ) кольца нижнего уровня.

5.4.8 Коммутационные станции должны работать устойчиво в режиме синхронизации. Полоса захвата и удержания их генераторов должна быть достаточной, чтобы обеспечивалась синхронизация, с учетом всех изменений частоты внешнего синхросигнала и изменений параметров самого генератора. Переход одного из вышестоящих (в цепи синхронизации) генераторов в режим удержания и связанное с этим отклонение частоты синхросигнала не должны приводить к переходу самого генератора коммутационной станции в режим удержания.

5.4.9 Максимальное значение относительного отклонения частоты генератора коммутационной станции в режиме свободных колебаний, вызванное изменением параметров самого генератора, определяется как сумма относительных отклонений частоты, связанных с влиянием основных факторов: старения (за все время с момента изготовления и до окончания эксплуатации), температуры и точности начальной (или при очередных коррекциях) установки частоты.

5.4.10 Значение полосы захвата и удержания генератора коммутационной станции должно быть больше максимального значения относительного отклонения частоты генератора блока синхронизации в режиме свободных колебаний на величину (в относительных единицах), не менее значений, приведенных в таблице 5.4

Таблица 5.4. Значения относительного отклонения частоты генератора блока синхронизации в режиме свободных колебаний

Оборудование, от которого поступает сигнал ТСС

Величина минимального запаса по полосе захвата и удержания при частотах среза коммутационной станции

0,1 Гц

0,01 Гц

0,001 Гц

СП (СЦИ или ПЦИ)

1,1 × 10-7

3 × 10-8

4 × 10-9

ВЗГ

2 × 10-8

2 × 10-8

4 × 10-9

ОИС

2,5 × 10-9

3 × 10-10

3 × 10-10

Примечание. Указанные в таблице значения приведены с учетом того, что параметры всех вышестоящих (в цепи синхронизации) генераторов соответствуют ОСТ 32.180-2001.

5.5 Метрологическое обеспечение

5.5.1 Задачи метрологического обеспечения состоят в следующем:

использование средств измерений (СИ) и контрольно-измерительного оборудования, обеспечивающих измерения необходимых параметров синхросигналов и оборудования ТСС с требуемой точностью и сертифицированных в установленном порядке;

своевременное представление СИ на испытания в целях утверждения типа, поверку и сертификационные испытания в системе Министерства связи;

использование аттестованных методик выполнения измерений;

повышение квалификации персонала.

5.5.2 Метрологическое обеспечение (МО) ТСС в соответствии с «Руководящим техническим материалом по построению ТСС на цифровой сети связи РФ» (М., ЦНИИС, 1995) должно включать в себя:

метрологическое обеспечение первичных эталонных генераторов (ПЭГ), ведомых задающих генераторов (ВЗГ);

метрологическое обеспечение эксплуатации сети;

метрологическое обеспечение центра ремонта;

метрологическое обеспечение приемо-сдаточных испытаний, сертификационных испытаний и проведения проверки трактов синхронизации.

Перечень средств измерений, рекомендуемых при проведении сертификационных, регламентных и внеочередных проверок оборудования ТСС, приведен в Руководящем техническом материале по организационному обеспечению системы тактовой сетевой синхронизации (ТСС) для цифровых и цифро-аналоговых сетей оперативно-технологической связи (ОТС) РТМ ОТС-ТСС-Орг-2001.

5.6 Требования к проектированию тактовой сетевой синхронизации

5.6.1 Проектная документация должна быть выполнена в соответствии с Временной инструкцией по проектированию ТСС (разработка ЦНИИС и ЛОНИИС) и РТМ ОТС-ТСС-Пр-2001. Руководящий технический материал по проектированию системы тактовой сетевой синхронизации (ТСС) для цифровых и цифро-аналоговых сетей оперативно-технологической связи (ОТС).

Проектная документация должна содержать схемы синхронизации с указанием:

мест расположения ПЭГ, ВЗГ, сетевых элементов (элементов цифровой сети, подлежащих синхронизации) и дополнительного оборудования синхронизации;

основного и резервных направлений передачи сигналов синхронизации;

приоритетов;

видов используемых сигналов синхронизации, уровень их качества и условия их использования.

5.6.2 При разработке проекта схемы ТСС необходимо:

провести проверку допустимости длины линии связи;

определить взаимосвязь с другими системами ТСС;

выбрать источники синхросигнала (основной и резервные);

определить основные и резервные пути прохождения синхросигналов;

установить приоритеты входов для сигналов синхронизации во всем оборудовании сети ТСС;

определить качество источников сигналов синхронизации;

провести структурный анализ сети с целью исключения возможности образования петель и потери синхронизации при авариях;

определить потребность в дополнительном оборудовании синхронизации, которое необходимо установить на сети;

конкретизировать схемы подключения сигналов синхронизации к коммутационным станциям и другому оконечному оборудованию;

провести проверку обеспечения сигналами синхронизации каждой коммутационной станции при возникновении любой одиночной неисправности;

провести расчет устойчивости синхронизации каждой коммутационной станции и разработку рекомендаций по периодичности регулировки или замене БСС коммутационных станций.

5.6.3 Условные обозначения и характеристика сигналов, используемых на схемах синхронизации, представлены в таблице 5.5.

Таблица 5.5. Условные обозначения и характеристика сигналов, используемых на схемах синхронизации

Условное обозначение

Характеристика сигнала

Т0

Внутренний синхросигнал, используемый для синхронизации передаваемых потоков STM-N, формируемый ГСЭ (в схемах ТСС не указывается)

Т1

Синхросигнал, выделяемый из потока STM-N (Рек. МСЭ-Т G.707), (указывается в схемах ТСС при необходимости)

Т2

Синхросигнал, выделяемый из потока 2048 кбит/с (ETSI EN 300 166)

Т3

Синхросигнал на входах ВЗГ или СЭ системы передачи, выделяемый:

- из сигнала 2048 кГц (ETSI EN 300 166), или

- из потока 2048 кбит/с (ETSI EN 300 166), не содержащего коммутируемую информацию, но содержащего сообщение о статусе (SSM по Рек. МСЭ-Т G.704)

Т4

Сигнал синхронизации на выходе ВЗГ, БСС цифровой коммутационной станции или СЭ (после физического интерфейса), представляющий собой:

- сигнал 2048 кГц (Рек. МСЭ-Т G.703.13), или

- сигнал 2048 кбит/с (ETSI EN 300 166), не содержащий коммутируемую информацию, но содержащий сообщение о статусе (SSM по Рек. МСЭ-Т G.704)

Е1

Сигнал 2048 кбит/с, несущий коммутируемую информацию и не рекомендуемый для синхронизации от СЦИ

Е1/Т

Сигнал 2048 кбит/с, несущий коммутируемую информацию и пригодный для синхронизации. Формируется из Е1 путем ресинхронизации (retiming), т.е. с выхода ПСС или СЭ СЦИ

Примечание. Основное назначение сигналов 2048 кбит/с, содержащих сообщение о статусе (SSM), - обмен информацией о качестве источника синхронизации между ВЗГ и сетевыми элементами СЦИ.

VI Организация технической эксплуатации

6.1 Организация технической эксплуатации первичной сети

6.1.1 Техническая эксплуатация должна обеспечивать выполнение совокупности организационных и технических мероприятий по поддержанию параметров магистральной волоконно-оптической линии передачи (ВОЛП) и ее элементов в установленных пределах.

6.1.2 Техническая эксплуатация ВОЛП должна проводится в соответствии с документами:

Правила технической эксплуатации железных дорог Российской Федерации. Утверждены МПС России 26.05.2000 г. № ЦРБ-756.

Основные положения развития Взаимоувязанной сети связи Российской Федерации на перспективу до 2005 года. Руководящий документ утвержден решением ГКЭС России от 20.12.95 г. № 140;

Правила технической эксплуатации первичных сетей Взаимоувязанной сети связи Российской Федерации. Приказ ГКЭС России от 05.03.94 г. № 74;

Рекомендации МСЭ-Т М.10 - М.782, М.3010;

Инструкция по технической эксплуатации волоконно-оптических линий передачи железнодорожного транспорта (ВОЛП ЖТ). Утверждена МПС России 04.07.2001 г. № ЦИС-ЦЭ 842.

6.1.3 Техническая эксплуатация ВОЛП осуществляется:

службой эксплуатации регионального (дорожного) оператора;

региональной производственной лабораторией (РПЛ);

эксплуатационно-технологическим цехом (ЭТЦ);

службой информатизации и связи железной дороги;

дистанцией сигнализации и связи;

ЛКУ дистанции сигнализации и связи.

6.1.4 Основными задачами технической эксплуатации ВОЛП в пределах установленного участка являются:

содержание ВОЛП в соответствии с требованиями действующих технических норм;

обеспечение требуемой надежности ВОЛП;

проведение аварийно-восстановительных работ;

проведение работ по обеспечению сохранности ВОЛП;

сбор статистических данных о состоянии ВОЛП, их анализ и разработка мероприятий по обеспечению требуемых качественных показателей;

ведение производственной документации и статистической отчетности в соответствии с утвержденными нормами и инструкциями.

6.1.5 Техническое обслуживание ВОЛП включает:

охранно-предупредительную работу;

оперативный контроль технического состояния ВОЛП;

текущее обслуживание;

планово-профилактическое обслуживание;

технический надзор за строительством, реконструкцией и капитальным ремонтом ВОЛП.

6.1.5.1 Охранно-предупредительная работа проводится с целью недопущения повреждения кабеля и несущих конструкций при производстве работ в охранной зоне ВОК, а также недопущения повреждения оборудования систем передачи СЦИ при производстве работ в служебно-технических зданиях.

6.1.5.2 Оперативный контроль технического состояния ВОЛП предусматривает: контрольные осмотры и проверку внешнего состояния ВОК кабельных муфт, арматуры подвески, деталей узлов анкеровки ВОК; проверку состояния оптических волокон; проверку функционирования оборудования СП СЦИ, электропитающих устройств (ЭПУ), системы тактовой сетевой синхронизации (ТСС), систем охранно-пожарной сигнализации (ОПС), кондиционирования и т.п.

6.1.5.3 Текущее обслуживание включает в себя работы: расчистка подъездов к опорам с кабельными муфтами и технологическими запасами кабелей; устранение повреждений на кабельной линии; контроль состояния переходов ВОК через железнодорожные пути, автодороги, водные преграды и др.; содержание в исправном состоянии инвентаря, временных кабельных вставок, аварийного запаса кабеля, монтажных изделий, инструментов, приборов; внесение изменений в исполнительную документацию; контроль состояния станционного кабеля.

6.1.5.4 Планово-профилактическое обслуживание предусматривает: измерение параметров кабелей и станционного оборудования; выполнение работ по защите ВОК от механических повреждений (на спусках, вводах, при прокладке по мостам и др.); измерение стрел провеса и расстояний между ВОК и проводами, подвешенными на опорах; установка предупредительных знаков; проверка работоспособности станционного оборудования в соответствии с технологическими картами.

6.1.5.5 Технический надзор за строительством, реконструкцией, проведением среднего и капитального ремонтов осуществляется работниками служб эксплуатации региональных операторов и ШЧ в течение всего периода производства работ с целью обеспечения соответствия строительно-монтажных работ проектным решениям, техническим требованиям, строительным нормам и правилам.

6.1.5.6 Техническое обслуживание линейно-кабельных сооружений (ЛКС) и станционного оборудования, их ремонт и восстановление после аварий возложено на эксплуатационно-технологический цех (ЭТЦ), дистанции сигнализации и связи и дистанции электроснабжения. Распределение работ по технической эксплуатации и периодичность их выполнения, требования к квалификации эксплуатационного персонала приведены в Инструкции по технической эксплуатации волоконно-оптических линий передачи железнодорожного транспорта (ВОЛП ЖТ). ЦИС-ЦЭ-842.

6.1.6 Ремонт ВОЛП

6.1.6.1 Текущий ремонт производится, как правило, подразделениями служб эксплуатации региональных операторов с участием работников ШЧ и ЭЧ за счет смет эксплуатационных расходов.

Текущий ремонт ВОЛП включает в себя:

проверку узлов и элементов поддерживающих конструкций;

регулировку стрелы провеса ВОК;

проверку надежности закрепления ВОК;

регулировку расстояний между ВОК и проводами, подвешенными на опорах;

ремонт ВОК;

замену и восстановление отдельных изношенных и неисправных элементов поддерживающих конструкций;

замену и восстановление отдельных частей станционного оборудования.

Объемы текущего ремонта и сроки его проведения обуславливаются техническим состоянием, объемами и характером неисправностей ВОЛП, выявленных в процессе технического обслуживания.

6.1.6.2 Средний ремонт станционного оборудования и капитальный ремонт ЛКС ВОЛП производятся периодически по отдельным проектам и сметам на основании данных контрольно-технических осмотров, проверок и дефектных ведомостей эксплуатационным персоналом региональных операторов или специализированными подрядными организациями.

6.1.7 К аварийно-восстановительным работам (АВР) относятся работы, проводимые с целью оперативного восстановления работоспособности кабельной линии и станционного оборудования ВОЛП.

Продолжительность АВР исчисляется с момента обнаружения полного или частичного прекращения действия связи до обеспечения полной пропускной способности восстановленной ВОЛП. Максимальная продолжительность восстановления ВОЛП независимо от погодных условий и времени суток должна составлять не более 6 часов без резерва и 2-х часов - с резервированием по другим направлениям.

АВР должны производиться работниками ЛКУ ШЧ, ЭТЦ и ЭЧ в соответствии с утвержденными инструкцией и технологическими картами.

6.1.8 Региональные производственные лаборатории размещаются при РЦУ регионального оператора.

На региональные производственные лаборатории (РПЛ) возлагаются следующие обязанности:

обеспечение надежного бесперебойного функционирования магистральной цифровой сети связи в пределах зоны обслуживания регионального оператора;

разработка и проведение мероприятий, направленных на повышение надежности функционирования ВОЛП;

организация работы ЭТЦ;

содержание ВОЛП в соответствии с требованиями нормативных документов по технической эксплуатации и проведение АВР в зоне ответственности РПЛ;

выполнение ремонтных работ, направленных на полное восстановление паспортных параметров ЭПУ, проверка состояния устройств электроснабжения;

выполнение метрологических функций в возложенном на РПЛ объеме;

подготовка и переподготовка кадров и формирование штата ЭТЦ;

оснащение ЭТЦ транспортом, механизмами, оборудованием, материалами и измерительной техникой;

организация взаимодействия с ЭТЦ, оказание содействия и проведения АВР на участках ответственности ЭТЦ;

технический надзор за строительством ВОЛП;

участие в приемке в эксплуатацию законченных строительством пусковых комплексов ВОЛП;

проведение испытаний новой техники и технологий, связанных с технической эксплуатацией ВОЛП;

периодический контроль технического состояния ВОЛП в соответствии с графиками технологических процессов;

проведение анализа производственных процессов и внесение предложений по улучшению организации технической эксплуатации, участие в разработке нормативных документов, рекомендаций, инструкций, руководств и технологических карт;

изучение научно-технической информации по вопросам технической эксплуатации, обеспечение внедрения новой техники, предложений и рекомендаций, направленных на совершенствование эксплуатационной работы.

6.1.9 Обслуживание цифровых систем передачи осуществляется из Региональных центров управления (РЦУ), расположенных при Управлениях железных дорог. Обязанности Регионального центра управления при приеме в эксплуатацию ВОЛП:

согласование программы испытаний ВОЛП;

составление графика, утверждение результатов испытаний ВОЛП;

составление паспортов на элементы цифровых систем передачи.

6.1.9.1 Обязанности Регионального центра управления в процессе технического обслуживания ВОЛП:

утверждение графика периодических измерений;

согласование внеплановых измерений;

конфигурирование сетевой структуры;

учет аварийных событий на сетевом и элементных уровнях;

анализ показателей качества секций и трактов по результатам периодических измерений;

установка категорий пользователей и паролей для доступа в систему (Администратор Сетевой Структуры - АСС);

установка новой версии операционной системы обслуживания (АСС);

локализация и устранение аварий сетевой системы обслуживания;

документирование аварийных сетевых событий и аварий в системе обслуживания.

6.1.9.2 Обязанности Регионального центра управления в процессе аварийно-восстановительных работ:

реконфигурирование (по возможности) своей сетевой структуры для обеспечения живучести;

управление проведением АВР;

утверждение графика внеплановых измерений после АВР;

оценка результатов измерений после АВР.

6.1.10 Оборудование системы управления подключается к шлюзовому элементу по интерфейсу Qх или Q3.

6.1.11 Региональная производственная лаборатория, оснащается крафт-терминалом для подключения к любому сетевому элементу - мультиплексору по интерфейсу F. При аварии на центре управления с помощью крафт-терминала функции мониторинга берет на себя обслуживающий персонал РПЛ.

6.1.12 Эксплуатационный штат ЭТЦ формируется из специально обученных работников службы эксплуатации регионального оператора и состоит из следующих специалистов:

начальник ЭТЦ - 1 чел;

инженер - измеритель волоконно-оптических линий - 1 чел;

электромеханик линейно-кабельного оборудования - 1 чел;

инженер - измеритель станционного оборудования - 1 чел.

При оснащении цеха грузовым специальным автомобилем в штат ЭТЦ включается водитель.

Протяженность участка, обслуживаемого одним ЭТЦ, составляет при линейной структуре железной дороги 150 ... 200 км. Протяженность участка по трассе может быть увеличена при разветвленной структуре кабельных линий (например, в районе крупных железнодорожных узлов).

6.1.13 Ориентировочный состав транспортных средств, механизмов и материалов эксплуатирующей организации по ремонту и обслуживанию ВОЛП протяженностью 150 ... 200 км приведен в таблице 6.1.

Таблица 6.1 Состав транспортных средств, механизмов и материалов эксплуатирующей организации по ремонту и обслуживанию ВОЛП протяженностью 100 ... 200 км

Наименование

Количество

Транспортные средства, оборудование и материалы

 

Лаборатория для монтажа и измерений ВОК на базе автомобилей «Камаз», «Урал», «ГАЗ-3308», «УАЗ-469», «Газель» и других машин, шт.

1

Модуль, разгружаемый для монтажа и измерений ВОК, шт.

1

Электростанция возимая (2,5 - 3 кВт), шт.

1

Палатка монтажная с осветительным устройством, шт.

1

Набор складной мебели (верстак + 4 стула), комплект

1

Калорифер, шт.

1

Носимые радиостанции, комплект

1

Телефонный аппарат ТА-57, шт.

1

Кабель П-274, м

500

Электрический удлинитель 25 м, шт.

2

Ключи гаечные, комплект

1

Сварочно-технологическое оборудование

 

Сварочный аппарат с комплектом аккумуляторов и зарядным устройством, комплект

1

Оптические телефоны с устройством бокового ввода/вывода, комплект

1

Идентификатор канала, шт.

1

Скалыватель, шт.

1

Комплект инструментов монтажника, включая плужковый и роликовый ножи, пассатижи и кусачки, комплект

1

Электрический фен, шт.

1

Компенсационная катушка, шт.

1

Адаптер типа FC, шт.

4

Проволока для чистки адаптера, комплект

1

Устройство ввода UP-125, шт.

2

Соединители Fiber lock, шт.

60

Технологическое оборудование для подвески ВОК

 

Ролик монтажный поворотный ЛСИ.13, шт.

2

Ролик монтажный магистральный ЛСИ.12, шт.

4

Вертлюг монтажный ЛСИ.15, шт.

1

Соединитель лидер-троса ЛСИ.16

1

Лидер-трос ЛСИ.20 500 м, шт.

1

Динамометр, шт.

1

Кабельный чулок концевой (10 - 16 мм), шт.

1

Кабельный чулок разрезной, шт.

1

Талреп, шт.

2

Мобильная гидромотолебедка ЛСИ.1 с барабаном для намотки лидер - троса ЛСИ.11, комплект

1

Подставка ЛСИ.14 для установки барабана ЛСИ.22, шт.

1

Домкрат для установки и подъема барабана с ВОК типа ЛСИ.10, шт.

1

Переносная гидромотолебедка для подвески ВОК ЛСИ.2 в комплекте с барабаном ЛСИ.22 для намотки лидер-троса, комплект

1

Машины для прокладки пластмассовых трубопроводов или ВОК непосредственно в грунт

 

Малогабаритный траншеекопатель МТ-1200 или подобный, шт.

Выбираются в зависимости от особенностей и протяженности участка

Микрокабелеукладчик прицепной для бестраншейной прокладки кабелей типа МУК-1-2 или подобный, шт.

Кабельный колесный транспортер для перевозки и раскатки барабанов с кабелями или пластмассовыми трубками типа УОКО-ЛТС, ППТ, ККТ-7 или подобный, шт.

Механизмы для вдувания ВОК в пластмассовый трубопровод

 

Устройство для вдувания типа «Cabljet», «Superjet», ПСИ-1 или подобное, шт.

1 на дорогу

Компрессор «Holman 400-170 S» или подобный, обеспечивающий давление от 0,8 до 1,2 МПа при производительности 4 - 15 м3/мин., шт.

1 на дорогу

устройство для перемотки и промежуточной укладки ВОК типа «Фигаро», ПСИ-2 или подобное, шт.

1 на дорогу

Y-образный соединитель для вдувания дополнительного кабеля

1 на дорогу

Вспомогательный инструмент

 

Ножовка по дереву, шт.

1

Топор, шт.

1

Лопата штыковая, шт.

1

Лопата совковая, шт.

1

Лестница складная 10 м, шт.

1

6.1.14 Ориентировочный состав измерительных приборов ВОЛП приведен в Приложении № 5 настоящих Норм.

6.1.15 Норматив неснижаемого эксплуатационного запаса материалов на 100 км ВОЛП для эксплуатирующей организации приведен в таблице 6.2.

Таблица 6.2 Норматив неснижаемого эксплуатационного запаса материалов на 100 км ВОЛП

Наименование материалов

Количество

ЗИП при подвеске ВОК на опорах контактной сети и линии автоблокировки

 

Магистральный оптический кабель, км

1,0

Шнур оптический «patch-cord», FC/PC - FC/PC, SM, шт.

2

Шнур оптический «pig-tail», FC/PC, SM, шт.

2

Розетка оптических разъемов, FC/PC, шт.

4

Муфта оптическая FOSC-400A4, комплект

4

Механические соединители Fiber-lock или аналог, шт.

100

Гильзы КДЗС изготовителя муфт, шт.

100

Стяжки кабельные, шт.

200

3ажим поддерживающий ЗП-хх, шт.

10

3ажим поддерживающий ПСО-хх, шт.

10

Зажим анкерный НСО-хх, шт.

10

Узел крепления муфт кабельного запаса, шт.

4

Кронштейн для двойной анкеровки, шт.

2

Лента виниловая 88 Т, рулон

5

Комплект XAGA-SLVU 48/7-1500 (или аналог), комплект

10

Адаптер FC, SM, шт.

2

Трос-лидер, м

500

Проволока для чистки адаптеров, упаковка

1

Обеспыленный сжатый воздух «Air Duster», баллон

10

«Ambersil» (или спирт ГОСТ 18300-78), баллон

5

Салфетки безворсовые, упаковка

5

ЗИП при прокладке ВОК в трубопровод

 

Магистральный оптический кабель (одной длиной), км

1,0

Шнур оптический «patch-cord», FC/PC - FC/PC, SM, шт.

2

Шнур оптический «pig-tail», FC/PC, SM, шт.

2

Розетка оптических разъемов, FC/PC, шт.

4

Механический соединитель Fiber-lock или аналог, шт.

100

Муфта оптическая Raychem FOSC-400A4-S16-2-NNN-RU01, комплект

4

Гильза КДЗС изготовителя муфт, шт.

100

Трубка для прокладки ВОК производства «Duraline», «Пластком» или «Стройполимер», м

100

Камера оптическая трубопроводная КОТ-2, шт.

4

Кабельный ввод «Jackmoon», шт.

8

Заглушка концевая «PLASSON» или «SPUR», шт.

 

без вентиля

4

с вентилем

4

Муфта механическая «PLASSON», «SPUR» или подобная, шт., шт.

8

Комплект для ремонта XAGA, 1,5 м, комплект

10

Лента виниловая 88 Т, рулон

10

Трубка ремонтная типа «Duraline» или подобная, 2 м, с замком, шт.

5

Обеспыленный сжатый воздух «Air Duster», баллон

10

«Ambersil» (или спирт ГОСТ 18300-78), баллон

5

Адаптер FC, SM, шт.

2

Проволока для чистки адаптеров, упаковка

1

Салфетки безворсовые, упаковка

5

Лента «Armocast» или «Armoplast», рулон

10

Лента-герметик, рулон

10

ЗИП при прокладке ВОК в грунт

 

Магистральный оптический кабель (одной длиной), км

1,0

Шнур оптический «patch-cord», FC/PC - FC/PC, SM, шт.

2

Шнур оптический «pig-tail», FC/PC, SM, шт.

2

Розетка оптических разъемов, FC/PC, шт.

4

Механический соединитель Fiber-lock или аналог, шт.

100

Муфта МТОК 96-01-IV (базовый комплект), содержащий: корпус муфты, внутренний кронштейн, подкассетник, кассету, крышку кассеты, два металлических комплекта для ввода кабелей с проволочной броней, набор контактных и изолирующих элементов для соединения или изоляции брони, термоусаживаемые трубки для герметизации вводов и частей муфты, комплект

4

Комплект для ввода кабеля ответвления (набор металлических деталей для фиксации бронированного кабеля и отвода провода заземления, термоусаживаемая трубка и ленточный герметик для герметизации ввода), комплект

4

Муфта чугунная типа МЧЗ, шт.

4

Комплект герметика для муфты чугунной, комплект

4

Комплект для ремонта муфты МТОК-96, комплект

4

Контейнер проводов заземления типа КПЗ с одним проводом заземления, шт.

4

Комплект провода заземления для КПЗ (1 провод длиной 4 м и термоусаживаемая трубка), комплект

4

Гильза КДЗС (40 или 60 мм), шт.

30

Кассета универсальная, шт.

1

Кронштейн универсальный, шт.

1

Ключ для монтажа муфты МТОК-96, шт.

1

Руководство по монтажу, шт.

1

Комплект для ремонта XAGA, 1,5 м, комплект

10

Лента виниловая 88 Т, рулон

10

Адаптер FC, SM, шт.

2

Проволока для чистки адаптеров, упаковка

1

Обеспыленный сжатый воздух «Air Duster», баллон

10

«Ambersil» (или спирт ГОСТ 18300-78), баллон

5

Салфетки безворсовые, упаковка

5

Примечания.

1. Тип кабеля должен соответствовать типу кабеля, предусмотренного в проекте.

2. Диаметры трубок, кабельных вводов, заглушек, муфт для соединения трубок, трубок ремонтных должны соответствовать диаметрам трубок, предусмотренных в проекте.

6.1.16 Материалы и технологическое оборудование, указанные в таблицах 6.1, 6.2, должны храниться на стеллажах в специально отведенном отапливаемом, сухом, проветриваемом помещении с искусственным освещением.

Помещение для хранения материалов должно быть оборудовано охранно-пожарной сигнализацией, так же как и гаражи для стоянки транспортных средств.

6.1.17 Количество работников дистанции сигнализации и связи, необходимых для технической эксплуатации ВОЛП первичной сети и технологического сегмента, определяется в соответствии с «Нормативами численности работников дистанции сигнализации и связи».

6.1.18 В соответствии с возможностью доставки эксплуатационной бригады к месту аварии составляется карта сроков прибытия линейной эксплуатационной бригады к месту аварии. За пункты прибытия принимаются станции - места расположения мультиплексного оборудования.

6.2 Организация технической эксплуатации технологического сегмента

6.2.1 Техническая эксплуатация технологического сегмента возложена на действующие структуры:

региональные центры управления;

дистанции сигнализации и связи.

6.2.2 Ориентировочный состав транспортных средств, механизмов и материалов, количество работников дистанции сигнализации и связи, необходимых для технической эксплуатации ВОЛП первичной сети и технологического сегмента, определяются в соответствии с требованиями п.п. 6.1.13, 6.1.15, 6.1.17 настоящих Норм.

6.2.3 Для технической эксплуатации ВОЛП первичной сети и технологического сегмента дистанцией сигнализации и связи необходимо предусматривать измерительную технику в соответствии с Приложением № 5 настоящих Норм.

6.2.4 Региональные центры управления сетью связи технологического сегмента размещаются при управлениях железных дорог и предназначены для выполнения следующих операций:

конфигурирование своей сетевой структуры;

учет аварийных событий на сетевом и элементных уровнях;

анализ показателей качества секций и трактов по результатам периодических измерений;

установка категорий пользователей и паролей для доступа в систему (Администратор Сетевой Структуры, АСС);

согласование внеплановых измерений;

локализация и устранение аварий сетевой системы обслуживания;

документирование аварийных сетевых событий и аварий в системе обслуживания.

6.3 Служебная связь

6.3.1 Цифровая телекоммуникационная сеть железнодорожного транспорта, являясь составной частью Взаимоувязанной сети связи России, должна иметь служебную связь, удовлетворяющую требованиям следующих документов:

Основные положения развития Взаимоувязанной сети связи Российской федерации на перспективу до 2005 г. Руководящий документ утвержден Решением ГКЭС России от 20.12.95 г. № 140;

Правила технической эксплуатации первичных сетей Взаимоувязанной сети связи Российской Федерации. Приказ ГКЭС России от 19.10.98 г. № 187.

6.3.2 Назначением служебной связи является обеспечение взаимодействия производственного персонала подразделений и объектов первичной сети в процессе технической эксплуатации.

6.3.3 Для обеспечения взаимодействия обслуживающего персонала первичной сети связи ВОЛС организуются следующие виды служебной связи:

линейная служебная связь, включающая каналы постанционной служебной связи, участковой служебной связи и служебной радиосвязи;

сетевая служебная связь;

служебная связь системы управления;

внутрипроизводственная служебная связь.

6.3.3.1 Каналы постанционной служебной связи предназначены для обеспечения служебных переговоров технического персонала оконечных станций и обслуживаемых промежуточных пунктов данной линии передачи (ЛП) и других ЛП, на которые переходят линейные тракты данной линии передачи.

Каналы участковой служебной связи предназначены для организации служебной связи между ближайшими обслуживаемыми пунктами данной ЛП, включая расположенные на этом участке необслуживаемые регенерационные пункты (НРП).

Каналы постанционной служебной связи и участковой служебной связи организуются на базе комплектов служебного канала систем передачи. При технической возможности функции постанционной служебной связи и участковой служебной связи могут объединяться, образуя постанционно-участковую служебную связь.

6.3.3.2 Служебная радиосвязь предназначена для оперативного руководства ремонтно-восстановительными работами на ЛП.

Служебная радиосвязь организуется на базе систем связи с подвижными объектами между ремонтно-восстановительной бригадой (эксплуатационно-техническим цехом) и окончаниями элементарных кабельных участков (ЭКУ).

6.3.3.3 Сетевая служебная связь предназначена для обеспечения связи технического персонала оконечных станций, транзитных пунктов и пунктов выделения, а также эксплуатации составных сетевых трактов и каналов ТЧ на первичных сетях. Сетевая служебная связь организуется с помощью выделенных каналов ТЧ, а также с помощью служебных АТС.

6.3.3.4 Служебная связь системы управления предназначена для обеспечения взаимодействия подразделений систем управления первичных сетей (центров управления, региональных производственных лабораторий и эксплуатационно-технических цехов).

Служебная связь системы управления организуется на основе некоммутируемой сети прямых каналов с резервированием их по разным трассам. Резервные каналы служебной связи системы управления организуются по существующим аналоговым системам передачи и по обходным маршрутам (трассам) ВОЛП.

6.3.3.5 Внутрипроизводственная служебная связь первичной сети организуется с помощью ОбТС.

VII Линейные сооружения

7.1 Общие требования к линейным сооружениям

7.1.1 При проектировании линейно-кабельных сооружений волоконно-оптических линий передачи (ВОЛП) должны предусматриваться совершенные в техническом отношении кабели, оборудование, материалы, машины и механизмы, а также индустриальные методы строительства, обеспечивающие надежную и высококачественную работу цифровых сетей связи на федеральном железнодорожном транспорте при минимальных материальных и трудовых затратах в процессе технической эксплуатации этих сетей.

7.1.2 Проектирование линейно-кабельных сооружений должно осуществляться с учетом перспективного развития первичных сетей связи и технологического сегмента.

7.1.3 Тип волоконно-оптических кабелей (ВОК) определяется схемой организации связи.

Выбор марок ВОК производится в зависимости от способов прокладки и условий эксплуатации в соответствии с нормативными документами на их изготовление.

7.1.4 Волоконно-оптические линии передачи по условиям размещения и прокладки ВОК подразделяются на:

ВОЛП с волоконно-оптическими кабелями, подвешенными на опорах контактной сети или высоковольтной линии автоблокировки;

ВОЛП с волоконно-оптическими кабелями, проложенными непосредственно в грунт или в пластмассовом трубопроводе.

7.1.5 В настоящих Нормах приводятся требования к размещению ВОК на опорах контактной сети или автоблокировки, к прокладке ВОК непосредственно в грунт или в пластмассовом трубопроводе, а также требования к техническим параметрам оптических кабелей.

7.1.6 Длины кабельных секций и элементарных кабельных участков на кабельных линиях с оптическими кабелями следует принимать в соответствии с техническими данными используемых волоконно-оптических систем передачи и в соответствии с оптическими параметрами применяемых марок кабелей.

7.1.7 При определении потребной длины проложенных и смонтированных кабелей должен учитываться запас на укладку кабеля по трассе, а также на монтаж муфт в размере 2 % от протяженности трассы.

7.1.8 Расчет длины элементарного кабельного участка (ЭКУ) выполняется по двум критериям: затуханию оптического волокна и хроматической дисперсии.

Пример расчета приведен в Приложении № 6 настоящих Норм.

7.1.9 При новом строительстве ВОЛП должны применяться, как правило, волоконно-оптические кабели для работы волоконно-оптических систем передачи (ВОСП) на длине волн 1,3 и 1,55 мкм, обеспечивающие потребности транспортного и технологического сегментов ЦКТС МПС.

В зависимости от применяемых систем передачи, длины сегментов между линейными усилителями и перспективы развития цифровых сетей связи могут применятся ВОК, содержащие, наряду со стандартными волокнами (рекомендации МСЭ-Т G.652), волокна с ненулевой смещенной дисперсией (рекомендации МСЭ-Т G.655). Количество волокон того или иного типа определяется заказчиком.

Для организации цифровой первичной сети дорожного и отделенческого уровня и на рокадных направлениях применяются кабели с числом волокон не более 8.

7.1.10 Технические требования и области применения оптических кабелей связи, предназначенных для использования на ВОЛП, приведены в Приложении № 7 настоящих Норм.

7.2 Подвеска волоконно-оптических кабелей на опорах контактной сети и линий автоблокировки

7.2.1 Проектирование подвески самонесущего ВОК на опоры контактной сети и линий автоблокировки производится с учетом требований следующих документов:

Правила устройства и технической эксплуатации контактной сети электрифицированных железных дорог (утверждены МПС России 25.06.93 г. № ЦЭ-197);

Правила подвески и монтажа самонесущего волоконно-оптического кабеля на опорах контактной сети и высоковольтных линий автоблокировки (утверждены МПС России 16.08.99 г. № ЦЭ/ЦИС-677);

Типовые проектные решения 419813. Узлы подвески ВОК с использованием существующей инфраструктуры железных дорог. Альбомы 1 - 3 (утверждены Указанием МПС России № А-1062у от 16.06.99).

При этом не должна снижаться надежность электроснабжения потребителей и не должны создаваться препятствия для нормального технического обслуживания устройств контактной сети и высоковольтных линий автоблокировки.

7.2.2 Подвеска ВОК может производится на эксплуатируемые металлические или железобетонные опоры контактной сети и на железобетонные или деревянные опоры линий автоблокировки при условии, что несущая способность этих опор достаточна для восприятия всех действующих и дополнительных нагрузок от подвешиваемого ВОК, в противном случае предусматривается замена опор.

7.2.3 Подвеску ВОК на опорах контактной сети следует осуществлять с полевой стороны. В исключительных случаях (недостаточный габарит подвески или стесненные условия) допускается (по согласованию со службой электроснабжения железной дороги) подвеска ВОК с внутренней стороны опор (со стороны пути). Не допускаются схемы подвески ВОК при которых для его обслуживания требуется снятие напряжения с проводов контактной сети.

7.2.4 Расстояния от нижней точки ВОК при максимальной стреле провеса до поверхности земли или других сооружений, а также расстояние до других проводов при их взаимном пересечении или сближении, а также до частей контактной сети, находящихся под напряжением, должны быть не менее приведенных в таблице 7.1.

Таблица 7.1 Наименьшие допустимые расстояния ВОК от проводов и сооружений

Наименование объекта пересечения или сближения

Наименьшее расстояние, м

До поверхности земли:

 

в населенной местности

6,0

в ненаселенной местности

5,0

в труднодоступных местах

4,0

До недоступных склонов гор, скал, утесов

1,0

До головки рельсов неэлектрифицированных участков пути

7,5

До пешеходной части моста

5,0

До несущего троса и контактного провода

2,0

До частей, находящихся под напряжением 6 - 25 кВ:

 

на опоре

0,8

в пролете

0,5

До частей, находящихся под напряжением 3 кВ:

 

на опоре

0,8

в пролете

0,4

До волновода

0,3

До проводов напряжением до 1 кВ:

 

на опоре

0,5

в пролете

0,3

До поверхности пассажирских платформ

4,5

До крыш несгораемых зданий и сооружений

3,0

До ближайших частей зданий (по горизонтали)

1,5

До глухих стен и крон деревьев

1,0

До полотна автомобильной дороги на переездах

7,0

До нижних частей путепроводов и пешеходных мостов при подвеске кабеля под мостами

0,2

Примечания:

1. В исключительных случаях по согласованию со службой электроснабжения железной дороги разрешается уменьшать расстояние ВОК до несущего троса до 1 м.

2. Допускается подвеска ВОК выше проводов напряжением до 1 кВ при условии исключения схлестывания проводов и кабеля, взаимных ударов и механического трения между ними.

3. При подвеске ВОК над разъединителями, разрядниками расстояние от них до кабеля должно быть не менее 3 м.

4. Не допускается подвеска ВОК на опорах с двумя секционными разъединителями. Для подвески ВОК в этих местах должны устанавливаться дополнительные опоры на расстоянии не менее 10 м.

7.2.5 На опорах автоблокировки подвеска ВОК должна осуществляться преимущественно ниже высоковольтных проводов. При этом расстояния от низа ВОК до земли и на пересечениях должны приниматься не менее:

в ненаселенной местности....................................................................... 5,0 м;

в населенной местности........................................................................... 6,0 м;

на пересечениях с железнодорожными путями от нижней

точки кабеля до головки рельса.............................................................. 7,5 м.

Не допускается подвеска ВОК на опорах линии автоблокировки с разъединителями, трансформаторами и другим силовым оборудованием. Для подвески ВОК в этих местах должны устанавливаться дополнительные опоры в габаритах: не менее 1 м от ближайшего провода до ВОК и 2 м от действующей опоры.

Выбор оптимального варианта сторонности трассы подвески ВОК по отношению к железнодорожным путям необходимо производить исходя из следующих основных условий:

на электрифицированных участках трасса подвески ВОК должна проходить со стороны расположения узлов связи;

замена эксплуатируемых и установка новых дополнительных опор, а также число переходов с одной стороны пути на другую должно быть минимальным;

длина трассы и объемы строительно-монтажных работ должны быть минимальными.

Переходы ВОК с одной стороны пути на другую должны выполняться либо подземным способом в асбестоцементных или полиэтиленовых трубах диаметром 100 мм либо по воздуху с подвеской ВОК на дополнительно установленные опоры. Концы труб должны быть удалены по горизонтали от крайних рельсов не менее чем на 1,5 м.

Подземные и воздушные переходы ВОК на дополнительных опорах должны располагаться на расстоянии не менее 10 м от фундамента ближайшей опоры контактной сети. Угол пересечения этих переходов с осью железной дороги должен быть близким к 90°. С разрешения службы электроснабжения железной дороги допускается воздушное пересечение ВОК электрифицированных путей в одном пролете под углом не менее 40°.

Переходы ВОК с одной стороны пути на другую при использовании существующих конструкций должны производиться преимущественно по ригелям жестких поперечин. В исключительных случаях по согласованию со службой электроснабжения допускаются переходы ВОК вдоль гибких поперечин с закреплением кабеля только на опорах этих поперечин.

Не допускается осуществлять воздушные переходы ВОК в местах сопряжения анкерных участков контактной сети.

7.2.6 На мостах ВОК следует подвешивать с наружной стороны пролетных строений в соответствии с требованиями СНиП 2.05.03.-84. Допускается прокладка ВОК в специальных коробах в соответствии с утвержденными в установленном порядке типовыми проектными решениями. При этом должна быть обеспечена сохранность и защита ВОК от повреждений. Прокладка кабеля, по возможности, должна предусматриваться полными строительными длинами.

7.2.7 В тоннелях подвеска ВОК осуществляется вдоль тоннельной обделки. Кабель должен прокладываться по специальным опорным кабельным конструкциям (например, кронштейнам с рожками), при этом должны соблюдаться требования ГОСТ 9238. Габариты приближения строений и подвижного состава железных дорог колеи 1520 (1524) мм.

При невозможности соблюдения требований по габаритам, допускается прокладка ВОК в специальных трубах из несгораемого материала.

Для прокладки в тоннелях должны применяться ВОК с оболочками из пластмасс, не распространяющих горения.

При неблагоприятных для прокладки ВОК условиях, при соответствующем технико-экономическом обосновании, с разрешения начальника железной дороги, допускается подвеска ВОК в обход тоннеля.

7.2.8 Подвеска ВОК на опорах контактной сети и линий автоблокировки должна осуществляться на кронштейнах в соответствии с типовыми проектными решениями № 418913. Узлы подвески волоконно-оптического кабеля с использованием существующей инфраструктуры железных дорог (утверждены МПС России 16.06.1999 г № 1062у).

На мостах крепление кронштейнов должно осуществляться только с помощью болтов через отверстия, просверленные в элементах мостовых конструкций.

Подвеска нескольких самонесущих ВОК на одних и тех же опорах должна осуществляться на общем кронштейне. Не разрешается размещение на кронштейнах ВОК проводов, изоляторов и других устройств.

7.2.9 Крепление кронштейнов к железобетонным опорам должно производиться с помощью хомутов. При подвеске ВОК, не содержащих металлических элементов, и отсутствии над ним проводов напряжением свыше 0,4 кВ заземление кронштейнов не производится.

При подвеске ВОК, не содержащих металлических элементов, а также при наличии над кабелем проводов напряжением свыше 0,4 кВ, все кронштейны должны быть присоединены к защитной цепи заземления. Между хомутами кронштейнов и железобетонными опорами на участках постоянного тока должны быть проложены изолирующие прокладки.

Не требуется заземление: деталей крепления ВОК к обделке в тоннелях, кронштейнов на мостах и на металлических опорах контактной сети, деталей анкеровок, поддерживающих и натяжных зажимов, кожухов и деталей крепления муфт.

На опорах автоблокировки подвеска ВОК должна осуществляться преимущественно на кронштейнах.

На мостах крепление кронштейнов должно производиться только с помощью болтов через отверстия, просверленные в элементах мостовых конструкций.

7.2.10 Анкеровка ВОК должна производится преимущественно на промежуточных консольных опорах, опорах гибких и жестких поперечин. При этом должна производиться расчетная оценка устойчивости опор в грунте и определяться необходимость установки на них оттяжек.

Не разрешается проводить анкеровку на переходных и анкерных опорах контактной сети.

Места анкеровки определяются проектом и требованиями, установленными изготовителем ВОК.

Анкеровка обязательна по концам строительной длины ВОК, в местах его перехода с одной стороны пути на другую, в местах его ввода в служебные помещения, в местах изменения высоты подвески, в местах изменения направления ВОК (в соответствии с типовыми проектными решениями в зависимости от типов применяемых зажимов). Обязательной является анкеровка в местах технологического запаса ВОК, на порталах тоннелей, а также в местах расположения соединительных и разветвительных муфт.

7.2.11 Не рекомендуется анкеровка ВОК на опорах с несущей способностью менее 45 кН×м, а также анкеровка на опорах с технологическим запасом кабеля, установленных с габаритом менее 3,1 м.

На участках, расположенных в IV - V ветровых районах, а также на участках с зауженным нестандартным земляным полотном необходимо в проектах предусматривать устройство минимального числа анкеровок на опорах контактной сети. По возможности анкеровки располагать в защищенных от ветра местах, а также в местах с нормальной шириной земляного полотна.

7.2.12 Анкеровка ВОК должна производиться с помощью хомутов на железобетонных опорах и с помощью анкерных деталей на металлических опорах.

Захват ВОК при анкеровке должен производиться с помощью натяжных типовых спиральных зажимов.

Все металлические конструкции, используемые для подвески ВОК (кронштейны, хомуты, оттяжки, зажимы и др.) должны иметь антикоррозийное покрытие, либо изготовлены из коррозионно-стойких материалов.

Антикоррозионное покрытие должно преимущественно выполняться путем горячего цинкования. При этом толщина покрытия должна составлять 60 - 70 мкм. Допускается защита металлоконструкций стойкими лакокрасочными или металлическими покрытиями в соответствии с требованиями действующих стандартов и строительных норм.

7.2.13 При проектировании подвески ВОК на опорах контактной сети и линии автоблокировки должны выполняться следующие расчеты механической нагрузки на ВОК:

расчеты максимальной нагрузки при различных метеорологических условиях (ветер, гололед, экстремальная температура);

расчеты силы натяжения кабеля при его протяжке для метеорологических условий, допустимых по техническим условиям на ВОК.

7.2.14 При проектировании необходимо выполнять расчеты стрелы провеса ВОК горизонтального отклонения кабеля и его относительного удлинения.

7.2.15 Для определения возможности подвески ВОК на опорах должна проводиться проверка их несущей способности с учетом следующих дополнительных нагрузок:

ветрового давления на ВОК;

массы гололеда на ВОК и кронштейнах;

усилия от натяжения анкеруемого ВОК;

усилия от изменения направления натяжения ВОК на кривых участках пути.

7.2.16 Нагрузки на опоры контактной сети и линии автоблокировки от ветрового давления на ВОК и гололеда на нем следует определять так же, как для проводов и тросов (повторяемость один раз в 10 лет в соответствии с указаниями Норм проектирования контактной сети, утвержденными Минтрансстроем № ВСН-141-90 и введенными в действие с 1.07.91). При этом, совместно с действующими нагрузками, определяется наиболее неблагоприятное их сочетание, при котором на опоры действует наибольший изгибающий момент.

7.2.17 Усилия от анкеруемого ВОК на опоры должны учитываться в расчетах в зависимости от расположения анкерных зажимов:

при анкеровке ВОК на опоре с одной стороны учитывается полностью усилие, передаваемое на опору от анкеруемого ВОК;

при анкеровке с расположением обоих анкерных зажимов в одном уровне от поверхности земли и в одной плоскости учитывается усилие, передаваемое на опору от одного анкерного зажима;

при анкеровке с расположением анкерных зажимов в разных уровнях, но в одной плоскости, учитывается усилие, передаваемое на опору от анкерного зажима, расположенного на более высокой отметке; при промежуточной анкеровке с расположением анкерных зажимов в перпендикулярных плоскостях (в местах перехода ВОК на другую сторону пути) учитываются усилия, передаваемые на опору от каждого анкерного зажима.

При подвеске и анкеровке на опорах нескольких ВОК учитываются усилия от каждого ВОК.

7.2.18 Нагрузки на опоры от натяжения и изменения направления ВОК необходимо определять в зависимости от принятого максимального натяжения ВОК, действующих на него ветровых и гололедных нагрузок, расчетных максимальной и минимальной температур. Расчетные температуры следует определять в соответствии со СНиП-2.01.01-82. Максимальное натяжение ВОК рассчитывается исходя из требований обеспечения стабильности оптических свойств ВОК, получения нормативных стрел провеса и определяется по монтажным таблицам проекта.

Отклонение фактических натяжений и стрел провеса ВОК от расчетных при любой температуре окружающего воздуха в любом пролете не должно превышать 10 %.

7.2.19 Полученные значения максимального изгибающего момента на уровне условного обреза фундамента опор необходимо сопоставлять с фактической несущей способностью опор, определяемой на основании диагностики опор в соответствии с Указаниями по техническому обслуживанию и ремонту опорных конструкций контактной сети (утверждены МПС России 14.01.96. г., № К-146-96). Диагностика опор проводится дистанциями электроснабжения железных дорог.

Для опор, расположенных в кривых малого радиуса, следует проводить расчеты усилий, возникающих в опорах в аварийном режиме, при падении одной из опор.

7.2.20 Разрешается подвеска ВОК на опорах, несущая способность которых не ниже значений, установленных проектом или стандартом на эти опоры и на опоры, имеющие снижение несущей способности, если расчетное значение изгибающего момента от общей нагрузки ниже фактической несущей способности опоры не менее чем на 10 %.

7.2.21 Допускается оценку состояния опор производить по внешнему виду и размерам дефектов в соответствии с Указаниями по техническому обслуживанию и ремонту опорных конструкций контактной сети.

Подвеска ВОК разрешается на опоры без дефектов, при этом при сроке эксплуатации опор более 20 лет должно учитываться снижение их несущей способности против проектного значения на 10 %. На дефектные и остродефектные опоры подвеска ВОК не допускается.

На участках постоянного тока не допускается подвеска ВОК на железобетонные (двутавровые) опоры, подлежащие замене, а также на железобетонные опоры, несущая способность которых составляет 45 кН×м и менее.

На участках переменного тока по согласованию со службой электроснабжения железной дороги допускается подвеска ВОК на двутавровые и другие опоры старых типов до их замены. При этом несущая способность таких опор должна быть достаточной для восприятия нагрузок не ниже 45 кН×м.

Несущая способность металлических опор должна оцениваться на основании проверочного расчета с учетом фактического коррозионного износа основных элементов.

7.2.22 Несущая способность железобетонных опор линий автоблокировки может быть оценена по такой же методике, что и опор контактной сети с использованием средств диагностики, либо по размерам дефектов.

7.2.23 Оценку состояния жестких поперечин следует производить на основании визуальных обследований и измерений степени коррозионного износа элементов конструкции. Допускается подвеска ВОК на жесткие поперечины, если уменьшение поперечных сечений поясов и элементов решетки вследствие коррозийного износа не превышает 20 %.

7.2.24 Расчет кронштейнов необходимо производить аналогично расчету кронштейнов для проводов на нагрузки, возникающие из-за воздействия ветра и гололеда на ВОК, а также изменения его направления. Кроме того, должна учитываться монтажная нагрузка от массы работника с инструментом, принимаемая равной 100 кг.

7.2.25 Технологические запасы кабелей.

7.2.25.1 Технологические запасы магистральных кабелей следует выполнять по типовым проектным решениям. Узлы подвески волоконно-оптического кабеля с использованием существующей инфраструктуры железных дорог.

7.2.25.2 Длины технологических запасов кабелей предусматривать:

для монтажа соединительной или разветвительной муфты на магистральном кабеле не менее 15 м с каждой стороны;

для монтажа разветвительной муфты запас кабеля ответвления не менее 15 м и длиной не менее 8 м в помещении, куда вводится кабель.

При прокладке кабелей по конструкциям мостов (тоннелей) запас кабеля должен быть длиной не менее 30 м с каждой стороны в ближайших к ним пролетах при протяженности мостов (тоннелей) свыше 150 м и менее 150 м - с одной стороны. При монтаже соединительной муфты в колодце кабельной канализации запас кабеля должен быть не менее 8 м с каждой стороны.

7.2.26 Вводы ВОК в здания

7.2.26.1 Вводы ВОК в здания помещений узлов связи оконечных и промежуточных пунктов должны осуществляться:

для ВОК, прокладываемых в траншее, телефонной канализации, кабельных лотках - через специальные помещения ввода кабелей (шахты), а при их отсутствии через приямки в полу помещения на первом этаже;

для самонесущих ВОК - с ближайшей опоры с анкеровкой кабеля к стене здания, а при расстоянии от опоры до здания, превышающем 50 м, - с дополнительно устанавливаемой вводной железобетонной опоры и вводом кабелей в здание через специальный канал (трубу);

на участках строительства ВОЛП, где подвеска кабеля производится на металлических опорах, - с дополнительно устанавливаемой вводной железобетонной опоры.

При этом должны соблюдаться установленные габариты подвески ВОК.

7.2.26.2 Количество и длина труб для ввода кабелей определяется проектом. Трубы должны применятся из материала, не распространяющего горения.

7.2.26.3 Необходимо обеспечить герметичность ввода оптических кабелей в здание согласно Руководству по герметизации вводов кабелей связи (Минсвязи России).

7.2.26.4 Для прокладки кабелей внутри здания должны применяться кабели с оболочками, не распространяющими горения. Допускается прокладка кабелей с полиэтиленовыми оболочками по зданию в ПХВ трубе, обмотка оболочки ПХВ лентой или обработка оболочек магистральных кабелей, вводимых в помещения, специальными мастиками, не распространяющими горения.

7.2.26.5 Оптические кабели должны вводиться с учетом минимальной длины их прокладки по стене здания и внутри помещения, обеспечения допустимых радиусов изгиба, максимального использования существующих металлоконструкций.

7.2.26.6 Запасы кабелей выкладываются внутри помещений непосредственно при вводе кабеля на стенах или в кабельных желобах.

7.2.27 Проектная документация и согласование трассы

7.2.27.1 В состав линейного раздела проектной документации на строительство ВОЛП с подвеской ВОК на опорах контактной сети или высоковольтной линии автоблокировки входят следующие чертежи:

ситуационный план трассы;

структурная схема трассы;

схема монтажа муфт;

схема трассы кабелей с указанием на чертеже номеров опор, кодов узлов подвески, высоты подвески ВОК, мест расположения муфт и дополнительных сведений по подвеске ВОК в сложных условиях.

7.2.27.2 Согласования трассы производятся с дистанциями сигнализации и связи, энергоснабжения, пути, зданий и сооружений, лесонасаждений и др. по перечню, выдаваемому отделением (управлением) дороги.

При наличии подземных переходов кабелей, прокладке кабелей в канализации, трубопроводах согласования проводятся в объеме, указанном в разделе 7.3 настоящих Норм.

7.2.27.3 Утверждение согласованных чертежей производится в Управлении железной дороги.

7.3 Прокладка волоконно-оптических кабелей в пластмассовых трубопроводах

7.3.1 Основные положения

7.3.1.1 При проектировании ВОЛП с прокладкой кабелей в пластмассовых трубопроводах следует руководствоваться следующими документами:

Правила по строительству волоконно-оптических линий железнодорожной связи с прокладкой кабелей в пластмассовых трубопроводах (утверждены указанием МПС России от 16.06.99 г. № А-1062у);

Типовые материалы для проектирования 419918. ВОЛП ЖТ. Линейные сооружения. Пластмассовые трубопроводы для прокладки волоконно-оптического кабеля. ШП-65-99 (утверждены Указанием МПС РФ от 24.02.2000 № М-390у).

7.3.1.2 При строительстве трубопроводов должны применяться пластмассовые трубки (трубы), муфты и камеры из полиэтилена высокой плотности или из поливинилхлорида, удовлетворяющие требованиям соответствующих ГОСТов и технических условий.

Изделия и материалы для строительства трубопроводов должны иметь сертификаты соответствия Российской Федерации.

7.3.1.3 Для прокладки ВОК в магистральном трубопроводе предусматривается, как правило, способ прокладки в потоке воздуха (бесплунжерный и с использованием плунжеров). На коротких участках (местные сети, вводы, ответвления) затяжка кабеля может производиться вручную или механизированным способом.

7.3.2 Выбор изделий для проектируемого трубопровода

7.3.2.1 Пластмассовый трубопровод для прокладки ВОК состоит из следующих основных частей:

трубок (труб);

соединительных муфт;

камер для размещения соединительных или разветвительных оптических муфт (КОМ);

камер для размещения запаса ВОК (КЗК); камеры КОМ и КЗК могут быть одного типа;

вводов, применяемых для обеспечения герметичности при вводе ВОК в трубку (трубу) или камеру;

вводов для обеспечения герметичности ввода трубки в трубу кабельной канализации или защитную трубу;

заглушек для обеспечения герметичности резервных трубопроводов.

7.3.2.2 Выбор трубок (труб) определяют следующие факторы:

глубина прокладки в грунте;

способ прокладки трубопроводов;

условия прокладки (в траншее или щели, в канализации, желобе, тоннеле);

протяженность трубопровода;

количество и диаметры прокладываемых ВОК;

способ прокладки ВОК в трубопроводе;

коэффициент трения при взаимодействии: наружной поверхности кабеля и внутренней поверхности трубки (трубы); наружной поверхности трубки (трубы) и внутренней поверхности трубы или канала блока канализации;

температура при строительстве и эксплуатации;

устойчивость к воздействиям кислот, масел, загрязнений и примесей, содержащихся в структуре грунтов;

коэффициент теплового удлинения трубок (труб);

устойчивость к воздействиям от проходящих поездов;

устойчивость к воздействиям мерзлотно-грунтовых процессов;

возможность получения трубок (труб) различных цветов при одновременной прокладке нескольких трубок.

На относительно коротких участках (местные сети, вводы в здания, кабельная канализация, ответвления от магистрального трубопровода) в проектах следует предусматривать отрезки трубок (труб) с заготовленным тросиком для протяжки кабеля.

7.3.2.3 Муфты для соединения пластмассовых трубок (труб) выбираются с учетом способов прокладки пластмассовых трубопроводов и ВОК.

При прокладке трубоукладчиком нескольких строительных длин трубок без выглубления ножа трубоукладчика применяются только электросварные муфты.

Пластмассовые резьбовые и электросварные соединительные и переходные муфты применяются для всех других способов прокладки ВОК.

Металлические резьбовые муфты, защищенные термоусаживаемыми элементами, могут применяться при любых способах прокладки ВОК, кроме прокладки в потоке воздуха.

Для компенсации изменения длины пластмассовых трубопроводов при смене температуры окружающего воздуха при его прокладке по мостам, в тоннелях или подвеске на тросе длиной более 30 м должны предусматриваться компенсирующие муфты типа «ELOC».

7.3.2.4 Типы камер выбираются с учетом размещения оптической муфты или запаса кабеля, количества и необходимого диаметра вводных патрубков, требуемой по условиям эксплуатации механической прочности и устойчивости.

7.3.2.5 Типоразмеры вводов, применяемых для обеспечения герметичности пластмассовых трубопроводов, выбираются с учетом количества прокладываемых трубок и кабелей и их диаметров.

7.3.3 Выбор трассы строительства трубопроводов

7.3.3.1 Трасса для строительства трубопровода может намечаться как в полосе отвода железной дороги, так и в пределах земляного полотна железной дороги. В последнем случае должно производиться соответствующее технико-экономическое обоснование и согласование с Управлением железной дороги.

Выбор трассы строительства трубопроводов должен производиться с учетом максимального использования при выполнении строительно-монтажных работ машин и механизмов, обеспечения надежности работы кабельной линии и удобства ее эксплуатации.

За пределами полосы отвода железной дороги выбор трассы следует осуществлять согласно требований Земельного Кодекса РСФСР.

7.3.3.2 Трассу прокладки трубопроводов следует выбирать с учетом перспективы строительства дополнительных путей, водоотводов и других сооружений на перегонах и путевого развития станций.

Трасса должна располагаться, как правило, со стороны пути, свободной от опор контактной сети или линий электропередачи, установленных в габарите опор контактной сети.

7.3.3.3 На участках, где ведется капитальный ремонт пути, строительство железнодорожных линий или вторых путей, трассу прокладки трубопроводов следует выбирать после окончания вертикальной и горизонтальной планировок.

7.3.3.4 При выборе трассы:

определяются места пересечений и сближений ее с железнодорожными путями и автодорогами, наземными и подземными сооружениями и коммуникациями, естественными преградами;

устанавливаются участки, на которых необходимо выполнить защиту трубопроводов от тепловых и химических воздействий;

принимаются решения о способах прокладки трубопроводов по искусственным сооружениям (мостам, путепроводам, тоннелям);

определяются участки совместной прокладки трубопроводов для волоконно-оптических кабелей железнодорожной связи с трубопроводами и кабелями другого назначения (СЦБ, электроснабжения и др.).

Количество переходов трассы прокладки трубопроводов под железнодорожными путями должно быть минимальным.

7.3.3.5 В пределах одного перегона или станции трасса строительства трубопровода, как правило, должна проходить, с одной и той же стороны пути.

7.3.3.6 Переход трассы трубопровода с земляного полотна в полосу отвода и под путями должен производиться под углом не менее 120° с учетом обеспечения прокладки в потоке воздуха строительной длины кабеля.

7.3.3.7 С целью обеспечения прокладки за один раз максимальной длины кабеля (в том числе в потоке воздуха) трасса прокладки трубопровода должна быть, по возможности, прямолинейной и без резких перепадов в вертикальной плоскости.

7.3.3.7 В земляном полотне железной дороги трасса прокладки трубопровода выбирается, как правило, по обочине земляного полотна.

При нецелесообразности или невозможности прокладки трубопроводов в обочине земляного полотна трасса трубопроводов должна проходить по бермам (при насыпях) или по закюветным полкам (при выемках).

В случае отсутствия берм они могут отсыпаться специально для прокладки трубопровода. При этом ширина бермы должна быть не менее 3 м, высота - не менее 1 м.

7.3.3.8 При прокладке трубопровода по обочине трасса прокладки должна проходить так, чтобы расстояние до края щели (при бестраншейном способе прокладки трубок или труб) или до края траншеи от подошвы балластной призмы составляло не менее 0,2 ... 0,25 м.

7.3.3.9 Трасса должна располагаться, как правило, со стороны пути, свободной от опор контактной сети или линий электропередачи, установленных в габарите опор контактной сети.

7.3.3.10 В земляном полотне с уложенным геотекстилем или плитами пенополистирола трасса прокладки трубопровода должна проходить на расстоянии не менее 0,3 м от края плит или геотекстиля.

При конструкции насыпи земляного полотна с укладкой грунта в обойме из геотекстиля, расстояние от боковой стенки или дна щели до геотекстиля должно быть не менее 0,3 м.

7.3.3.11 В стесненных условиях, при прокладке трубопроводов на расстоянии менее 10 м от концевых опор с отсасывающими фидерами контактной сети и мест их подключения к тяговой рельсовой сети, и на расстоянии менее 0,5 м от заземляющих проводников, других металлических сооружений, конструкций и опор контактной сети, трубопровод на длине 3 м по обе стороны в месте сближения необходимо укладывать в защитных асбестоцементных или пластмассовых трубах. Допускается применение разрезанных вдоль продольной оси труб с последующим их соединением после наложения на трубопровод.

7.3.3.12 На перегонах и станциях трасса прокладки трубопровода может проходить по обочине между опорами контактной сети и бровкой земляного полотна. При этом, расстояние от трубопровода до внешней поверхности откоса насыпи по горизонтали должно быть не менее глубины заложения трубопровода, а расстояния от опор контактной сети и других конструкций до трубопровода должны соответствовать требованиям п. 7.3.3.11 настоящих Норм.

7.3.3.13 Трасса прокладки трубопровода в берме должна проходить на расстоянии не менее 1 м от линии сопряжения откоса насыпи с полкой бермы, а в закюветной полке - по ее середине.

7.3.3.14 Трасса прокладки трубопроводов по станции должна проходить, как правило, по обочинам крайних путей или в междупутьях малодеятельных путей, свободных от кабельных линий, опор контактной сети и линий электроснабжения, воздухопроводов для пневматической очистки стрелок, маслопроводов, водоотводов, устройств связи громкоговорящего оповещения. Запрещается выбор трассы прокладки трубопровода в междупутье, смежном с главными путями.

7.3.3.15 Трасса прокладки трубопровода по обочине земляного полотна железной дороги по станции в случае, если главный путь является крайним, должна выбираться на расстоянии не менее 3,1 м от оси пути, а на электрифицированных участках - за опорами контактной сети со стороны «поля».

7.3.3.16 При пересечении путей трасса трубопроводов не должна проходить под стрелочными переводами и глухими пересечениями и приближаться к ним менее чем на 3 м; должна располагаться на расстоянии не менее 1,5 м от стыков рельсов.

7.3.3.17 При выборе трассы строительства трубопроводов вне земляного полотна железной дороги:

а) трасса должна проходить, как правило, в полосе отвода железной дороги с минимальным выходом за полосу отвода на одном и том же расстоянии от ближайшего пути по стороне с менее пересеченным рельефом местности, с меньшими площадями лесных массивов и снегозащитных лесопосадок, болотистых и затопляемых мест;

б) трасса должна обходить сплошные снегозащитные лесопосадки, а при рядовых посадках проходить между рядами;

в) трасса должна как можно реже пересекаться и сближаться с наземными и подземными сооружениями и коммуникациями, естественными преградами, а также пересекаться с железными и автомобильными дорогами. При выборе трассы прохождения трубопроводов вблизи подземных и наземных сооружений и коммуникаций, расстояние от них до трассы должно исключать повреждение трубопроводов при производстве ремонта этих сооружений и коммуникаций;

г) трассы трубопровода и воздушной линии автоблокировки должны располагаться, как правило, по разные стороны от железнодорожного пути. При невозможности выполнения этого требования трасса трубопровода должна располагаться со стороны «поля» по отношению к высоковольтной линии автоблокировки;

д) при выходе трассы за пределы полосы отвода она должна проходить, как правило, по землям несельскохозяйственного назначения или по сельскохозяйственным угодьям худшего качества (по согласованию с землепользователем), лесным массивам, в обход болот, зон возможных затоплений (сезонной заболоченности) и зон с большой плотностью поселения грызунов;

е) запрещается прохождение трассы в смещающихся грунтах, на оползневых участках и в зонах селевых потоков и обвалов;

ж) в кривых участков железных дорог допускается спрямление трассы;

з) трасса строительства трубопроводов на участках с опасными для трубопроводов мерзлотно-грунтовыми процессами (морозным пучением, морозобойными трещинами и др.) должна проходить по сухим, возвышенным местам с обходом, по возможности, участков с переувлажненными грунтами. Предпочтение при выборе трассы следует отдавать участкам с залеганием коренных пород на небольшой глубине от поверхности, залесенным участкам, сухим склонам северной экспозиции, низовой стороне по отношению к земляному полотну железных дорог;

к) при прокладке трассы в полосе отвода болота и мари с высоким уровнем залегания подземных вод и льда следует обходить переходом трассы в земляное полотно железной дороги;

л) в лесистой местности следует учитывать необходимость устройства просеки шириной 6 м с расчисткой и корчевкой пней в полосе шириной 4 м, а также на всю ширину (6 м) на протяжении 50 м в сплошных лесных массивах через каждые 1,5 км.

7.3.4 Бестраншейная прокладка трубопроводов

7.3.4.1 Для бестраншейной прокладки трубопроводов следует применять трубоукладчики на железнодорожном ходу, буксируемые и самоходные трубоукладчики на колесном и гусеничном ходу.

В комплект машин и механизмов для бестраншейной прокладки трубопроводов должны входить бункеры для устройства верхней и нижней постели при прокладке трубопровода в крупнообломочных и гравелистых грунтах с подачей песка в щель.

7.3.4.2 Допускается одновременная совместная прокладка трубок (труб) и кабелей связи и сигнально-блокировочных. Количество одновременно прокладываемых трубок (труб) или трубок (труб) и кабелей не должно превышать четырех.

7.3.4.3 Глубина прокладки трубок (труб) в обочине на перегоне и станции должна быть не менее 1,1 м от поверхности, а в междупутье на станции - не менее 0,7 м.

По берме, по закюветной полке или в полосе отвода железной дороги трубки (трубы) должны прокладываться на глубине не менее 0,9 м от поверхности.

Изменение указанной глубины прокладки должно определяться проектной документацией.

7.3.4.4 При прокладке двух рядов трубок (или трубок и кабелей) глубина заложения верхнего ряда должна быть не менее указанной в п. 7.3.4.3 настоящих Норм.

7.3.5 Прокладка трубопроводов в траншеях

7.3.5.1 Разработку траншей для прокладки трубопроводов или труб следует выполнять, как правило, механизированным способом с использованием траншеекопателей на железнодорожном ходу, цепных, роторных или фрезерных траншейных экскаваторов, одноковшовых экскаваторов и баровых машин.

7.3.5.2 Глубина прокладки трубопроводов должна соответствовать указанной в п.п. 7.3.4.3, 7.3.4.4 настоящих Норм.

В случае, если траншея вырыта в крупнообломочных и гравенистых грунтах или грунтах, содержащих щебень, шлак, строительный мусор и др., необходимо предусматривать устройство нижней и верхней постелей из крупнозернистых или пылеватых песчаных грунтов.

Толщина нижней и верхней постелей должна быть не менее 100 мм для каждой.

При необходимости устройства постели и прокладке трубопроводов в один ряд значения глубины траншей увеличиваются на 0,1 м.

7.3.5.3 При прокладке трубопроводов в несколько ярусов (рядов) глубины траншей увеличиваются с учетом устройства постели толщиной 0,05 м между рядами трубопроводов.

7.3.5.4 Ширина траншеи определяется с учетом количества прокладываемых трубопроводов.

Расстояние от ближайшего рельса до трубопровода должно составлять по горизонтали:

не менее 1,6 м - при прокладке трубопровода по обочине и высоте балластной призмы более 0,5 м;

не менее 1,9 м - при прокладке трубопровода по обочине и высоте балластной призмы менее 0,5 м;

не менее 1,4 - при прокладке трубопровода в междупутье.

7.3.5.5 Расстояние между трубопроводами в траншее должно быть не менее 50 мм, а расстояние между трубопроводами и стенками траншеи - не менее 100 мм.

7.3.5.6 Предупредительная лента должна укладываться в щель (при бестраншейной прокладке кабеля) или в траншею в случае, если трасса прокладки трубопровода проходит вне земляного полотна железной дороги. Расстояние от трубопровода до предупредительной ленты - 400 мм.

В зависимости от ширины траншеи предупредительная лента может укладываться на всю ширину либо могут использоваться несколько лент с обязательной их укладкой по краям траншеи. Расстояние между лентами при укладке нескольких лент должно быть не более 100 мм.

7.3.6 Прокладка трубопроводов по мостам и путепроводам

7.3.6.1 По металлическим и железобетонным мостам и путепроводам трубопроводы должны прокладываться, как правило, в существующих конструкциях для прокладки кабелей (железобетонных, металлических или деревянных желобах с крышками, днищами и боковыми стенками, обитыми кровельным железом) либо во вновь устанавливаемых металлических, пластмассовых (из негорючих материалов) или железобетонных желобах или в защитных трубопроводах из негорючих материалов внутренним диаметром не менее 100 мм.

С учетом удобства прокладки трубопровода и его технического обслуживания предпочтительным является применение желобов.

7.3.6.2 Пластмассовые желоба должны быть изготовлены из трудновозгораемого самозатухающего материала (например, поливинилхлорида) и быть устойчивыми к механическим и климатическим воздействиям, возникающим в процессе эксплуатации.

7.3.6.3 В одном защитном трубопроводе может быть проложено до четырех пластмассовых трубопроводов для прокладки кабеля. Коэффициент заполнения защитного трубопровода - не более 0,75.

7.3.6.4 Допускается применение для прокладки волоконно-оптических кабелей пластмассовых трубопроводов, подвешиваемых на конструкциях моста. Материал трубопроводов должен быть устойчив к воздействию ультрафиолетового излучения. Для подвески должны использоваться, как правило, специальные трубки 8-образной формы с встроенным тросом. Возможна подвеска трубок на канатах, сплетенных из стальных оцинкованных проволок горячекатанной стальной оцинкованной проволоки, а также на проводах марок ПС или ПМС.

Сечение каната или провода выбирают при проектировании в зависимости от нагрузки, длины пролета и требуемой стрелы провеса.

Расстояния между точками крепления трубопровода к тросу не должны превышать десятикратного диаметра трубопровода.

7.3.6.5 По малым железнодорожным мостам без перильных ограждений трубопроводы, как правило, следует прокладывать в металлических желобах, устанавливаемых параллельно мосту на конструкциях, не связанных с его пролетным строением. Для крепления несущих конструкций желобов нельзя устанавливать дополнительные закладные детали в существующих пролетных строениях железобетонных мостов, а также прокладывать трубопроводы в балластном корыте моста.

7.3.6.6 Желоба, устанавливаемые на протяженных металлических мостах с ездой понизу и предназначенные для прохода людей в период строительства и эксплуатации трубопроводов, необходимо оборудовать специальными перильными ограждениями высотой 1,1 м.

7.3.6.7 Трубопроводы для волоконно-оптических кабелей допускается прокладывать совместно с действующими, а также с вновь прокладываемыми кабелями связи, контрольными, а также кабелями для сигнализации и блокировки.

7.3.6.8 При совместной прокладке в одном желобе пластмассовые трубопроводы должны отделяться от силовых кабелей несгораемой перегородкой.

7.3.6.9 По поперечным скалкам, конструкциям с неровностями поверхности и т.п. трубопроводы должны прокладываться с обязательным применением пластмассовых (полиэтиленовых, поливинилхлоридных и др.) подкладок.

7.3.6.10 Трубопроводы в металлических желобах следует прокладывать на упругом основании толщиной 8 см из стекловаты, базальтового полотна и других материалов с аналогичными свойствами.

При прокладке в желобах расстояние между трубопроводом и стенками желоба должно составлять не менее 50 мм.

7.3.6.11 Строительные длины кабелей следует подбирать так, чтобы оптические соединительные муфты располагались вне моста.

7.3.6.12 Переход трубок с конструкций моста в грунт должен выполняться в пластмассовых или асбестоцементных трубах или в железобетонных желобах с крышками, укладываемых под углом 30° к поверхности грунта до глубины прокладки трубок. Части желоба, находящиеся в грунте, должны иметь антикоррозионное покрытие.

7.3.6.13 При длине моста свыше 30 м с одной стороны моста устанавливается камера для укладки запаса кабеля, а с другой стороны - камера для размещения компенсирующей муфты. При длине моста более 100 м компенсирующие муфты устанавливаются через каждые 100 м. Камеры с запасом кабеля устанавливаются вне его пределов. Если длина моста менее 30 м, укладка запасов кабелей и монтаж компенсирующих муфт не требуется.

7.3.6.14 Металлические желоба и конструкции для подвески трубопровода должны быть заземлены.

7.3.7 Прокладка трубопроводов в кабельных желобах

7.3.7.1 Пластмассовые трубопроводы могут прокладываться в существующих и проектируемых кабельных желобах (железобетонных или пластмассовых), расположенных в теле земляного полотна или в полосе отвода.

Трасса прокладки желобов не должна проходить над кабелями и другими подземными коммуникациями, уложенными в грунт, за исключением пересечений.

Допускается укладка трубопроводов в несколько ярусов. В соответствии с проектной документацией желоба могут быть засыпаны песком.

7.3.7.2 В случае прокладки трубопроводов с волоконно-оптическими кабелями совместно с сигнально-блокировочными, контрольными и кабелями связи трубопроводы с волоконно-оптическими кабелями следует прокладывать крайними в верхнем ряду.

7.3.7.3 Совместная прокладка в одном желобе пластмассовых трубопроводов и силовых кабелей напряжением свыше 1 кВ запрещается.

Силовые кабели напряжением от 400 В до 1 кВ включительно при размещении в одном желобе с пластмассовыми трубопроводами должны быть отделены от них несгораемой перегородкой.

7.3.7.4 При прокладке трубопроводов в существующих кабельных желобах в местах изменения направления трассы на 90° на стыке желобов устраивается угловая вставка, состоящая из треугольного дна и стенки.

7.3.8 Прокладка трубопроводов в кабельной канализации

7.3.8.1 В кабельной канализации должны прокладываться, как правило, трубопроводы из трубок наружным диаметром до 63 мм включительно.

7.3.8.2 В блоке труб кабельной канализации трубки должны располагаться, как правило, в середине блока по вертикали и у края по горизонтали.

7.3.8.3 Не допускается прокладывать трубопроводы в каналах, занятых бронированными кабелями или кабелями в металлических оболочках без пластмассового шланга.

7.3.8.4 Затяжка трубок в каналы кабельной канализации должна производиться, как правило, механизированным способом с применением кабельных машин или специальных лебедок, обеспечивающих отключение привода или проскальзывание троса при превышении тягового усилия, допустимого для затягиваемых трубок.

7.3.8.5 Запас длины трубок с обоих концов проложенного трубопровода должен быть достаточным для выкладки в колодцах и устройствах соединительных муфт с учетом растяжения трубки при затягивании и частичного восстановления длины трубки в течение 1 ... 1,5 часа после снятия тягового усилия.

Муфту, как правило, следует располагать в месте минимального изгиба трубопровода - посредине боковой стенки колодца.

7.3.8.6 Трубопроводы должны укладываться по форме колодца без перекрещивания с другими трубопроводами и кабелями.

Радиус изгиба трубопроводов не должен быть менее допустимого.

Трубопроводы, проложенные в одном канале, выкладываются в колодце одним пакетом.

После выкладки следует закрепить трубопроводы на вертикальных стойках (кронштейнах) колодца.

7.3.9 Пересечение и сближение трубопроводов с инженерными сооружениями и зелеными насаждениями

7.3.9.1 Под железнодорожными путями, автомобильными дорогами, при пересечении водоотводных лотков, дренажных труб, кюветов, а также в других предусмотренных проектом случаях пластмассовые трубопроводы следует прокладывать в асбестоцементных, специальных пластмассовых, керамических, железобетонных защитных трубах или в железобетонных желобах.

7.3.9.2. В одной защитной трубе может прокладываться только один трубопровод с коэффициентом заполнения защитной трубы не выше 0,75.

7.3.9.3 Переход под железнодорожными путями следует сооружать преимущественно в местах расположения невысоких насыпей и нулевых отметок земляного полотна.

Устройство переходов в выемках допускается в исключительных случаях.

7.3.9.4 При устройстве переходов под путями расстояние от поверхности балластной призмы до верха защитной трубы или желоба должно составлять не менее 1,1 м.

В случае сооружения земляного полотна с применением пенополистирола или геотекстиля, защитная труба должна располагаться ниже пенополистирола или геотекстиля не менее чем на 0,25 м. Концы труб должны быть удалены по горизонтали от рельсов не менее чем на 1,5 м.

7.3.9.5 При пересечении автодорог расстояние от поверхности проезжей части автодороги до верха защитной трубы или желоба должно составлять не менее 1,1 м.

7.3.9.6 Переходы под железнодорожными путями и автодорогами должны выполняться, как правило, закрытым способом - проколом, продавливанием или горизонтального бурения.

Допускается устройство переходов под железнодорожными путями открытым способом - разработкой траншеи в шпальном ящике с обязательным креплением стенок траншеи.

7.3.9.7 При пересечении дренажных труб защитные трубы должны прокладываться поверх них с просветом по вертикали не менее 300 мм. Концы защитных труб должны располагаться по горизонтали на 0,5 м от дренажных труб или трассы их предполагаемой прокладки.

7.3.9.8 Стыки труб должны быть защищены от проникновения влаги специальными муфтами. Концы защитных труб до прокладки трубок должны быть герметично заглушены.

7.3.9.9 На пересечении с кюветами и водоотводными лотками защитные трубы следует располагать на 0,5 м ниже дна кювета или на 0,25 м ниже дна водоотводных лотков. Концы защитных труб должны выступать за края кюветов или водоотводных лотков на 0,5 м.

7.3.9.10 Пересечение пластмассовыми трубопроводами с волоконно-оптическими кабелями (других) трубопроводов, в том числе нефте- и газопроводов, выполняют на расстоянии не менее 0,5 м от трубопровода. Допускается уменьшать это расстояние до 0,25 м, при условии прокладки пластмассовых трубопроводов на участке пересечения плюс по два метра в каждую сторону в защитных трубах.

7.3.9.11 Трубопроводы с волоконно-оптическими кабелями при пересечении должны прокладываться выше канализационных и водопроводных сетей, выше или ниже кабелей железнодорожной связи и кабелей для сигнализации и блокировки, выше продуктопроводов (газопроводов, нефтепроводов) и теплосетей.

7.3.9.12 Пластмассовые трубопроводы должны пересекать теплопроводы на расстоянии не менее 0,5 м от перекрытия теплопровода в свету, а в стесненных условиях не менее 0,25 м.

При этом теплопровод на участке пересечения плюс по 2 м в каждую сторону от крайних кабелей должен иметь такую теплоизоляцию, чтобы температура грунта не превышала температуры эксплуатации трубок или труб трубопровода с кабелем, указанной в документации на их изготовление и применение (технические условия, паспорт, инструкция по эксплуатации и др.). Если температура грунта выше, то трубопровод прокладывают на расстоянии 0,7 м и более или укладывают его под теплопроводом в защитных трубах на расстоянии 0,5 м.

7.3.9.13 Пластмассовые трубопроводы пересекаются с силовыми кабелями с подсыпкой между ними слоя земли толщиной не менее 0,5 м. Это расстояние в стесненных условиях при пересечении с кабелями напряжением до 35 кВ может быть уменьшено до 0,15 м, если разделить кабели и трубопроводы плитами из бетона, железобетона или другого равнопрочного материала, либо проложить кабели или трубопроводы в защитных трубах (асбестоцементных, бетонных или железобетонных). Пластмассовые трубопроводы должны располагаться выше силовых кабелей.

7.3.9.14 При пересечении трубопроводами кабелей для сигнализации и блокировки, кабелей связи или трубопроводов с этими кабелями между ними насыпают слой мягкой земли или песка толщиной 0,05 м.

7.3.9.15 Трубопроводы прокладываются вдоль зданий на расстоянии не менее 0,6 м от фундамента здания. Под зданиями (за исключением вводов) прокладывать трубопроводы запрещается.

7.3.9.16 При параллельной прокладке пластмассовых трубопроводов с трубопроводами другого назначения их располагают на расстоянии не менее 1 м по горизонтали в свету от трубопроводов водопровода, канализации и дренажа, не менее 2 м до газопроводов низкого (0,0049 МПа), среднего (0,294 МПа) и высокого (более 0,294 и до 1,176 МПа) давления. В стесненных условиях допускается уменьшать указанные расстояния (за исключением расстояний до трубопроводов с горючими жидкостями и газами) до 0,5 м без специальной защиты пластмассовых трубопроводов и до 0,25 м при прокладке пластмассовых трубопроводов в защитных трубах. Параллельная прокладка пластмассовых трубопроводов над и под трубопроводами в вертикальной плоскости запрещается.

7.3.9.17 Параллельно каналу теплопровода пластмассовые трубопроводы прокладывают на расстоянии не менее 2 м от стенки канала теплопровода, который на всем участке сближения с трубками должен иметь такую теплоизоляцию, чтобы температура грунта не превышала допустимой температуры эксплуатации трубок (труб) пластмассового трубопровода и кабелей в них, указанной в документации на изготовление и применение (технические условия, паспорт, инструкция по эксплуатации и др.).

7.3.9.18 При прокладке трубопроводов вдоль железнодорожного пути в берме земляного полотна, их следует располагать на расстоянии не менее 1 м от линии сопряжения откоса насыпи с полкой бермы. Ширина бермы должна быть не менее 3 м.

7.3.9.19 При прокладке трубопроводов вдоль водоотводов или кюветов расстояние от трубопровода до края водоотвода или кювета должно составлять не менее 1 м.

7.3.9.20 При параллельной прокладке трубопроводов с автодорогами I и II категорий трубопроводы располагают с внешней стороны кювета или подошвы насыпи на расстоянии не менее 1 м от бровки или не менее 1,5 м от бордюрного камня. Уменьшение указанного расстояния допускается в каждом отдельном случае по согласованию с управлениями (владельцами) дорог.

7.3.9.21 В зоне зеленых насаждений трубопроводы следует прокладывать, как правило, на расстоянии не менее 2 м от стволов деревьев. По согласованию с дистанцией или организацией, в ведении которой находятся зеленые насаждения, допускается уменьшить это расстояние при условии прокладки трубопроводов в защитных трубах, проложенных подкопкой. При прокладке трубопроводов в пределах зеленой зоны с кустарниковыми посадками, расстояния от трубопроводов до кустарников допускается уменьшить до 0,75 м.

7.3.9.22 Прокладку трубопроводов с волоконно-оптическими кабелями параллельно с силовыми и сигнально-блокировочными кабелями, а также с кабелями связи либо с трубопроводами с этими кабелями выполняют на расстоянии 500 мм в свету по горизонтали. В случае необходимости, по согласованию с заказчиком и эксплуатирующими организациями, с учетом местных условий, допускается уменьшать это расстояние до 250 мм, при условии обеспечения дополнительной защиты пластмассового трубопровода от повреждений (прокладка в защитных трубах, установка несгораемых перегородок и др.).

7.3.9.23 Прокладка трубопроводов с волоконно-оптическими кабелями может производиться совместно с сигнально-блокировочными кабелями и кабелями связи с медными жилами.

При необходимости разделения трасс прокладки трубопроводов с волоконно-оптическими кабелями с трассами прокладки сигнально-блокировочных кабелей и кабелей связи с медными жилами, расстояние между трубопроводом и кабелями должно быть не менее 500 мм в свету по горизонтали.

7.3.10 Установка камер

7.3.10.1 Камеры могут устанавливаться непосредственно на трассе трубопровода (в разрез его) либо с выносом в сторону от трассы.

7.3.10.2 При прокладке двух трубопроводов и установке камеры в разрез одного из них, расстояние от камеры до проходящего рядом трубопровода должно быть не менее 300 мм.

7.3.10.3 При прокладке двух трубопроводов и установке камер на обоих трубопроводах, камеры могут устанавливаться напротив друг друга на расстоянии не менее 400 мм либо со смещением по трассе трубопровода на расстоянии не менее 3 м друг от друга.

7.3.10.4 Расстояние от камер, устанавливаемых в земляном полотне железной дороги, до опор контактной сети, светофоров, релейных или батарейных шкафов должно быть не менее 3 м.

7.3.10.5 При выборе мест установки камер учитываются: местные грунтовые и планировочные условия; необходимость использования части длины кабеля для монтажа муфты и создания запаса, кольцами укладываемого в камере (не менее 8 м с каждой стороны, но с уточнением длины кабеля в зависимости от типа монтируемой муфты); конструкция моста и способ прокладки по нему защитных трубопроводов и желобов.

7.3.10.6 Должны применяться, как правило, герметичные камеры. Допускается применять камеры с отверстиями в дне для пропуска воды. Камеры с отверстиями в дне после монтажа муфты и укладки колец запаса кабеля должны засыпаться песком.

7.3.10.7 При выборе типа камеры следует учитывать массу расположенного над камерой грунта, размеры соединительной муфты и необходимость укладки колец технологического запаса кабелей с соблюдением допустимого для данных кабелей радиуса изгиба.

7.3.10.8 В земляном полотне железной дороги камеры устанавливаются на уплотненном песчаном основании так, чтобы отверстия для ввода трубопровода находились на глубине прокладки трубопровода. Расстояние от оси пути до камеры должно быть не менее 3100 мм (на участках со скоростным движением - в соответствии с установленными Указаниями МПС России габаритами).

7.3.10.9 При прокладке трубопроводов в обочине земляного полотна камеры должны также размещаться на обочине при достаточной ее ширине.

Если ширина обочины недостаточна для установки камеры, возможны следующие решения: камеры устанавливаются на специально сооружаемых площадках; камеры размещаются у подошвы насыпи или на берме (при насыпях менее 2 м); камеры размещаются на закюветных полках, а при их отсутствии - за пределами откоса выемки на расстоянии не менее 3 м от бровки выемки.

При устройстве площадок расстояние от камеры до края площадки должно составлять не менее 0,5 м.

Площадки должны сооружаться со стенками из железобетонных плит или бревен, опирающихся на стойки из железобетонных приставок или бревен, пропитанных антисептиком.

7.3.10.10 В выемке или на нулевых отметках с наличием водоотводов при установке камеры между путем и водоотводом край водоотводного лотка должен находиться от камеры на расстоянии не менее 0,5 м. При невозможности установки камеры между путем и водоотводом, камеру следует размещать за водоотводом в сторону «поля» на расстоянии не менее 2 м от края водоотвода с обеспечением необходимой защиты подводимого трубопровода от механических повреждений.

7.3.10.11 Камера для размещения запасов кабелей устанавливается в непосредственной близости от места перехода трубок на мост с учетом перспективы его ремонта, реконструкции и других условий эксплуатации.

7.3.10.12 Требования при установке камер в полосе отвода:

в случае сухих глинистых и песчаных грунтов, при уровне грунтовых вод ниже глубины промерзания, камера устанавливается в котловане на выравненное и уплотненное песчаное основание и засыпается дренирующим грунтом;

в глинистых и песчаных мокрых грунтах, при уровне грунтовых вод на уровне поверхности грунта, камера устанавливается на поверхности грунта с последующей обваловкой;

при нахождении подземных вод ниже поверхности грунта, но выше глубины промерзания, камера устанавливается в котловане выше уровня подземных вод на 20 см;

не рекомендуется устанавливать камеры на заболоченных грунтах. В случае крайней необходимости сооружаются основания с заменой слабого грунта, устройством насыпей и т.д.

7.3.11 Прокладка кабелей в трубках в потоке воздуха

7.3.11.1 При прокладке в потоке воздуха кабели наружным диаметром 9 мм прокладываются в трубках 25/21; 12 мм - в трубках 32/27, 32/26, 32/25; 14 мм - 37/32, 37/31; 15 мм - 40/35, 40/34, 40/33, 40/32; 20 мм - 50/43, 50/42, 50/41; 25 мм - 63/55, 63/53.

7.3.11.2 Вдувание кабеля в трубопровод может производиться с применением одного, двух или трех комплектов оборудования, располагаемых по трассе прокладки трубопровода.

7.3.11.3 Вдувание кабелей с применением плунжеров выполняется в трубки 25×2,0; 32×2,0; 40×2,0; 40×3,5; 40×3,7; 50×2,5; 50×3,5; 50×4,6; 63×5,8 мм.

7.3.11.4 Компрессор должен обеспечивать давление от 0,8 до 1,2 МПа и производительность 4 ... 15 м3/мин.

Температура воздуха на выходе компрессора не должна превышать плюс 50 °С при температуре окружающего воздуха не более плюс 25 °С.

7.3.12 Протяжка кабелей в трубопроводах

7.3.12.1 Кабели могут затягиваться в трубопроводы как ручным, так и механизированным способом в зависимости от длины кабеля, подлежащего прокладке.

При затягивании более одного кабеля коэффициент заполнения трубопровода (отношение суммы диаметров прокладываемых кабелей к величине внутреннего диаметра трубопровода) не должен превышать 0,75.

7.3.12.2 Для протяжки кабелей механизированным способом должны использоваться специальные кабельные лебедки, обеспечивающие отключение привода или проскальзывание троса при превышении тягового усилия максимальной величины для данного кабеля.

При механизированной протяжке кабелей следует использовать тяговые канаты из синтетических материалов либо металлические тросы с пластмассовым покрытием.

7.3.12.3 Технологические запасы для монтажа кабелей должны составлять: 8 м - при прокладке трубопроводов в траншее; 5 м - при прокладке трубопроводов в кабельной канализации.

7.3.13 Устройство вводов трубопроводов в служебно-технические здания

7.3.13.1 Вводы трубопроводов с волоконно-оптическими кабелями в служебно-технические здания должны выполняться раздельно с вводами кабелей электроснабжения и кабелей устройств СЦБ.

7.3.13.2 Места ввода трубопроводов должны выбираться с учетом минимальной длины прокладки их внутри здания, минимального количества изгибов и удобства их обслуживания.

7.3.13.3 Ввод трубопроводов должен производиться через установленный в проеме фундамента или стене здания вводный блок трубами, имеющими асбестоцементные, бетонные или металлические антикоррозионные покрытия, и с диаметрами, соответствующими диаметрам вводимых трубок. Емкость вводного блока определяется с учетом числа вводимых трубопроводов и резервных каналов.

7.3.13.4 Длина труб вводного блока должна обеспечивать доступ к их внешним концам без нарушения отмостки здания, обваловки, дренажей, водоотводных кюветов и других сооружений.

7.3.13.5 Каждый трубопровод должен подводиться к вводному блоку на уровне трубы, через которую он вводится в здание.

7.3.13.6 Необходимо обеспечивать герметичность вводных каналов с трубопроводами, а также резервных каналов.

7.3.13.7 Трубопроводы, вводимые в здание, должны крепиться к стене или на специальном каркасе в непосредственной близости от ввода так, чтобы концы трубопроводов находились на высоте 1,2 ... 1,5 м от пола помещения.

7.3.13.8 В зависимости от конструкции служебно-технического здания запасы кабеля должны укладываться:

намоткой колец в вертикальной плоскости на специальную крестообразную конструкцию, размещаемую над закрепленным концом трубопровода;

на кабельростах в кабельном помещении;

в камере или колодце у ввода в служебно-техническое здание (размещение запасов кабеля в камерах или колодцах допускается в исключительных случаях при невозможности размещения этих запасов внутри здания).

7.3.13.9 При вводе трубопроводов в служебно-технические здания необходимо обеспечивать условия пожарной безопасности.

Пластмассовый трубопровод, вводимый в служебно-технические здания, должен быть изготовлен из материала, не распространяющего горение. В случае, если невозможно применить при вводе трубопровод из поливинилхлорида, полиэтиленовый трубопровод необходимо защитить одним из следующих способов или их сочетанием:

покрыть трубопровод поливинилхлоридной лентой;

покрыть трубопровод огнезащитным составом.

7.3.14 Выбор кабелей для прокладки в трубопроводах

7.3.14.1 Для прокладки в трубопроводах должны применяться, как правило, специальные кабели, предназначенные для этой цели, имеющие более «легкую» конструкцию и меньший наружный диаметр по сравнению с кабелями, прокладываемыми непосредственно в грунте или подвешиваемыми на опорах.

7.3.14.2 Оболочки кабелей должны обеспечивать герметичность и влагостойкость, защиту от механических повреждений, низкий коэффициент трения при взаимодействии с внутренней поверхностью трубопровода.

7.3.14.3 Строительная длина рекомендуемых к прокладке марок кабелей должна быть не менее 4000 м.

В кабеле должны отсутствовать металлические элементы.

7.3.14.4 Диаметры кабеля и трубки при прокладке в потоке воздуха должны соответствовать рекомендациям п. 7.3.11.1 настоящих Норм.

7.3.14.5 При бесплунжерной прокладке кабелей в потоке воздуха и в случае необходимости прокладки в трубопроводе второго или третьего кабеля следует выдерживать соотношение между диаметрами кабелей и диаметром трубопровода, рекомендованные Правилами по строительству волоконно-оптических линий железнодорожной связи с прокладкой кабелей в пластмассовых трубопроводах.

7.3.14.6 Выбор кабелей следует производить с учетом условий эксплуатации и способов прокладки их в трубопроводах.

Для прокладки кабелей в потоке воздуха бесплунжерным способом выбираются наиболее жесткие кабели (в том числе для прокладки в трубопроводе второго и третьего кабеля).

Для прокладки кабелей в потоке воздуха с применением плунжеров, а также при затягивании кабелей (вручную или с использованием машин и механизмов) выбираются более гибкие кабели.

7.3.15 Проектная документация

7.3.15.1 Проектная документация на строительство пластмассовых трубопроводов для прокладки ВОК, как правило, разрабатывается в составе линейного раздела проекта строительства ВОЛП.

Основными чертежами в этом случае являются план трассы прокладки волоконно-оптического кабеля и структурная схема монтажа кабеля, на которых представлены решения по прокладке ВОК и пластмассового трубопровода и объемы строительно-монтажных работ по кабелю и трубопроводу.

7.3.15.2 Трасса прокладки трубопроводов на перегонах между раздельными пунктами наносится, как правило, на план железнодорожного пути в масштабе 1:2000 или 1:5000 с указанием: километровых и пикетных знаков; границ полосы отвода; лесов и кустарников с приведением данных по объемам работ по вырубке; данных о роде грунтов; подземных и надземных коммуникаций, которые пересекает или с которыми сближается трасса трубопроводов; ординат сооружений по существующему километражу; естественных преград; границ землепользователей; устройств СЦБ и пунктов электропитания с ординатами расположения; ординат переходов под железнодорожными путями и автомобильными дорогами; ординат выхода трассы с земляного полотна железной дороги в полосу отвода.

7.3.15.3 На чертежах трасс прокладки трубопроводов должны быть показаны существующие и проектируемые подземные коммуникации с приведением их основных технических характеристик, указанием владельцев и назначения, ординат пересечения и глубины заложения.

7.3.15.4 Поперечные профили пересечений трубопроводов с подземными коммуникациями приводятся на чертеже трассы прокладки трубопроводов в зависимости от сложности пересечений в масштабе 1:100 или 1:200 по вертикали; 1:200 или 1:500 по горизонтали или в виде эскиза с указанием расстояний до пересекаемых коммуникаций.

Планы трасс кабельных линий в городах и поселках вне полосы отвода земель железнодорожного пути выполняются в масштабе 1:500 или 1:200 в зависимости от сложности геодезического материала.

7.3.15.5 Трасса прокладки трубопроводов по станциям должна изображаться на планах станционных железнодорожных путей, выполненных в масштабе 1:1000, с указанием ординат переходов.

7.3.15.6 Два или более трубопроводов, уложенных в одну щель или траншею, должны отличаться, как правило, цветом, о чем указывается в проектной документации.

7.3.15.7 Привязка трассы прокладки трубопроводов и мест расположения камер на перегонах производится к внутренней грани головки ближайшего рельса, к постоянным сооружениям и указателям протяженности железнодорожной линии.

7.3.15.8 План трассы трубопровода, прокладываемого в обочине земляного полотна на перегонах, при отсутствии плана железнодорожного пути соответствующего качества допускается изображать схематически, принимая продольный масштаб 1:2000 или 1:5000, а вертикальный - 1:500 или 1:1000. При этом на план трассы должны быть нанесены данные, указанные в п. 7.3.15.2 настоящих Норм.

7.3.16 Согласование трассы

7.3.16.1 Трасса прокладки кабелей ВОЛП должна быть согласована заказчиком (или по его поручению проектной организацией) с организациями, предварительный перечень которых определяется отделами подземных сооружений городских управлений архитектуры или городскими (районными) архитекторами, а при их отсутствии - уполномоченными представителями администрации. Этот перечень уточняется в процессе проведения изысканий и согласований.

7.3.16.2 Основными организациями, которые могут иметь подземные и надземные коммуникации, с которыми должна согласовываться трасса прокладки кабелей, являются:

дистанции сигнализации и связи, электроснабжения, пути, зданий и сооружений, лесонасаждений и др. по перечню, выдаваемому отделением железной дороги;

территориальные дорожно-эксплуатационные управления, эксплуатационные управления энергосетей, связи, теплосетей, водоканала, газо- и нефтепроводов.

7.3.16.3 Кабельные подводные переходы через судоходные, сплавные реки и каналы, независимо от их принадлежности, должны согласовываться с территориальными управлениями:

пути и судоходными инспекциями;

по охране и воспроизводству рыбных запасов и регулированию рыболовства;

по охране и регулированию водных ресурсов;

санитарно-эпидемиологической службы.

О проектах кабельных переходов через водные преграды должны предусматриваться мероприятия, исключающие возможность загрязнения окружающей среды, обеспечивающие сохранение рыбных запасов при строительстве.

7.3.16.4 Трасса прокладки кабелей в земляном полотне железной дороги согласовывается с дистанциями пути, сигнализации и связи и дистанцией электроснабжения с соответствующими службами Управления дороги, со всеми организациями, имеющими подземные коммуникации в районе трассы, независимо от их фактического наличия, а в местах нулевых отметок земляного полотна и при высоте насыпи до 1 м с владельцами трубопроводов различного назначения. При выборочной прокладке кабелей в теле земляного полотна трасса должна быть согласована в соответствии с требованиями п.п. 7.3.16.1 ... 7.3.16.4 настоящих Норм.

7.3.16.5 Согласование трасс прокладки кабелей ВОЛП с перечисленными выше организациями, которые могут иметь подземные и надземные коммуникации в районе прокладки, следует производить на масштабных чертежах, независимо от фактического их наличия по трассе, выявленного при изысканиях.

7.3.16.6 Утверждение чертежей трассы прокладки кабелей ВОЛП осуществляется управлением железной дороги после завершения всех согласований, которые подтверждаются:

отделами подземных сооружений городских управлений архитектуры (городскими, районными архитекторами) или местными администрациями;

отделением железной дороги.

7.4 Прокладка волоконно-оптических кабелей в грунте

7.4.1 Строительство ВОЛП с прокладкой ВОК в грунте без применения пластмассового трубопровода может осуществляться как в полосе отвода, так и в земляном полотне железной дороги.

Выбор марок волоконно-оптических кабелей должен выполняться в соответствии с необходимой емкостью и преимущественной областью их применения согласно ТУ, исходя из условий прокладки (категории грунта, наличия опасности ударов молнии, внешнего электромагнитного влияния, химической и электрохимической коррозии, необходимости защиты от грызунов).

7.4.2 Выбор трассы прокладки ВОК в грунте следует осуществлять аналогично выбору трассы ВОК в пластмассовом трубопроводе в соответствии с требованиями п.п. 7.3.3.1 ... 7.3.3.17 настоящих Норм.

7.4.3 Для бестраншейной прокладки ВОК следует применять кабелеукладчики на железнодорожном ходу, буксируемые и самоходные кабелеукладчики на колесном и гусеничном ходу.

Допускается одновременная совместная прокладка ВОК и кабелей связи с медными жилами и сигнально-блокировочных. Количество одновременно прокладываемых кабелей не должно превышать четырех.

7.4.4 Глубина прокладки ВОК в обочине земляного полотна железной дороги на перегоне и станции должна быть не менее 1,1 м от поверхности, а в междупутье на станции - не менее 0,7 м.

По берме, по закюветной полке или в полосе отвода железной дороги кабели должны прокладываться на глубине не менее 0,9 м от поверхности.

7.4.5 Прокладку ВОК в траншеях следует выполнять аналогично прокладке пластмассовых трубопроводов с ВОК в соответствии с требованиями п.п. 7.3.5.1, 7.3.5.2 настоящих Норм.

7.4.6 При прокладке кабелей на местности с уклоном свыше 30° рытье траншей на подъемах и спусках должно производиться зигзагообразно (змейкой) с отклонением от средней линии 1,5 м и длиной отклонения 5 м. При этом на уклонах 30 ... 45° прокладываются кабели с ленточной броней, при уклоне свыше 45° - кабели, бронированные круглыми проволоками.

7.4.7 Прокладка ВОК по мостам и путепроводам должна осуществляться аналогично прокладке пластмассовых трубопроводов с ВОК в соответствии с требованиями п.п. 7.3.6.1 ... 7.3.6.3, 7.3.6.5 ... 7.3.6.14 настоящих Норм.

7.4.8 Прокладка ВОК в кабельных желобах должна выполняться аналогично прокладке пластмассовых трубопроводов с ВОК в соответствии с п.п. 7.3.7.1, 7.3.7.3 настоящих Норм.

7.4.9 Прокладка ВОК в кабельной канализации должна осуществляться аналогично прокладке пластмассовых трубопроводов с ВОК в соответствии с п.п. 7.3.8.2 ... 7.3.8,4, 7.3.8.6 настоящих Норм.

В свободном канале допускается прокладка не более 6 оптических кабелей. Использовать занятый оптическими кабелями канал для прокладки кабелей с медными жилами не допускается.

7.4.10 Прокладка небронированных ВОК в канале кабельной канализации, занятом кабелями бронированными и с металлическими оболочками, должна предусматриваться в предварительно проложенной полиэтиленовой трубе.

Волоконно-оптические кабели, бронированные с пластмассовым шлангом поверх брони, могут прокладываться как по свободным, так и по занятым каналам без прокладки полиэтиленовой трубы.

7.4.11 Пересечение и сближение ВОК с инженерными сооружениями и зелеными насаждениями должно осуществляться так же, как пересечение и сближение ВОК в пластмассовых трубопроводах в соответствии с п.п. 7.3.9.1, 7.3.9.3 ... 7.3.9.23 настоящих Норм.

7.4.12 При пересечении и сближении ВОК, имеющих в конструкции металлические элементы, с воздушными линиями напряжением выше 1 кВ должны выполняться следующие требования:

7.4.12.1 Минимальные расстояния в свету по горизонтали от ВОК, содержащего металлические элементы, до подземной части опор воздушных линий напряжением 110 ... 750 кВ или до электродов их заземлителей должны быть: при удельном сопротивлении земли до 100 Ом×м - 15 м, от 101 до 500 Ом×м - 25 м, от 501 до 1000 Ом×м - 40 м, свыше 1000 Ом×м - 50 м.

При пересечении ВОК, содержащим металлические элементы, воздушных линий электропередачи напряжением 110 ... 750 кВ, ВОК должен прокладываться в стальной трубе или накрываться швеллером на длине, равной расстоянию между крайними проводами воздушной линии, и дополнительно:

по 10 м с каждой стороны от крайних проводов - для воздушных линий 110 ... 500 кВ (в стесненных условиях допускается уменьшение этих расстояний до 5 м);

по 15 м с каждой стороны от крайних проводов - для воздушных линий 750 кВ (в стесненных условиях допускается уменьшение этих расстояний до 10 м).

7.4.12.2 Расстояние от проекции на горизонтальную плоскость ближайшего провода воздушной линии переменного тока напряжением 750 кВ до ВОК должно быть: при удельном сопротивлении земли до 500 Ом×м - не менее 30 м; от 501 до 1000 Ом×м - не менее 40 м; свыше 1000 Ом×м - не менее 50 м.

7.4.12.3 Расстояние от ВОК до опор воздушных линий напряжением 1 ... 35 кВ или электродов их заземлителей должно быть: при удельном сопротивлении земли (ρ) до 100 Ом×м - не менее (0,83) м, от 101 до 500 Ом×м - 10 м, от 501 до 1000 Ом×м - 11 м, свыше 1000 Ом×м - (0,35) м.

При пересечении ВОК, содержащим металлические элементы, воздушных линий электропередачи напряжением 1 ... 35 кВ, ВОК должен прокладываться в стальной трубе или накрываться швеллером на длине, равной расстоянию между крайними проводами воздушной линии, и дополнительно по 10 м c каждой стороны от крайних проводов (в стесненных условиях допускается уменьшение этих расстояний до 5 м).

7.4.13 При пересечении постоянных грунтовых непрофилированных дорог допускается прокладка кабелей в заранее подготовленную траншею без труб, но с покрытием их кирпичом или железобетонными плитами.

При прокладке кабелей кабелеукладочной техникой на пересечениях с полевыми дорогами и съездами с автодорог указанные меры защиты не предусматриваются.

7.4.14 При выборе мест установки соединительных и разветвительных оптических муфт следует учитывать местные грунтовые и планировочные условия, необходимость использования части длины кабеля для монтажа муфты и создания запаса (не менее 8 м с каждой стороны).

При прокладке ВОК в обочине земляного полотна муфты должны также размещаться на обочине при достаточной ее ширине. Если ширина недостаточна, муфты следует размещать: на специально сооружаемых площадках; у подошвы насыпи или на берме (при насыпях менее 2 м); на закюветных полках, а при их отсутствии - за пределами откоса насыпи.

При устройстве площадок расстояние от муфты до края площадки должно быть не менее 0,5 м.

7.4.15 Вводы ВОК в служебно-технические здания устраиваются аналогично вводам пластмассового трубопровода с ВОК в соответствии с требованиями п.п. 7.3.13.1 ... 7.3.13.6, 7.3.13.8 настоящих Норм.

При вводе в здания ВОК с бронепокровами из стальных проволок или лент в помещении ввода кабелей следует предусматривать установку и монтаж станционной разветвительной муфты для выделения бронепокровов и подключения их к защитному заземлению.

При вводе ВОК следует обеспечивать условия пожарной безопасности. Для этого линейные ВОК, имеющие полиэтиленовую оболочку, распространяющую горение, необходимо прокладывать по зданию в ПВХ трубе либо обматывать ПВХ лентой, либо покрывать огнезащитным составом.

7.4.16 Кабельные линии связи, использующие оптические кабели, содержащие металлические элементы, подлежат защите от ударов молнии и опасных электромагнитных влияний ЛЭП и электрифицированных железных дорог переменного тока. Для этого следует предусматривать заземление бронепокровов при вводах в служебно-технические здания и при монтаже муфт на перегоне через 10 ... 12 км.

На участках с высокой грозодеятельностью и опасных сближениях с ЛЭП и электрифицированными железными дорогами переменного тока следует, как правило, предусматривать ВОК без металлических элементов, которые не требуют защиты от опасного электромагнитного влияния.

7.4.17 При разработке проектной документации на строительство ВОЛП основными чертежами линейного раздела проекта являются: план трассы прокладки ВОК и структурная схема монтажа кабеля, на которых должны быть представлены решения по прокладке ВОК и объемы строительно-монтажных работ.

Требования к проектной документации аналогичны требованиям при прокладке трубопроводов с ВОК, изложенным в п.п. 7.3.15.2 ... 7.3.15.5, 7.3.15.7, 7.3.15.8 настоящих Норм.

7.4.18 Согласование трассы прокладки кабельной линии должно быть выполнено в соответствии с требованиями, изложенными в п.п. 7.3.16.1 ... 7.3.16.6 настоящих Норм.

7.5 Применение кабелей с медными жилами для цифровых систем передачи

7.5.1 Общие положения

7.5.1.1 Цифровые системы передачи по кабелям с медными жилами (ЦСПМК) должны использоваться для решения следующих задач:

организация первичной сети на малодеятельных участках;

резервирование каналов первичной сети, в том числе каналов вторичной сети ОТС (для образования «пространственно разнесенных» колец ВОЛП дорожного и отделенческого уровней);

обеспечение доступа к каналам первичной сети абонентов малых станций и остановочных пунктов, где не предусматривается установка оптических мультиплексоров;

организация местной первичной сети;

подключение оконечных узлов (ЛВС и АРМ) сегмента СПД.

7.5.1.2 Возможность применения ЦСПМК на сети связи должна определяться из условий:

параметров ЦСПМК;

электрических характеристик кабеля;

помехоустойчивости работы ЦСПМК;

электромагнитной совместимости.

Общетехнические требования к цифровым кабелям сети абонентского доступа приведены в Приложении № 8 настоящих Норм.

7.5.1.3 В ЦСПМК используются следующие виды линейной манипуляции:

HDB-3 (High Density Bipolar code of order 3) - биполярный код высокой плотности порядка 3;

2В1Q (2 Binary, 1 Quaternary) - четырехуровневая амплитудная манипуляция;

CAP (Carrierless Amplitude and Phase Modulation) - амплитудно-фазовая манипуляция без передачи несущей;

ТС-РАМ (Trellis Coded Pulse Amplitude Modulation) - многоуровневая амплитудная манипуляция с решетчатым кодированием.

7.5.1.4 По способу передачи ЦСПМК делятся на два типа:

дуплексные системы с эхокомпенсацией;

системы с разнесенными трактами приема и передачи.

Дуплексные ЦСПМК обеспечивают передачу информации в каждой паре в двух направлениях одновременно.

7.5.1.5 В зависимости от скорости передачи информации различают следующие виды ЦСПМК: низкоскоростные (менее 128 кбит/с); высокоскоростные (менее 2048 кбит/с); сверхвысокоскоростные (более 2048 кбит/с).

7.5.1.6 По объему передаваемой информации в различных направлениях различают следующие типы ЦСПМК: симметричные, несимметричные.

Несимметричные ЦСПМК могут использоваться для организации СПД.

7.5.1.7 Исключается применение ЦСПМК на пупинизированных кабельных линиях.

7.5.1.8 Электрические параметры кабельных линий, используемых для ЦСПМК, должны соответствовать ТУ.

7.5.1.9 Параметры цифровых трактов, организованных при помощи ЦСПМК для магистральных и отделенческих первичных сетей, должны удовлетворять требованиям, приведенным в Нормах на электрические параметры цифровых каналов и трактов магистральных и внутризоновых первичных сетей (приказ Минсвязи России от 10.08.96 г. № 92).

7.5.1.10 На участках электрификации на постоянном токе не рекомендуется применять устройства дистанционного питания, ток срабатывания защиты которых менее 100 мА.

7.5.2 Низкоскоростные ЦСПМК

7.5.2.1 Условия совместной работы низкоскоростных ЦСПМК с аналоговыми системами регламентируются отраслевым стандартом ОСТ 45.81-97. Совместимость электромагнитная цепей передачи дискретных и аналоговых сигналов линий местных сетей электросвязи.

7.5.2.2 Оценка взаимных влияний между цепями низкоскоростных ЦСПМК должна производится на частоте 1000 Гц.

7.5.3 Высокоскоростные симметричные дуплексные ЦСПМК

7.5.3.1 Высокоскоростные симметричные дуплексные ЦСПМК не совместимы с аналоговыми системами передачи с частотным разделением каналов (АСП ЧРК).

7.5.3.2 Перекрываемое рабочее затухание высокоскоростных симметричных дуплексных ЦСПМК в зависимости от вида манипуляции и линейной скорости приведено в таблице 7.2 (документы ETSI: ETR 152, TS 101 524, TS 101 135).

Таблица 7.2 Перекрываемое рабочее затухание высокоскоростных симметричных дуплексных ЦСПМК

Вид манипуляции

Линейная скорость, бод

Частота, кГц

Перекрываемое рабочее затухание не хуже (см. прим. 1), дБ

2B1Q

392

150

22

584

150

27

1160

150

31

САР 64

233,60

150

31

САР 128

386,667

150

23

16-ТС-РАМ

256

150 (275)

32 (38) (см. прим. 2)

16-ТС-РАМ

576

200 (250)

21,5 (23)

Примечания.

1. Значение перекрываемого рабочего затухания соответствует для кабелей с характеристиками, удовлетворяющими требованиям, представленным в таблице 7.3.

2. Значение перекрываемого рабочего затухания для ЦСПМК с манипуляцией 16 ТС-РАМ приведено для участков с автономной тягой и находится на стадии изучения.

7.5.4.3 Электрические параметры кабелей, используемых для высокоскоростных симметричных дуплексных ЦСПМК, должны удовлетворять требованиям таблицы 7.3.

Таблица 7.3 Электрические параметры кабелей для высокоскоростных симметричных дуплексных ЦСПМК

Наименование характеристики

Частота, кГц

Норма

Переходное затухание на ближнем конце между парами, пересчитанная на длину 1 км, дБ

в диапазоне до 250

не хуже 58

Рабочая емкость, пересчитанная на длину 1 км, нФ

0,8

не хуже 32

Разность группового времени задержки между различными парами, мкс

150

не хуже 50

7.5.4.4 Классификация аппаратуры высокоскоростных симметричных дуплексных ЦСПМК (Приложение № 4 настоящих Норм) по скорости передачи и видам манипуляции (см. таблицу 7.2):

аппаратура ОЛТ-Е1 - линейная скорость 584 кбод, манипуляция 2В1Q; аппаратура FlexDSL CAP-64 - линейная скорость 233,60 кбод, манипуляция САР64;

аппаратура FlexDSL MSDSL - для скорости 2048 кбит/с параметры линейного тракта соответствуют системам с линейной скоростью 386,667 кбод и манипуляцией САР128 ЦСПМК с разделенными трактами приема и передачи.

7.5.5 ЦСПМК с разделенными трактами приема и передачи

7.5.5.1 ЦСПМК с разделенными трактами приема и передачи:

могут обеспечить совместную работу с аналоговыми системами передачи с частотным разделением каналов (АСП ЧРК), работающими по двухкабельной схеме (К-24, К-60 и т.д.);

несовместимы с АСП ЧРК, работающими по однокабельной схеме (КВ-12, К12 + 12);

должны использовать тракты приема и передачи, разнесенные по разным кабелям.

7.5.5.2 При совместной работе ЦСПМК и АСП ЧРК в одном кабеле:

регенерационный участок ЦСПМК и усилительный участок АСП ЧРК должны совпадать;

пары ЦСПМК и АСП ЧРК должны находиться в различных четверках.

7.5.5.3 При проектировании ЦСПМК с разделенными трактами приема и передачи необходимо предусмотреть восстановление электрических характеристик кабельных линий до норм ТУ.

7.5.5.4 В ЦСПМК с разделенными трактами приема и передачи может использоваться аппаратура FlexDSL Megatrans (Приложение № 4 настоящих Норм), перекрываемое рабочее затухание для которой представлено в таблице 7.4.

Таблица 7.4 Перекрываемое рабочее затухание для системы FlexDSL Megatrans

Линейная скорость, кбит/с

Частота, кГц

Перекрываемое рабочее затухание, дБ

Для передачи данных

Для передачи речи

1280

250

31

41

150

23

-

2304

250

42

55

150

31

-

VIII Надежность сети связи

8.1 Общие положения

8.1.1 Надежность первичной сети МПС России характеризуется надежностью передачи сообщений между любой заданной парой сетевых узлов или станций, т.е. надежностью совокупности каналов передачи, сетевых трактов, узлов и станций первичной сети.

8.1.2 Надежность линейных и сетевых трактов оценивается практически по показателям надежности каналов передачи, входящих в ее состав.

8.1.3 Надежность типовых каналов и трактов, образованных в системе передачи любого типа (кабельной, РРСП, ССП) должна оцениваться по единым показателям в соответствии с Основными положениями развития Взаимоувязанной сети связи Российской Федерации на перспективу до 2005 года. Книга 2 (РД, утвержден Решением ГКЭС России от 20.12.95 г. № 140).

8.1.4 Каналы и тракты системы передачи первичной сети характеризуются состояниями готовности и неготовности. В соответствии с Рекомендациями МСЭ-Т G.821, G.826, М.2100 и М.2120, состояния неготовности в свою очередь подразделяются на состояния сбоя и отказа.

8.1.5 Согласно РД, приведенному в п. 8.1.3 настоящих Норм, надежность каналов передачи и сетевых трактов систем передачи первичной сети характеризуется следующими показателями:

коэффициент готовности по сбоям (КГС);

коэффициент готовности по отказам (КГО);

среднее время между сбоями (ТОС);

среднее время между отказами (ТОО);

среднее время восстановления по сбоям (ТВС);

среднее время восстановления по отказам (ТВО);

8.1.6 В качестве критерия сбоя в канале ТЧ (независимо от типа систем передачи, в которых он был образован) применяется перерыв в передаче сообщений длительностью более 0,3 с.

8.1.7 В качестве критерия отказа канала ТЧ принимается перерыв в передаче сообщений продолжительностью более 10 с.

8.1.8 В цифровых каналах и трактах надежность оценивается по критерию отказа.

В качестве критерия отказа основного цифрового канала (ОЦК) принимается повышение коэффициента ошибок до 10-3 и более в секунду в течение десяти последовательных секунд, учитываемых во времени неготовности.

За критерий восстановления ОЦК принимается уменьшение коэффициента ошибок ниже величины 10-3 в секунду в течение десяти последовательных секунд, учитываемых во времени готовности.

8.2 Надежность магистральной первичной сети

8.2.1 В каналах ТЧ протяженностью 12500 км независимо от типов использованных СП на действующей магистральной первичной сети должны обеспечиваться следующие показатели надежности по сбоям:

коэффициент готовности, не менее............................................... 0,92;

среднее время между сбоями, ч, не менее...................................... 5,0;

среднее время восстановления, ч, не более.................................... 0,4.

В каналах ТЧ и ОЦК протяженностью 12500 км независимо от типов использованных СП на действующей магистральной первичной сети должны обеспечиваться следующие показатели эксплуатационной надежности по отказам:

коэффициент готовности, не менее............................................... 0,92;

среднее время между отказами, ч, не менее................................. 12,5;

среднее время восстановления, ч, не более................................... 1,1.

Указанные показатели должны обеспечиваться в канале без резервирования.

8.2.2 При длине канала, отличной от 12500 км, требуемые показатели надежности определяются по формулам:

                                                      (8.1)

                                                          (8.2)

где TBL - среднее время восстановления магистральной линии связи.

Время усреднения при определении показателей надежности каналов длиной 1000 км должно быть не менее трех месяцев.

При L, отличных от 1000 км, время усреднения tycp, мес., определяется по формуле:

                                                        (8.3)

Коэффициент готовности по отказам (сбоям) для всех типов сетевых трактов практически равен коэффициенту готовности канала ТЧ или ОЦК.

8.2.3 На перспективной магистральной цифровой первичной сети в каналах ОЦК протяженностью 12500 км ожидаются следующие показатели эксплуатационной надежности по отказам:

коэффициент готовности, не менее........................................... 0,982;

среднее время между отказами, ч, не менее............................. 230;

среднее время восстановления, ч, не более.............................. 4,2.

В каналах ТЧ всех типов систем передачи протяженностью 12500 км должны обеспечиваться следующие показатели аппаратурной надежности (включая среду распространения):

коэффициент готовности, не менее........................................... 0,92;

среднее время между сбоями, ч, не менее................................ 40;

среднее время восстановления на одну неисправность, ч, не более:

обслуживаемых пунктов.............................................................. 0,5;

необслуживаемых пунктов (с учетом времени доставки

ремонтных бригад не более 2 ч)................................................. 2,5;

кабеля............................................................................................ 10.

8.3 Надежность дорожной первичной сети

8.3.1 В каналах ТЧ независимо от типа использованных систем передачи на действующей дорожной первичной сети должны обеспечиваться следующие показатели надежности по сбоям:

коэффициент готовности, не менее............................................... 0,99;

среднее время между отказами, ч, не менее................................. 40;

среднее время восстановления, ч, не более................................... 0,4.

В каналах ТЧ и ОЦК независимо от типов использованных систем передачи на действующей дорожной сети должны обеспечивать следующие показатели эксплуатационной надежности по отказам:

коэффициент готовности, не менее............................................... 0,99;

среднее время между отказами, ч, не менее................................. 111;

среднее время восстановления, ч, не более................................... 1,1.

Указанные показатели должны обеспечиваться в канале без резервирования.

8.3.2 При длине канала, отличной от 1400 км, требуемые показатели надежности определяются по формулам:

                                                         (8.4)

                                                           (8.5)

где TBL - среднее время восстановления дорожной линии связи.

Время усреднения при определении показателей надежности каналов длиной 1000 км должно быть не менее трех месяцев.

При L, отличных от 1000 км, время усреднения, мес., определяется по формуле:

                                                         (8.6)

8.3.3 На перспективной цифровой дорожной сети в каналах ОЦК ожидаются следующие показатели эксплуатационной надежности по отказам:

коэффициент готовности, не менее............................................. 0,998;

среднее время между отказами, ч, не менее................................ 2050;

среднее время восстановления, ч, не более................................. 4,2.

В каналах ТЧ всех типов систем передачи протяженностью 1400 км должны обеспечиваться следующие показатели аппаратурной надежности (включая среду распространения):

коэффициент готовности, не менее............................................. 0,99;

среднее время между сбоями, ч, не менее................................... 350;

среднее время восстановления на одну неисправность, ч, не более:

обслуживаемых пунктов................................................................ 0,5;

необслуживаемых пунктов (с учетом времени доставки

ремонтных бригад - не более 2 ч)................................................. 2,5;

кабеля............................................................................................... 10.

8.4 Надежность отделенческой первичной сети

8.4.1 В каналах ТЧ, независимо от типов использованных СП, на действующей отделенческой первичной сети должны обеспечиваться следующие показатели надежности по сбоям:

коэффициент готовности по сбоям, не менее.............................. 0,997;

среднее время между сбоями, ч, не менее..................................... 150;

среднее время восстановления, ч, не более................................... 0,4.

В каналах ТЧ и ОЦК независимо от типов использованных СП на действующей отделенческой первичной сети должны обеспечиваться следующие показатели эксплуатационной надежности по отказам:

коэффициент готовности, не менее............................................... 0,997;

среднее время между отказами, ч, не менее................................. 400;

среднее время восстановления, ч, не более................................... 1,1.

Указанные показатели должны обеспечиваться в канале без резервирования.

8.4.2 При длине канала, отличной от 500 км, требуемые показатели надежности определяются по формулам:

                                                           (8.7)

                                                           (8.8)

где tbl - среднее время восстановления отделенческой линии связи.

Время усреднения при определении показателей надежности каналов длиной 1000 км должно быть не менее трех месяцев.

При L, отличных от 500 км, время усреднения, мес., определяется по формуле:

                                                           (8.9)

8.4.3 На перспективной отделенческой сети при полном внедрении цифровых систем передачи в каналах ОЦК ожидаются следующие показатели эксплуатационной надежности по отказам:

Коэффициент готовности, не менее.............................................. 0,9994;

Среднее время между отказами, ч, не менее................................ 7000;

Среднее время восстановления, ч, не более.................................. 4,2.

В каналах ТЧ всех типов систем передачи протяженностью 500 км должны обеспечиваться следующие показатели аппаратурной надежности (включая среду распространения):

Коэффициент готовности по сбоям, не менее.............................. 0,9987;

Среднее время между сбоями, ч, не менее.................................... 2500;

Среднее время восстановления на одну неисправность, ч, не более:

обслуживаемых пунктов.................................................................. 0,5;

необслуживаемых пунктов (с учетом времени доставки

ремонтных бригад - не более 2 ч).................................................. 2,5;

кабеля................................................................................................ 10.

8.5 Принципы повышения надежности первичной сети

8.5.1 Повышение надежности первичной сети связи МПС РФ обеспечивается следующими мероприятиями:

применением аппаратуры, удовлетворяющей коэффициентам надежности;

осуществлением резервирования;

проведением мероприятий, направленных на своевременное обнаружение и исправление повреждений аппаратуры;

обеспечение надежности функционирования вспомогательных систем и оборудования (систем управления, синхронизации и электропитания).

8.5.2 Резервирование линий передачи осуществляется различными методами:

1) топология «последовательная линейная цепь». Резервирование заключается в параллельной передаче информации по двум линиям передачи (основной и резервной);

2) топология «кольцо». Эта топология обеспечивает резервирование, в зависимости от возможности мультиплексора ввода-вывода, как с защитой 1 + 1, так и с применением схемы резервирования MS-SPRING (переключение трафика происходит в граничных с поврежденной секцией мультиплексорах). Сеть, построенная по такой топологии, является, наиболее надежной.

8.5.3 Повышение надежности системы передачи осуществляется за счет резервирования основных плат (блоков) системы:

стопроцентный резерв реверсивный 1:1, нереверсивный 1 + 1;

резервирование n:1, когда на n основных плат (блоков) предусматривается одна резервная (например, для резервирования плат компонентных потоков).

8.5.4 В качестве резервируемых и резервных трактов могут использоваться тракты кабельных (на металлическом и волоконно-оптическом кабеле), радиорелейных и спутниковых систем передачи.

8.5.5 Подсистема резервирования должна обеспечивать достижение требуемых показателей надежности при минимальных общих затратах на резервирование.

Основным фактором минимизации затрат на резервирование (или максимизацию прибыли) является сокращение времени предоставления резерва и сокращения на этой основе длительности простоев резервируемых трактов.

8.5.6 Надежность и безотказность работы всей аппаратуры также зависит от мероприятий, выполняемых системой технической эксплуатации, которые дают возможность своевременно обнаружить отклонения в работе устройств и устранить их.

Методика расчета надежности приведена в Приложении № 9 к настоящим Нормам.

IX Электроустановки

9.1 Электроснабжение

9.1.1 Электроснабжение должно удовлетворять требованиям, изложенным в документах:

Правила устройства электроустановок (ПУЭ);

Ведомственные строительные нормы ВСН 332-93;

Основные положения развития Взаимоувязанной сети связи Российской Федерации на перспективу до 2005 года. Руководящий документ.

9.1.2 Согласно Инструкции по категорийности электроприемников нетяговых потребителей железнодорожного транспорта ЦЭ/4846, система электроснабжения узлов связи, радиорелейных станций, приемных и передающих радиоцентров KB радиосвязи должна соответствовать особой группе первой категории надежности.

9.1.3 В помещении с цифровой аппаратурой связи устанавливается два распределительных щита (РЩ):

РЩ1 - для обеспечения электропитания основного оборудования, а также аварийной сети розеток и освещения. Распределительный щит подключается к щиту гарантированного питания;

РЩ2 - для обеспечения электропитания основной сети розеток и освещения.

Подключение РЩ должно осуществляться силовым кабелем с нулевым защитным проводником через аппараты защиты.

9.1.4 Кабель от розеток до щита электропитания должен быть экранированный. Розетки должны обеспечивать подключение вилок европейского и отечественного стандартов.

9.1.5 Система заземления должна соответствовать требованиям ПУЭ.

9.1.6 Здание, где размещена цифровая аппаратура связи, должно быть оборудовано герметическим разъемом для подключения к РЩ передвижной электростанции. Как правило, разъем устанавливается на наружной стене здания в зоне входа.

9.1.7 В помещении с цифровой аппаратурой связи предусматриваются розетки для подключения измерительной аппаратуры и переносных ламп. Розетки должны обеспечивать подключение вилок европейского и отечественного стандартов. Расстояние от розеток до оборудования должно обеспечивать удобство проведения измерений с подключением до трех типов измерительных приборов у каждого вида основного оборудования.

9.1.8 Выбор сечения электрических проводников должен быть произведен с учетом конкретной нагрузки и 30 % запасом, учитывающим перспективу развития узла связи.

9.1.9 В помещении должна быть предусмотрена сеть электропитания для паяльников и другого оборудования с пониженным напряжением 36 В.

9.1.10 Электроснабжение устройств поддержания микроклимата в помещении предусматривается от источников негарантированного электропитания.

9.1.11 Для учета расхода электроэнергии предусматривается установка счетчиков активной энергии со стороны распределительных устройств.

9.2 Электропитающие установки

9.2.1 Электропитающая установка (ЭПУ) узла связи (или оборудования) предназначена для преобразования, регулирования, распределения и обеспечения подачи напряжений постоянного и переменного тока, необходимых для нормальной работы аппаратуры связи и аппаратуры поездной радиосвязи.

9.2.2 В состав ЭПУ входят (в полном объеме или частично):

выпрямительные устройства;

аккумуляторные батареи;

установки бесперебойного питания постоянным или переменным током;

преобразователи и стабилизаторы напряжения, необходимые для обеспечения заданных показателей опорного напряжения;

коммутационное оборудование;

токораспределительные сети, связывающие между собой оборудование электропитания, аппаратуру связи и аппаратуру поездной радиосвязи.

9.2.3 В зависимости от рода тока ЭПУ подразделяются на ЭПУ постоянного тока и ЭПУ переменного тока.

9.2.4 С учетом размещения оборудования ЭПУ системы электропитания подразделяются на централизованные и децентрализованные:

централизованные, размещаемые в отдельном помещении, общие для нескольких служб (цехов);

децентрализованные, размещаемые в общем помещении с аппаратурой связи, предназначенные для питания аппаратуры одной службы (цеха), ряда.

9.2.6 Электропитающие установки для аппаратуры связи должны отвечать требованиям технических условий на проектируемую аппаратуру связи по номиналам напряжения, допустимым пределам изменений и величинам пульсаций и ГОСТ 5237-83.

9.2.7 Качество электроэнергии, подводимой к ЭПУ, должно соответствовать требованиям ГОСТ 13109-97.

9.2.8 На каждое напряжение постоянного тока следует предусматривать, как правило, отдельную ЭПУ. Допускается при небольших нагрузках использование полупроводниковых преобразователей постоянного напряжения для получения необходимых номиналов напряжений от основной ЭПУ.

9.2.9 Цифровая аппаратура систем передачи и местных телефонных сетей, междугородной телефонной связи и аппаратуры поездной радиосвязи должна иметь одно из следующих номинальных напряжений: -60 В, -24 В и -48 В с допустимым отклонением ±20 % от номинального значения.

9.2.10 ЭПУ постоянного тока для электропитания цифровой аппаратуры связи, как правило, должны проектироваться децентрализованными, автоматизированными с двухгруппными или одногруппными аккумуляторными батареями, работающими с выпрямительными устройствами в буферном режиме. Запас емкости аккумуляторных батарей должен обеспечивать при аварии сети электроснабжения электропитание аппаратуры в течение 2 часов при наличии в здании узла связи стационарной резервной электростанции в качестве третьего независимого источника электроснабжения и 6 часов при использовании передвижной резервной электростанции.

9.2.11 Для электропитания цифровой аппаратуры следует использовать ЭПУ с бестрансформаторными выпрямительными устройствами с ВЧ преобразованием, которые имеют существенные преимущества перед тиристорными по КПД, массе и габаритам.

9.2.12 Применяемое в проектируемых ЭПУ коммутационное оборудование должно обеспечивать, как правило, автоматическую работу электропитающей установки без присутствия обслуживающего персонала во всех режимах, кроме режима «контрольный заряд - разряд».

Степень автоматизации ЭПУ должна обеспечивать контроль и управление работой ЭПУ при техническом обслуживании.

9.2.13 Питание аппаратуры связи переменным током следует предусматривать либо непосредственно от источника переменного тока, либо от ЭПУ постоянного тока через преобразователи постоянного напряжения в переменное (инверторы).

9.2.14 Для обеспечения бесперебойного питания аппаратуры связи следует применять одно из следующих устройств:

при питании постоянным током - аккумуляторные батареи;

при питании переменным током - агрегаты бесперебойного питания (инверторы) с опорными аккумуляторными батареями.

9.2.15 В узлах связи должны применяться стационарные свинцовые аккумуляторы закрытого типа или герметизированные стационарные аккумуляторы. Допускается применение открытых аккумуляторов в узлах связи с дежурным обслуживающим персоналом.

Помещения, в которых устанавливаются аккумуляторные батареи, должны удовлетворять требованиям ПУЭ.

Аккумуляторы должны устанавливаться на стеллажах или на полках шкафа. Размещение аккумуляторных батарей на стеллажах и их изготовление должны предусматриваться в соответствии с ТУ 45-87 4 ДО.610.236ТУ.

9.2.16 Герметизированные аккумуляторы могут размещаться на стеллажах или в отдельных шкафах в общем помещении с технологическим или другим оборудованием. Размещение аккумуляторных батарей в общем помещении должно выполняться в металлических шкафах с соблюдением требований главы 4.4 ПУЭ.

9.2.17 ЭПУ, в составе которых проектируются батареи из аккумуляторов открытого типа, должны иметь устройства, обеспечивающие автоматическое отключение (блокировку) заряда батарей в случае прекращения работы вентиляции аккумуляторной.

9.2.18 Устройства для коммутации, содержания и заряда открытых или закрытых свинцовых аккумуляторных батарей должны обеспечивать заряд их до напряжения 2,3 В на элемент и буферную работу в режиме непрерывного подзаряда и содержание батарей при напряжении 2,2 В ± 2 % на одном элементе.

Для стационарных открытых или закрытых свинцовых аккумуляторов оборудование ЭПУ должно обеспечивать возможность формовки батарей, их контрольного заряда при напряжении 2,5 ... 2,7 В на элемент, контрольного разряда батарей и послеаварийного заряда батарей током 1,5 ... 2,0 А на каждые 36 А×ч емкости каждой группы батарей.

9.2.19 Электропитающие установки с применением аккумуляторных батарей должны обеспечивать следующие режимы работы:

1) нормальный режим - при наличии электроснабжения от электрических сетей энергосистемы. Аппаратура связи и аппаратура поездной радиосвязи получают питание от выпрямительных устройств; аккумуляторные батареи находятся в режиме подзаряда либо от буферных выпрямительных устройств, либо от выпрямителей содержания;

2) аварийный режим - при прекращении подачи напряжения от электрических сетей энергосистемы до запуска резервной электростанции или восстановления электроснабжения от электросетей. Аппаратура связи и аппаратура поездной радиосвязи получают электроэнергию от разряжающихся аккумуляторных батарей;

3) послеаварийный режим работы - электроснабжение от резервной электростанции или от восстановленного источника электрических сетей. Аппаратура связи и аппаратура поездной радиосвязи получают питание от выпрямительных устройств и одновременно осуществляется автоматический послеаварийный заряд всех аккумуляторных батарей до напряжения 2,3 В на аккумулятор.

Примечание. Допускается организация питания аппаратуры поездной радиосвязи в штатном режиме работы от сети переменного тока напряжением 220 В частотой 50 Гц, в аварийном режиме - резервное питание от аккумуляторных батарей ЭПУ аппаратуры связи.

9.2.20 При расчете емкости аккумуляторных батарей следует учитывать:

питание сетей эвакуационного и аварийного освещения для продолжения работы в местах с постоянным обслуживанием;

питание аппаратуры поездной радиосвязи в течение времени, определенного для аппаратуры связи;

питание устройств охранно-пожарной сигнализации;

уменьшение емкости аккумуляторной батареи при температуре в помещении аккумуляторной ниже плюс 15 °С;

снижение емкости аккумуляторов на 15 % от старения.

9.2.21 Количество выпрямительных устройств, работающих параллельно, должно соответствовать техническим условиям на эти устройства.

Одно рабочее выпрямительное устройство должно иметь стопроцентный резерв. При параллельной работе нескольких одинаковых по мощности выпрямительных устройств можно установить одно резервное выпрямительное устройство, но не менее 25 % от числа рабочих выпрямительных устройств.

Резервный выпрямитель должен использоваться также для заряда аккумуляторных батарей и должен обеспечивать:

заряд (одно- или двухгруппной) аккумуляторной батареи до напряжения 2,3 В для автоматизированных ЭПУ на аккумулятор; контрольный заряд - разряд, формирование всей аккумуляторной батареи или основной группы до 2,7 В на аккумулятор;

полную взаимозаменяемость с рабочими выпрямительными устройствами;

иметь мощность и напряжение, достаточные для заряда аккумуляторной батареи на 90 % номинальной емкости в течение не более 8 ч при предшествующем 30-минутном разряде;

зарядный ток, равный не менее 2 А на индексный номер аккумулятора при заряде одной и не менее 4 А - при одновременном заряде одним выпрямителем двух групп батарей.

9.2.22 Оборудование электропитающих установок должно обеспечивать перспективное развитие по блочному принципу, позволяющему наращивать мощность по мере надобности без замены установленных блоков.

9.2.23 При проектировании централизованной системы питания необходимо руководствоваться следующими положениями:

а) если для конечной (перспективной) мощности объекта потребуется установка нескольких ЭПУ с напряжениями постоянного тока одного номинала, необходимо предусмотреть, чтобы первая ЭПУ имела:

аккумуляторные батареи, рассчитанные на полную нагрузку этой ЭПУ (с учетом эксплуатационного срока службы аккумуляторов);

выпрямители, достаточные по мощности для питания первоначально монтируемой аппаратуры связи, аппаратуры поездной радиосвязи и заряда аккумуляторных батарей;

б) если для конечной (перспективной) мощности объекта потребуется установка одной ЭПУ, необходимо предусматривать в этой ЭПУ аккумуляторную батарею, рассчитанную на конечную мощность объекта (с учетом эксплуатационного срока службы аккумуляторов), и выпрямительные устройства, достаточные по мощности для питания первоначально монтируемой аппаратуры связи, аппаратуры поездной радиосвязи и заряда аккумуляторных батарей;

в) необходимо предусматривать резервные площади для ЭПУ при полном развитии объекта.

9.2.24 При проектировании децентрализованной системы питания ЭПУ должна предусматриваться для монтируемого технологического оборудования с учетом его развития в пределах организации электропитания от данной ЭПУ.

9.2.25 Коммутационное оборудование для каждой ЭПУ следует выбирать по максимальному току нагрузки, который будет обеспечиваться этой ЭПУ.

9.2.26 Исходные данные по тепловыделению от технологического оборудования связи при проектировании сантехнических устройств принимаются с учетом коэффициента спроса. Коэффициент спроса цифрового оборудования принимается равным единице.

9.2.27 Потери потребляемой мощности на тепловыделение для аппаратуры ЛАЦ, коммутаторных залов РМТС, абонентского телеграфа составляют 95 %, а ЖАТС, УАК и аппаратных залов телеграфа - 75 %.

При расчете потребляемой мощности следует исходить из фактических значений тока, потребляемого основными и сигнальными цепями аппаратуры в рабочем режиме. Исключение составляет аппаратура дистанционного электропитания, для которой мощность тепловыделений составляет:

25 % - потребляемой основными цепями и 100 % - сигнальными цепями.

9.2.28 Мощность тепловыделений для всех выпрямительных устройств определяется для режима буферной работы (без учета мощности тепловыделений при заряде аккумуляторных батарей).

9.3 Токораспределительная сеть

9.3.1 Основной схемой построения токораспределительной сети (ТРС) для электропитания цифровой аппаратуры является радиальная. Данная схема предусматривает прокладку с выхода ЭПУ к каждой функциональной нагрузке (стойке) отдельных токопроводов (с заземленным и незаземленным полюсом). Устройства защиты устанавливаются в незаземленном полюсе.

9.3.2 При электропитании аппаратуры связи импортных поставок от отечественных ЭПУ токораспределительная сеть должна проектироваться по условиям, согласованным с фирмами-поставщиками аппаратуры.

9.3.3 Электропитание цепей сигнализации и вспомогательных устройств (термостаты и др.) аппаратуры систем передачи, как правило, следует предусматривать от отдельного незаземленного токопровода через устройства защиты.

9.3.4 Для питания рабочих цепей, цепей сигнализации и вспомогательных устройств аппаратуры систем передачи должен предусматриваться общий заземленный магистральный токопровод.

9.3.5 При размещении цифровых систем передачи в существующем ЛАЗе следует демонтировать существующие рядовые шины заземления над аппаратурой.

9.3.6 Расчет ТРС на ток короткого замыкания и индуктивность производить, руководствуясь утвержденными нормами и правилами, типовыми проектными решениями.

9.3.7 Для цепей сигнализации и управления расчет сечения не производится; сечение выбирать, исходя из соображений удобства монтажа и механической прочности.

9.3.8 При составлении схемы токораспределения необходимо учитывать, кроме токовой нагрузки аппаратуры, устанавливаемой при разработке проекта, токовую нагрузку на дополнительное оборудование при дальнейшем развитии устройств связи.

9.3.9 При составлении схемы токораспределения следует учитывать, что от каждой выходной клеммы токораспределительных устройств должно быть не более трех ответвлений к питаемой аппаратуре.

9.3.10 Токораспределительные сети необходимо проектировать с учетом минимального расхода проводниковых материалов при условии обеспечения норм напряжений на аппаратуре в соответствии с ГОСТ 5237-83, а также исходя из предельной мощности объектов.

9.3.11 Токораспределительная сеть в рабочем незаземленном полюсе должна иметь ступенчатую защиту от токов короткого замыкания и обеспечивать требования селективности.

9.3.12 Аппараты защиты токораспределительных сетей от повышенных токов, при которых возникает опасность повреждения или воспламенения изоляции, устанавливать при всяком изменении сечения проводника по направлению от источника к потребителю. Уставка аппарата защиты при этом должна соответствовать сечению проводника за аппаратом.

9.3.13 В токораспределительных сетях, предназначенных для питания аппаратуры, критичной к изменениям напряжения в нестационарных режимах, необходимо предусматривать только автоматические выключатели.

9.3.14 В токораспределительных сетях цифровой аппаратуры следует как правило, применять медные шины, кабели и провода с медными жилами.

9.3.15 Сечение кабелей проводки переменного тока необходимо выбирать по допустимой плотности тока с учетом максимально допустимой длительной токовой нагрузки на кабели и тока срабатывания расцепителей автоматов защиты.

9.3.16 Кабели (провода), содержащие цепи переменного тока и входные электрические цепи линейного сигнала, должны быть, по возможности, разнесены, для чего следует исключить их совместную прокладку по кабельростам.

Следует избегать прокладки проводки линий переменного тока для питания переносных измерительных приборов и электропаяльников вблизи аппаратуры цифровых систем передачи.

X Заземления

10.1 Общие требования

10.1.1 Заземляющие устройства на объектах связи должны соответствовать требованиям отечественных нормативных документов, а также международным европейским стандартам.

10.1.2 Для достижения качественного функционирования аппаратуры ВОЛП необходимо обеспечить молниезащиту, сформировать нормальную электромагнитную обстановку, обеспечить электромагнитную совместимость аппаратуры и нормы сопротивления заземляющих устройств, предусмотренные в нормативно-технической документации (НТД) на проектируемую аппаратуру конкретного вида.

10.1.3 Сопротивления заземляющих устройств должны соответствовать нормам сопротивления заземлений всех подключаемых устройств.

Нормы сопротивления заземлений, учитывающие требования ГОСТ 464-79. Правила устройства электроустановок и Правил защиты устройств проводной связи и проводного вещания от влияния тяговой сети электрифицированных железных дорог переменного тока, а также критерии выбора конструкций заземлителей и их расчет приведены в Методических указаниях по проектированию устройств автоматики, телемеханики и связи на железнодорожном транспорте. И-179-89. Заземляющие устройства сооружений электросвязи и постовых устройств централизации.

10.2 Цифровые системы передачи с использованием кабелей с металлическими элементами

10.2.1 Оконечные пункты и обслуживаемые регенерационные пункты

10.2.1.1 В оконечных пунктах и обслуживаемых регенерационных пунктах, на которых отсутствуют соединительные линии или цепи дистанционного питания аппаратуры, использующие землю в качестве провода электрической цепи, сооружают:

защитное заземляющее устройство;

два измерительных заземляющих устройства.

10.2.1.2 В оконечных пунктах и обслуживаемых регенерационных пунктах, на которых имеются соединительные линии, использующие землю в качестве провода электрической цепи, сооружают:

рабоче-защитное заземляющее устройство;

два измерительных заземляющих устройства.

Линейно-защитным заземляющим устройством оконечные пункты и обслуживаемые регенерационные пункты не оборудуют. Его функции должны выполнять защитное или рабоче-защитное заземляющее устройство.

10.2.1.3 К заземляющим устройствам кратчайшим путем подключаются:

а) к рабочему заземляющему устройству - «плюс» источника питания телефонной станции, имеющей соединительные линии, использующие землю в качестве провода электрической цепи;

б) к защитному заземляющему устройству:

один из полюсов электропитающей установки;

металлические части стативного и коммутаторного оборудования;

экраны аппаратуры и кабелей;

металлические оболочки кабелей, элементы схем защиты, молниеотводы;

металлические части силового оборудования (щиты и панели для ввода и распределения переменного тока, щиты и шкафы питающей установки, щит автоматики и корпус дизель-генератора резервной электростанции), которые подлежат заземлению при изолированной нейтрали и занулению при глухозаземленной нейтрали питающей сети переменного тока;

металлические трубопроводы водопровода и центрального отопления и другие металлические конструкции внутри здания;

вывод источника однофазного тока, нейтраль трансформаторов силовой трансформаторной подстанции и собственной резервной электростанции, питающей оборудование, установленное в здании.

10.2.2 Необслуживаемые регенерационные пункты в металлических термокамерах.

10.2.2.1 При дистанционном питании по схеме «провод - провод» для всех необслуживаемых регенерационных пунктов оборудуют:

а) при удельном сопротивлении грунта более 20 Ом×м:

объединенное защитное заземляющее устройство;

два измерительных заземляющих устройства.

б) при удельном сопротивлении грунта менее 20 Ом×м:

защитное заземляющее устройство;

линейно-защитное заземляющее устройство;

измерительное заземляющее устройство.

При этом, в качестве защитного заземляющего устройства, должны использоваться анодные электроды (протекторы).

10.2.3 Наземные необслуживаемые регенерационные пункты, совмещенные с постами ЭЦ

10.2.3.1 При дистанционном питании по схеме «провод - провод» для всех необслуживаемых регенерационных пунктов, независимо от удельного сопротивления грунта, оборудуют:

объединенное защитное заземляющее устройство;

два измерительных заземляющих устройства.

10.3 Волоконно-оптические линии передачи и цифровые коммутационные станции

10.3.1 На обслуживаемых и необслуживаемых пунктах ВОЛП сооружают:

защитное заземляющее устройство;

два измерительных заземляющих устройства.

10.3.2 К заземляющему устройству кратчайшим путем подключаются:

полюс источника питания (плюс);

металлические части оборудования.

10.3.3 В существующих узлах связи необходимо обеспечить совместимость устанавливаемого цифрового оборудования с действующим аналоговым оборудованием связи и защиту персонала и оборудования от возникающих перенапряжений, электростатической энергии и ударов молнии.

При размещении в одном здании существующей и проектируемой цифровой аппаратуры, последняя использует для заземления существующий защитный или рабоче-защитный контур.

К заземляющему устройству кратчайшим путем подключаются все цепи, указанные в п. 10.2.1.3 настоящих Норм.

10.3.4 Сопротивление заземляющих устройств должно соответствовать нормам сопротивления заземления всех подключаемых устройств, в том числе и нормам сопротивления заземления проектируемого оборудования, устанавливаемыми требованиями нормативно-технической документации на конкретную аппаратуру.

В случае, если величина сопротивления существующего заземляющего устройства превышает нормируемую для данной аппаратуры величину, необходимо предусмотреть дополнительные электроды заземления в количестве, обеспечивающем вместе с существующим заземляющим устройством, требуемую величину сопротивления заземления.

Для аппаратуры ВОЛП и цифровых коммутационных станций сопротивление заземляющего устройства не должно превышать 4,0 Ом.

Для коммутационных станций, использующих землю в качестве обратного провода сопротивление рабоче-защитного заземления не должно превышать:

4,0 Ом - до 100 соединительных линий;

3,0 Ом - от 101 до 200 соединительных линий;

2,5 Ом - от 201 до 500 соединительных линий;

1,0 Ом - от 501 до 1000 соединительных линий;

0,5 Ом - свыше 1000 соединительных линий.

10.4 Заземлители

10.4.1 Сопротивление защитного или рабоче-защитного заземляющего устройства должно быть обеспечено с учетом использования естественных заземлителей (проложенные под землей металлические трубы, металлические конструкции, арматура зданий и их бетонных фундаментов и другое, за исключением трубопроводов горючих и взрывоопасных смесей, канализации, центрального отопления и бытового водопровода, расположенных вне служебно-технического здания).

10.4.2. В качестве заземлителей могут быть использованы железобетонные фундаменты служебно-технических зданий СЦБ и связи.

Железобетонные фундаменты этих зданий можно использовать в качестве заземлителей при воздействии неагрессивных или слабоагрессивных грунтовых вод, т.е. при отсутствии гидроизоляции или при защите поверхности фундаментов битумным или битумно-латексным покрытием. Не допускается использование железобетонных конструкций в заземляющих устройствах в средне- или сильноагрессивных средах, а также в грунтах с влажностью менее 3 %.

В случае невозможности использования естественных заземлителей, необходимо сооружать искусственные заземлители.

10.4.3 Уголковые вертикальные заземлители изготавливаются из угловой стали 50×50×5 мм длиной 2,5 м и соединяются между собой при помощи сварки стальной полосой 4×40 мм. При расположении заземлителей многорядными контурами, последние соединяют между собой перемычками из такой же полосы. Расстояние между вертикальными заземлителями должно быть не менее удвоенной длины заземлителя.

Прутковые вертикальные заземлители должны быть диаметром до 20 мм. Рекомендуется применять прутковые вертикальные заземлители диаметром 12 мм, длиной 5 м.

10.4.4 При устройстве заземлений одновременно со строительными работами по установке фундамента (ленточного или плиточного) до засыпки котлована, заземлители размещают по периметру открытого котлована с внутренней стороны. Заземлители забивают так, чтобы верхний конец уголков был на 0,3 м выше дна котлована, вырытого под фундамент. Расстояние между заземлителями 2,5 или 5,0 м и в зависимости от размеров здания.

В случае, если общее сопротивление заземляющего устройства окажется выше нормы, то в непосредственной близости от здания устраивают дополнительное заземляющее устройство.

10.4.5 Для устройства рабочего заземления рекомендуется применять только уголковые вертикальные заземлители длиной 2,5 м. Кроме того, уголковые заземлители этой длины рекомендуется применять во всех случаях, когда для получения необходимой величины сопротивления заземлений требуемое их количество не превышает 40 шт.

10.4.6 В стесненных территориальных условиях, а также в местах с удельным сопротивлением грунтов выше 400 Ом×м, кроме скальных грунтов и районов вечной мерзлоты, рекомендуется устройство заземлений из прутковых вертикальных заземлителей длиной 10 или 15 м. При наличии механизмов могут быть применены трубчатые заземлители диаметром 150 мм длиной 10 м или 15 м.

10.4.7 В скальных грунтах рекомендуется применять уголковые вертикальные заземлители длиной 2,5 м, помещаемые в котлованы с грунтом-заполнителем.

10.4.8 Длина прутковых и скважинных заземлителей определяется в зависимости от нахождения грунтовых вод. Длина заземлителя должна быть выбрана таким образом, чтобы нижний конец его находился ниже на 0,5 м нижнего уровня грунтовых вод. В этом случае удельное сопротивление грунтов в зависимости от геологических данных уменьшается примерно в 2,5 раза.

10.4.9 Устройство заземлителей в районах вечной мерзлоты

10.4.9.1 В районах вечной мерзлоты исходными данными для рационального выбора и проектирования заземляющих устройств должны быть результаты геологических и геофизических изысканий.

Изыскания следует производить на площадке, где будет строиться служебно-техническое здание, и на прилегающей к ней территории с целью выявления участков с пониженным удельным сопротивлением (талики, водоемы, рудные и угольные пласты и др.), в которых можно выполнять выносные заземлители по условиям, аналогичным районам умеренного климата (т.е. по нормативам, не требующим учета повышенного электрического сопротивления вечномерзлого грунта), а также с целью определения структуры и специфических особенностей грунта на участках строительства.

10.4.9.2 В качестве заземлителей могут быть использованы свайные железобетонные фундаменты служебно-технических зданий.

10.4.9.3 В районах вечной мерзлоты электрические параметры верхнего слоя грунта подвержены сильным сезонным колебаниям. Вследствие этого рекомендуется применять глубинные заземлители, т.к. удельные сопротивления нижних слоев более стабильны.

10.4.9.4 Углубленные заземлители целесообразно располагать в котлованах вдоль ленточных фундаментов зданий.

Расположение заземлителей в непосредственной близости от здания будет способствовать получению стабильных значений сопротивлений заземления, мало подверженных воздействию сезонных колебаний температур.

Заземляющие устройства, устраиваемые под фундаментами зданий, следует считать одним из основных видов заземлений для условий районов вечной мерзлоты.

10.4.9.5 Выносные заземляющие устройства устраивают:

в местах с грунтом, имеющим значительно меньшее удельное сопротивление, чем в месте нахождения объекта;

в водоемах (прудах, озерах, реках), не промерзающих до дна;

в талых грунтах (таликах).

Тип заземлителя выбирают после изысканий, расчета количества заземлителей и определения затрат.

Сопротивление соединительной линии (кабельной или воздушной) для выносных заземлителей не должно превышать 10 % от номинального сопротивления заземлителя.

Для выносных заземлителей в водоемах служат контуры типов «гребенка», «решетка» или «клетка».

10.4.10 Расположение заземлителей

10.4.10.1 Заземлители различного назначения на площадке служебно-технического здания размещают исходя из условий их удобного расположения на местности и исключения взаимного влияния между ними.

10.4.10.2 Рекомендуется основной заземлитель располагать по периметру здания и выполнять его одновременно со строительными работами по установке фундаментов до засыпки котлованов.

10.4.10.3 При расположении заземлителей на прилегающих к служебным объектам площадках, вертикальные заземлители могут быть расположены в ряд, по контуру или в виде многорядных контуров.

10.4.10.4 На площадке служебно-технического здания контуры рабочего и защитного заземлителей следует располагать не далее 20 м от здания и не ближе 20 м от контура измерительного заземлителя.

10.4.10.5 Контур рабоче-защитного заземлителя следует располагать не далее 20 м от здания и не ближе 20 м от магистральных кабелей и контуров измерительных заземлителей.

10.4.10.6 Контуры защитного и линейно-защитного заземлителей подземных НРП должны быть расположены не далее 10 ... 15 м от металлического корпуса термокамеры и не ближе 20 м от контуров рабочего и измерительного заземлителей.

10.4.10.7 Контур измерительного заземления следует располагать не ближе 40 м от кабелей.

10.4.10.8 Электроды протекторной защиты располагают около термокамеры с разных сторон на расстоянии 6 м.

10.5 Ввод заземляющих проводников

10.5.1 Ввод в служебно-техническое здание

10.5.1.1 Вводы от каждого контура заземляющего устройства в здание выполняются:

от защитного или рабоче-защитного - двумя стальными шинами сечением не менее 50 мм2, присоединенными сваркой к контуру наружного заземления в разных местах кратчайшим путем;

от рабочего и измерительного - силовыми небронированными кабелями с алюминиевой жилой сечением не менее 25 мм2 и 6 мм2 соответственно.

Все вводы подаются на главную шину заземления, где соединяются параллельно с помощью болтов и разъединяются (только при помощи инструмента в соответствии с ГОСТ Р 50571.10-96) лишь на период измерения сопротивления заземляющих контуров.

10.5.1.2 Ввод от защитного и рабоче-защитного контуров заземлителей в здание до главной шины заземления выполняется полосовой сталью (двумя шинами), изолированными от земли и стен здания асфальтовым или каким-либо другим изолирующим и водостойким лаком.

В местах прохода шин через стены здания они должны быть защищены шлангом из изолирующего материала (резиновая или эбонитовая трубка). Внутри здания шины крепятся к стене через каждые 30 см и подключаются болтовыми соединениями к главной шине заземления.

10.5.1.3 В качестве главной шины заземления рекомендуется медная шина (полоса) сечением не менее 50 мм2, длиной 1,0 м. Главная шина заземления должна располагаться вблизи ввода шин (кабелей) от наружного контура заземления, как можно ближе к устройствам ввода и распределения переменного тока и кабелей связи.

10.5.1.4 Ввод кабелей силового фидера следует предусматривать в отдельном проеме в стене здания.

10.5.1.5 Ввод в здание заземлителей от рабочего и измерительных контуров предусматривается силовыми небронированными кабелями с алюминиевой жилой.

10.5.2 В подземных необслуживаемых регенерационных пунктах от контуров рабочего, защитного, линейно-защитного и измерительного заземлителей, а также от электродов протекторной защиты предусматривается прокладка заземляющих проводников в соответствии с типовыми проектными решениями для соответствующих систем передачи.

10.5.3 Металлические бронепокровы линейной стороны ВОК подключаются медными проводами сечением не менее 4 мм2 к главной шине заземления. Для обеспечения возможности контроля изолирующих шланговых покровов ВОК должна быть предусмотрена возможность временного электрического отключения указанного провода от главной шины заземления (установка щитка КИП или съемных перемычек).

10.6 Система заземляющих проводок служебно-технического здания (периферийная)

10.6.1 Система обеспечивает молниезащиту обслуживаемых объектов проводной связи от прямых грозовых разрядов по категории II молниезащиты зданий.

10.6.2 В целях защиты технического здания объекта связи от прямых грозовых разрядов следует максимально использовать в качестве естественных молниеотводов существующие высокие сооружения, а также молниеотводы других близко расположенных сооружений (мачты антенн, трубы котельных, воздушные линии электропередачи).

Если здание объекта связи частично вписывается в зону защиты естественных молниеотводов или соседних объектов, защита от прямых грозовых разрядов должна предусматриваться только для остальной, незащищенной его части. Если в ходе эксплуатации здания объекта связи реконструкция или демонтаж соседних объектов приводит к увеличению незащищенных частей, соответствующие изменения защиты от прямых грозовых разрядов должны быть выполнены до начала ближайшего грозового сезона; если же демонтаж или реконструкция соседних объектов проводится в течение грозового сезона, то на это время должны быть предусмотрены временные мероприятия, обеспечивающие защиту от прямых грозовых разрядов незащищенной части здания объекта связи.

10.6.3 Защита от прямых грозовых разрядов технических зданий обслуживаемого объекта связи с неметаллической кровлей может быть выполнена как отдельно стоящими, так и с установленными на крыше здания стержневыми или троссовыми молниеотводами, обеспечивающими зону защиты в соответствии с требованиями нормативного документа.

10.6.4 Если неметаллическая кровля здания объекта связи имеет уклон не более 1:8, следует предусматривать устройство молниеприемной сетки. При этом следует включать в зону защиты выходы труб, отводящих газовыделения из помещений с аккумуляторами. Сетка должна быть выполнена из стальной проволоки диаметром не менее 6 мм и уложена на кровлю сверху или под несгораемые (трудносгораемые) утеплитель или гидроизоляцию. Шаг ячеек сети должен быть не более 5×5 м. Узлы сетки должны быть соединены сваркой. Выступающие над крышей металлические элементы (трубы, шахты, вентиляционные устройства и др.) должны быть присоединены к молниеприемной сетке, а выступающие неметаллические элементы защищаются штыревыми молниеприемниками, подключаемыми к молниеприемной сетке.

10.6.5 На техническом здании объекта связи с металлической кровлей в качестве молниеприемника прямого грозового разряда должна использоваться сама кровля. При этом все выступающие неметаллические элементы должны быть оборудованы молниеприемниками, присоединенными к материалу кровли.

10.6.6 Для проектируемых и реконструируемых зданий объектов связи следует предусматривать кольцевой контур защитного заземляющего устройства, который устраивается с учетом положений 2.13 РД 34.21.122. Необходимое число вертикальных заземлителей определяется в соответствии с Методическими указаниями по устройству заземлений служебно-технических зданий СЦБ и связи.

10.6.7 Железобетонные фундаменты зданий следует учитывать в качестве естественных заземляющих устройств в дополнение к искусственным заземляющим устройствам в соответствии с положениями 1.8 РД 34.21.122 и ГОСТ 12.1.030.

Запрещается использование в качестве заземлителя металлических коммуникаций, входящих в служебно-техническое здание: оболочек и бронепокровов кабелей, труб водоснабжения, канализации, газовой сети.

10.6.8 Поверхность грунта над контуром заземляющего устройства должна быть покрыта асфальтом, по крайней мере, в зонах пешеходных дорожек.

10.6.9 Вертикальные тоководы, соединяющие молниеприемник с заземляющим устройством, следует выполнять из стального прутка диаметром не менее 6 мм или стальной полосы сечением не менее 25 мм2.

10.6.10 Соединение молниеприемника с токоотводами и токоотводов с контуром заземляющего устройства должны выполняться сваркой.

10.6.11 Количество вертикальных токоотводов и расстояние между ними определяется следующим образом:

вдоль каждого угла здания объекта связи прокладывается один вертикальный токоотвод;

если расстояние между двумя соседними углами превышает 5 м, между ними прокладывается промежуточный вертикальный токоотвод;

если расстояние между угловыми и промежуточными токоотводами более 30 м, то предусматриваются дополнительные проводники, устанавливаемые с шагом 15 м.

10.7 Проводка заземления в служебно-технических зданиях

10.7.1 Оборудование цифровых систем передачи и коммутационных станций для обеспечения помехозащищенности следует монтировать по схеме электропитания с изоляцией порта питания «+» от корпуса аппаратуры.

10.7.2 Для реконструируемых объектов, имеющих оборудование с объединением порта питания «+» с корпусом аппаратуры, схемы заземления действующей аппаратуры и проектируемой цифровой аппаратуры должны быть разделены вплоть до главной шины заземления.

10.7.3 Для заземления цифровой аппаратуры предусматривается медная шина сечением не менее 50 мм2.

10.7.4 В узлах связи должны быть предусмотрены работы по формированию основной сети потенциаловыравнивающих соединений по ГОСТ Р 50571.10-96.

10.7.5 В узлах связи должна быть предусмотрена укладка электростатического линолеума в местах установки оборудования волоконно-оптических систем передачи и коммутационного оборудования.

В выделенном помещении для установки оборудования волоконно-оптических систем передачи линолеум укладывается на всей площади помещения.

При установке проектируемого цифрового оборудования в существующем ЛАЗе и удовлетворительном состоянии существующего покрытия антистатический линолеум укладывается только под рядом проектируемого оборудования и прилегающими проходами.

Антистатический линолеум должен иметь сопротивление по отношению к земле не менее 5×104 Ом и не более 108 Ом. Постоянная времени утечки заряда должна быть менее 5 сек.

Для стекания электростатического заряда, при необходимости, под линолеум укладывается металлическая сетка (металлическая фольга или жесть толщиной 0,1 ... 0,3 мм шириной 5 мм или проволока толщиной 0,3 ... 0,6 мм без лаковых и других покрытий) в соответствии с Инструкцией по монтажу антистатических покрытий полов производственных помещений с использованием эластомерного цветного антистатического покрытия.

Металлическая сетка в двух точках крепится к шине заземления.

10.8 Устройство основной системы выравнивания потенциалов служебно-технического здания

10.8.1 Основная система выравнивания потенциалов (ОСВП) служит для защиты технического здания объекта связи, размещаемой в нем цифровой аппаратуры, а также обслуживающего персонала, как от воздействия прямого грозового разряда, так и от вторичных проявлений грозового разряда.

10.8.2 При проектировании новых и реконструкции действующих объектов связи следует предусматривать проведение работ по формированию основной сети потенциаловыравнивающих соединений по ГОСТ Р 50571.3.

В эту систему включаются сторонние проводящие части здания, а также системы защитных проводников:

система кольцевых потенциаловыравнивающих проводников;

система вертикальных потенциаловыравнивающих проводников;

металлические части строительных конструкций;

система центрального отопления, вентиляции и кондиционирования воздуха, система водо- и газоснабжения;

металлические части оборудования (кабельные желоба, металлические двери и т.д.).

10.8.3 Вертикальные и кольцевые потенциаловыравнивающие проводники следует относить к группе главных потенциаловыравнивающих проводников (ГОСТ Р 50571.10), которые выполняют функцию защитных проводников.

Выравнивание потенциалов между сторонними проводящими частями, а также включение последних в ОСВП, осуществляется дополнительными потенциаловыравнивающими проводниками.

10.8.4 Кольцевой потенциаловыравнивающий проводник (КПВП) прокладывается по периметру стены. В качестве такого проводника используется медный провод (изолированный или неизолированный) или шина, сечением не менее 16 мм2. Рекомендуется использовать шины, так как они имеют наименьшее индуктивное сопротивление.

Каждый кольцевой потенциаловыравнивающий проводник соединяется с вертикальными, с арматурой железобетонных стен здания и металлическими коммуникациями дополнительными потенциаловыравнивающими проводниками сечением не менее 16 мм2 по меди.

КПВП прокладывается на уровне кабельроста, на расстоянии от стен помещений 10 - 15 мм и должен оставаться доступным для визуального контроля и подключения потенциаловыравнивающих проводников.

10.8.5 Для технических зданий с кольцевым контуром защитного заземления устройство КПВП цокольного этажа не обязателен. Для реконструируемых зданий при невозможности устройства кольцевого контура защитного заземления КПВП цокольного этажа обязателен.

10.8.6 На крупных объектах связи (для технических зданий со стороной от 30 м и этажностью не менее трех) должна устраиваться вертикальная система выравнивания потенциалов. Вертикальный потенциаловыравнивающий проводник прокладывается от главной шины заземления на каждый этаж технического здания и соединяется с этажной шиной заземления.

10.8.7 Внутри здания объекта связи между трубопроводами и другими протяженными металлическими конструкциями в местах их взаимного сближения на расстояние менее 10 см через каждые 20 м следует предусматривать перемычки из стального прутка диаметром не менее 6 мм или стальной ленты сечением не менее 24 мм2; для кабелей с металлическими оболочками перемычки должны быть выполнены пайкой гибкого медного проводника.

10.8.8 В соединении между собой элементов трубопроводов или других протяженных металлических конструкций должны быть обеспечены переходные сопротивления не более 0,03 Ом.

XI Служебно-технические помещения

11.1 Технологические исходные данные

11.1.1 В зданиях домов связи и других служебно-технических зданиях железнодорожной инфраструктуры должны предусматриваться основные помещения для размещения технологического оборудования узлов связи перечень которых приведен в таблице 11.1.

Взаимное расположение помещений должно обеспечивать экономию расхода кабелей и удобство эксплуатации.

Площади помещений определяются составом и расположением оборудования с учетом перспективы развития.

Таблица 11.1 Перечень основных помещений для размещения технологического оборудования узлов связи

Наименование помещений

Здания домов связи

Управлений ж.д.

Отделений ж.д.

Участковых и крупных ж.д. станций

Линейно-аппаратный зал аппаратуры систем передачи и оперативно-технологической связи (ЛАЗ-СП)1)

+

+

+

Линейно-аппаратный зал аппаратуры телеграфных каналов (ЛАЗ-ТК)

+

+

-2)

Узел автоматической коммутации (УАК) дальней телефонной связи

+

+

+6)

Стативная автоматической станции коммутации каналов (СКК) телеграфной связи и передачи данных

+

+

-

Коммутаторная автоматической станции телеграфной связи и передачи данных

+

+

-

Аппаратная станции телеграфной связи и передачи данных

+

+

-

Междугородная телефонная станция ручного способа соединения (РМТС)

+

+

+

Автоматный зал местной автоматической телефонной станции (ЖАТС)

+

+

+6)

Кроссовая (ЖАТС)

+

+

+3)

Выпрямительная

+

+

+4)

Аккумуляторная

+

+

+

Помещение ввода кабелей

+

+

+

Резервная электростанция

+

+

+

Компрессорная

+

+

+5)

региональный центр управления волоконно-оптическими линиями связи (РЦУ)

+7)

-

-

Региональная производственная лаборатория (РПЛ)

+7)

-

-

Эксплуатационно-технологический цех (ЭТЦ)

8)

8)

8)

Примечания:

1 Допускается размещение технических средств (локальных или сетевых терминалов) по обслуживанию аппаратуры волоконно-оптических систем передачи при условии непостоянного режима работы технического персонала.

2 Аппаратура телеграфных каналов устанавливается в ЛАЗ-СП.

3 При конечной емкости ЖАТС до 300 номеров кросс устанавливается в автоматном зале.

4 Допускается размещение аппаратуры электропитающей установки 24/48/60 В в помещении ЛАЗ-СП и 48/60 В в помещении ЖАТС, в т.ч. совместно с аккумуляторной батареей при условии применения герметизированных аккумуляторов.

5 Допускается размещение аппаратуры содержания кабелей под газовым избыточным давлением в помещении ввода кабелей или резервной электростанции.

6 Допускается размещение аппаратуры УАК и ЖАТС в одном помещении. РЦУ и РПЛ размещаются в центральном сетевом узле связи дороги, который не всегда территориально совпадает с Управлением ж.д. Выбор помещения под РЦУ должен осуществляться с учетом технических условий поставщика оборудования на допустимую длину кабеля между шлюзовым сетевым элементом и сервером системы управления.

7 ЭТЦ преимущественно размещаются в служебно-технических зданиях дистанций сигнализации и связи.

11.1.2 Состав вспомогательных помещений определяется в соответствии со СНиП 2.09.04-87.

11.1.3 Производственные штаты работников по обслуживанию сооружений электросвязи, размещаемых в зданиях домов связи и других служебно-технических зданиях железнодорожной инфраструктуры, принимают в соответствии с действующими нормативами численности работников дистанции сигнализации и связи.

11.1.4 Квалификацию работников, занимающихся обслуживанием сооружений электросвязи по группам производственных процессов, принимают в соответствии со СНиП 2.09.04-87 с учетом действующей классификации санитарных характеристик производственных процессов на объектах железнодорожного транспорта.

11.2 Архитектурные, конструктивные и сантехнические требования

11.2.1 Общие требования к зданиям

11.2.1.1 Помещения с цифровой аппаратурой связи размещаются в домах связи и других служебно-технических зданиях железнодорожной инфраструктуры.

11.2.1.2 Степень огнестойкости здания должна быть не ниже IV (таблица 4 СНиП 21-01-97).

11.2.1.3 Здание по конструктивной пожарной опасности должно соответствовать классу не ниже C2.

11.2.1.4 Здание по функциональной пожарной опасности должно соответствовать одному из следующих классов: Ф 3.3; Ф 4.3; Ф 5.1.

11.2.1.5 Временные здания могут быть использованы только при соответствующем обосновании.

11.2.1.6 Молниезащита здания выполняется в соответствии с инструкцией РД 34.21.122-87. Категория молниезащиты - II. При размещении аппаратуры в существующем здании служба, отвечающая за его эксплуатацию, должна представить протокол испытания молниезащиты.

11.2.2 Требования к помещениям

11.2.2.1 Помещения с цифровой аппаратурой связи рекомендуется ориентировать на северный, северо-восточный или северо-западный секторы горизонта. При другой ориентации принимаются меры по защите от избыточной инсоляции.

11.2.2.2 Помещения с цифровой аппаратурой связи не рекомендуется размещать под помещениями с мокрыми процессами и возможным проливом жидкостей. При необходимости такого размещения выполняются мероприятия по установке гидроизоляционной защиты.

11.2.2.3 Огнестойкость ограждающих конструкций помещения должна составлять:

перекрытий - не менее REI 45;

стен и перегородок - не менее EI 30;

дверей - не менее EI 30.

11.2.2.4 Помещение должно иметь естественное освещение с КЕО в зоне аппаратуры ℓН 0,2 %. Искусственное освещение состоит из основной и аварийной системы в соответствии с действующими нормами.

Основное (общее) освещение должно создавать на рабочей поверхности аппаратуры освещенность не менее 200 лк.

Лампы аварийного освещения должны располагаться над лицевой стороной оборудования.

11.2.2.5 Площадь помещения или рабочей зоны, выделенной для обслуживания аппаратуры, определяется технологическим заданием и составляет не менее 5,0 м2.

При определении размеров рабочей зоны (помещения) необходимо учитывать, что проход вдоль лицевой стороны аппаратуры и расстояние до приборов отопления должно составлять не менее 1000 мм.

Проход между лицевой и монтажной сторонами рядов составляет не менее 900 мм.

Проход между монтажными сторонами рядов или монтажной стороной ряда и стеной составляет не менее 700 мм.

11.2.2.6 Высота помещения в чистоте определяется высотой оборудования и составляет, как правило, не менее 2900 мм. Размещение аппаратуры в существующем здании с меньшей высотой помещений возможно только при технологическом обосновании.

11.2.2.7 Нормативная равномерно распределенная нагрузка на перекрытие составляет:

кратковременная - 90 кгс/м2;

длительная - 910 кгс/м2.

11.2.2.8 Проход через помещение с цифровой аппаратурой связи транзитных коммуникаций в виде воздуховодов, кабельных каналов, открытых стояков водопровода и канализационных не допускается.

11.2.2.9 Размер эвакуационного выхода (двери) в свету составляет по высоте не менее 2000 мм, по ширине 800 мм.

11.2.2.10 Декоративные покрытия стен и потолка выполняются, как правило, из негорючих материалов. Применение горючих материалов ограничивается группами Г1, Г2, В1, В2.

Все материалы, применяемые для отделки производственных помещений, покрытия полов, потолков и стен, не должны накапливать пыль и выделять вещества, вредно влияющие на аппаратуру (пары соединений серы, хлора, фтора).

Количество частиц пыли и других веществ в воздухе не должно превышать норм, указанных в стандарте ETS 300.

Покрытия полов не должны накапливать статическое электричество.

Рекомендуемый коэффициент отражения потолка составляет не менее 0,7; стен - от 0,3 до 0,7.

11.2.2.11 Покрытие пола должно быть антистатическим и по своим параметрам соответствовать техническим условиям на применяемую аппаратуру.

11.2.2.12 Помещения с цифровой аппаратурой связи относятся к пожароопасным категории B1 ÷ B4. Категория помещений по пожарной опасности определяется в соответствии с ППБ-01-93. Правила пожарной безопасности в Российской Федерации, НПБ 105-95 и ВНТП 05-97.

11.2.3 Требования к микроклимату помещений

11.2.3.1 Температурно-влажностные режимы и запыленность воздуха технологических помещений должны соответствовать требованиям СНиП РФ, ОСТ 45.86-96, требованиям стандарта ETS 300 и требованиям поставщика оборудования.

11.2.3.2 Класс кондиционирования следует определять в соответствии с технологическим заданием, а также в случае, если необходимые параметры внутреннего воздуха невозможно поддерживать только за счет систем вентиляции и отопления.

При отсутствии в помещении постоянного обслуживающего персонала система поддержания микроклимата должна быть полностью автоматизированной.

11.2.3.3 Расчетная температура воздуха в помещении с обслуживающим персоналом составляет плюс 22 ... 24 °С. Для необслуживаемых помещений нижний предел допустимой температуры для расчета системы отопления принимается в соответствии с требованиями технических условий на аппаратуру, но не ниже +5 °С.

11.2.3.4 Температура поверхности нагревательных приборов должна быть не более 95 °С.

Приборы должны комплектоваться регуляторами подачи теплоносителя и иметь легко очищаемую от пыли поверхность.

11.2.3.5 Помещения с цифровой аппаратурой связи оборудуются приборами контроля температуры и влажности.

В помещениях ЛАЗ, РЦУ, РПЛ, при необходимости, должна предусматриваться защита от солнечной радиации.

11.2.3.6 При наличии в помещении с аппаратурой постоянных рабочих мест для обслуживающего персонала должны быть выполнены условия по поддержанию параметров внутреннего воздуха в пределах, определенных ГОСТ 12.1.005-88. Общие санитарно-гигиенические требования.

11.3 Связь и сигнализация

11.3.1 В зданиях домов связи и других служебно-технических зданиях железнодорожной инфраструктуры предусматривают оборудование следующих сетей связи и сигнализации:

телефонной сети общетехнологической связи;

радиотрансляционной сети;

электрочасовой сети;

автоматической охранно-пожарной сигнализации;

связи оповещения о пожаре.

11.3.2 Автоматической пожарной сигнализацией в домах связи и других служебно-технических зданиях железнодорожной инфраструктуры оборудуются следующие помещения:

линейно-аппаратные залы, вентиляционные камеры, контрольно-испытательные пункты, кладовые аппаратуры;

мастерские, комнаты механиков, регулировочные, коммутаторные, резервные электростанции, электрощитовые, выпрямительные, компрессорные;

вводные шахты (кабельные), кроссовые, автоматные залы, комнаты проверки аппаратуры;

РМТС, гардеробные, вестибюли, буфеты, комнаты приема пищи, кабинеты и технические служебные помещения, комнаты отдыха, связевые.

11.3.3 Автоматической охранной сигнализацией в домах связи и других служебно-технических зданиях железнодорожной инфраструктуры оборудуются:

все помещения, расположенные на первом этаже - на разбитие стекол;

все входные наружные двери - на открывание;

помещения кассы, хранения ценных бумаг, дорогостоящей аппаратуры - на открывание входных дверей и разбитие стекол (независимо от того, на каком этаже размещены эти помещения).

11.3.4 Система автоматической пожарной сигнализации должна предусматривать блокирование с системами вентиляции и кондиционирования воздуха для автоматического отключения их при срабатывании систем извещения о пожаре, за исключением систем, предназначенных для подачи воздуха в тамбур-шлюзы помещений аккумуляторных, не отключаемых во время пожара.

11.3.5 Электропитание электрочасовой сети и охранно-пожарной сигнализации предусматриваются от электропитающих установок СЦБ и связи.

11.3.6 Прокладка кабелей от входных или выходных оконечных устройств (кроссов, аппаратных вводов, внешних сетей) до распределительных оконечных устройств выполняется, как правило, скрытым способом. Способ прокладки кабелей к абонентским устройствам определяется проектом.

ПРИЛОЖЕНИЕ № 1

к НТП-ЦТКС-ФЖТ

от 10.07.2002 г. № Р-626у

ПЕРЕЧЕНЬ
сокращенных наименований и условных обозначений, применяемых в Нормах технологического проектирования цифровых телекоммуникационных сетей на железнодорожном транспорте

АВР

- аварийно-восстановительные работы

АКД

- аппаратура окончания канала данных

АЛА

- абонентская линия аналоговая

АЛЦ

- абонентская линия цифровая

АМТС

- автоматическая междугородная телефонная станция

ATM

- режим асинхронной передачи информации

АТСЦ

- автоматическая телефонная станция цифровая

БД

- база данных

БДС

- билетная диспетчерская связь

ВДС

- вагонораспорядительная диспетчерская связь

ВЗГ

- ведомый задающий генератор

ВОК

- волоконно-оптический кабель

ВОЛП

- волоконно-оптическая линия передачи

ВОСП

- волоконно-оптическая система передачи

ВСС

- взаимоувязанная сеть связи Российской Федерации

ВУ

- выпрямительное устройство

ГВЦ

- главный вычислительный центр

ГЦУ

- главный центр управления

ДНЦ

- поездной диспетчер

ДПС

- двусторонняя парковая связь

ДСО

- связь опорных станций

ДСП

- дежурный по станции

ЕДЦУ

- единый диспетчерский центр управления

ЕСНЦ

- единая система нумерации цифровой сети общетехнологической телефонной связи

ЖАТС

- железнодорожная автоматическая телефонная станция

ЖАТСЦ

- железнодорожная автоматическая телефонная станция цифровая

ИБП

- источник бесперебойного питания

ИСЖТ

- информационная система железнодорожного транспорта

ИУС

- информационно-управляющая система

КИ

- канальный интервал системы с импульсно-кодовой модуляцией

ЛАЗ

- линейно-аппаратный зал

ЛВС

- локально-вычислительная сеть

ЛКС

- линейно-кабельные сооружения

ЛКУ

- линейно-кабельный участок

ЛП

- линия передачи

ЛПС

- линейно-путевая связь

МЖС

- поездная межстанционная связь

МССД

- местная сеть сбора данных

МСЭ-Т

- международный союз электросвязи (сектор стандартизации электросвязи)

МЦПСС

- магистральная цифровая первичная сеть связи

НРП

- необслуживаемый регенерационный пункт

НТД

- нормативно-техническая документация

ОбТС

- общетехнологическая телефонная связь

ОКС

- общий канал сигнализации

ООД

- оконечное оборудование данных

ОП

- сеть связи общего пользования

ОПС

- связь дежурного по охраняемому переезду

ОРП

- обслуживаемый регенерационный пункт

ОС

- оконечная станция

ОСВП

- основная система выравнивания потенциалов

ОТС

- оперативно-технологическая связь (телефонная)

ОЦК

- основной цифровой канал (64 кбит/с)

ПГС

- перегонная связь

ПД

- передача данных

ПДС

- поездная диспетчерская связь

ПРС

- поездная радиосвязь

ПО

- программное обеспечение

ПС

- постанционная связь

ПТК

- программно-технический комплекс

ПТО

- пункт технологического обслуживания

ПЦИ

- плезиохронная цифровая иерархия

ПЦК

- первичный цифровой канал (Е1, 2048 кбит/с)

ПЭГ

- первичный эталонный генератор

РМ

- рабочее место оператора

РМТС

- ручная междугородная телефонная станция

РОРС

- ремонтно-оперативная радиосвязь

РПЛ

- региональная производственная лаборатория

РРСП

- радиорелейная система передачи

РЦУ

- региональный центр управления

СМА

- система мониторинга и администрирования сети связи

СДС

- служебная диспетчерская связь

СЛ

- соединительная линия

СП

- система передачи

СПД

- сеть передачи данных

СПД ОбТН

- сеть передачи данных общетехнологического назначения

СПД ОТН

- сеть передачи данных оперативно-технологического назначения

СРС

- станционная радиосвязь

ССП

- спутниковая система передачи

СТМ

- синхронный транспортный модуль

СЦИ

- синхронная цифровая иерархия

ТНЦ

- локомотивный диспетчер

ТПУ

- транзитно-периферийный узел передачи данных

ТСС

- тактовая сетевая синхронизация

ТРС

- токораспределительная сеть

ТЧ

- тональная частота (0,3 - 3,4 кГц)

ТЦК

- третичный цифровой канал (Е3, 34 Мбит/с)

УАК

- узел автоматической коммутации

УС

- узловая станция

УССД

- участковая сеть сбора данных

ЦБ

- центральная батарея

ЦПСС

- цифровая первичная сеть связи

ЦПССД

- цифровая первичная сеть связи дорожная

ЦПССМ

- цифровая первичная сеть связи местная

ЦПССО

- цифровая первичная сеть связи отделенческая

ЦСИС

- цифровая сеть с интеграцией служб

ЦСП

- цифровая система передачи

ЦСПМК

- цифровые системы передачи по кабелям с медными жилами

ЦТКС

- цифровая телекоммуникационная сеть

ЦТО

- центр технического обслуживания

ЦУУ

- центральное управляющее устройство

ЭДС

- энергодиспетчерская связь

ЭКУ

- элементарный кабельный участок

ЭПУ

- электропитающая установка

ЭТЦ

- эксплуатационно-технологический цех

ЭЧЦ

- энергодиспетчер

ПРИЛОЖЕНИЕ № 2

к НТП-ЦТКС-ФЖТ

от 10.07.2002 г. № Р-626У

ПЕРЕЧЕНЬ
нормативных правовых актов Российской Федерации, государственных и отраслевых стандартов и иных нормативных документов, регламентирующих выполнение проектных работ по системам связи федерального железнодорожного транспорта

(обязательное)

Общая организация связи

1 Федеральный закон от 16.02.95 г. № 15-ФЗ. О связи.

2 Постановление Правительства РФ от 25.12.2000 г. № 1002. О государственной радиочастотной службе при Министерстве Российской Федерации по связи и информатизации.

3 Постановление Правительства РФ от 19.10.96 г. № 1254. Об утверждении правил присоединения ведомственных и выделенных сетей электросвязи к сети электросвязи общего пользования.

4 СНиП 11-01-95. Инструкция о порядке разработки, согласования, утверждения и составе проектной документации на строительство предприятий, зданий и сооружений.

5 Правила технической эксплуатации железных дорог Российской Федерации. Утверждены МПС России 26.05.2000 г. № ЦРБ-756.

6 О порядке присоединения сетей электросвязи к сетям электросвязи общего пользования и порядке регулирования пропуска телефонного трафика по сетям электросвязи общего пользования Российской Федерации. Указание Минсвязи РФ от 14.03.95 г. № 54у.

7 О порядке организационно-технического взаимодействия операторов телефонных сетей связи общего пользования на территории Российской Федерации, Указание Минсвязи РФ от 20.08.96 г. № 136у.

8 О порядке координации работ по развитию взаимоувязанной сети связи Российской Федерации. Решение ГКЭС России от 31.01.96 г. № 145.

9 Технические требования к системе технических средств по обеспечению функций оперативно-розыскных мероприятий на электронных АТС (СОРМ). Письмо Минсвязи РФ от 11.11.94 г. и дополнения от 19.05.98 г.

10 О порядке внедрения системы технических средств по обеспечению оперативно-розыскных мероприятий на сетях телефонной, подвижной и беспроводной связи и персонального радиовызова общего пользования. Приказ Министерства РФ по связи и информатизации от 25.07.2000 г. № 130.

11 Технические требования к системе технических средств по обеспечению функций оперативно-розыскных мероприятий на электронных АТС. Указание Минсвязи РФ от 11.11.94 г. № 252-у

12 Правила оказания услуг телефонной связи. Решение ГКЭС России от 01.01.98 г.

13 ЦЩ-270. Правила предоставления услуг междугородной связи железнодорожного транспорта РФ, 1994 г.

Цифровая система связи

14 Концепция создания цифровой сети связи МПС России. Утверждена МПС России 28.07.1997 г.

15 Основные положения развития Взаимоувязанной сети связи Российской Федерации на перспективу до 2005 года. Руководящий документ, утвержден решением ГКЭС России от 20.12.95 г. № 140

16 Руководящий документ по применению сложного оборудования связи на сетях электросвязи, входящих в состав Взаимоувязанной сети связи российской Федерации на период 1998 - 2005 гг. Утвержден решением ГКЭС России от 30.09.98 г.

17 Правила технической эксплуатации первичных сетей взаимоувязанной сети связи Российской Федерации (в шести книгах). Приказ ГКЭС России от 19.10.98 г. № 187.

18 Руководящий технический материал по применению систем и аппаратуры синхронной цифровой иерархии на сети связи Российской Федерации (первая редакция). Утвержден решением ГКЭС России от 05.03.94 г. № 74

19 Концепция построения оперативно-технологической связи Российских железных дорог. (ред. 3). Утверждена ЦИС МПС России 20.07.2000 г.

20 Руководящий технический материал по построению тактовой сетевой синхронизации на цифровой сети связи РФ. Утвержден решением ГКЭС России от 01.11.95 г. № 133.

21 Общие принципы включения УПАТС на телефонных сетях общего пользования. Руководящий документ, утвержден Минсвязи России 17.01.96 г.

22 ВНТП-МПС-91. Ведомственные нормы технологического проектирования электросвязи на железнодорожном транспорте.

23 РТМ-1 ОТС-Ц-2000. Руководящий технический материал по проектированию цифровых и цифро-аналоговых сетей оперативно-технологической связи.

24 РТМ ОТС-ТСС-Орг-2001. Руководящий технический материал по организационному обеспечению системы тактовой сетевой синхронизации (ТСС) для цифровых и цифро-аналоговых сетей оперативно-технологической связи (ОТС).

25 РТМ ОТС-ТСС-Пр-2001 Руководящий технический материал по проектированию системы тактовой сетевой синхронизации (ТСС) для цифровых и цифро-аналоговых сетей оперативно-технологической связи (ОТС).

26 РТМ-1 ОБТС-2001. Руководящий технический материал по проектированию цифровой сети ОБТС дорожного уровня. Утвержден ЦИС МПС России 20.07.2001 г.

27 Временные положения по построению единой системы мониторинга и администрирования дорожного уровня технологического сегмента сети связи МПС, ВНИИУП МПС, 2001 г.

28 Основные технические требования к цифровым автоматическим телефонным станциям для общетехнологической телефонной сети (ОбТС), 2-я редакция. Утверждены ЦИС МПС России 9.04.2002 г.

29 ГОСТ 21655-87. Каналы и тракты магистральной первичной сети единой автоматизированной системы связи. Электрические параметры и методы измерений.

30 ГОСТ 26886-86. Стыки цифровых каналов и групповых трактов первичной сети ЕАСС. Основные параметры.

31 ГОСТ 27285-87. Сеть связи цифровая интегральная. Параметры сопряжения коммутационных систем с цифровыми системами передачи.

32 ГОСТ 27357-87. Сеть связи цифровая интегральная. Система сигнализации. Номенклатура сигналов.

33 ОСТ 32.145-2000. Система оперативно-технологической связи железных дорог России. Протоколы информационно-логического взаимодействия объектов цифровой сети.

34 ОСТ 32.180-2001. Система оперативно-технологической связи железных дорог России. Система тактовой сетевой синхронизации: структура сети, нормы качества.

35 ОСТ 45.36-97. Линии кабельные, воздушные и смешанные городских телефонных сетей. Нормы электрические эксплуатационные.

36 ОСТ 45.54-96. Стыки оконечных абонентских телефонных устройств и автоматических телефонных станций. Характеристики и параметры цепей и сигналов на стыках.

37 ОСТ 45.62-97. Линейное оборудование абонентских линий учрежденческо-производственных автоматических телефонных станций. Нормы эксплуатационные.

38 ОСТ 45.68-96. Классификация и условные обозначения стыков (интерфейсов) цифровых станций местных телефонных сетей.

39 ОСТ 45.82-96. Линии абонентские кабельные с металлическими жилами. Нормы эксплуатационные.

40 ОСТ 45.90-96. Стыки цифровых каналов и групповых трактов первичной сети Взаимоувязанной сети связи Российской Федерации. Методы испытаний основных параметров.

41 ОСТ 45.104-97. Стыки оптические систем передачи синхронной цифровой иерархии. Классификация и основные параметры.

42 ОСТ 45.109-97. Аппаратура передачи данных. Цепи стыка симметричные для двухполярного тока. Общие требования.

43 ОСТ 45.110-97. Аппаратура передачи данных. Цепи стыка несимметричные для двухполярного тока. Общие требования.

44 ОСТ 45.115-97. Шлейфы испытательные оконечного оборудования данных и аппаратуры окончания каналов данных. Типы, функции, порядок применения.

45 ОСТ 45.116-97. Цепи стыка между оконечным оборудованием и аппаратурой окончания канала в сетях передачи данных общего пользования. Перечень цепей стыка и их функции.

46 Рекомендации по организации в цифровой аппаратуре оперативно-технологической связи (ОТС-Ц) устройств абонентского доступа в сеть передачи данных, ВНИИАС МПС, 2000 г.

47 РД 45.120-2000 (НТП 112-2000) Нормы технологического проектирования. Городские и сельские телефонные сети.

48 Временная инструкция по эксплуатации ЦСП СЦИ. ГЦУМС, 1997 г.

49 Временные нормы на электрические параметры цифровых трактов и каналов, образованных в аналоговых системах передачи (АСП) магистральной и внутризоновых первичных сетей связи общего пользования. ЦНИИС-РТК, 1997 г.

50 Указания по проведению измерений на аппаратуре оконечных станций, станций ввода - вывода, линейных и сетевых трактах ЦСП ПЦИ. ГЦУМС, 1997 г.

51 РД 32. Временные правила приемки в эксплуатацию законченных строительством волоконно-оптических линий передачи железнодорожного транспорта (ВОЛП ЖТ). Утвержден ЦИС/ЦЭ 06.01.99 г. Линейно-кабельные сооружения.

52 ВСН 116-93 Ведомственные строительные нормы. Инструкция по проектированию линейно-кабельных сооружений связи.

53 Правила подвески и монтажа самонесущего волоконно-оптического кабеля на опорах контактной сети и высоковольтных линий автоблокировки. Утверждены МПС России 16.08.99 г.

54 Типовые проектные решения 419813. Узлы подвески волоконно-оптического кабеля с использованием существующей инфраструктуры железных дорог. Утверждены МПС России указанием от 16.06.99 г. № А-1062у.

55 Правила по строительству волоконно-оптических линий железнодорожной связи с прокладкой кабелей в пластмассовых трубопроводах. ГТСС, 419910. Утверждены МПС России указанием от 16.06.99 г № А-1062у

56 Типовые материалы для проектирования 419918. ВОЛП ЖТ. Линейные сооружения. Пластмассовые трубопроводы для прокладки волоконно-оптического кабеля. ШП-65-99 Утверждены МПС России указанием от 24.02.2000 г. № М-390у

57 Руководство по строительству линейных сооружений магистральных и внутризоновых оптических линий связи. М.: ССКТБ, 1993 г.

58 Руководство по прокладке, монтажу и сдаче в эксплуатацию волоконно-оптических линий магистральных сетей (линейно-кабельные сооружения). М.: ССКТБ-ТОМАС, 1995 г.

59 Инструкция по технической эксплуатации волоконно-оптических линий передачи железнодорожного транспорта (ВОЛП ЖТ). Утверждена МПС России 04.07.2001 г. № ЦИС-ЦЭ 842.

60 Правила устройства и технической эксплуатации контактной сети электрифицированных железных дорог. Утверждены МПС России 12.07.93 г. ЦЭ/197.

61 Нормы приемо-сдаточных измерений ЭКУ ВОСП магистральных и внутризоновых подземных ВОЛП. - М.: Госкомсвязи, 1997 г.

62 ОСТ 45.01-98. Сеть первичная взаимоувязанной сети связи РФ. Участки кабельные элементарные и секции кабельные линий передачи. Нормы электрические. Методы испытаний.

63 Правила безопасности для работников железнодорожного транспорта на электрифицированных линиях. Утверждены МПС России 1975 г. ЦЭ/3288.

64 Рекомендации по защите оптических кабелей связи с металлическими элементами от опасных влияний ЛЭП, электрифицированных железных дорог переменного тока и энергоподстанций. ЦНИИС, 1988 г.

65 ГОСТ 5238-81 Схемы защиты от опасных напряжений и токов, возникающих на линиях. Технические требования.

66 Правила защиты устройств проводной связи и проводного вещания от влияния тяговой сети электрифицированных железных дорог переменного тока. - М.: Транспорт, 1989 г.

67 Правила защиты устройств проводной связи, железнодорожной сигнализации и телемеханики от опасного и мешающего влияния линий электропередачи. Часть 1. Опасные влияния. - М., Связь, 1969 г.

68 Руководство по защите металлических кабелей от ударов молний. Госкомсвязи РФ, 1997 г.

69 Руководство по защите оптических кабелей от ударов молний. Минсвязи РФ, 1996 г.

70 ГОСТ 9.602-89 Единая система защиты от коррозии и старения. Сооружения подземные. Общие требования к защите от коррозии.

71 Руководство по проектированию и защите от коррозии подземных металлических сооружений связи. Минсвязи СССР, 1978 г.

Радиорелейные системы передачи

72 РД 45.030-99 Общие технические требования на радиорелейное оборудование цифровых магистральных радиорелейных линий ВСС России.

73 РД 45.031-99 Общие технические требования на радиорелейное оборудование цифровых внутризоновых радиорелейных линий ВСС России со скоростью передачи цифрового сигнала 155 Мбит/с (STM-1).

74 РД 45.118-99 Радиорелейное оборудование плезиохронной цифровой иерархии с пропускной способностью 4×2,048; 8×2,048; 16×2,048; 8,448; 2×8,448; 34,368 Мбит/с цифровых внутризоновых радиорелейных линий ВСС России. Общие технические требования.

75 ВНТП 213-93 Предприятия радиосвязи, радиовещания и телевидения. Радиорелейные линии прямой видимости.

76 ГОСТ Р 50765-95 Аппаратура радиорелейная. Классификация. Основные параметры цепей стыка.

77 ГОСТ Р 50867-96 Антенны радиорелейных линий связи. Классификация и технические требования.

78 ГОСТ Р 50933-96 Каналы и тракты внутризоновых радиорелейных линий. Основные параметры и методы испытаний.

79 ГОСТ Р 51386-99 Аппаратура радиорелейная. Цепи стыка. Методы измерений параметров.

Спутниковые системы передачи.

80 РД 45.093-97 Общие технические требования на станции земные для линий спутниковой связи, работающие с ИСЗ на геостационарной орбите в диапазонах частот 6/4 ГГц и 14/11 - 12 ГГц.

81 ВНТП 211-93 Предприятия радиосвязи, радиовещания и телевидения. Земные станции спутниковой связи.

82 ОСТ 45.102-98 Станции земные вида ВИСАТ (VSAT) спутниковых сетей связи. Основные технические требования.

Станционные сооружения.

83 ОСТН-600-93 Отраслевые строительно-технологические нормы на монтаж сооружений связи, радиовещания и телевидения.

84 ОСТ 45.86-96 Линейно-аппаратные цехи оконечных междугородных станций, сетевых узлов, усилительных и регенерационных пунктов. Требования к проектированию.

85 ОСТ 45.119-99 Система стандартов безопасности труда. Пункты регенерационные волоконно-оптических линий передачи. Общие требования безопасности.

86 Регламенты технической оснащенности предприятий Департаментов сигнализации, централизации, блокировки, информатизации и связи. Утверждена МПС России 11.11.99 г.

Служебно-технические здания

87 Инструкция о составе, порядке разработки, согласования и утверждения проектно-сметной документации на капитальный ремонт зданий и сооружений железнодорожного транспорта (ВНКР-97). Утверждена МПС России 21.12.86 г.

88 BCH 1-93 Ведомственные строительные нормы. Инструкция по проектированию молниезащиты радиообъектов.

89 ВСН 333-93 Ведомственные строительные нормы. Инструкция по проектированию. Проводные средства связи и почтовая связь. Производственные и вспомогательные здания.

90 РД 32.21.122-87 Инструкция по устройству молниезащиты зданий и сооружений.

91 ЦШ 4695 Правила техники безопасности и производственной санитарии в хозяйстве сигнализации, связи и вычислительной техники железнодорожного транспорта.

92 СНиП 2.01.01-82. Строительная климатология и геофизика.

93 СНиП III-4-80 Техника безопасности в строительстве.

94 ППБ-01-93 Правила пожарной безопасности в Российской Федерации.

95 СНиП 21-01-97 Пожарная безопасность зданий и сооружений.

96 СНиП 23-05-5 Естественное и искусственное освещение.

97 СНиП 2 от 04.09.84 Пожарная автоматика зданий и сооружений.

98 Охранно-пожарная сигнализация служебно-технических зданий СЦБ и связи. Методические указания ГТСС И-235-95 г.

99 Защита охранной сигнализации дверей, окон, погрузочно-разгрузочных люков и ворот. Типовые технические решения (ТТР) 9136.01-92. ГПКИ «Спецавтоматика», СПб.

Электроустановки

100 Правила устройства электроустановок (ПУЭ). Утверждены Минэнерго СССР 05.10.79 г.; издание - М.:, Госэнергонадзор, 1998 г.

101 Правила эксплуатации электроустановок потребителей. Утверждены Госэнергонадзором 31.03.92 г.; издание - М.: Госэнергонадзор, 1997 г.

102 Правила техники безопасности при эксплуатации электроустановок потребителей. Утверждены Главэнергонадзором от 21.12.84 г.; издание - М.:, Госэнергонадзор, 1994 г.

103 ВСН 332-93 Ведомственные строительные нормы. Инструкция по проектированию электроустановок предприятий и сооружений электросвязи, проводного вещания, радиовещания и телевидения.

104 ВНТП-МПС-89 Ведомственные нормы технологического проектирования. Электроснабжение устройств сигнализации, централизации, блокировки и электросвязи.

105 ГОСТ 5237-83. Аппаратура электросвязи. Напряжения питания и методы измерений.

106 Инструкция по категорийности электроприемников нетяговых потребителей железнодорожного транспорта. Утверждена МПС России 10.12.97 г. ЦЭ/4846.

107 РП.1.188-2-88. Методическое руководство по проектированию. Расчет токораспределительной сети ЛАЦ ОМС, СУ и УП (РП).

108 Типовые проектные материалы ШП-38-95. Электропитание устройств связи железнодорожного транспорта.

109 ОСТ 45.85-96 Стеллажи деревянные и металлические для аккумуляторов предприятий связи. Основные требования.

110 «Инструкция по эксплуатации стационарных свинцово-кислотных аккумуляторных батарей в составе ЭПУ на объектах ВСС России», ЛОНИИС, 1998 г.

Заземления

111 ГОСТ 464-79 Заземления для стационарных установок проводной связи, радиотрансляционных узлов проводного вещания и антенн систем коллективного приема телевидения. Нормы сопротивления.

112 ГОСТ 12.1.030-81 ССТБ. Электробезопасность. Защитное заземление, зануление.

113 РД 45.155-2000 Заземление и выравнивание потенциалов аппаратуры ВОЛП на объектах проводной связи.

114 И-179-89 Методические указания по проектированию устройств автоматики, телемеханики и связи на железнодорожном транспорте. Заземляющие устройства сооружений электросвязи и постовых устройств централизации.

115 Инструкция по заземлению устройств электроснабжения на электрифицированных железных дорогах. Утверждена МПС России 10.06.93. ЦЭ/191.

Терминология

116 ГОСТ 28704-90 Единая система средств коммутационной техники. Термины и определения.

117 ГОСТ 22670-77 Сеть связи цифровая интегральная. Термины и определения.

118 ОСТ 45.55-99 Системы и установки питания средств связи Взаимоувязанной сети связи Российской Федерации. Термины и определения.

119 ОСТ 45.121-97 Линии передачи кабельные магистральные и внутризоновые. Сооружения линейные. Термины и определения.

120 ОСТ 45.127-99 Система обеспечения информационной безопасности взаимоувязанной сети связи Российской Федерации. Термины и определения.

121 ОСТ 45.153-99 Надежность средств электросвязи. Термины и определения.

Надежность средств связи

122 ОСТ 45.63-96 Обеспечение надежности средств электросвязи. Основные положения.

123 ОСТ 45.64-96 Организация ремонта средств электросвязи. Основные положения.

124 ОСТ 45.65-96 Методика расчета среднего времени восстановления оборудования электросвязи.

125 ОСТ 45.66-96 Запасные части, инструменты и принадлежности средств электросвязи. Общие требования.

Условные обозначения, оформление проекта

126 ГОСТ 21.406-88 СПДС. Проводные средства связи, обозначения условные графические на схемах и планах.

127 ГОСТ 21.204-93 СПДС. Условные графические обозначения и изображения элементов генеральных планов и сооружений транспорта.

128 ГОСТ 21.603-80 СПДС. Связь и сигнализация. Рабочие чертежи.

129 Условные обозначения графические в схемах питания и секционирования и планах контактной сети и воздушных линий железных дорог. Утверждены МПС России 20.02.1996 г.

130 ГОСТ 21.101-97 СПДС. Основные требования к рабочей документации.

131 ГОСТ 21.501-93 СПДС. Правила выполнения архитектурно-строительных рабочих чертежей.

132 Методические рекомендации ГП МНС МР21.01-95 по составлению спецификаций оборудования, изделий и материалов.

ПРИЛОЖЕНИЕ № 3

к НТП-ЦТКС-ФЖТ

от 10.07.2002 г. № Р-626у

ТЕРМИНЫ И ОПРЕДЕЛЕНИЯ,
применяемые в Нормах технологического проектирования цифровых телекоммуникационных сетей на железнодорожном транспорте

(справочное)

Электросвязь. Общие вопросы

1 Взаимодействие сетей связи (communication network interworking) - совместное функционирование технологически сопряженных сетей с целью выполнения общих задач.

2 Взаимосвязь сетей связи (communication network intercommunication) - взаимодействие сетей, при котором обеспечивается связь определенного вида между абонентами взаимодействующих сетей.

3 Внутрипроизводственные и технологические сети связи - сети электросвязи федеральных органов исполнительной власти, а также предприятий, учреждений и организаций, создаваемых для управления внутрипроизводственной деятельностью.

4 Выделенные сети связи - сети электросвязи физических и юридических лиц, не имеющие выхода на сеть связи общего пользования.

5 Комплексная система электросвязи ж.д. транспорта - комплекс взаимодействующих на основе определенных принципов технических средств связи, образующих первичную сеть типовых каналов передачи и построенные на ее базе вторичные сети, предназначенные для оперативного руководства технологическим процессом работы железнодорожного транспорта.

6 Магистральная цифровая сеть связи федерального железнодорожного транспорта (МЦСС ФЖТ) - наложенная цифровая сеть связи, являющаяся частью сети связи Федерального железнодорожного транспорта и взаимодействующая с ее аналоговой или аналого-цифровой ее частью.

7 Наложенная сеть связи - сетевая структура, которая строится параллельно существующей сети.

8 Оператор связи (communication operator) - физическое или юридическое лицо, имеющее право на представление услуг электросвязи или почтовой связи.

9 Передача данных (data transmission) - перенос данных в виде сигналов из одного пункта в другой средствами электросвязи для последующей обработки.

10 Пользователь (службы или сети электросвязи) (user (of telecommunication service or network)) - человек (или машина), использующий услуги службы (или сети) электросвязи.

11 Присоединение одной сети связи к другой - организация технологического взаимодействия между сетями связи, при которой становятся возможными установление соединений и передача информации между абонентами этих сетей.

12 Сети связи ведомственные - сети электросвязи министерств и иных федеральных органов исполнительной власти, промышленных объединений и предприятий, создаваемые для удовлетворения производственных и специальных нужд, имеющие выход на сеть электросвязи общего пользования.

13 Сеть связи взаимоувязанная Российской Федерации (ВСС России) - комплекс технологически сопряженных сетей общего пользования и ведомственных сетей электросвязи на территории Российской Федерации, обеспеченный общим централизованным управлением.

14 Сеть связи общего пользования (public communication network) - составная часть Взаимоувязанной сети связи Российской Федерации, открытая для пользования всеми физическими и юридическими лицами, в услугах которой этим лицам не может быть отказано.

15 Сеть связи общего пользования цифровая (ЦССОП) (digital public communication network) - наложенная цифровая сеть связи на территории Российской Федерации, являющаяся частью телефонной сети общего пользования и взаимодействующая с ее аналоговой или аналого-цифровой частью.

16 Сеть связи ограниченного пользования (private telecommunication network) - сеть связи, предоставляющая услуги ограниченному контингенту физических или юридических лиц.

17 Система электросвязи (telecommunication system) - комплекс технических средств, обеспечивающих электросвязь определенного вида.

18 Сообщение (message) - информация, передаваемая с помощью электромагнитных сигналов средствами электросвязи.

19 Сообщение документальное (document message) - сообщение, представляемое в виде текста и (или) графической информации.

20 Сообщение голосовое (voice message) - сообщение, представляемое в виде речевых сигналов.

21 Электросвязь (telecommunication) - передача или прием знаков, сигналов, текстов, изображений, звуков по проводной, радио, оптической или другим электромагнитным системам

Первичная сеть связи

1 Волоконно-оптическая линия передачи (ВОЛП) - совокупность линейных трактов волоконно-оптических систем передачи, имеющих общий оптический кабель, линейные сооружения и устройства их обслуживания.

2 Волоконно-оптическая система передачи (ВОСП) - система передачи, в которой все виды сигналов передаются по оптическому кабелю.

3 Линейно-кабельные сооружения - линейные сооружения ВОЛП содержащие: опоры, кабель, поддерживающие конструкции (узлы анкеровки, кронштейны, зажимы и др.), соединительные и разветвительные кабельные муфты, оконечные кабельные устройства, трубопроводы, камеры, кабельную канализацию, навесы и эстакады для хранения кабелей, поддерживающих конструкций, опор, трубок, камер.

4 Линия передачи (transmission line) - совокупность линейных трактов систем передачи и (или) типовых физических цепей, имеющих общие линейные сооружения, устройства их обслуживания и одну и ту же среду распространения в пределах действия устройств обслуживания.

5 Режим переноса асинхронный (asynchronous transfer mode (ATM)) - режим переноса сигналов, предусматривающий их организацию в виде фрагментов, состоящих из определенного числа битов. Частота следования фрагментов зависит от требуемой или мгновенной скорости передачи полезной информации.

6 Режим переноса синхронный (synchronous transfer mode (STM)) - режим переноса сигналов, предусматривающий периодическое предоставление каждому соединению кодового слова фиксированной длины в многоканальном цикле с временным разделением каналов. Частота следования кодовых слов постоянна и не зависит от скорости передачи полезной информации.

7 Сеть первичная (transmission network, transmission media) - совокупность типовых физических цепей, типовых каналов передачи и сетевых трактов, образованная на базе сетевых узлов, сетевых станций, оконечных устройств первичной сети и соединяющих их линий передачи.

8 Сеть первичная магистральная - часть первичной сети, обеспечивающая образование типовых и оперативно-технологических каналов передачи и сетевых трактов для организации вторичных сетей электросвязи между МПС и всеми управлениями железных дорог, а также последних между собой.

9 Сеть первичная дорожная - часть первичной сети, обеспечивающая образование типовых и оперативно-технологических каналов передачи и сетевых трактов для организации вторичных сетей электросвязи между управлением железной дороги и отделениями, а также последних между собой.

10 Сеть первичная отделенческая - часть первичной сети, обеспечивающая образование типовых и оперативно-технологических каналов передачи и сетевых трактов для организации вторичных сетей электросвязи в пределах отделения дороги.

11 Сеть первичная местная - часть первичной сети, обеспечивающая образование абонентских и соединительных линий передачи для организации всех видов вторичных сетей в пределах ж. д. станции или предприятия (управления дороги, завода, депо и т.п.).

12 Система резервирования первичной сети - совокупность алгоритмического и программного обеспечений устройств контроля, принятия решений о необходимой перестройке первичной сети или ее участка, устройств переключения резервируемых и резервных трактов и каналов, взаимодействующих по упомянутым алгоритмам с целью повышения показателей надежности различных служб (услуг) электросвязи.

13 Структура сети - взаимосвязь, взаиморасположение элементов сети (узлов, станций, линий передачи).

14 Устройство первичной сети оконечное - техническое средство, обеспечивающее образование и предоставление типовых физических цепей или типовых каналов передачи абонентам вторичных сетей и другим пользователям.

15 Цепь физическая (physical circuit) - металлические провода или оптические волокна, образующие направляющую среду для передачи сигналов электросвязи.

16 Цепь физическая типовая (typical physical circuit) - физическая цепь, параметры которой соответствуют принятым нормам.

17 Цифровая ошибка, ошибка - несоответствие между каким-либо символом в передаваемом цифровом сигнале и соответствующим символом в принятом цифровом сигнале.

18 Цифровая прозрачность - свойство цифрового тракта или канала передачи, обеспечивающее передачу по ним цифровых сигналов без изменения значения или порядка следования любых элементов сигнала.

Сетевые станции, узлы

1 Станция сетевая (network station) - комплекс технических средств, обеспечивающий образование и предоставление вторичным сетям типовых физических цепей, типовых каналов передачи и сетевых трактов, а также их транзит.

2 Узел сетевой (network node) - комплекс технических средств, обеспечивающий соединение сетевых станций первичной сети, образование и перераспределение сетевых трактов, типовых каналов передачи и типовых физических цепей, а также предоставление их вторичным сетям и спецпотребителям.

Системы передачи

1 Аппаратура цифрового группообразования - совокупность цифрового мультиплексора и цифрового демультиплексора, размещенных в одном и том же месте и работающих в противоположных направлениях передачи.

2 Виртуальный контейнер (BK - n; VC - n) - информационная структура, используемая для организации соединений в слое трактов ЦСП СЦИ. Виртуальный контейнер нижнего уровня BK - n, где n равно 1, 2 или 3, содержит один контейнер K - n (n = 1; 2; 3) и трактовый заголовок. Виртуальный контейнер верхнего уровня BK - n, где n = 3 или 4, содержит один контейнер K - n (n = 3; 4) и заголовок или группы компонентных блоков с заголовком.

3 Иерархия плезиохронная цифровая (ПЦИ) (plesiochronous digital hierarchy (PDH)) - иерархические серии цифровых скоростей передачи и цифровых транспортных структур, стандартизированных Рекомендациями G.702 и G.711 - G.757 МСЭ-Т.

4 Иерархия синхронная цифровая (СЦИ) (synchronous digital hierarchy (SDH)) - иерархические серии цифровых скоростей передачи и цифровых транспортных структур, стандартизированных Рекомендациями G.707 - G.709, G.774, G.780 - G.784, G.957, G.958 МСЭ-Т.

5 Контейнер (K - n) - информационная структура ЦСП СЦИ, формирующая синхронную с цифровой сетью информационную нагрузку для виртуального контейнера. Каждому виртуальному контейнеру ВK - n соответствует свой контейнер K - n.

6 Мультиплексор цифровой (digital multiplexer) - аппаратура для объединения путем временного группообразования нескольких цифровых сигналов в единый составной цифровой сигнал.

7 Проводная система передачи - система передачи, в которой сигналы электросвязи распространяются посредством электромагнитных волн вдоль непрерывной направляющей среды.

8 Радиорелейная система передачи (РРСП) - радиосистема передачи, в линейном тракте которой сигналы электросвязи передаются с помощью наземных ретрансляционных станций.

9 Синхронный транспортный модуль (СТМ, STM) - информационная структура, используемая для организации соединения в слое секций ЦСП СЦИ. Базовый модуль (СТМ-1) имеет скорость передачи 155520 кбит/с.

10 Система передачи (transmission system) - комплекс технических средств, обеспечивающих образование линейного тракта, типовых групповых трактов и каналов передачи первичной сети.

11 Система передачи аналоговая (АСП) - система передачи с частотным разделением каналов, в линейном тракте которой передаются аналоговые сигналы электросвязи.

12 Система передачи цифровая (ЦСП) - система передачи с временным разделением каналов, в линейном тракте которой передаются цифровые сигналы электросвязи.

13 Спутниковая система передачи (ССП) - космическая система передачи, осуществляющая передачу сигналов электросвязи между земными станциями этой системы с помощью активных или отражающих спутников Земли.

14 Трансмультиплексор (кодек) - аппаратура, преобразующая групповой сигнал с частотным разделением каналов (например, сигнал первичной или вторичной аналоговых групп) в соответствующий сигнал с временным разделением каналов, имеющий такую же структуру, как сигнал аппаратуры ИКМ группообразования, а также выполняющая дополняющую функцию для обратного направления передачи.

Станции системы передачи

1 Оконечная станция системы передачи (ОС) - станция системы передачи, обеспечивающая частотное или временное преобразование сигналов электросвязи для передачи по линейному тракту данной системы передачи и обратно преобразование.

2 Промежуточная станция системы передачи - станция системы передачи, обеспечивающая увеличение дальности передачи сигналов электросвязи.

3 Регенерационная станция системы передачи - промежуточная станция цифровой системы передачи, обеспечивающая восстановление и последующую передачу цифрового сигнала электросвязи.

4 Станция системы передачи - функционально законченный аппаратурный комплекс, обеспечивающий усиление, регенерацию или преобразование и усиление сигналов электросвязи в системе передачи.

Каналы, тракты

1 Аналоговый сетевой тракт (ACT) - сетевой тракт первичной сети, предназначенный для передачи аналоговых сигналов электросвязи.

2 Интервал канальный (channel time-slot) - временной интервал, занимающий определенную позицию в цикле и предназначенный для одного канала, полученного способом временного разделения каналов.

3 Канал арендованный (leased circuit) - канал, предоставляемый оператором сети в аренду пользователю сети на основе соглашения (договора).

4 Канал звука (sound circuit) - типовой канал передачи, предназначенный для передачи сигналов звукового вещания или звукового сопровождения.

5 Канал изображения (image circuit) - типовой канал передачи, предназначенный для передачи полного цветового телевизионного сигнала.

6 Канал основной цифровой (ОЦК) (basic digital circuit) - типовой цифровой канал передачи со скоростью передачи сигналов 64 кбит/с.

7 Канал передачи (transmission circuit) - комплекс технических средств и среды распространения, обеспечивающий передачу сигнала электросвязи в определенной полосе частот или с определенной скоростью передач между сетевыми станциями, сетевыми узлами или между сетевой станцией и сетевым узлом, а также между сетевой станцией или сетевым узлом и оконечным устройством первичной сети.

8 Канал передачи типовой (typical transmission circuit) - канал передачи, параметры которого соответствуют принятым нормам.

9 Канал передачи тональной частоты (voice frequency transmission circuit) - типовой аналоговый канал передачи с полосой частот 300 ... 3400 Гц.

10 Канал электросвязи (telecommunication circuit) - комплекс технических средств и среды распространения, создающий путь прохождения сигналов электросвязи, образованный последовательно соединенными каналами и линиями вторичной сети с помощью станций и узлов вторичной сети, обеспечивающий при подключении к его окончаниям абонентских оконечных устройств (терминалов) передачу сообщения от источника к получателю (получателям).

11 Простой сетевой тракт - сетевой тракт первичной сети, не имеющий транзитов того же порядка, что и данный сетевой тракт.

12 Смешанный сетевой тракт - аналоговый (цифровой) сетевой тракт, организованный на разных участках в аналоговых и цифровых системах передачи.

13 Составной сетевой тракт - сетевой тракт первичной сети с транзитами того же порядка, что и данный сетевой тракт.

14 Тракт групповой (group link) - комплекс технических средств системы передачи, предназначенный для передачи сигналов электросвязи нормализованного числа каналов тональной частоты или основных цифровых каналов в полосе частот или со скоростью передачи, соответствующей данному групповому тракту.

15 Тракт групповой типовой (typical group link) - групповой тракт, структура и параметры которого соответствуют принятым нормам.

16 Тракт резервный - типовой тракт (канал), предоставляемый вторичным сетям и другим пользователям взамен неисправного основного тракта (канала).

17 Тракт сетевой (network link) - типовой групповой тракт или несколько последовательно соединенных типовых групповых трактов с включенной на входе и выходе аппаратурой образования тракта.

18 Тракт системы передачи линейный - комплекс технических средств, обеспечивающий передачу сигналов электросвязи в полосе частот или со скоростью, соответствующей данной системе передачи.

19 Транзит (transit) - соединение одноименных каналов передачи или трактов, обеспечивающее прохождение сигналов электросвязи без изменения полосы частот или скорости передачи.

20 Транзитный участок тракта (канала передачи) - часть основного тракта (канала передачи), обеспечивающая транзит тракта (канала передачи).

21 Цифровой сетевой тракт (ЦСТ) - сетевой тракт первичной сети, предназначенный для передачи цифровых сигналов электросвязи.

Участки, секции

1 Кабельная секция - совокупность линейно-кабельных сооружений (ЛКС) между соседними станциями магистрального уровня, включая ЛКС ответвлений от магистрального кабеля на станциях внутридорожного уровня.

2 Мультиплексная секция - комплекс технических средств, предназначенный для передачи нормализованных синхронных транспортных модулей (СТМ, STM-N) между соседними станциями с соответствующей им скоростью передачи.

3 Окончание участка - граница, выбранная условно в качестве стыка оптического волокна с мультиплексором (регенератором).

4 Физическая среда передачи ЭКУ - совокупность оптического волокна линейного кабеля и его сростков в местах соединения строительных длин, станционных кабелей и их соединений с линейными оптическими волокнами, а также кроссовых оптических шнуров.

5 Элементарный кабельный участок (ЭКУ) - физическая среда передачи между соседними окончаниями участка.

6 ЭКУ магистрального уровня - физическая среда передачи между мультиплексорами (регенераторами) соседних станций магистрального уровня.

7 ЭКУ внутридорожного уровня - физическая среда передачи между мультиплексорами (регенераторами) соседних станций внутридорожного уровня.

Вторичная сеть

1 Адаптер (adapter) - устройство, выполняющее функцию согласования интерфейсов.

2 Аппаратура окончания канала данных (АКД) (data circuit - terminating equipment (DCE)) - аппаратура, которая входит в состав сети данных и обеспечивает согласование параметров сигналов, передаваемых и принимаемых по этой сети, с параметрами оконечного оборудования данных.

3 Железнодорожная автоматическая телефонная станция (ЖАТС) - автоматическая станция местной сети общетехнологической телефонной связи ж.д. транспорта, обеспечивающая всех абонентов внутренней телефонной связью, а также обеспечивающая возможность выхода определенной группе или всем абонентам на междугородную сеть ОбТС и местную телефонную сеть общего пользования.

4 Железнодорожная автоматическая телефонная станция цифровая (ЖАТСЦ) - ЖАТС с коммутацией цифровых каналов.

5 Звено передачи данных (data link) - совокупность канала передачи данных и управляемых протоколов звена компонентов оконечного оборудования данных, организация структуры и функционирования которой обеспечивают обмен данных между источником и приемником данных.

6 Интерфейс (interface) - граница между двумя взаимодействующими системами (устройствами), определяемая общими функциональными и конструкционными характеристиками, требованиями к протоколам обмена и т.д.

7 Канал вторичной сети - часть канала электросвязи между точками коммутации или переключения узлов и станций вторичной сети.

8 Коммутация каналов (circuit switching) - совокупность операций на станции или узле вторичной сети, обеспечивающих последовательное соединение каналов и линий вторичной сети.

9 Коммутация пакетов (packet switching) - совокупность операций на станции или узле вторичной сети, состоящих в приеме отрезков сообщений (пакетов) и передаче их в соответствии с содержащимся в них адресным признаком.

10 Коммутация сообщений (message switching) - совокупность операций на станции или узле вторичной сети, состоящих в приеме полного сообщения, его накоплении и последующей передаче в соответствии с содержащимся в нем адресным признаком.

11 Конференц-связь (conference-call) - услуга, дающая пользователям возможность вести обмен информацией одновременно с несколькими абонентами, которые при этом могут иметь связь между собой.

12 Линия передачи абонентская (subscriber line) - линия передачи, соединяющая между собой сетевую станцию или сетевой узел и оконечное устройство.

13 Линия передачи данных (data transmission line) - средства, свойства которых обеспечивают распространение сигналов и которые непосредственно используются для соединения между собой аппаратуры окончания данных, концентраторов данных и другой аппаратуры, осуществляющей передачу данных.

14 Линия передачи соединительная (junction transmission line) - линия передачи, соединяющая между собой сетевую станцию и сетевой узел или две сетевые станции.

15 Локальная сеть передачи данных (local area network) - сеть передачи данных, находящаяся в частном ведении пользователя и расположенная на ограниченной территории (здание, предприятие, учреждение).

16 Магистральная цифровая коммутируемая сеть связи МЦКСС - цифровая сеть связи, представляющая собой совокупность цифровых автоматических телефонных станций, узлов коммутации, трактов и каналов, оконечных абонентских устройств и обеспечивающая потребность учреждений, организаций и предприятий железнодорожного транспорта в услугах связи.

17 Ручная междугородная телефонная станция (РМТС) - междугородная телефонная станция, на которой соединения осуществляются ручным или полуавтоматическим способом.

18 Маршрутизатор (router) - блок взаимодействия, обеспечивающий выбор маршрута передачи данных между несколькими сетями передачи данных, имеющими различную структуру и протоколы.

19 Мост (bridge) - блок взаимодействия, обеспечивающий прозрачное соединение нескольких локальных сетей передачи данных, либо несколько частей (сегментов) одной и той же локальной сети передачи данных, имеющей различные протоколы.

20 Мультиплексор гибкий (flexible multiplexer) - устройство, преобразующее входные сигналы различных видов связи в цифровые сигналы и объединяющее их в агрегатные цифровые сигналы с типовыми скоростями передачи на передающей стороне, и осуществляющие разделение и обратное преобразование сигналов на приемной стороне.

21 Оборудование данных оконечное (ОДД) (data terminal equipment (DTE)) - терминальное (оконечное) оборудование, являющееся источником данных или получателем данных, или тем и другим (например, ЭВМ).

22 Оконечная коммутационная станция (ОС) - коммутационная станция, предназначенная для установления автоматических оконечных соединений на сети ОбТС.

23 Оперативно-технологическая связь (ОТС) - совокупность телефонных, телеграфных и других каналов связи, предназначенная для оперативного руководства технологическим процессом работы железнодорожного транспорта.

24 Протокол (protocol) - набор семантических и синтаксических правил, определяющих поведение функциональных блоков при передаче данных.

25 Сервер (server) - станция, обслуживающая другие станции локальной сети.

26 Сеть (вычислительная) локальная (ЛВС) (local area network (LAN)) - информационно-вычислительная сеть, связывающая ряд устройств вычислительной техники в одной локальной зоне, ограниченной одним зданием или одним предприятием. ЛВС может иметь шлюз для соединения с другими ЛВС или с сетями связи (на правах абонентского терминала).

27 Сеть данных (data network), или сеть передачи данных, - совокупность узлов и каналов электросвязи, предназначенная для организации связей между определенными точками с целью обеспечить передачу данных между ними.

28 Сеть доступа (access network) - совокупность абонентских линий и станций местной сети, обеспечивающих доступ абонентских терминалов к транспортной сети, а также местную связь без выхода на транспортную сеть.

29 Сеть интеллектуальная (intelligence network) - сетевая структура, состоящая из базовой сети электросвязи и интеллектуальной надстройки, взаимодействующих друг с другом в соответствии с установленными протоколами и интерфейсами, и создаваемая с целью предоставления абонентам расширенного набора услуг.

30 Сеть связи вторичная (telecommunication network) - совокупность линий и каналов вторичной сети, образованных на базе первичной сети, станций и узлов коммутации или станций и узлов переключений, предназначенная для организации связи между двумя или более определенными точками. Границами вторичной сети являются стыки этой сети с абонентскими оконечными устройствами.

31 Сеть связи коммутируемая (switched telecommunication network) - вторичная сеть связи, обеспечивающая по запросу абонента или в соответствии с заданной программой связь между абонентскими оконечными устройствами с помощью станций и узлов коммутации этой сети на требуемое время для передачи сообщений.

32 Сеть связи некоммутируемая (non-switched telecommunication network) - сеть связи, обеспечивающая долговременные соединения оконечных устройств (терминалов) через канал электросвязи с помощью станций и узлов переключений этой сети.

33 Сеть с интеграцией служб (integrated services network) - сеть, обеспечивающая возможность предоставления услуг нескольких служб электросвязи.

34 Сеть с интеграцией служб цифровая (ЦСИС) (integrated services digital network (ISDN)) - сеть с интеграцией служб, обеспечивающая цифровые соединения между стыками «абонент - сеть».

35 Сеть с интеграцией служб цифровая широкополосная (Ш-ЦСИС) (broadband integrated services digital network (B-ISDN)) - цифровая сеть с интеграцией служб, обеспечивающая организацию различных служб электросвязи по высокоскоростным цифровым каналам связи (со скоростью 32 Мбит/с и выше) через стык «абонент - сеть».

36 Сеть телефонная общего пользования (ТфОП) (public telephone network (PSTN)) - телефонная сеть, представляющая собой совокупность автоматических телефонных станций, коммутационных узлов, линий, каналов телефонной сети, оконечных абонентских устройств и обеспечивающая потребность населения, учреждений, организаций и предприятий в услугах телефонной сети.

37 Связь общетехнологическая телефонная (ОбТС) - электросвязь, обеспечивающая потребность учреждений, организаций и предприятий железнодорожного транспорта в услугах телефонной сети.

38 Система общеканальной сигнализации (common channel signaling system) - система передачи межстанционной сигнализации по специальному каналу сигнализации, общему для пучка каналов коммутации.

39 Система оперативно-розыскных мероприятий (СОРМ) - система, предназначенная для оперативного контроля соединений заранее выбранных абонентских номеров или соединений, проходящих по линиям и каналам, из удаленного пункта управления правоохранительных органов, при взаимодействии этого пункта с оборудованием станции сети связи.

40 Среда передачи данных (transmission medium) - совокупность линий передачи и, возможно коммутаторов данных, концентраторов данных, повторителей и другого оборудования, не относящегося к станции данных, организация структуры и функционирования которой обеспечивают физическую передачу данных между станциями данных.

41 Станция вторичной сети - комплекс технических средств, обеспечивающий соединение линий и каналов вторичной сети, в том числе с абонентскими оконечными устройствами.

42 Территориальная сеть передачи данных (wide area network) - сеть передачи данных, охватывающая значительное географическое пространство (регион, страну, несколько стран).

43 Узел вторичной сети - комплекс технических средств, осуществляющий соединение станций вторичной сети между собой.

44 Узел автоматической коммутации (УАК) - коммутационный узел, предназначенный для установления автоматических транзитных соединений на сети ОбТС.

45 Узел автоматической коммутации цифровой (УАКЦ) - УАК с коммутацией цифровых каналов.

46 Узел коммутации услуг (facility switching point) - физическое устройство, которое выполняет функции коммутации услуг в интеллектуальной сети.

47 Узловая коммутационная станция (УС) - коммутационная станция, предназначенная для установления автоматических транзитных и оконечных соединений на сети ОбТС.

48 Услуга электросвязи - (telecommunication facility) - продукт деятельности по приему, обработке, передаче и доставке сообщений электросвязи.

49 Услуга электросвязи базовая - (basic telecommunication facility) - услуга электросвязи, предоставляемая пользователю при каждом его обращении к службе (или сети) электросвязи.

50 Установка данных оконечная (data station) - совокупность оконечного оборудования данных и аппаратура окончания канала данных.

Надежность

1 Аварийное состояние объекта («Авария») - состояние, при котором выбранные для контроля параметры качества передачи объекта вышли за установленные пределы в результате нарушения режима или условия работы объекта, наличия неисправности в нем, приводящей к отказу объекта и невозможности его использования на первичной сети.

2 Безотказность - свойство объекта непрерывно сохранять работоспособное состояние в течение некоторого времени или некоторой наработки.

3 Восстановление объекта - переход объекта из состояния «авария», «повреждение» в состояние «норма».

4 Долговечность - свойство объекта сохранять работоспособное состояние до наступления предельного состояния при установленной системе технического обслуживания и ремонта.

5 Живучесть системы (сети) электросвязи (fail-safety of telecommunication system (network)) - свойство системы (сети) электросвязи сохранять способность выполнять требуемые функции в условиях воздействия внешних по отношению к ней дестабилизирующих факторов. Живучесть сети характеризуется коэффициентом живучести.

6 Долговечность - свойство объекта сохранять работоспособное состояние до наступления предельного состояния при установленной системе технического обслуживания и ремонта.

7 Живучесть системы (сети) электросвязи (fail-safety of telecommunication system (network)) - свойство системы (сети) электросвязи сохранять способность выполнять требуемые функции в условиях воздействия внешних по отношению к ней дестабилизирующих факторов. Живучесть сети характеризуется коэффициентом живучести.

8 Исправное состояние - состояние объекта, при котором он соответствует всем требованиям технической документации.

9 Коэффициент готовности (Kг) - вероятность того, что объект окажется в работоспособном состоянии в произвольный момент времени, кроме планируемых периодов, в течение которых применение объекта по назначению не предусматривается.

10 Надежность - свойство объекта сохранять во времени в установленных пределах значения всех параметров, характеризующих способность выполнять требуемые функции в заданных режимах и условиях применения: технического обслуживания, ремонтов, хранения и транспортирования.

11 Надежность системы (сети) электросвязи (reliability of telecommunication system (network)) - свойство системы (сети) электросвязи сохранять во времени в установленных пределах значения определенных параметров, характеризующих способность системы (сети) выполнять требуемые функции в заданных условиях применения и технического обслуживания.

12 Наработка - продолжительность или объем работы объекта.

13 Наработка до отказа - наработка объекта от начала его эксплуатации до возникновения первого отказа.

14 Наработка между отказами - наработка объекта от окончания восстановления его работоспособного состояния после отказа до возникновения его следующего отказа.

15 Нормальное состояние объекта («Норма») - состояние, при котором параметры качества передачи и показатели режима и условия работы объекта и его элементов находятся в пределах установленных допусков.

16 Основной элемент - элемент структуры объекта, необходимый для выполнения объектом требуемых функций при отказе одного или нескольких элементов.

17 Отказ - прекращение способности объекта выполнить требуемую функцию.

18 Поврежденное состояние объекта («Повреждение) - состояние, при котором параметры качества передачи объекта вышли за пределы установленных допусков (в результате нарушения режима работы объекта и его элементов или наличия неисправности в нем), а возможность частичного использования данного объекта на первичной сети имеется.

19 Резервирование - применение дополнительных средств и (или) возможностей с целью сохранения работоспособности состояния объекта, при отказе одного или нескольких элементов.

20 Резервный элемент - элемент объекта, предназначенный для выполнения функций основного элемента в случае отказа последнего.

21 Срок службы - календарная продолжительность хранения и (или) ее возобновления после ремонта определенного вида до перехода в предельное состояние.

22 Технический ресурс - наработка объекта от начала его эксплуатации или ее возобновления после ремонта определенного вида до перехода в предельное состояние.

23 Устойчивость системы (сети) электросвязи - способность системы (сети) электросвязи выполнять требуемые функции, как в нормальных условиях эксплуатации, так и в условиях, создаваемых воздействиями внешних дестабилизирующих факторов.

Синхронизация

1 Блок сетевой синхронизации (БСС) - блок коммутационной станции, в состав которого входит генератор с системой фазовой автоподстройки частоты, синхронизирующийся по принципу принудительной синхронизации от сигналов генератора более высокого уровня и являющийся - источником сигналов синхронизации для генераторов (или БСС) более низкого уровня.

2 Блуждания фазы (wander) - медленные долговременные отклонения характеристических моментов сигнала синхронизации относительно средних или идеальных положений во времени с частотой менее 10 Гц.

3 Ведомый задающий генератор (ВЗГ) - задающий генератор, хронирующий выход которого синхронизируется по фазе хронирующим сигналом, получаемым от задающего генератора более высокого качества. ВЗГ по качеству синхросигнала находится на втором месте после ПЭГ. Требования к ведомым задающим генераторам приводятся в Рекомендации G.812 МСЭ-Т.

4 Девиация временного интервала (ДВИ) - мера ожидаемого отклонения характеристических моментов сигнала за периоды наблюдения относительно средних или идеальных положений, как функция общего наблюдения.

5 Дрожания фазы (jitter) - кратковременные отклонения характеристических моментов сигнала относительно средних или идеальных положений во времени с частотой 10 Гц и более.

6 Единичный интервал (ЕИ) - единица измерения фазы и фазовых отклонений, соответствующая 2π радиан и интервалу времени, равному периоду тактовой частоты сигнала. Например, длительность ЕИ для сигнала:

64 кбит/с - 15,6 мкс;

2048 кбит/с - 488 нс;

8448 кбит/с - 118 нс;

34368 кбит/с - 21,9 нс;

139264 кбит/с - 7,18 нс;

STM-1 - 6,43 нс;

SТМ-4 - 1,61 нс;

STM-16 - 0,1 нс.

7 Максимальная ошибка временного интервала (МОВИ) - максимальное изменение (полный размах) задержки сигнала относительно идеального сигнала за периоды наблюдения в течение всего времени измерения.

8 Первичный эталонный задающий генератор (ПЭГ) - эталонный задающий генератор, который вырабатывает хронирующий сигнал с долговременным отклонением частоты не более 1 × 10-11, проверяемый по Всемирному координированному времени. Требования к первичным эталонным задающим генераторам приводятся в Рекомендации G.811 МСЭ-Т.

9 Плезиохронное взаимодействие - взаимодействие оборудования связи, которое синхронизируется от разных источников сигнала синхронизации, работающих на номинально равных частотах с относительным отклонением более 10-11.

10 Проскальзывание (slip) - повторение или исключение группы символов (битов) в непрерывном цифровом информационном сигнале, происходящее вследствие несогласованности скоростей записи и чтения в буферной (эластичной) памяти.

11 Противонаправленный стык - стык, через который хронирующие сигналы, взаимодействующие с цифровыми сигналами обоих направлений передачи, передаются на одну сторону стыка.

12 Псевдосинхронное взаимодействие - взаимодействие оборудования связи, которое синхронизируется от разных источников сигналов синхронизации, работающих на номинально равных частотах с относительным отклонением не более 10-11.

13 Режим синхронизации - основной режим работы принудительно синхронизируемого генератора, при котором частота сигнала синхронизации на выходе генератора с помощью системы фазовой автоподстройки частоты отслеживает с допустимой точностью изменения частоты на входе внешней синхронизации.

14 Режим удержания - режим работы БСС при появлении аварии или установленный принудительно, в котором частота сигнала синхронизации на выходе БСС не зависит от частоты сигнала на входе, а определяется накопленными в режиме синхронизации данными и дестабилизирующими факторами (температурными воздействиями, радиационными и электромагнитными излучениями и пр.), действующими во время работы в режиме удержания.

15 Синхронное взаимодействие - вид взаимодействия оборудования связи на цифровых сетях, при котором оборудование связи синхронизируется от одного источника сигналов синхронизации, а долговременные и кратковременные относительные отклонения частот и фаз сигналов находятся в допустимых пределах. Как следствие, в каждом оборудовании информационные сигналы, принимаемые от другого оборудования, и тактовые сигналы, поступающие от собственного синхронизируемого генератора, имеют равные средние значения частот.

16 Синхронизация - процесс установления и поддержания требуемых, заранее определенных с заданной точностью фазовых соотношений между сигналами цифровых сетей связи.

17 Сонаправленный стык - стык, через который цифровые сигналы и взаимосвязанные с ними хронирующие сигналы передаются только в одном направлении.

18 Цепь синхронизации - совокупность оборудования связи, обеспечивающая передачу сигналов ТСС от источника сигналов синхронизации до конкретного синхронизируемого оборудования. Каждая цепь синхронизации от источника сигналов синхронизации (например, с выхода ПЭГ) проходит через последовательно синхронизируемые генераторы сетевых элементов систем передачи, ВЗГ, БСС коммутационных станций и заканчивается генератором рассматриваемого оборудования связи.

Управление. Эксплуатация

1 Архитектура системы управления электросвязью (architecture of telecommunication management system) - общее построение программно-аппаратных средств системы управления электросвязью, определяющее их состав, конфигурацию, структуру, принципы информационного взаимодействия.

2 Контроль - процесс установления соответствия между состоянием объекта контроля и заранее установленной нормой на его параметры.

3 Контроль измерения - измерения ОЭК, проводимые с целью оценки состояния сетевых и линейных трактов без прекращения и при прекращении связи с целью прогнозирования состояния ОЭК, выявленные на основании анализа результатов измерений отклонений электрических параметров ОЭК от установленных норм и последующего приведения их в период ремонтно-настроечных работ в соответствии с настроечными нормами.

4 Контроль проверки - эксплуатационный периодический контроль ОЭК, проводимый в процессе текущего обслуживания с целью определения их исправности.

5 Контрольные измерения - измерения ОЭК, проводимые с целью оценки состояния сетевых и линейных трактов без прекращения и при прекращении связи с целью прогнозирования состояния ОЭК, выявления на основании анализа результатов измерений отклонений электрических параметров ОЭК от установленных норм и последующего приведения их в период ремонтно-настроечных работ в соответствии с настроечными нормами.

6 Контрольные проверки - эксплуатационный периодический контроль ОЭК, проводимый в процессе текущего обслуживания с целью определения их исправности.

7 Корректирующее техническое обслуживание (КТО) - техническое обслуживание, выполняемое после обнаружения состояния неработоспособности ОТЭ и направленное на его восстановление в состояние, при котором параметры качества ОТЭ находятся в пределах установленных допусков.

8 Коэффициент ошибок, частость ошибок - отношение количества цифровых ошибок за определенный промежуток времени к общему количеству символов, принятых в течении того же самого промежутка времени.

9 Обобщенный сигнал - сигнал, получаемый путем логической и (или) временной обработки нескольких первичных сигналов, для характеристики следующих состояний контролируемых объектов: «норма», «повреждение», «авария».

10 Оперативно-технический контроль - процесс определения соответствия ТЭО и КО обобщенным оценкам их состояния, формируемым по результатам эксплуатационного контроля.

11 Организация обходов - резервирование вышедшего из эксплуатации тракта (канала) или его участка трактом (каналом) или участками трактов (каналов), организованными в разных линиях передачи по отношению к вышедшему из эксплуатации (с изменением трассы прохождения полностью или на отдельных участках).

12 Постанционная служебная связь (ПСС) - совокупность устройств, обеспечивающая оперативно-технический персонал телефонной связью между оконечными пунктами (станциями) и обслуживаемыми пунктами (узловыми станциями), а также между обслуживаемыми усилительными и регенерационными пунктами при настройке и эксплуатации сетевых трактов и каналов передачи данной линии передачи.

13 Предупредительное состояние объекта (Предупреждение) - состояние объекта, при котором параметры качества передачи находятся в пределах установленных допусков, а показатели работы его элементов, определяющих режим и условия работы объекта, свидетельствуют о повышенной возможности отказа объекта.

14 Профилактическое техническое обслуживание (ПТО) - техническое обслуживание, выполняемое через определенные временные интервалы или в соответствии с заранее установленными критериями и направленное на своевременное предупреждение возможности выявления отказа или ухудшения функционирования ОТЭ.

15 Рабочая станция (PC) - многофункциональный терминал с возможностями локальной обработки, предоставляющий средства для взаимодействия СУЭ с пользователем.

16 Ремонтно-восстановительные работы (РВР) - работы по восстановлению работоспособности линейных, сетевых и групповых трактов и каналов передачи и приведению их параметров к установленным нормам.

17 Ремонтно-настроечные работы (РНР) - работы по проверке и поддержанию параметров линейных, сетевых и групповых трактов и каналов передачи в пределах установленных норм.

18 Ремонтопригодность - свойство объекта, заключающееся в приспособленности к предупреждению и обнаружению причин отказа, повреждений и поддержанию и восстановлению работоспособного состояния путем проведения технического обслуживания и ремонта.

19 Сетевая служебная связь (ССС) - совокупность устройств, обеспечивающая оперативно-технический персонал телефонной связью между оконечными станциями, транзитными пунктами и пунктами выделения, а также при эксплуатации составных сетевых трактов и каналов ТЧ на первичных сетях.

20 Сеть управления электросвязью (СУЭ) (telecommunication management network (TMN)) - специальная сеть, обеспечивающая управление сетями электросвязи и их услугами путем организации взаимосвязи с компонентами различных сетей электросвязи на основе единых интерфейсов и протоколов, стандартизированных Международным Союзом Электросвязи.

21 Сигнал индикации аварийного состояния (СИАС) - сигнал, заменяющий нормальный информационный сигнал, если эксплуатационная аварийная сигнализация приведена в действие.

22 Система оперативно-технического управления первичной сетью (СОТУ) - комплекс технических средств и технический персонал, обеспечивающий формирование и оперативную перестройку первичной сети, перераспределение сетевых трактов и каналов передачи в различных ситуациях.

23 Система технической эксплуатации (СТЭ) - совокупность методов и алгоритмов технического обслуживания объектов технической эксплуатации первичной сети, комплекса технических средств связи и программно-технических средств, а также технический персонал, обеспечивающие функционирование первичной сети с требуемыми качественными показателями.

24 Служебная связь системы управления (ССУ) - совокупность устройств, обеспечивающая технический персонал телефонной связью для установления взаимодействия подразделений системы управления первичными сетями.

25 Текущий ремонт - ремонт, выполняемый для обеспечения или восстановления работоспособности изделия и состоящий в замене и (или) восстановлении отдельных частей.

26 Техническое обслуживание (ТО) - комплекс операций по поддержанию работоспособности или исправности изделия при: использовании по назначению, ожидании, хранении, транспортировании.

27 Управляемое техническое обслуживание (УТО) - техническое обслуживание, выполняемое путем систематического применения методов анализа состояния ОТЭ с использованием средств контроля рабочих характеристик ОТЭ, средств управления качеством передачи и устранением неисправностей, и направленное на сведение к минимуму профилактического технического обслуживания и сокращение корректирующего технического обслуживания.

28 Участковая служебная связь (УСС) - совокупность устройств, обеспечивающая оперативно-технический персонал телефонной связью между ближайшими обслуживаемыми усилительными и регенерационными пунктами (оконечными или узловыми радиорелейными станциями) и расположенными между ними необслуживаемыми усилительными и регенерационными пунктами (промежуточными радиорелейными станциями) данной линии передачи.

29 Эксплуатационный контроль - процесс определения соответствия объектов технической эксплуатации установленным требованиям на стадии эксплуатации.

30 Эксплуатационный отказ - отказ, возникающий в результате нарушения установленных правил и (или) условий эксплуатации объекта.

Безопасность

1 Безопасность информации - состояние защищенности от заданного множества случайных и преднамеренных воздействий нарушителя (угроз безопасности) на объекты сети, циркулирующие в ней данные (сообщения) и информацию управления сетью.

2 Защита информации - комплекс правовых, организационных и технических (программно-аппаратных) мероприятий, направленных на предотвращение или затруднение нанесения ущерба интересам собственников информации.

Информация конфиденциальная (confidential information) - документированная информация, доступ к которой ограничивается в соответствии с законодательством Российской Федерации.

ПРИЛОЖЕНИЕ № 4

к НТП-ЦТКС-ФЖТ

от 10.07.2002 г. № Р-626у

Перечень основной аппаратуры, рекомендуемой для применения в цифровых системах связи федерального железнодорожного транспорта

(справочное)

Перечень аппаратуры, рекомендуемой для применения в цифровых системах связи федерального железнодорожного транспорта, приведен в таблице П4.1.

Таблица П4.1. Перечень аппаратуры, рекомендуемой для применения в цифровых системах связи федерального железнодорожного транспорта

Наименование оборудования

Фирма-изготовитель

Назначение

Каналообразующее оборудование

ВТК-12

ОАО «Морион», г. Пермь

Мультиплексирование двусторонних и групповых каналов ТЧ и ОЦК. Совместная работа с ТЛС-31

МВТК-2

НПП ЗАО «НовелИЛ», г. С.-Петербург

Мультиплексирование двусторонних и групповых каналов ТЧ и ОЦК. Совместная работа с ОВТГ-2000 по электрическому интерфейсу или работа по ОК

ПСМ-18

ООО «Интеллектроника», г. Пермь

Мультиплексирование двусторонних и групповых каналов ТЧ и ОЦК. Совместная работа с ЦСП-32

Оборудование гибкого мультиплексирования ОГМ-30, ОГМ-30Е

ОАО «Морион», г. Пермь

Мультиплексирование каналов ТЧ и цифровых каналов в первичные цифровые потоки Е1 с возможностью гибкого конфигурирования

Системы передачи плезиохронной цифровой иерархии

ТЛС-31

ОАО «Морион», г. Пермь

Организация линейного тракта 34 Мбит/с по волоконно-оптической линии, ввода-вывода каналов Е1 (2,048 Мбит/с)

ОВТГ-2000

НПП ЗАО «НовелИЛ», г. С.-Петербург

ЦСП-32

ООО «Интеллектроника», г. Пермь

Системы передачи синхронной цифровой иерархии

СММ-155

ОАО «Морион», г. Пермь

Организация линейного тракта 155 Мбит/с по ВОЛП. Работа в режиме терминального мультиплексора, мультиплексора ввода-вывода каналов Е1 (2,048 Мбит/с), Е3 (34 Мбит/с), кросс-коммутатора

Компактный мультиплексор СММ-11

Организация линейного тракта 155 Мбит/с по ВОЛП. Работа в режиме терминального мультиплексора, мультиплексора ввода-вывода каналов (до 21 Е1)

МЦП-155

НПП ЗАО «НовелИЛ», г. С.-Петербург

Организация линейного тракта 155 Мбит/с по ВОЛП. Работа в режиме терминального мультиплексора, мультиплексора ввода-вывода каналов Е1 (2,048 Мбит/с), Е3 (34 Мбит/с)

SMS150V

ОАО «ЭЗАН», Московская обл., п. Черноголовка

На участках ВОЛП для организации цифровых каналов первичной сети с пропускной способностью 155 Мбит/с

Компактный мультиплексор SMS150C

SMS600V

На участках ВОЛП для организации цифровых каналов первичной сети с пропускной способностью 155 Мбит/с, 622 Мбит/с

Системы передачи по кабелям с медными жилами

ОЛТ-Е1

ОАО «Морион», г. Пермь

На участках с кабелями с медными жилами для решения вопросов «последней мили», резервирования потоков 2048 кбит/с

FlexDSL CAP-64

FlexDSL MSDSL

FlexDSL Megatrans

ЗАО НТЦ «Натекс», г. Москва

 

Специализированные системы оперативно-технологической связи

МиниКОМ DX-500 ЖТ

ЗАО «Информ-техника-связь», г. Москва

На участках ВОЛП для организации цифровых каналов ОТС, ОбТС и ПД и аналоговых каналов

ДСС

ООО «Интелсетт», г. Москва

На участках ВОЛП для организации цифровых каналов ОТС и ПД и аналоговых каналов

ОТС-ЦМ

ВНИИАС МПС, г. Москва

На участках ВОЛП для организации цифровых каналов ОТС и ПД и аналоговых каналов

KS-2000 R

ООО «Капш-НИИЖА тел», г. Москва

1. Для организации ОТС в аналоговых сетях

2. Совместно с УС-2048 для организации ОТС, ОбТС и ПД на цифровых сетях

Обь-128

Завод «ЭЗАН», Компания «СИТЭС-Телеком», г. Москва

На участках ВОЛП для организации цифровых каналов ОТС, ОбТС и ПД и аналоговых каналов

Цифровые системы коммутации (АТСЦ)

МиниКОМ DX-500

ЗАО «Информтехника-связь», г. Москва

УПАТС

АХЕ-10

«Ericsson»

АТСЦ городского типа

MD-110

«Ericsson»

УПАТС

EWSD

«Siemens»

АТСЦ городского типа

Hicom-300

«Siemens»

УПАТС

1000 S 12

«Alcatel»

АТСЦ городского типа

Alcatel-4300/4400

«Alcatel»

УПАТС

5ESS

«Lucent Technologies»

АТСЦ городского типа

Definity

«AVAYA communication»

УПАТС

si2000/VEGA

«ISKRATELING»

УПАТС

Meridian 1

«Nortel» и «Kapsch»

УПАТС

Аппаратура технологической радиосвязи

Стационарная радиостанция РС-46МЦ

ОАО «Ижевский радиозавод»

Системы поездной симплексной (ПРС), ремонтно-оперативной радиосвязи (РОРС)

Возимая радиостанция РВ-1М

Корпорация «Новосибирский завод «Электросигнал»

Системы поездной симплексной (ПРС-С), поездной дуплексной (ПРС-Д диапазона 330 МГц) и станционной радиосвязи (СРС)

Стационарная радиостанция «Сигнал 201Б»

Корпорация «Новосибирский завод «Электросигнал»

Система станционной радиосвязи (СРС)

Стационарная радиостанция РС-46

ОАО «Владимирский завод «Электроприбор»

Системы поездной симплексной (ПРС), ремонтно-оперативной радиосвязи (РОРС)

Распорядительная станция СР-234М

ОАО «Владимирский завод» «Электроприбор»

Системы поездной симплексной (ПРС) ремонтно-оперативной радиосвязи (РОРС)

Стационарная радиостанция РС-23М

ОАО «Владимирский завод «Электроприбор»

Система станционной (СРС) радиосвязи

Возимая радиостанция РВ-1.1М

ОАО «Электросигнал» (г. Воронеж)

Системы поездной симплексной (ПРС-С), станционной (СРС) радиосвязи

Распорядительная станция СР, стационарная радиостанция РС-Д, возимая радиостанция РВ460, линейный распределитель ЛР, передатчик смены групп частот ПРДС

ГУП НИИ «Вега», г. Воронеж

Система дуплексной поездной радиосвязи диапазона 460 МГц

Система дуплексной поездной радиосвязи диапазона 330 МГц

ПРИЛОЖЕНИЕ № 5

к НТП-ЦТКС-ФЖТ

от 10.07.2002 г. № Р-626у

ПЕРЕЧЕНЬ ИЗМЕРИТЕЛЬНЫХ ПРИБОРОВ,
рекомендуемых для применения в цифровых системах связи федерального железнодорожного транспорта

(справочное)

Перечень измерительных приборов цифровых сетей связи приведен в соответствии со следующими документами:

Регламенты технической оснащенности предприятий Департаментов сигнализации, централизации, блокировки, информатизации и связи; утверждены МПС 11.11.99;

ОСТ 45.86-96 Линейно-аппаратные цехи оконечных междугородных станций, сетевых узлов, усилительных и регенерационных пунктов. Требования к проектированию;

РД 45.05-2000. Каталог средств измерений электросвязи, разрешенных для применения в отрасли «связь».

Перечень измерительных приборов для оснащения ЛАЗ приведен в таблице П5.1, для бригады по обслуживанию линейно-кабельных сооружений с волоконно-оптическими кабелями - в таблице П5.2.

Примечание. Типы приборов даны для справок, возможно применение других типов приборов, отвечающих требованиям по качеству и цене.

Таблица П5.1 Перечень измерительных приборов для ЛАЗ

Наименование прибора

Тип прибора (изготовитель)

Кол.

Основные параметры прибора

Измерительный комплекс для каналов ТЧ

«Ангстрем-3/2» (ЦСС МПС)

1

Измерение в автоматическом (Ангстрем-3/2) и ручном режимах, анализ и хранение результатов измерения: АЧХ, ГВЗ, дрожание фазы, псофометрическую и невзвешенную мощность шума и др.

An Com TDA-5 (ООО «Аналитик Телеком Системы», Москва)

Портативный тестер потоков 2 Мбит/с

«Морион Е1» (АО «Морион», Пермь)

1

Анализ цикловой и сверхцикловой структуры Е1, тестирование ОЦК, тональное тестирование каналов

Портативный тестер потоков 2 Мбит/с

SunSet E1e (Sunrise Telecom Inc., США)

1

Анализ цикловой и сверхцикловой структуры Е1, тестирование по G.703 n×64, тональное тестирование каналов

SunSet E10 (Sunrise Telecom Inc., США)

Анализ цикловой и сверхцикловой структуры Е1, тестирование по G.703, тональное тестирование каналов, анализ сигнализации ОКС № 7, тестирование интерфейсов V.35; X.21/V.11; RS232/V.24; RS449/V.36

EDT-135 (WAVETEK Wandel&Goltermann, ФРГ)

Анализ цикловой и сверхцикловой структуры Е1, тестирование по G.703, тональное тестирование каналов, тестирование интерфейсов V.35; X.24/V.11; RS232/V.24; RS449/V.36

Анализатор параметров систем передачи пци

«Морион E100» (АО «Морион», Пермь)

1

Анализ параметров систем передачи E1, E2, Е3; измерение коэффициента ошибок, анализ ИКМ структуры; анализ сигнализации ОКС № 7, R1, R2, R1,5; измерение параметров импульсов no G.703; измерение джиттера

Анализатор параметров систем передачи СЦИ/ПЦИ

Сетевой тестер ANT-20 (ТУ № RUS ANT-20-97/2) (Wandel&Goltermann, ФРГ)

1

Тестирование СЦИ-1, 4, 16; ПЦИ-1, 2, 3, 4; ATM, мультиплексоров, демультиплексоров и аппаратуры оперативного переключения. Измерение коэффициента ошибок, дрожания и дрейфа фазы, времени задержки, автоматического переключения на резерв

HP 37717C (ТУ № RUS HP 37717C-98/11) (Agilent Technologies, США)

Тестирование СЦИ-1, 4; ПЦИ-1, 2, 3, 4; ATM, мультиплексоров, демультиплексоров и аппаратуры оперативного переключения. Измерение коэффициента ошибок, дрожания и дрейфа фазы, времени задержки, автоматического переключения на резерв

Осциллограф двухканальный

С1-131

1

Наблюдения до 4-х каналов (два из памяти, два в реальном времени). Полоса пропускания - (0 - 20) Мгц

С1-149

Двухканальный цифровой. Полоса пропускания на уровне - 3 дБ: (0 - 50) МГц

Частотомер

Ч3-77

1

Диапазон: частоты и периода синусоидального и импульсного сигнала - 0,01 Гц - 100 МГц; частоты синусоидального сигнала 100 МГц - 1,6 ГГц; период сигналов - (10-7 - 102) с

Ч3-63/1

Диапазон: синусоидальный сигнал - 0,1 Гц - 1500 МГц; (0,03 - 10) мВ; импульсный сигнал - 0,1 Гц - 200 МГц; (0,1 - 10) В; период сигналов - (10-7 - 104) с

Мультиметр (вольтметр универсальный)

Мультиметр цифровой малогабаритный В7-61

1

Диапазон: постоянный ток: 1 мкВ - 1000 В, 10 мкА - 10 А; переменный ток: 1 мВ - 700 В при (0,02 - 100) кГц; 10 мкА - 10 А при (0,02 - 10) кГц

Вольтметр универсальный В7-54

Диапазон: постоянный ток 0,1 мкВ - 1000 В, 1 мкА - 2 А; переменный ток: 1 мВ - 700 В при (0,01 - 1000) кГц; 10 мкА - 2 А при (0,02 - 1000) кГц

Измеритель мощности оптический

FOD 1202 (КБВП FOD, Москва)

1

0,85/1,31/1,55 мкм -60 ... +3 дБм

FOD 1202 (КБВП FOD, Москва)

0,85/0,98/1,31/1,48/1,55 мкм -73 ... +7 дБм

«АЛМАЗ-21» (ЛОНИИР, СПб)

0,85/1,31/1,55 мкм -60 ... +3 дБм

Источник оптического излучения

FOD 2114 (KБBП FOD, Москва)

1

0,85/1,31/1,55 мкм

«АЛМАЗ-11» (ЛОНИИР, СПб)

0,8 - 0,9 мкм;

1,2 - 1,4 мкм;

1,4 - 1,6 мкм

Таблица П5.2. Перечень измерительных приборов для бригады, обслуживающей ЛКС с волоконно-оптическими кабелями

Наименование прибора

Тип прибора (изготовитель)

Кол.

Основные параметры прибора

Рефлектометр оптический

ОР-2-1 (Институт информационных технологий, г. Минск)

1

ММ и ОМ волокно, 0,85/1,31/1,55 мкм; динамический диапазон 29 дБ на 1,31 мкм, 28 дБ на 1,55 мкм, разрешающая способность 0,001 дБ, погрешность ± 1,5 ± 0,05 % × L ± (Δn/n)L

НР8147 (Agilent Technologies, США)

ОМ волокно, опции имеют динамический диапазон от 34 до 39 дБ, разрешающая способность 0,001 дБ, погрешность ±(1 м + (5 × 10-5 × L))

HP E6000 (Agilent Technologies, США)

Малогабаритный, ОМ волокно, опции имеют динамический диапазон от 34 до 40 дБ, разрешающая способность 0,001 дБ, погрешность ±(1 м + (10-4 × L))

AQ7210 (Ando Electric Co., LTD, Япония)

ММ и ОМ волокно, 0,85/1,31/1,55 мкм; динамический диапазон 37 дБ на 1,31 мкм, 34 дБ на 1,55 мкм, разрешающая способность 0,001 ДБ, погрешность ±(0,7 м + (2 × 10-5 × L))

AQ7220 (Ando Electric Co., LTD, Япония)

Малогабаритный, ММ и ОМ волокно, 0,85/1,31/1,55 мкм; динамический диапазон опций для ОМ от 31 до 36 дБ, разрешающая способность 0,001 дБ, погрешность ±(2 м + (2 × 10-5 × L))

Тестирующий прибор для оптических кабелей FTB-300 (EXFO, Канада)

Малогабаритный, ММ и ОМ волокно, 0,85/1,31/1,55 мкм; динамический диапазон опций для ОМ от 26 до 40 дБ, разрешающая способность 0,001 дБ, погрешность ±(1 м + (2,5 × 10-5 × L)). Имеет дополнительные модули мультитестера, анализатора спектра и измерителя дисперсии

MTS 5100/5200 (Wavetek, США)

1

Малогабаритный, ММ и ОМ волокно, 0,85/1,31/1,55 мкм; динамический диапазон 40 дБ на 1,31 мкм, 38 дБ на 1,55 мкм, разрешающая способность 0,001 дБ, погрешность ±(1 м + (5 × 10-5 × L))

TD 3000/TD 3486 (GT Nettest, Дания)

ММ и ОМ волокно, 0,85/1,31/1,55 мкм; динамический диапазон опций для ОМ от 32 до 41,5 дБ, разрешающая способность 0,001 дБ, погрешность ±2,5 × 10-5 × L ± разрешение по расстоянию

СМА 4000 (GT Nettest, Дания)

Малогабаритный, ММ и ОМ волокно, опции имеют динамический диапазон от 24 до 40 дБ, разрешающая способность 0,001 дБ, погрешность ±2,5 × 10-5 × L ± разрешение по расстоянию

MW9060A (Anritsu, Япония)

ММ и ОМ волокно, 0,85/1,31/1,55 мкм; динамический диапазон опций для ОМ от 20,5 до 37 дБ, разрешающая способность 0,001 дБ, погрешность ±(1 м + (2 × 10-5 × L))

Оптический телефон

ПТ4000 («Перспективные Технологии Плюс», С.-Петербург)

1

Дальность - 200 км на длине 1,55 мкм, 120 км на длине 1,31 мкм

Дополнительная клипса для безразрывного ввода излучения

FHOTOM (Fotom)

Динамический диапазон FHOTOM 450 - 55 дБ, FHOTOM 430 - 45 дБ, FHOTOM 415 - 35 дБ; при наличии FHOTOM 550 - связь без разрыва волокна с дальностью действия до 80 км

Волоконно-оптический микроскоп

OFS 300-200X (NOYES FIBER SYSTEMS)

1

200-кратное увеличение

Идентификатор канала

F1-720C

1

 

OFI200B (NOYES FIBER SYSTEMS)

Определение без разрыва направления передачи, индикация сигнала 2 МГц, совместимость с волокном в оболочке 0,25 мм, 0,9 мм и 3 мм

Компенсационная катушка

(«Перспективные Технологии Плюс», С.-Петербург)

1

 

Тестер

Ц-4353

1

 

ПРИЛОЖЕНИЕ № 6

к НТП-ЦТКС-ФЖТ

от 10.07.2002 г. № Р-626у

РАСЧЕТ ДЛИНЫ ЭЛЕМЕНТАРНОГО КАБЕЛЬНОГО УЧАСТКА

(обязательное)

Расчет дины элементарного кабельного участка (ЭКУ) выполняется по двум критериям:

затуханию оптического волокна;

хроматической дисперсии.

1 Расчет длины ЭКУ по затуханию.

Для проектирования волоконно-оптических линий передачи задаются значения номинальной, минимальной и максимальной длины ЭКУ ВОСП.

Номинальная длина ЭКУ, км, должна определяться по формуле:

                             (П6.1)

Минимальная длина ЭКУ, км, должна определяться по формуле:

                                             (П6.2)

Максимальная длина ЭКУ, км, должна определяться по формуле:

                      (П6.3)

где W - энергетический потенциал ВОСП, дБ;

АЭЗА - эксплуатационный запас энергетического потенциала для аппаратуры, дБ;

Арс - общие потери во всех разъемных соединителях на ЭКУ, дБ;

анс макс - максимальное значение потерь неразъемного соединения, дБ;

Аэзк - эксплуатационный запас энергетического потенциала для кабеля, дБ;

Δα - погрешность измерения затухания оптического сигнала на ЭКУ, дБ;

αМАКС - максимальное значение коэффициента затухания оптического волокна, заданное в технических условиях (спецификациях) на строительную длину кабеля, дБ/км;

 - средняя строительная длина ОК, км;

ΔА - динамический диапазон уровня приемного сигнала, дБ;

 - среднее значение потерь неразъемного соединения, дБ;

 - среднее значение коэффициента затухания оптического волокна, дБ/км;

λ - рабочая длина волны, мкм.

                                       (П 6.4)

Значения коэффициента B приведены в таблице 6.1.

Таблица 6.1. Значения коэффициента В

Строительная длина, l, км

В при λ, мкм

1,3

1,55

1

0,17

0,085

2

0,15

0,075

3

0,14

0,070

4

0,135

0,067

5

0,13

0,066

6

0,13

0,065

Как правило, должны проектироваться ЭКУ номинальной длины. В регионах с минимальной температурой ниже -50 °С (для ВОЛП с кабелями, проложенными по опорам) проектируются ЭКУ с длиной, не превышающей номинальную. В регионах с минимальной температурой выше -50 °С допускается проектирование ЭКУ максимальной длины

2 Расчет длины ЭКУ по хроматической дисперсии.

Расчет длины ЭКУ по хроматической дисперсии (LD) выполняется исходя из максимально допустимой хроматической дисперсии, приведенной в технических условиях (технических спецификациях) на аппаратуру, пс/нм, и коэффициента хроматической дисперсии, D(λ), пс/(нм×км), приведенной в технических спецификациях на оптические волокна.

3 Пример расчета длины ЭКУ ВОЛП с кабелем ОКМС и системой передачи WaveStar

ADM-16/1

Исходные данные:

λ - рабочая длина волны 1,3 мкм, 1,55 мкм;

W - энергетический потенциал WaveStar ADM-16/1 (таблица П6.2);

АЭЗА - эксплуатационный запас энергетического потенциала для аппаратуры 3 дБ;

Арс - общие потери во всех разъемных соединителях на ЭКУ 2 дБ;

Анс МАКС - максимальное значение потерь неразъемного соединения 0,1 дБ при λ = 1,55 мкм, 0,2 дБ при λ = 1,3 мкм;

Аэзк - эксплуатационный запас энергетического потенциала для кабеля 3 дБ;

Δα - погрешность измерения затухания оптического сигнала на ЭКУ 1,5 дБ;

αмакс - максимальное значение коэффициента затухания оптического волокна, заданное в технических условиях (спецификациях) на строительную длину кабеля ОКМС 0,22 дБ/км при λ = 1,55 мкм, 0,36 дБ/км при λ = 1,3 мкм;

 - средняя строительная длина ОКМС 4 км;

ΔA - динамический диапазон уровня приемного сигнала - 7 - 19 дБ;

 - среднее значение потерь неразъемного соединения 0,05 дБ при λ = 1,55 мкм, 0,1 дБ при λ = 1,3 мкм;

* - среднее значение коэффициента затухания оптического волокна 0,2 дБ/км при λ = 1,55 мкм, 0,32 дБ/км при λ = 1,3 мкм; В = 0,067

Таблица П6.2 Результаты расчета длин ЭКУ

Рассчитанная величина

Длины ЭКУ при оптических интерфейсах ADM 16/1

SI-L 16.1/1C

SI-L 16.2/1C

SI-L 16.3/1B

λ = 1,3 мкм

λ = 1,55 мкм

λ = 1,55 мкм

W, дБ

27

27

31

LНОМ, км

43,2

71,8

88,1

LМИН, км

23,5

37,9

47,3

LМАКС, км

48,3

77,0

95,2

LD, км OB G.652

53

90

90

ПРИЛОЖЕНИЕ № 7

к НТП-ЦТКС-ФЖТ

от 10.07.2002 г. № Р-626у

ТЕХНИЧЕСКИЕ ТРЕБОВАНИЯ И ОБЛАСТИ ПРИМЕНЕНИЯ
волоконно-оптических кабелей связи, предназначенных для использования в волоконно-оптических линиях передачи федерального железнодорожного транспорта

(справочное)

1 Назначение и область применения

1.1 При проектировании линейно-кабельных сооружений ВОЛП федерального железнодорожного транспорта следует руководствоваться Техническими требованиями к оптическим кабелям связи, предназначенным для применения на Взаимоувязанной сети связи Российской Федерации (утверждены Госкомсвязи России 21.05.98 г.).

1.2 Волоконно-оптические кабели связи, предназначенные для использования на ВОЛП федерального железнодорожного транспорта по условиям применения подразделяются на:

кабели самонесущие для подвески и эксплуатации на воздушных линиях связи, на опорах электрифицированных железных дорог и на опорах линий автоблокировки (электропередачи - ЛЭП до 10 кВ);

кабели для прокладки и эксплуатации в грунте, кабельной канализации, коллекторах, специальных трубах, в тоннелях, а также по мостам, эстакадам;

кабели для прокладки и эксплуатации на речных переходах (судоходных и несудоходных рек), глубоководных участках водоемов, береговых участках;

внутри объектовые кабели (распределительные и станционные) для прокладки и эксплуатации внутри зданий.

1.3 Волоконно-оптические кабели связи, предназначенные для использования на линиях передачи ВОЛП федерального железнодорожного транспорта, должны исключать необходимость применения оборудования содержания кабелей под избыточным давлением.

2 Технические требования

2.1 Конструкция кабелей.

2.1.1 Волоконно-оптические кабели ВОЛП федерального железнодорожного транспорта могут содержать следующие основные конструктивные элементы:

а) стандартное одномодовое волокно, имеющее длину волны с нулевой (несмещенной) дисперсией около 1310 нм, оптимизированное для использования на длинах волн около 1310 нм, и которое может быть использовано в диапазоне около 1550 нм (Рекомендация МСЭ-Т G.652);

б) одномодовое волокно со смещенной (ненулевой) дисперсией; точка нулевой дисперсии в нем смещена в диапазон более длинных волн (1565 - 1570 нм), (Рекомендация МСЭ-Т G.655). Волокна могут одновременно работать как в третьем (1530 - 1565 нм), так и в четвертом (1565 - 1625 или 1565 - 1620 нм) окне прозрачности;

в) сердечники: профилированный с заложенными в пазы волокнами, оптические модули в виде трубок со свободно уложенными волокнами, ленточного типа, пучкового типа; микромодульного типа и др.;

г) водоблокирующие материалы, предотвращающие продольное распространение влаги;

д) оболочки, бронепокровы, дополнительные силовые элементы (внешняя оболочка должна быть толщиной не менее 2 мм для прокладки в грунте и кабельной канализации).

2.1.2 Оболочки, бронепокровы в соответствии с их функциональными назначениями и областью применения должны обеспечивать:

герметичность и влагостойкость;

механическую защиту;

стойкость к воздействию соляного тумана, солнечного излучения;

стойкость к избыточному гидростатическому давлению;

защиту от грызунов;

нераспространение горения.

2.1.3 Оптические волокна и элементы группирования волокон в кабеле должны иметь цветовую идентификацию.

2.1.4 Номинальная строительная длина кабеля, указанная в технической документации производителя, должна быть не менее 2 км (кроме станционных кабелей).

Характеристики оптических волокон приведены в таблице П7.1.

2.3 Требования к электрическим параметрам оптических кабелей, содержащих металлические наружные покровы

2.3.1 Волоконно-оптический кабель с металлическими наружными покровами должен выдерживать испытания импульсным током в четырех поддиапазонах значений: менее 55 кА (I-ая категория молниестойкости); (55 - 80) кА (II-я категория); (80 - 105) кА (III-я категория); 105 кА и выше (IV-я категория).

Таблица П7.1. Характеристики оптических волокон

Наименование параметра

Одноомовые ОВ Рекомендации МСЭ-Т

G.652

G.655

Передаточные характеристики

 

1310

-

Рабочая длина волны, нм

1550

1550

Коэффициент затухания дБ/км, не более:

 

 

на длине волны 1310 нм

0,36

-

на длине волны 1550 нм

0,22

0,22

Коэффициент хроматической дисперсии, пс/нм×км, не более:

 

 

в интервале длин волн (1285 - 1330) нм

3,5

-

в интервале длин волн (1525 - 1575) нм

18

6,0

Наклон дисперсионной характеристики в области длины волны нулевой дисперсии, пс/нм2×км, не более:

 

 

в интервале длин волн (1285 - 1330) нм

0,093

-

Длина волны отсечки, нм, не более

1270

1470

Диаметр сердцевины, мкм

-

 

Диаметр модового поля, мкм

(9 - 10) ± 10 %

(8 - 10) ± 10 %

Геометрические характеристики

Диаметр оболочки, мкм

125 ± 1

125 ± 1

Диаметр по защитному покрытию, мкм

250 ± 15

250 ± 115

Некруглость отражающей оболочки, %, не более

2

2

Неконцентричность модового поля, мкм, не более

0,8

0,8

2.4 Требования к механическим характеристикам

Волоконно-оптический кабель связи должен быть стойким к механическим воздействиям.

Стойкость к растяжению приведена в таблице П7.2.

Таблица П7.2. Стойкость волоконно-оптических кабелей связи к растяжению

Назначение ВОК

Допустимое растягивающее усилие, кН

Статическое

Динамическое

Подземные

 

По данным завода-изготовителя, но не менее чем на 15 % от величины статического растягивающего усилия

Для грунтов

2,5 - 30,0

в том числе для скальных и подверженных мерзлотным деформациям

не менее 20

Для кабельной канализации

1,5 - 2,5

Для прокладки в специальных трубах

1,0 - 2,5

Подводные

 

Для речных переходов

20 - 80

Для глубоководных участков водоемов

30 - 100

Для береговых участков

50 - 100

Подвесные

3,0 - 30,0

Для подвески на опорах ВЛС, электрифицированных железных дорог и линий автоблокировки (электропередачи напряжением не более 10 кВ)

Внутриобъектовые

 

Для прокладки внутри зданий, не менее

1,0 - 2,0

Станционные (монтажные), не менее

0,05 - 0,3

Стойкость к раздавливанию приведена в таблице П7.3.

Таблица П7.3. Стойкость волоконно-оптических кабелей связи к раздавливанию

Назначение ВОК

Допустимое раздавливающее усилие, кН/см

Подземные

 

Для грунта

0,4 - 1,0

Для кабельной канализации

0,4 - 1,0

Для прокладки в специальных трубах

0,2 - 1,0

Подводные

 

Для речных переходов

1,0

Для глубоководных участков водоемов

1,0 - 3,0

Для береговых участков

1,0 - 6,0

Подвесные

1,0 - 2,0

Для подвески на опорах ВЛС, электрифицированных железных дорог и линий автоблокировки (электропередачи напряжением не более 10 кВ)

Внутриобъектовые

 

Для прокладки внутри зданий

0,2 - 1,0

Станционные (монтажные), не менее

не менее 0,05

2.4.3 Стойкость кабелей к удару приведена в таблице П7.4.

Таблица П7.4. Стойкость волоконно-оптических кабелей к удару

Назначение ВОК

Начальная энергия, не менее, Дж

Для прокладки в грунте и кабельной канализации

10; 30; 50; 70

Для прокладки в специальных трубах

3; 5

Для подвесных (самонесущих)

10; 20; 30; 50

Подводные

в соответствии с документацией завода-изготовителя

Внутриобъектовые

 

внутри зданий

3; 5

станционные (монтажные)

1

2.4.4 Стойкость к изгибу

Кабели должны выдерживать 20 циклов изгибов на угол ±90° по радиусу не более 20-кратного внешнего диаметра при нормальной температуре и при температуре не ниже минус 10 °С окружающей среды (кроме внутриобъектовых).

2.4.5 Стойкость к осевому закручиванию

Кабели должны выдерживать 10 циклов осевых закручиваний на угол ±360° на длине не более 4 м при нормальной температуре окружающей среды.

2.4.6 Стойкость к вибрационной нагрузке

Кабели должны быть стойкими к вибрационным нагрузкам в диапазоне частот (10 ... 200) Гц с ускорением 4g.

2.5 Стойкость к избыточному гидростатическому давлению

2.5.1 Кабели должны быть стойкими к избыточному гидростатическому давлению: речные - 0,7 МПа.

2.6 Требование к продольной герметичности

2.6.1 Кабели должны иметь защиту от продольного распространения влаги.

2.7 Требование к гидрофобному компаунду

2.7.1 Не должно быть каплевыделения гидрофобного заполняющего кабель компаунда при температуре +70 °С.

2.7.2 Гидрофобный компаунд должен быть совместимым с другими материалами кабеля, не оказывать влияния на параметры оптических волокон, легко удаляться при монтаже, не быть токсичным, не вызывать коррозию.

2.8 Требования к климатическим характеристикам

2.8.1 Кабели должны быть стойкими к воздействию температуры окружающей среды (рабочая температура) в соответствии с таблицей П7.5.

Таблица П7.5. Стойкость кабелей к воздействию температуры окружающей среды

Назначение ВОК

Пониженная t °C

Повышенная t °C

Подземные

 

 

Для грунта

-40

+50

Для кабельной канализации, для прокладки в специальных трубах

-40

+50

Для прокладки на открытом воздухе

-60

+70

Подводные

 

 

Для речных переходов

-40

+50

Для глубоководных участков водоемов

-10

+50

Для береговых участков

-40

+50

Подвесные

 

 

Для подвески на опорах ВЛС, электрифицированных железных дорог и линий автоблокировки (электропередачи напряжением не более 10 кВ)

-60

+70

Внутриобъектовые

-10

+50

2.8.2 Кабели должны быть стойкими к воздействию циклической смены температур от пониженной до повышенной рабочей температуры.

2.8.3 Кабели подвесные должны быть стойкими к воздействию атмосферных осадков, соляного тумана, солнечного излучения (радиации).

2.9 Требования к распространению горения

2.9.1 Кабели, предназначенные для прокладки внутри зданий, по коллекторам и тоннелям, должны иметь наружную оболочку из материала, не распространяющего горение.

3 Требования по надежности

3.1 Срок службы оптических кабелей должен быть не менее 25 лет.

3.2 Срок хранения в полевых условиях под навесом должен быть не менее 10 лет, в отапливаемых помещениях не менее 15 лет.

3.3 Срок хранения входит в срок службы кабеля.

4 Требования к транспортированию и хранению

4.1 Транспортирование кабелей допускается любым видом транспорта на любое расстояние в соответствии с правилами перевозки грузов.

4.2 Хранение кабелей должно осуществляться в упакованном виде. Не должно быть воздействия паров кислот, щелочей и других агрессивных сред.

4.3 Температура окружающей среды при транспортировании и хранении от минус 50 °С до +50 °С, для кабелей с пониженной рабочей температурой окружающей среды минус 60 °С до +50 °С.

4.4 Условия хранения морских кабелей определяются заводом-изготовителем.

5 Требования по монтажу и условиям эксплуатации

5.1 Кабель должен обеспечивать возможность его прокладки и монтажа при температуре до минус 10 °С (внутриобъектовые - не ниже минус 5 °С).

5.2 Допустимый статический радиус изгиба кабеля должен быть равен 20-ти номинальным наружным диаметрам кабеля, для кабелей, прокладываемых в кабельной канализации, допустимый радиус изгиба не должен превышать 250 мм.

5.3 Допустимый радиус изгиба оптического волокна при монтаже должен быть не более 3 мм (в течение 10 мин).

5.4 Допустимый статический радиус изгиба оптических модулей должен быть указан в ТУ на конкретный тип кабеля.

6 Требования безопасности

6.1 Конструкция кабеля должна исключать применение специальных мер безопасности.

7 Требования к маркировке и упаковке

7.1 Кабели на барабанах должны быть с герметической заделкой концов, внутренний конец кабеля длиной не менее 2,0 м должен быть доступным для проведения измерений. Во избежание повреждений, концы кабеля должны быть закреплены.

7.2 На каждом барабане на наружной стороне барабана должна быть установлена пластина, устойчивая к влаге, на которой указаны:

товарный знак изготовителя;

условное обозначение кабеля;

длина кабеля в метрах;

масса брутто, кг;

дата изготовления (месяц, год).

7.3 На наружной стороне щеки каждого барабана должны быть предусмотрены: заводской номер барабана, обозначение стрелкой направления, в котором допускается перематывать барабан с кабелем, надпись «не класть плашмя».

7.4 Кабели должны иметь равномерно размещенную маркировку. Маркировка должна быть отчетливо нанесена на наружную оболочку, быть износостойкой и сохраняться на протяжении всего срока службы кабеля.

Точность размещения маркировки должна быть не хуже ±1 %.

Маркировка должна содержать следующую информацию:

маркировка погонного метра длины кабеля;

наименование изготовителя и год изготовления.

8 Требования к документации

Документация на поставляемую партию кабеля должна содержать:

ссылку на технические условия;

ссылку на Сертификат соответствия;

герметично упакованный паспорт - сертификат, закрепляющий на внутренней стороне щеки, в котором указываются: условные обозначения кабеля, изготовитель кабеля, тип оптического волокна, длина кабеля, количество оптических волокон в кабеле, коэффициент затухания каждого оптического волокна, показатель преломления, сопротивление изоляции наружного шланга (при его наличии).

9 Гарантии изготовителя

9.1 Изготовитель должен гарантировать соответствие оптического кабеля требованиям Технических условий при соблюдении потребителем условий транспортирования, хранения, эксплуатации и монтажа, установленных в Технических условиях и эксплуатационной документации.

9.2 Срок гарантии составляет не менее 2 лет со дня ввода в эксплуатацию.

ПРИЛОЖЕНИЕ № 8

к НТП-ЦТКС-ФЖТ

от 10.07.2002 г. № Р-626у

ОБЩЕТЕХНИЧЕСКИЕ ТРЕБОВАНИЯ
к цифровым кабелям сети абонентского доступа

(справочное)

1 Общие положения

1.1 Цифровые кабели предназначены для организации сети абонентского доступа на участке ЭАТС - концентратор и АТС любого типа - абонент.

1.2 Конструкция кабеля должна обеспечить функционирование современного оборудования технологии xDSL, работающего по линиям с кодами HDB-3, 2В1Q, САР, ТС-РАМ в диапазоне частот до 2048 кГц.

1.3 Диаметр медных токопроводящих жил выбирается равным 0,5 и 0,64 мм.

1.4 Конструкция кабелей должна обеспечивать их прокладку в телефонной канализации, в грунт и подвеску по опорам воздушных линий.

1.5 Конструкция кабелей должна обеспечить высокую стабильность электрических характеристик кабелей ЦСП, иметь гидрофобное заполнение сердечника, комбинированный экран (сталь + алюминий), срок службы не менее 30 лет.

1.6 В процессе разработки должны быть рассмотрены различные варианты конструкций кабеля:

типовой цилиндрической формы (аналог ТПэпТ) с сердечником из скрученных пар с различными шагами;

цилиндрической с внутренним SZ, экраном, разделяющим группы различного направления передачи оборудования ЦСП;

двухствольный с параллельной укладкой двух экранированных групп, размещенных в одной оболочке.

2 Основные требования к электрическим характеристикам кабелей ЦСП.

2.1 Электрические характеристики на постоянном токе

2.1.1 Номинальная величина сопротивления 1 км токопроводящих жил при температуре +20 °С 90 и 55 Ом/км для диаметра жил 0,5 и 0,64 мм соответственно.

2.1.2 Омическая асимметрия жил в рабочей паре не более 1 % от сопротивления шлейфа.

2.1.3 Сопротивление изоляции жил по отношению ко всем остальным и экрану должно быть не менее 5000 МОм×км.

2.1.4 Сопротивление изоляции оболочки кабеля («экран - земля») должно быть не менее 10 МОм×км.

2.2 Электрические характеристики на переменном токе.

2.2.1 Рабочая емкость цепей на частоте 0,8 кГц или 1,0 кГц должна быть не более 50 нФ.

2.2.2 Коэффициент затухания рабочих пар на частоте 1024 кГц должен быть не более 18 дБ/км и 14 дБ/км (для диаметра жил 0,5 мм и 0,64 мм соответственно).

2.2.3 Переходное затухание между цепями на ближнем конце внутри сердечника кабеля на частоте 1024 кГц (или сигнале ПСП со скоростью передачи 2048 кбит/с) должно быть не менее 70 дБ для 100 % комбинаций на строительную длину 500 м.

2.2.4 Защищенность на дальнем конце между цепями внутри сердечника на частоте 1024 кГц (или влияющем цифровом сигнале ПСП кода HDB-3 при скорости передачи 2048 кбит/с) должна быть не менее 50 дБ для 100 % комбинаций на строительную длину 500 м.

2.2.5 Переходное затухание на ближнем конце на частоте 1024 кГц между цепями различных групп (в конструкции кабеля с SZ экраном или параллельными экранированными сердечниками) должно быть не менее 80 дБ для 100 % комбинаций.

2.2.6 Испытательное напряжение в течение 1 мин., приложенное:

между жилами рабочих пар: на частоте 50 Гц - 2000 В, на постоянном токе - 1500В;

между жилами и экраном: на частоте 50 Гц - 2000 В, на постоянном токе - 3000 В.

2.2.7 Физико-механические характеристики кабелей должны удовлетворять требованиям ГОСТ Р 51311-99, распространяющимся на кабели ТППэпЗ, ТППэпЗБбШп.

ПРИЛОЖЕНИЕ № 9

к НТП-ЦТКС-ФЖТ

от 10.07.2002 г. № Р-626у

РАСЧЕТ НАДЕЖНОСТИ УЧАСТКА СВЯЗИ

(справочное)

Расчет надежности участка связи выполняется по методике, разработанной ПГУПС на основании рекомендации МСЭ-Т G.911.

1 Исходя из данных раздела 8 определяется требуемый коэффициент готовности в зависимости от длины проектируемого участка (KГ (уч)):

                                                     (П9.1)

2 Определяется интенсивность отказов (λ), 1/сут.:

а) элементарного кабельного участка:

                                                      (П9.2)

где М - количество повреждений 100 км ВОК за год (по данным ПГУПС ожидаемое количество повреждений 100 км ВОК за год с учетом статистики различного вида повреждений самонесущего кабеля составляет 0,3416);

Lру - протяженность элементарного кабельного участка в км.

б) аппаратуры (мультиплексора, регенератора):

                                                        (П9.3)

где Тann - наработка на отказ мультиплексора ввода-вывода, сут.

При отсутствии данных Тann в расчете может быть использовано среднее время между отказами (MTBF), которое определяется по формуле:

                                               (П9.4)

где F - интенсивность отказов за 109 часов (FIT). Интенсивность отказов всего изделия может быть определена как сумма интенсивности отказов составляющих элементов. Интенсивность отказа блока является обратной величиной его наработки на отказ.

3 Определяется нагрузка по обслуживанию кабеля, аппаратуры (ρвок, ρann)

                                                          (П9.5)

где μ - интенсивность устранения отказов в сутки (для аппаратуры с учетом того, что среднее время устранения отказа 4 часа, μ = 6; для кабеля в зависимости от времени устранения повреждения μ = 1 ÷ 3).

4 Определяется вероятность исправности аппаратуры.

а) аппаратура системы передачи без резервирования:

                                                         (П9.6)

б) основные узлы аппаратуры имеют защиту 1 + 1:

                                            (П9.7)

5 Определяется вероятность исправности элементарного кабельного участка.

а) линейная цепь без резервирования:

                                                (П9.8)

где S - количество элементарных кабельных участков, обслуживаемых одной бригадой.

б) линейная цепь с резервированием 1 + 1:

                                      (П9.9)

6 Определяется коэффициент готовности

а) линейной цепи

KГ(уч) = (Pann×Pвок)n                                             (П9.10)

где п - количество элементарных кабельных участков.

в) кольцевая топология

               (П9.11)

 

 

СОДЕРЖАНИЕ

I. Общие положения. 1

II. Первичные цифровые сети. 3

2.1 Общие требования к первичным цифровым сетям.. 3

2.2 Первичная сеть магистрального уровня. 4

2.3 Первичные сети дорожного и отделенческого уровней. 4

2.4 Местная первичная сеть. 6

2.5 Первичная сеть в переходный период от аналоговой к цифровой системе связи. 6

III. Вторичные сети. 7

3.1 Сеть оперативно-технологической связи. 7

3.2 Сеть общетехнологической телефонной связи. 13

3.3 Сети передачи данных. 30

3.4 Автоматизированная система документальной телеграфной связи. 39

IV. Система управления. 40

4.1 Назначение системы.. 40

4.2 Основные принципы организации управления. 42

4.3 Система управления первичной цифровой сетью связи. 43

4.4 Система управления сетью оперативно-технологической связи. 45

4.5 Система управления сетью общетехнологической связи. 47

4.6 Система управления сетью передачи данных. 50

V. Система тактовой сетевой синхронизации. 51

5.1 Назначение тактовой сетевой синхронизации. 51

5.2 Принципы построения тактовой сетевой синхронизации цифровой сети связи. 52

5.3 Принципы построения тактовой сетевой синхронизации общетехнологической связи. 54

5.4 Принципы построения тактовой сетевой синхронизации оперативно-технологической связи. 57

5.5 Метрологическое обеспечение. 59

5.6 Требования к проектированию тактовой сетевой синхронизации. 59

VI Организация технической эксплуатации. 61

6.1 Организация технической эксплуатации первичной сети. 61

6.2 Организация технической эксплуатации технологического сегмента. 67

6.3 Служебная связь. 68

VII Линейные сооружения. 69

7.1 Общие требования к линейным сооружениям.. 69

7.2 Подвеска волоконно-оптических кабелей на опорах контактной сети и линий автоблокировки. 70

7.3 Прокладка волоконно-оптических кабелей в пластмассовых трубопроводах. 76

7.4 Прокладка волоконно-оптических кабелей в грунте. 90

7.5 Применение кабелей с медными жилами для цифровых систем передачи. 93

VIII Надежность сети связи. 95

8.1 Общие положения. 95

8.2 Надежность магистральной первичной сети. 96

8.3 Надежность дорожной первичной сети. 97

8.4 Надежность отделенческой первичной сети. 97

8.5 Принципы повышения надежности первичной сети. 98

IX Электроустановки. 99

9.1 Электроснабжение. 99

9.2 Электропитающие установки. 100

9.3 Токораспределительная сеть. 103

X Заземления. 104

10.1 Общие требования. 104

10.2 Цифровые системы передачи с использованием кабелей с металлическими элементами. 105

10.3 Волоконно-оптические линии передачи и цифровые коммутационные станции. 106

10.4 Заземлители. 106

10.5 Ввод заземляющих проводников. 108

10.6 Система заземляющих проводок служебно-технического здания (периферийная) 109

10.7 Проводка заземления в служебно-технических зданиях. 110

10.8 Устройство основной системы выравнивания потенциалов служебно-технического здания. 111

XI Служебно-технические помещения. 112

11.1 Технологические исходные данные. 112

11.2 Архитектурные, конструктивные и сантехнические требования. 113

11.3 Связь и сигнализация. 115

Приложение № 1. Перечень сокращенных наименований и условных обозначений, применяемых в Нормах технологического проектирования цифровых телекоммуникационных сетей на железнодорожном транспорте. 116

Приложение № 2. Перечень нормативных правовых актов Российской Федерации, государственных и отраслевых стандартов и иных нормативных документов, регламентирующих выполнение проектных работ по системам связи федерального железнодорожного транспорта. 118

Приложение № 3. Термины и определения, применяемые в Нормах технологического проектирования цифровых телекоммуникационных сетей на железнодорожном транспорте. 125

Приложение № 4. Перечень основной аппаратуры, рекомендуемой для применения в цифровых системах связи федерального железнодорожного транспорта. 139

Приложение № 5. Перечень измерительных приборов, рекомендуемых для применения в цифровых системах связи федерального железнодорожного транспорта. 140

Приложение № 6. Расчет длины элементарного кабельного участка. 143

Приложение № 7. Технические требования и области применения волоконно-оптических кабелей связи, предназначенных для использования в волоконно-оптических линиях передачи федерального железнодорожного транспорта. 145

Приложение № 8. Общетехнические требования к цифровым кабелям сети абонентского доступа. 150

Приложение № 9. Расчет надежности участка связи. 151

 

 



© 2013 Ёшкин Кот :-)