Информационная система
«Ёшкин Кот»

XXXecatmenu

ГОСТ Р 51515-99

ГОСУДАРСТВЕННЫЙ СТАНДАРТ РОССИЙСКОЙ ФЕДЕРАЦИИ

 

СОВМЕСТИМОСТЬ ТЕХНИЧЕСКИХ СРЕДСТВ ЭЛЕКТРОМАГНИТНАЯ

ПОМЕХОУСТОЙЧИВОСТЬ
РАДИОВЕЩАТЕЛЬНЫХ ПРИЕМНИКОВ,
ТЕЛЕВИЗОРОВ И ДРУГОЙ БЫТОВОЙ
РАДИОЭЛЕКТРОННОЙ АППАРАТУРЫ

ТРЕБОВАНИЯ И МЕТОДЫ ИСПЫТАНИЙ

 

 

ГОССТАНДАРТ РОССИИ
Москва

 

Предисловие

1 РАЗРАБОТАН И ВНЕСЕН Ленинградским отраслевым научно-исследовательским институтом радио (ЛОНИИР) и Техническим комитетом по стандартизации в области электромагнитной совместимости технических средств (ТК 30)

2 ПРИНЯТ И ВВЕДЕН В ДЕЙСТВИЕ Постановлением Госстандарта России от 28 декабря 1999 г. № 722-ст

3 Настоящий стандарт в части методов испытаний на внешнюю помехоустойчивость при воздействии радиочастотного электромагнитного поля и кондуктивных помех, наведенных радиочастотными электромагнитными полями, соответствует Публикации СИСПР 20 (1998-08), изд. 4 «Приемники звукового и телевизионного вещания и связанное с ними оборудование. Характеристики помехоустойчивости. Нормы и методы измерений»

4 ВВЕДЕН ВПЕРВЫЕ

 

СОДЕРЖАНИЕ

1 Область применения. 2

2 Нормативные ссылки. 3

3 Определения. 3

4 Требования помехоустойчивости. 4

4.1 Общие положения. 4

4.2 Внешняя помехоустойчивость при воздействии радиочастотного электромагнитного поля, кондуктивных помех, наведенных радиочастотными электромагнитными полями, и магнитного поля звуковой частоты.. 5

4.3 Внутренняя помехоустойчивость. 8

4.4 Помехоустойчивость при воздействии электростатических разрядов, сетевых импульсных помех и динамических изменений напряжения электропитания. 8

4.5 Эффективность экранирования входа телевизоров. 9

5 Методы испытаний. 9

5.1 Общие положения. 9

5.2 Средства измерений и испытательное оборудование. 10

5.3 Испытания при воздействии электромагнитного поля в полосе частот от 0,15 до 150 МГц. 12

5.4 Испытания при воздействии электромагнитного поля в полосе частот от 150 до 1000 МГц. 19

5.5 Испытания при воздействии наведенных радиочастотных токов в полосе частот от 0,15 до 150 МГц. 21

5.6 Испытания при воздействии наведенных радиочастотных напряжений в полосе частот от 0,15 до 150 МГц. 23

5.7 Испытания при воздействии магнитного поля в полосе частот от 0,02 до 30 кГц. 25

5.8 Испытания на внутреннюю помехоустойчивость. 26

5.9 Испытания при воздействии электростатических разрядов. 26

5.10 Испытания при воздействии наносекундных импульсных помех. 26

5.11 Испытания при воздействии микросекундных импульсных помех большой энергии. 26

5.12 Испытания при воздействии динамических изменений напряжения электропитания. 26

5.13 Измерение эффективности экранирования входа телевизоров. 27

6 Оценка результатов испытаний. 28

Приложение А Библиография. 28

 

ГОСТ Р 51515-99

ГОСУДАРСТВЕННЫЙ СТАНДАРТ РОССИЙСКОЙ ФЕДЕРАЦИИ

Совместимость технических средств электромагнитная

ПОМЕХОУСТОЙЧИВОСТЬ РАДИОВЕЩАТЕЛЬНЫХ ПРИЕМНИКОВ, ТЕЛЕВИЗОРОВ И ДРУГОЙ БЫТОВОЙ РАДИОЭЛЕКТРОННОЙ АППАРАТУРЫ

Требования и методы испытаний

Electromagnetic compatibility of technical equipment.
Immunity of sound and television broadcast receivers and associated equipment to electromagnetic disturbances.
Requirements and test methods

Дата введения 2001-07-01

1 Область применения

Настоящий стандарт распространяется на радиовещательные приемники, телевизоры и функционально связанное с ними оборудование, включая бытовые видеомагнитофоны, магнитофоны, электропроигрыватели, электрофоны и усилители сигналов звуковой частоты, в том числе входящие в состав многофункциональной бытовой радиоэлектронной аппаратуры (далее в тексте - оборудование).

Стандарт устанавливает требования помехоустойчивости и методы испытаний оборудования при воздействии радиочастотного электромагнитного поля в полосе частот от 0,15 до 1000 МГц и кондуктивных помех, наведенных радиочастотными электромагнитными полями в полосе частот от 0,15 до 150 МГц, а также магнитного поля звуковой частоты, электростатических разрядов, сетевых импульсных помех и динамических изменений напряжения электропитания.

Стандарт не распространяется на оборудование, предназначенное для применения на автотранспортных средствах с питанием от бортовой сети, и сувенирные образцы оборудования.

Требования помехоустойчивости и методы испытаний профессиональной аудио-, видео и аудиовизуальной аппаратуры установлены в ГОСТ Р 51408, оборудования распределительных сетей приемных систем телевидения и радиовещания - в ГОСТ Р 51513.

Требования настоящего стандарта являются обязательными.

2 Нормативные ссылки

В настоящем стандарте использованы ссылки на [1] - [3] и следующие стандарты:

ГОСТ Р 8.568-97 Государственная система обеспечения единства измерений. Аттестация испытательного оборудования. Общие положения

ГОСТ 22505-98 Совместимость технических средств электромагнитная. Радиопомехи индустриальные от радиовещательных приемников, телевизоров и другой бытовой радиоэлектронной аппаратуры. Нормы и методы испытаний

ГОСТ 30372-95/ГОСТ Р 50397-92 Совместимость технических средств электромагнитная. Термины и определения

ГОСТ 30380-95/ГОСТ Р 50015-92 Совместимость видеомагнитофонов бытовых электромагнитная. Устойчивость к электромагнитным полям и наведенным высокочастотным токам и напряжениям. Методы испытаний

ГОСТ Р 50648-94 (МЭК 1000-4-8-93) Совместимость технических средств электромагнитная. Устойчивость к магнитным полям промышленной частоты. Технические требования и методы испытаний

ГОСТ Р 51048-97 Совместимость технических средств электромагнитная. Генераторы электромагнитного поля с ТЕМ-камерами. Основные параметры и методы аттестации

ГОСТ Р 51317.4.2-99 (МЭК 61000-4-2-95) Совместимость технических средств электромагнитная. Устойчивость к электростатическим разрядам. Требования и методы испытаний

ГОСТ Р 51317.4.3-99 (МЭК 61000-4-3-95) Совместимость технических средств электромагнитная. Устойчивость к радиочастотному электромагнитному полю. Требования и методы испытаний

ГОСТ Р 51317.4.4-99 (МЭК 61000-4-4-95) Совместимость технических средств электромагнитная. Устойчивость к наносекундным импульсным помехам. Требования и методы испытаний

ГОСТ Р 51317.4.5-99 (МЭК 61000-4-5-95) Совместимость технических средств электромагнитная. Устойчивость к микросекундным импульсным помехам большой энергии. Требования и методы испытаний

ГОСТ Р 51317.4.6-99 (МЭК 61000-4-6-96) Совместимость технических средств электромагнитная. Устойчивость к кондуктивным помехам, наведенным радиочастотными электромагнитными полями. Требования и методы испытаний

ГОСТ Р 51317.4.11-99 (МЭК 61000-4-11-94) Совместимость технических средств электромагнитная. Устойчивость к динамическим изменениям напряжения сети электропитания. Требования и методы испытаний

ГОСТ Р 51319-99 Совместимость технических средств электромагнитная. Приборы для измерения индустриальных радиопомех. Технические требования и методы испытаний

ГОСТ Р 51320-99 Совместимость технических средств электромагнитная. Радиопомехи индустриальные. Методы испытаний технических средств - источников индустриальных радиопомех

ГОСТ Р 51408-99 Совместимость технических средств электромагнитная. Устойчивость к электромагнитным помехам профессиональной аудио-, видео-, аудиовизуальной аппаратуры и аппаратуры управления световыми приборами для зрелищных мероприятий. Требования и методы испытаний

ГОСТ Р 51513-99 Совместимость технических средств электромагнитная. Оборудование распределительных сетей приемных систем телевидения и радиовещания. Требования и методы испытаний

3 Определения

В настоящем стандарте использованы термины, установленные в ГОСТ 30372/ГОСТ Р 50397, ГОСТ Р 51319, ГОСТ Р 51320, а также следующие:

- внешняя помехоустойчивость при воздействии радиочастотного электромагнитного поля, кондуктивных помех, наведенных радиочастотными электромагнитными полями, и магнитного поля звуковой частоты, - способность оборудования работать без ухудшения качества функционирования в присутствии электромагнитных помех вышеуказанных видов, проникающих помимо его антенных зажимов;

- внутренняя помехоустойчивость при воздействии кондуктивных помех, наведенных радиочастотными электромагнитными полями, - способность оборудования работать без ухудшения качества функционирования в присутствии электромагнитной помехи указанного вида, проникающей через его антенные зажимы.

4 Требования помехоустойчивости

4.1 Общие положения

4.1.1 Оборудование должно соответствовать установленным в стандарте требованиям помехоустойчивости при воздействии помех указанных в настоящем пункте видов.

4.1.1.1 Радиочастотное электромагнитное поле в полосе частот от 0,15 до 150 МГц.

4.1.1.2 Радиочастотное электромагнитное поле в полосе частот от 150 до 1000 МГц.

4.1.1.3 Наведенные радиочастотные токи в полосе частот от 0,15 до 150 МГц.

4.1.1.4 Наведенные радиочастотные напряжения в полосе частот от 0,15 до 150 МГц.

4.1.1.5 Радиочастотные напряжения на антенных зажимах.

4.1.1.6 Магнитное поле в полосе частот от 0,02 до 30 кГц.

4.1.1.7 Электростатические разряды.

4.1.1.8 Наносекундные импульсные помехи в цепях электропитания.

4.1.1.9 Микросекундные импульсные помехи большой энергии в цепях электропитания.

4.1.1.10 Динамические изменения напряжения электропитания (провалы, прерывания, выбросы).

4.1.2 Помехоустойчивость оборудования при воздействии радиочастотного электромагнитного поля, кондуктивных помех, наведенных радиочастотными электромагнитными полями, и магнитного поля звуковой частоты, характеризуется уровнем воздействующей на оборудование помехи, которая создает следующие искажения изображения или звука:

- при испытаниях телевизоров и видеомагнитофонов по каналу изображения - едва заметное ухудшение изображения.

Примечание - К ухудшению изображения относят появление интерференционных полос, нарушение цветности и нарушение синхронизации;

- при испытаниях радиовещательных приемников сигналов с частотной модуляцией (далее в тексте - радиовещательные ЧМ приемники), усилителей звуковой частоты, магнитофонов, электропроигрывателей, а также телевизоров и видеомагнитофонов по каналу звукового сопровождения - превышение выходным напряжением уровня минус 40 дБ относительно напряжения, соответствующего стандартной мощности 50 мВт;

- при испытаниях радиовещательных приемников сигналов с амплитудной модуляцией (далее в тексте - радиовещательные АМ приемники) - превышение выходным напряжением уровня минус 26 дБ относительно напряжения, соответствующего стандартной мощности 50 мВт.

Помеха, вызывающая указанные искажения изображения и звука, не должна приводить к изменениям выполняемой оборудованием функции и установок органов управления, а также к потере информации, хранимой в памяти оборудования.

4.1.3 Помехоустойчивость оборудования при воздействии электростатических разрядов, наносекундных импульсных помех в цепях электропитания, микросекундных импульсных помех большой энергии в цепях электропитания и динамических изменений напряжения электропитания характеризуется уровнем воздействующей на оборудование помехи, при котором качество функционирования оборудования соответствует критерию, установленному в 4.4

4.1.4 Требования помехоустойчивости, установленные в настоящем стандарте, должны быть приведены в стандартах на оборудование конкретного вида и в технической документации на оборудование.

4.2 Внешняя помехоустойчивость при воздействии радиочастотного электромагнитного поля, кондуктивных помех, наведенных радиочастотными электромагнитными полями, и магнитного поля звуковой частоты

4.2.1 Требования помехоустойчивости при воздействии электромагнитного поля в полосе частот от 0,15 до 150 МГц

Требования помехоустойчивости оборудования при воздействии электромагнитного поля в полосе частот от 0,15 до 150 МГц приведены в таблицах 1 - 4. Испытания проводят в соответствии с 5.3.

Таблица 1 - Требования помехоустойчивости телевизоров при воздействии электромагнитного поля (0,15 - 150 МГц)

Полоса частот, МГц

Уровень, дБ (мкВ/м)

От 0,15 до 48,5,

125

за исключением полос частот:

 

от (ƒc - 1,5) до (ƒc + 1,5)

101

от (ƒs - 0,5) до (ƒs + 0,5)

101

от (ƒi - 2) до (ƒv + 2)

101

От 48,5 до 150

1091), 1252)

Канал настройки

70

1) При настройке телевизора на каналы в диапазонах I, II.

2) При настройке телевизора на каналы в диапазонах III, IV, V.

Примечание - fс - частоты цветных поднесущих; fs - разностная частота между несущими звука и изображения; fi - промежуточная частота звука; fv - промежуточная частота канала изображения

Таблица 2 - Требования помехоустойчивости видеомагнитофонов при воздействии электромагнитного поля (0,15 - 150 МГц)

Полоса частот, МГц

Уровень, дБ (мкВ/м)

От 0,15 до 48,5,

1251)

за исключением полос частот:

 

от(ƒc - 1,5)до(ƒc + 1,5)

1011)

от (ƒs - 0,5) до (ƒs + 0,5)

1011)

от (ƒi - 2) до (ƒv + 2)

1011)

От 48,5 до 150

1091, 2), 1251, 3)

Канал настройки

701)

От 0,15 до 2,5

1254)

От 2,5 до 4,2

1204)

От 4,25 до 6,25

1154)

От 6,25 до 10

1204)

От 10 до 150

1254)

1) При работе видеомагнитофона в режимах «Прием», «Запись».

2) При настройке видеомагнитофона на каналы в диапазонах I, II.

3) При настройке видеомагнитофона на каналы в диапазонах III, IV, V.

4) При работе видеомагнитофона в режиме «Воспроизведение»

Таблица 3 - Требования помехоустойчивости радиовещательных ЧМ приемников диапазонов УКВ-1 и УКВ-2 при воздействии электромагнитного поля (0,15 - 150 МГц)

Полоса частот, МГц

Уровень, дБ (мкВ/м)

От 0,15 до 150,

125

за исключением полос частот:

 

от (ƒi - 0,5) до (ƒi + 0,5)

101

от (ƒo - 0,5) до (ƒo + 0,5)

109

от (ƒim - 0,5) до (ƒim + 0,5)

109

От 68,5 до 74

1091)

От 100 до 108

1091)

1) Требования помехоустойчивости при воздействии электромагнитного поля в полосах частот 65,8 - 74 МГц и 100 - 108 МГц применяют для приемников, имеющих соответствующие диапазоны

Примечание - ƒi - промежуточная частота; ƒo - частота гетеродина; ƒim - зеркальная частота

Таблица 4 - Требования помехоустойчивости радиовещательных AM приемников и тюнеров, магнитофонов, усилителей сигналов звуковой частоты, электропроигрывателей и электрофонов при воздействии электромагнитного поля (0,15 - 150 МГц)

Полоса частот, МГц

Уровень, дБ (мкВ/м)

От 0,15 до 150 МГц

120

4.2.2 Требования помехоустойчивости при воздействии электромагнитного поля в полосе частот от 150 до 1000 МГц

Требования помехоустойчивости телевизоров и видеомагнитофонов при воздействии электромагнитного поля в полосе частот от 150 до 1000 МГц приведены в таблице 5. Испытания проводят в соответствии с 5.4. Требования помехоустойчивости радиовещательных приемников, магнитофонов, электропроигрывателей, электрофонов, усилителей сигналов звуковой частоты находятся на рассмотрении.

Таблица 5 - Требования помехоустойчивости телевизоров и видеомагнитофонов при воздействии электромагнитного поля (150 - 1000 МГц)

Полоса частот, МГц

Уровень, дБ (мкВ/м)

От 150 до 1000

1251), 1092)

Канал настройки

703)

1) При настройке телевизора и видеомагнитофона на каналы в диапазонах I, II, работе видеомагнитофона в режиме «Прием».

2) При настройке телевизора и видеомагнитофона на каналы в диапазонах III, IV, V, работе видеомагнитофона в режиме «Прием».

3) При настройке телевизора и видеомагнитофона на каналы в диапазоне III, работе видеомагнитофона в режиме «Прием».

4.2.3 Требования помехоустойчивости при воздействии наведенных радиочастотных токов в полосе частот от 0,15 до 150 МГц

Требования помехоустойчивости при воздействии наведенных радиочастотных токов в полосе частот от 0,15 до 150 МГц на цепи электропитания и антенные цепи оборудования приведены в таблицах 6 - 7. Требования помехоустойчивости при воздействии радиочастотных наведенных токов на другие цепи оборудования находятся на рассмотрении. Испытания проводят в соответствии с 5.5.

Таблица 6 - Требования помехоустойчивости телевизоров и радиовещательных приемников, видеомагнитофонов, магнитофонов, электропроигрывателей, электрофонов, усилителей сигналов звуковой частоты при воздействии наведенных высокочастотных токов (0,15 - 150 МГц) на цепи электропитания

Полоса частот, МГц

Уровень, дБ (мкВ)

От 0,15 до 150

1201)

1) При работе видеомагнитофона в режимах «Запись», «Воспроизведение»

Примечание - Требования не применяют:

- для телевизоров и видеомагнитофонов на частотах настройки и в полосах частот, обозначенных «за исключением» в таблице 1;

- для радиовещательных приемников в полосах частот, обозначенных «за исключением» в таблице 3

Таблица 7 - Требования помехоустойчивости телевизоров, радиовещательных приемников и видеомагнитофонов при воздействии наведенных высокочастотных токов на антенные цепи

Полоса частот, МГц

Уровень, дБ (мкВ)

От 26 до 30

1261)

1) При работе видеомагнитофона в режиме «Запись»

4.2.4 Требования помехоустойчивости при воздействии наведенных высокочастотных напряжений в полосе частот от 0,15 до 150 МГц

Требования помехоустойчивости телевизоров, радиовещательных приемников и видеомагнитофонов при воздействии наведенных высокочастотных напряжений в полосе частот от 0,15 до 150 МГц приведены в таблицах 8 - 9. Испытания проводят в соответствии с 5.6. Требования помехоустойчивости магнитофонов, электропроигрывателей, электрофонов, усилителей звуковой частоты находятся на рассмотрении.

Таблица 8 - Требования помехоустойчивости телевизоров, радиовещательных приемников и видеомагнитофонов при воздействии наведенных высокочастотных напряжений (0,15 - 150 МГц) на зажимы для подключения громкоговорителей и головных телефонов

Полоса частот, МГц

Уровень, дБ (мкВ)

От 0,15 до 30

1301)

От 30 до 100

1201)

От 100 до 150

120 - 1101), 2)

1) При работе видеомагнитофона в режимах «Запись», «Воспроизведение».

2) Уровень снижается линейно с логарифмом частоты

Примечание - Требования не применяют:

- для телевизоров и видеомагнитофонов на частотах настройки и в полосах частот, обозначенных «за исключением» в таблице 1;

- для радиовещательных ЧМ приемников в полосах частот, обозначенных «за исключением» в таблице 3

Таблица 9 - Требования помехоустойчивости телевизоров, радиовещательных приемников и видеомагнитофонов при воздействии наведенных высокочастотных напряжений (0,15 - 150 МГц) на входные и выходные зажимы тракта звуковой частоты (за исключением зажимов для подключения громкоговорителей и головных телефонов)

Полоса частот, МГц

Уровень, дБ (мкВ)

От 0,15 до 1,6

80 - 901), 2)

От 1,6 до 20

90 - 1201), 2)

От 20 до 100

1201)

От 100 до 150

120 - 1101), 3)

1) При работе видеомагнитофона в режимах «Запись», «Воспроизведение».

2) Уровень повышается линейно с логарифмом частоты.

3) Уровень снижается линейно с логарифмом частоты

Примечание - Требования не применяют:

- для телевизоров и видеомагнитофонов на частотах настройки и в полосах частот, обозначенных «за исключением» в таблице 1;

- для радиовещательных ЧМ приемников в полосах частот, обозначенных «за исключением» в таблице 3

4.2.5 Требования помехоустойчивости при воздействии магнитного поля в полосе частот от 0,02 до 30 кГц

Требования помехоустойчивости усилителей сигналов звуковой частоты, магнитофонов, электрофонов и электропроигрывателей при воздействии магнитного поля в полосе частот 0,02 - 30 кГц приведены в таблице 10. Испытания проводят в соответствии с 5.7.

Таблица 10 - Требования помехоустойчивости при воздействии магнитного поля в полосе частот 0,02 - 30 кГц

Полоса частот, МГц

Уровень, дБ (мкА/м)

От 0,02 до 30

1201), 1002)

1) Требование применяют для усилителей сигналов звуковой частоты.

2) Требование применяют для магнитофонов, электропроигрывателей и электрофонов

4.3 Внутренняя помехоустойчивость

Требования находятся на рассмотрении

4.4 Помехоустойчивость при воздействии электростатических разрядов, сетевых импульсных помех и динамических изменений напряжения электропитания

4.4.1 Критерии качества функционирования при воздействии электростатических разрядов, сетевых импульсных помех и динамических изменений напряжения электропитания приведены в таблице 11. Испытания проводят в соответствии с 5.9 - 5.12.

Таблица 11 - Критерии качества функционирования

Критерий качества функционирования оборудования при испытаниях на помехоустойчивость

Качество функционирования при испытаниях на помехоустойчивость

А

Нормальная работа оборудования во время и после прекращения воздействия помехи. Во время испытаний допускаются кратковременные незначительные искажения изображения и помехи в звуковом канале.

В

Во время испытаний допускаются кратковременные ухудшения изображения и помехи в звуковом канале, а также изменения показаний на индикаторах и дисплеях, имеющихся в составе оборудования. Изменения выполняемой оборудованием функции, установок органов управления, а также потеря информации, хранимой в памяти оборудования, не допускаются. После прекращения воздействия помехи нормальная работа оборудования восстанавливается без вмешательства пользователя.

4.4.2 Требования помехоустойчивости оборудования при воздействии электростатических разрядов, сетевых импульсных помех и динамических изменений напряжения электропитания приведены в таблице 12.

Таблица 12 - Требования помехоустойчивости при воздействии электростатических разрядов, сетевых импульсных помех и динамических изменений напряжения электропитания

Вид помехи

Степень жесткости испытаний

Уровень испытательного воздействия, единица измерения

Критерий качества функционирования

Электростатические разряды по ГОСТ Р 51317.4.2:

 

 

 

контактный разряд

2

4 кВ

В

воздушный разряд

6 кВ

Наносекундные импульсные помехи по ГОСТ Р 51317.4.4 в цепях электропитания

2

1 кВ

В

Микросекундные импульсные помехи большой энергии в цепях электропитания по ГОСТ Р 51317.4.5:

 

 

 

подача помехи по схеме «провод - земля»

2

1 кВ

В

подача помехи по схеме «провод - провод»1)

1

0,5 кВ

Динамические изменения напряжения электропитания по ГОСТ Р 51317.4.11:

 

 

 

провалы напряжения

2

70 % Uном, 25 периодов

А

прерывания напряжения

1

Менее 20 % Uном, 1 период

выбросы напряжения

2

120 % Uном, 25 периодов

1) Требование применяют для оборудования, подключаемого к двухпроводной однофазной сети электропитания

4.5 Эффективность экранирования входа телевизоров

Эффективность экранирования входа телевизора должна составлять не менее 50 дБ.

5 Методы испытаний

5.1 Общие положения

5.1.1 Испытания оборудования на помехоустойчивость, предусмотренные настоящим стандартом (далее в тексте - испытания), проводят:

- серийно выпускаемого оборудования - при периодических, типовых и сертификационных испытаниях;

- разрабатываемого и модернизируемого оборудования - при приемочных испытаниях;

- импортируемого оборудования - при сертификационных испытаниях.

5.1.2 При проведении испытаний должно быть выбрано расположение элементов оборудования, в том числе проводов электропитания и подключенных входных, выходных и вспомогательных кабелей, при котором испытуемое оборудование обладает наименьшей устойчивостью к помехе конкретного вида при соответствии типовым условиям применения и условиям проведения испытаний, установленным в 5.3 - 5.12.

5.1.3 Испытания оборудования, представляющего собой комплекс, состоящий из отдельных устройств, соединенных кабелями друг с другом, допускается проводить без испытаний всего комплекса на основе отдельных испытаний применительно к установленным в настоящем стандарте уровням испытательных воздействий.

5.1.4 Вспомогательное оборудование, функционально взаимодействующее с испытуемым оборудованием при проведении испытаний, допускается заменять имитаторами.

5.1.5 Многофункциональную бытовую радиоэлектронную аппаратуру испытывают при выполнении каждой ее функции с применением соответствующих методов испытаний, установленных в 5.3 - 5.9.

5.1.6 Если в эксплуатационной документации на оборудование установлена необходимость применения совместно с оборудованием внешних помехоподавляющих устройств или осуществления пользователем дополнительных мероприятий по обеспечению регламентированного уровня помехоустойчивости, испытания проводят с применением указанных помехоподавляющих устройств и при осуществлении мероприятий, которые должны проводиться пользователем.

5.1.7 Выполняемые функции и расположение элементов оборудования при проведении испытаний должны быть указаны в протоколе испытаний.

5.1.8 Для оборудования с универсальным питанием испытания проводят при питании от сети переменного тока.

5.1.9 Средства измерений, применяемые при проведении испытаний, должны быть проверены в соответствии с [1]. Испытательное оборудование должно быть аттестовано в соответствии с требованиями ГОСТ Р 8.568.

5.1.10 Вспомогательное оборудование, подключаемое к испытуемому оборудованию при испытаниях, цепи, подвергаемые испытаниям, и применяемые средства измерений и испытательное оборудование указывают:

- для опытных образцов - в программе испытаний;

- для серийных изделий - в технических условиях;

- при сертификации оборудования - в методике испытаний, разрабатываемой аккредитованной испытательной лабораторией.

5.1.11 Испытания проводят при номинальных значениях напряжения и частоты электропитания оборудования.

5.1.12 Испытания проводят при нормальных климатических условиях:

- температуре окружающего воздуха (25 ± 10) °С;

- относительной влажности воздуха 45 - 80 %;

- атмосферном давлении 84 - 106,7 кПа.

5.1.13 При проведении испытаний параметры внешних помех: напряженность радиочастотного электромагнитного поля, напряжение радиочастотных кондуктивных помех в сети электропитания и напряженность магнитного поля звуковой частоты - должны быть не менее чем на 10 дБ ниже нормируемых значений уровней соответствующих испытательных воздействий.

5.1.14 Отбор образцов оборудования при испытаниях проводят в соответствии с требованиями, указанными ниже:

- при испытаниях опытных изделий отбирают не менее трех образцов, если изготовлено более трех изделий, и все образцы, если изготовлено три и менее изделий;

- количество образцов, подвергаемых испытаниям в условиях серийного производства, устанавливают в технических условиях на оборудование конкретного типа или в программе испытаний;

- для сертификационных испытаний оборудования отбирают один образец; в обоснованных случаях по решению органа по сертификации число образцов может быть увеличено;

- ТС единичного выпуска (импорта) испытывают каждое в отдельности.

5.2 Средства измерений и испытательное оборудование

5.2.1 Генератор испытательных телевизионных сигналов

Генератор должен формировать несущую изображения, модулированную полным цветовым телевизионным сигналом цветных вертикальных полос номенклатуры 100/0/75/0, согласно требованиям для системы SEKAM/D, К, и несущую звукового сопровождения, модулированную по частоте синусоидальным сигналом 1 кГц с техническими характеристиками:

Амплитуда несущей изображения, дБ (мкВ), не менее........................... 74;

Амплитуда несущей звукового сопровождения, мВ, не менее............... 50;

Выходное сопротивление, Ом.................................................................... 75 ± 3

5.2.2 Генератор сигналов высокочастотный (ВЧ генератор) с техническими характеристиками:

Полоса частот, МГц.................................................................................... 0,15 - 150

Относительная нестабильность частоты, не более.................................. 2,5 ´ 10-4

Погрешность установки выходного напряжения, дБ, не более.............. 2

Коэффициент нелинейных искажений, % не более................................ 3

Должна обеспечиваться амплитудная модуляция выходного сигнала частотой 1 кГц при глубине модуляции не менее 80 % и внешняя частотная модуляция частотой 1 кГц при индексе модуляции не менее................................................................... 0,3.

5.2.3 Генератор испытательных сигналов с техническими характеристиками:

Полоса частот, МГц.................................................................................... 0,15 - 1000

Относительная нестабильность частоты, не более.................................. 2,5 ´ 10-4

Погрешность установки выходного напряжения, дБ, не более.............. 2

Коэффициент нелинейных искажений, %, не более............................... 3

Должна обеспечиваться амплитудная модуляция выходного сигнала частотой 1 кГц при глубине модуляции не менее 80 %.

5.2.4 Измеритель напряженности электромагнитного поля (измеритель индустриальных радиопомех с антенной по ГОСТ Р 51320).

5.2.5 Яркометр для измерения яркости основных цветов и белого цвета на экране телевизора с диапазоном измерения яркостей, 0 - 200 кд/м2.

5.2.6 Поглощающие клещи - по ГОСТ Р 51320.

5.2.7 Установка для создания испытательного электромагнитного поля (ТЕМ-камера) с техническими характеристиками:

Полоса частот, МГц.................................................................................... 0,15 - 150

Рабочий объем, м, не менее....................................................................... 0,5 ´ 0,5 ´ 0,7

Неравномерность напряженности поля в пределах рабочего объема, дБ, не более 3

Погрешность установки напряженности поля в рабочем объеме, дБ, не более   3

Примечания

1 Если размеры оборудования превышают допустимые размеры рабочего объема установки для создания испытательного электромагнитного поля, испытания допускается проводить в полосе частот от 0,15 до 80 МГц при соответствующем расширении полосы частот испытаний на измерительной площадке.

2 Сведения о конструкциях и порядок калибровки устройств для создания испытательного электромагнитного поля в полосе частот 0,15 - 150 кГц приведены в ГОСТ 30380/ГОСТ Р 50015, [2]. Методы аттестации генераторов электромагнитного поля с ТЕМ-камерами установлены в ГОСТ Р 51048.

5.2.8 Измерительная площадка для испытаний оборудования при воздействии электромагнитного поля в полосе частот от 150 до 1000 МГц.

Примечания

1 Измерительная площадка должна соответствовать требованиям ГОСТ Р 51320, [2].

2 Порядок калибровки измерительной площадки приведен в ГОСТ 30380/ ГОСТ Р 50015.

3 При проведении испытаний может быть использовано испытательное оборудование, удовлетворяющее требованиям ГОСТ Р 51317.4.3.

5.2.9 Излучающие антенны в полосе частот 150 - 1000 МГц.

Антенны должны быть симметричными и обеспечивать линейную поляризацию электромагнитного поля. Конструкция штатива должна обеспечивать плавное изменение высоты подвеса антенны в пределах от 0,1 до 3 м.

5.2.10 Установка для создания испытательного магнитного поля с техническими характеристиками:

Полоса частот, кГц...................................................................................... 0,02 - 30

Рабочий объем, м, не менее....................................................................... 0,5 ´ 0,5 ´ 0,7

Неравномерность напряженности поля в пределах рабочего объема, дБ, не более 3

Погрешность установки напряженности поля в рабочем объеме, дБ, не более 3

Примечание - При проведении испытаний может быть использовано испытательное оборудование, удовлетворяющее требованиям ГОСТ Р 50648, ГОСТ Р 51408, [3].

5.2.11 Оборудование для испытаний на устойчивость к электростатическим разрядам по ГОСТ Р 51317.4.2.

5.2.12 Оборудование для испытаний на устойчивость к наносекундным импульсным помехам по ГОСТ Р 51317.4.4.

5.2.13 Оборудование для испытаний на устойчивость к микросекундным импульсным помехам большой энергии по ГОСТ Р 51317.4.5.

5.2.14 Оборудование для испытаний на устойчивость к динамическим изменениям напряжения электропитания по ГОСТ Р 51317.4.11.

5.2.15 Вольтметр переменного тока с техническими характеристиками:

Полоса частот, кГц............................................................................................ 0,15 - 1000

Пределы измерения, В....................................................................................... 0,01 - 100

Основная погрешность измерения, %, не более ............................................ 4

5.2.16 Комплект устройств связи, включающий устройства связи типов А, М, L, Sw1, Sw2, Sr с техническими характеристиками:

Полоса частот, МГц........................................................................................... 0,15 - 150

Модуль полного общего несимметричного сопротивления на зажимах для подключения испытуемого оборудования в полосе частот от 0,15 до 110 МГц, Ом 150 ± 20

Фазовый угол полного сопротивления, град................................................... ± 20

Примечания

1 Сведения о конструкции и характеристиках устройств связи типов А, М, L, Swl, Sw2, Sr приведены в ГОСТ 30380/ГОСТ Р 50015, [2], [3].

2 Методы проверки характеристик устройств связи установлены в ГОСТ Р 51317.4.6.

5.2.17 Фильтр полосовой с полосой пропускания от 0,5 до 3 кГц с техническими характеристиками:

Вносимое затухание в полосе пропускания, дБ, не более............................. 0,5

Затухание на частотах 0,5; 3 кГц, дБ, не более............................................... 3

Затухание на частотах 0,1; 10 кГц, дБ, не менее............................................ 23

5.2.18 Комплект фильтров нижних частот (три фильтра) с частотой среза 30; 48,5; 150 МГц

Примечание - Фильтры применяют при необходимости для исключения влияния гармоник испытательного генератора в диапазоне промежуточных частот (30 МГц) и на частотах каналов настройки I, II диапазонов (48,5 МГц) и III диапазона (150 МГц).

5.2.19 Усилитель (усилители) мощности испытательного сигнала в полосе частот от 0,15 до 1000 МГц.

5.3 Испытания при воздействии электромагнитного поля в полосе частот от 0,15 до 150 МГц

5.3.1 Подготовка к проведению испытаний

Испытательное электромагнитное поле создают с помощью ТЕМ-камеры в соответствии с 5.2.8. Открытую ТЕМ-камеру располагают в помещении таким образом, чтобы расстояние между ее продольной стороной и стенами помещения, полом и другими объектами было не менее 0,8 м. При размещении открытой ТЕМ-камеры в экранированном помещении рекомендуется для уменьшения отражений от его стен размещать панели из радиопоглощающих материалов между ТЕМ-камерой и стенами помещения.

Испытуемое оборудование размещают в центре ТЕМ-камеры на подставке из изоляционного материала высотой 0,1 м. Сетевой провод и другие кабели, подключаемые к испытуемому оборудованию, пропускают через отверстия в нижней пластине камеры. Для уменьшения влияния испытательного электромагнитного поля на сетевые и сигнальные кабели, подключаемые к испытуемому оборудованию, длина указанных кабелей внутри камеры должна быть минимальной, кабели должны быть расположены перпендикулярно направлению вектора напряженности электрической составляющей поля и на кабели должны быть надеты ферритовые кольца с внутренним диаметром, близким к диаметру кабеля.

Неиспользуемые при проведении испытаний входные и выходные разъемы оборудования нагружают на экранированные согласованные сопротивления.

Для получения в ТЕМ-камере требуемого уровня напряженности испытательного электромагнитного поля на данной частоте Еисп дБ (мкВ/м) устанавливают на выходе ВЧ генератора напряжение U дБ (мкВ), определяемое по формуле

U = Eисп - Kкам,

где Kкам - коэффициент калибровки ТЕМ-камеры, дБ.

При испытаниях приемников со встроенными антеннами при отсутствии входных антенных зажимов напряжение на вход испытуемого оборудования подают путем создания в ТЕМ-камере электромагнитного поля на частоте настройки. Для этого ко входу ТЕМ-камеры через сумматор подключают одновременно генератор сигналов, подаваемых на приемник, и ВЧ генератор. Затухание сигналов в сумматоре должно быть учтено при установке напряженности испытательного поля в ТЕМ-камере. Уровень сигнала на частоте настройки приемника устанавливают как минимальное значение напряженности поля, при которой на выходе испытуемого приемника обеспечивается отношение сигнал/шум, предусмотренное в технической документации на приемник при измерении чувствительности, ограниченной шумами.

Схемы расположения оборудования при испытаниях на помехоустойчивость при воздействии электромагнитного поля в полосе частот от 0,15 до 150 МГц приведены на рисунках 1, 2.

5.3.2 Испытания усилителей сигналов звуковой частоты

Испытуемый усилитель звуковой частоты размещают в рабочем объеме ТЕМ-камеры в соответствии с рисунком 1. Структурная схема проведения испытаний должна соответствовать рисунку 3.

На вход усилителя звуковой частоты подают сигнал частотой 1000 Гц, уровень которого должен соответствовать номинальной чувствительности усилителя. Используя органы управления громкостью, устанавливают на выходе усилителя напряжение, соответствующее выходной мощности 50 мВт. Другие органы управления должны быть установлены в среднее положение. При испытании стереоусилителей сигнал подают в правый и левый каналы. Для усилителей звуковой частоты, не имеющих органов управления, отмечают уровень выходного напряжения. Для усилителей звуковой частоты с номинальной выходной мощностью менее 50 мВт может оказаться невозможной установка на выходе усилителя мощности 50 мВт. В этом случае на выходе усилителя устанавливают напряжение, соответствующее номинальному усилению, указанному в технической документации на усилитель. При испытаниях усилителей звуковой частоты, включающих звуковоспроизводящие устройства и не имеющих выходных разъемов, применяют микрофон, устанавливаемый в непосредственной близости к громкоговорителю.

После установки выходной мощности отключают генератор сигналов звуковой частоты и нагружают вход усилителя эквивалентом, имеющим сопротивление, равное входному сопротивлению испытуемого усилителя.

Испытания проводят при подаче на ТЕМ-камеру испытательных сигналов в полосе частот от 0,15 до 150 МГц, модулированных по амплитуде напряжением частотой 1000 Гц при глубине модуляции 80 %. Изменяя частоту испытательного электромагнитного поля, устанавливают частоты наибольшей восприимчивости усилителя звуковой частоты. На частотах наибольшей восприимчивости при значении напряженности поля, установленной в таблице 4, показания вольтметра, подключенного к выходу усилителя, не должны превышать минус 40 дБ относительно напряжения, соответствующего выходной мощности 50 мВт.

5.3.3 Испытания электропроигрывателей и электрофонов

Испытуемый электропроигрыватель (электрофон) размещают в рабочем объеме ТЕМ-камеры в соответствии с рисунком 1. Структурная схема проведения испытаний должна соответствовать рисункам 4, 5.

На электропроигрыватель (электрофон) устанавливают измерительную пластину. Используя органы управления громкостью, устанавливают на выходе электрофона напряжение, соответствующее выходной мощности 50 мВт. На выходе электропроигрывателя отмечают уровень выходного напряжения.

Примечание - Если электропроигрыватель не имеет встроенного предварительного усилителя, используют стандартный предварительный усилитель, представляемый для испытаний предприятием-изготовителем электропроигрывателей.

Не останавливая вращения диска, поднимают тонарм над пластинкой с помощью микролифта. Проводят испытания при воздействии электромагнитного поля в полосе частот от 0,15 до 150 МГц в соответствии с методикой, приведенной в 5.3.2.

Рисунок 1 - Схема расположения оборудования при воздействии электромагнитного поля в полосе частот от 0,15 до 150 МГц

Рисунок 2 - Схема расположения оборудования со встроенной антенной, не имеющего входных антенных зажимов, при воздействии электромагнитного поля в полосе частот от 0,15 до 150 МГц

1 - генератор сигналов звуковой частоты; 2 - испытуемый усилитель звуковой частоты; 3 - громкоговоритель или эквивалент нагрузки; 4 - полосовой фильтр; 5 - вольтметр переменного тока

Рисунок 3 - Структурная схема проведения испытаний усилителя звуковой частоты при воздействии электромагнитного поля в полосе частот от 0,15 до 150 МГц

1 - испытуемый электрофон; 2 - полосовой фильтр; 3 - громкоговоритель или эквивалент нагрузки; 4 - вольтметр переменного тока

Рисунок 4 - Структурная схема проведения испытаний электрофона при воздействии электромагнитного поля в полосе частот от 0,15 до 150 МГц

1 - испытуемый электропроигрыватель; 2 - предварительный усилитель (при испытаниях электропроигрывателя без встроенного предварительного усилителя); 3 - эквивалент нагрузки; 4 - полосовой фильтр; 5 - вольтметр переменного тока

Рисунок 5 - Структурная схема проведения испытаний электропроигрывателя при воздействии электромагнитного поля в полосе частот от 0,15 до 150 МГц

1 - генератор сигналов звуковой частоты; 2 - испытуемый магнитофон; 3 - эквивалент нагрузки; 4 - полосовой фильтр; 5 - вольтметр переменного тока

Рисунок 6 - Структурная схема проведения испытаний магнитофона при воздействии электромагнитного поля в полосе частот от 0,15 до 150 МГц

5.3.4 Испытания магнитофонов

Испытуемый магнитофон размещают в рабочем объеме ТЕМ-камеры в соответствии с рисунком 1. Структурная схема проведения испытаний должна соответствовать рисунку 6.

Предварительную регулировку испытуемого магнитофона проводят в следующем порядке.

На магнитофон, имеющий органы управления уровнем записи, устанавливают измерительную ленту с записью сигнала частотой 1000 Гц. В режиме воспроизведения, используя органы управления громкостью, устанавливают уровень выходного напряжения, соответствующий выходной мощности 50 мВт. Затем устанавливают на магнитофон магнитную ленту типа, указанного в технической документации на магнитофон. На вход магнитофона, предназначенный для записи сигнала при уровне 250 - 500 мВ, подают напряжение указанного уровня частотой 1000 Гц. Производят запись сигнала при уровне записи, изменяемом ступенями таким образом, чтобы запись при каждом уровне производилась в течение фиксированного времени (например, 15 с) и число ступеней составляло 5 - 10. При этом отмечают положения органов управления уровнем записи. Включают магнитофон в режиме воспроизведения и по интервалу времени определяют, при каком положении органов управления уровнем записи выходная мощность магнитофона составляет 50 мВт. Органы управления уровнем записи устанавливают в указанное положение.

На магнитофон, не имеющий органов управления уровнем записи, устанавливают магнитную ленту типа, указанного в технической документации на магнитофон. На вход магнитофона, предназначенный для записи сигнала при уровне 250 - 500 мВ, подают напряжение указанного уровня частотой 1000 Гц и производят запись в течение 1 - 2 мин. Воспроизводят сделанную запись и, используя органы управления громкостью, устанавливают выходное напряжение, соответствующее выходной мощности 50 мВт.

После проведения указанной предварительной регулировки отключают генератор сигналов звуковой частоты и нагружают вход магнитофона эквивалентом, имеющим сопротивление, равное входному сопротивлению испытуемого магнитофона.

Испытания проводят при подаче на ТЕМ-камеру испытательных сигналов в полосе частот от 0,15 до 150 МГц, модулированных по амплитуде напряжением частотой 1000 Гц при глубине модуляции 80 %. Испытуемый магнитофон включают в режиме записи при сохранении ранее установленных положений органов управления. При записи осуществляют изменение частоты испытательного электромагнитного поля (выбирая не менее трех частот на декаду). На каждой частоте испытаний производят запись в течение фиксированного интервала времени. Затем включают магнитофон в режиме воспроизведения и по показаниям вольтметра на выходе магнитофона определяют частоты наибольшей восприимчивости к воздействию электромагнитного поля.

На каждой из указанных частот осуществляют оценку помехоустойчивости магнитофона с использованием следующей процедуры. Включают магнитофон в режиме записи и производят запись, изменяя выходное напряжение генератора испытательных сигналов ступенями через 1 дБ. Запись при каждом уровне производят в течение фиксированного интервала времени. Количество уровней испытательного сигнала должно быть не менее 20. Затем включают магнитофон в режиме воспроизведения и определяют значения напряженности испытательного поля, при котором показания вольтметра переменного тока, подключенного к выходу магнитофона, составляют минус 40 дБ относительно напряжения, соответствующего выходной мощности 50 мВт. Указанные значения должны превышать уровень, установленный в таблице 4.

5.3.5 Испытания видеомагнитофонов

Испытания видеомагнитофонов проводят в соответствии с методами, установленными в ГОСТ 30380/ГОСТ Р 50015.

5.3.6 Испытания радиовещательных AM приемников

Испытуемый радиовещательный AM приемник размещают в рабочем объеме ТЕМ-камеры в соответствии с рисунком 1 (при испытаниях приемника со встроенной антенной, не имеющего антенных зажимов, - в соответствии с рисунком 2). Структурная схема проведения испытаний должна соответствовать рисунку 7.

Настраивают приемник и ВЧ генератор на среднюю частоту диапазона средних волн. Уровень сигнала на выходе ВЧ генератора устанавливают равным 46 дБ (мкВ) и вводят амплитудную модуляцию сигнала напряжением частотой 1000 Гц при глубине модуляции 30 %. Используя органы управления громкостью, устанавливают на выходе приемника напряжение, соответствующее выходной мощности 50 мВт. После указанной регулировки выключают амплитудную модуляцию ВЧ генератора, сохраняя уровень несущей, подаваемой на вход приемника.

Подают от генератора испытательных сигналов немодулированное напряжение на вход ТЕМ-камеры и, изменяя частоту генератора в полосе частот от 0,15 до 150 МГц, определяют частоты наибольшей восприимчивости испытуемого приемника по показаниям вольтметра на выходе.

Проверку соответствия радиовещательного AM приемника требованиям настоящего стандарта проводят при амплитудной модуляции испытательного сигнала напряжением частотой 1000 Гц при глубине модуляции 80 %. На частотах наибольшей восприимчивости при значении напряженности поля, установленной в таблице 4, показания вольтметра, подключенного к выходу радиовещательного AM приемника, не должны превышать минус 26 дБ относительно напряжения, соответствующего выходной мощности 50 мВт.

5.3.7 Испытания радиовещательных ЧМ приемников

Испытуемый радиовещательный ЧМ приемник размещают в рабочем объеме ТЕМ-камеры в соответствии с рисунком 1 (при испытаниях приемника со встроенной антенной, не имеющего антенных зажимов, - в соответствии с рисунком 2). Структурная схема проведения испытаний должна соответствовать рисунку 7.

1 - ВЧ генератор; 2 - генератор сигналов звуковой частоты, служащий источником модулирующего сигнала; 3 - стандартный эквивалент антенны; 4 - испытуемый радиовещательный приемник; 5 - громкоговоритель; 6 - полосовой фильтр; 7 - вольтметр переменного тока

Рисунок 7 - Структурная схема проведения испытаний радиовещательного приемника при воздействии электромагнитного поля в полосе частот от 0,15 до 150 МГц

Настраивают приемник и ВЧ генератор на среднюю частоту диапазона ультракоротких волн. Уровень сигнала на выходе ВЧ генератора устанавливают равным 46 дБ (мкВ) и вводят частотную модуляцию сигнала напряжением частотой 1000 Гц при девиации частоты 30 кГц. Используя органы управления громкостью, устанавливают на выходе приемника напряжение, соответствующее выходной мощности 50 мВт. После указанной регулировки выключают частотную модуляцию ВЧ генератора, сохраняя уровень несущей, подаваемой на вход приемника.

Подают от генератора испытательных сигналов немодулированное напряжение на вход ТЕМ-камеры и, изменяя частоту генератора в полосе частот от 0,15 до 150 МГц, определяют частоты наибольшей восприимчивости испытуемого приемника по показаниям вольтметра на выходе.

Проверку соответствия радиовещательного ЧМ приемника требованиям настоящего стандарта проводят при амплитудной модуляции испытательного сигнала напряжением частотой 1000 Гц при глубине модуляции 80 %. На частотах наибольшей восприимчивости при значениях напряженности поля, установленных в таблице 3, показания вольтметра, подключенного к выходу радиовещательного ЧМ приемника, не должны превышать минус 40 дБ относительно напряжения, соответствующего выходной мощности 50 мВт.

5.3.8 Испытания телевизоров

Испытуемый телевизор размещают в рабочем объеме ТЕМ-камеры в соответствии с рисунком 1 (при испытаниях телевизора со встроенной антенной, не имеющего антенных зажимов, - в соответствии с рисунком 2). Структурная схема проведения испытаний должна соответствовать рисунку 8.

1 - генератор телевизионных испытательных сигналов; 2 - генератор сигналов звуковой частоты, служащий источником модулирующего сигнала для несущей звука; 3 - испытуемый телевизионный приемник

Рисунок 8 - Структурная схема проведения испытаний телевизора при воздействии электромагнитного поля в полосе частот от 0,15 до 150 МГц

Испытания телевизора проводят на одном из каналов в каждом телевизионном диапазоне. Рекомендуется проводить испытания при настройке телевизора на следующие каналы телевизионного вещания:

- в диапазоне I - канал 2;

- в диапазоне II - канал 5;

- в диапазоне III - канал 10;

- в диапазоне IV - канал 25;

- в диапазоне V - канал 55.

Допускается проводить испытания на других каналах телевизионного диапазона, если рекомендуемые каналы используются для вещания в данном регионе. Если телевизор снабжен селектором каналов с диапазоном частот кабельного телевидения, то испытания также проводят при настройке на один из каналов в каждом диапазоне кабельного телевизионного вещания.

На антенный вход телевизора от генератора телевизионных испытательных сигналов подают сигнал - несущую изображения телевизионного канала, модулированную сигналом цветных вертикальных полос номенклатуры 100/0/75/0, с уровнем несущей 70 дБ (мкВ) для каналов метрового диапазона и 74 дБ (мкВ) для каналов дециметрового диапазона. Несущая звукового сопровождения модулируется по частоте синусоидальным сигналом частотой 1000 Гц при индексе модуляции 0,3.

Для получения стандартного качества изображения устанавливают органы управления яркостью, контрастностью и цветовой насыщенностью таким образом, чтобы получить следующие значения яркости изображения:

- черная полоса - 2 кд/м2;

- пурпурная полоса - 30 кд/м2;

- белая полоса - 80 кд/м2.

Примечание - Если указанные значения яркостей полос нельзя получить при испытаниях телевизора конкретного типа, то устанавливают ближайшие к ним значения и отмечают это в протоколе испытаний

Включают генератор испытательных сигналов и устанавливают его частоту на 1 МГц выше несущей изображения канала настройки. Устанавливают амплитудную модуляцию сигнала напряжением частотой 1000 Гц при глубине модуляции 80 %. Производят точную настройку генератора испытательных сигналов по максимальным искажениям изображения на экране телевизионного приемника. Наиболее заметные искажения наблюдаются при этом в виде дополнительных линий под углом 45° к горизонтали. Наблюдение за экраном телевизора осуществляют с расстояния, равного шести высотам экрана.

Выходной уровень генератора испытательных сигналов устанавливают таким образом, чтобы искажения на экране были едва заметны. Соответствующее значение напряженности испытательного электромагнитного поля должно быть больше уровня, установленного для канала настройки телевизора в таблице 1.

Изменяя частоту генератора испытательных сигналов в полосе от 0,15 до 150 МГц, устанавливают частоты наибольшей восприимчивости телевизора, включая промежуточные частоты и частоты звуковых поднесущих. На каждой частоте наибольшей восприимчивости производят оценку соответствия испытуемого телевизора требованиям, установленным в таблице 1.

Испытания телевизоров при воздействии электромагнитного поля в полосе частот от 0,15 до 150 МГц рекомендуется проводить в несколько этапов, причем в отдельных полосах частот необходимо применять фильтры нижних частот в соответствии с 5.2.17, включаемые на выходе генератора испытательных сигналов для ослабления гармоник, частоты которых могут совпадать с промежуточной частотой и частотами каналов настройки телевизора. Рекомендуется также применять канальные фильтры на выходе генератора телевизионных испытательных сигналов.

Испытания телевизоров по каналу звука проводят в соответствии с методикой, установленной в 5.3.7, в полосе частот от 0,15 до 150 МГц. Напряжение, соответствующее выходной мощности 50 мВт, устанавливают на зажимах телевизора, предназначенных для подключения головных телефонов.

5.4 Испытания при воздействии электромагнитного поля в полосе частот от 150 до 1000 МГц

5.4.1 Подготовка к проведению испытаний

Испытательное электромагнитное поле создают на измерительной площадке по 5.2.8 с помощью излучающих антенн в соответствии с 5.2.9. Испытания проводят при горизонтальной поляризации испытательного поля. Схема расположения оборудования при испытаниях на помехоустойчивость при воздействии электромагнитного поля в полосе частот от 150 до 1000 МГц приведена на рисунках 9, 10. Испытуемое оборудование размещают над пластиной заземления на столе из изоляционного материала высотой 0,8 м. Рекомендуемые размеры пластины заземления составляют 6 ´ 9 м. При испытаниях телевизора его размещают таким образом, чтобы ось кинескопа была перпендикулярна направлению на излучающую антенну, а боковая стенка, ближайшая к селектору каналов, была обращена в сторону антенны. Излучающую антенну располагают на расстоянии 3 м от вертикальной оси испытуемого оборудования. Сетевой провод (провода) оборудования опускают вертикально вниз и подключают к устройству (устройствам) связи типа М в соответствии с 5.2.16, который используют в качестве сетевого фильтра. Излишек длины сетевого провода плотно скручивают у его нижнего конца. Коаксиальный кабель, подключаемый к антенному входу оборудования, также опускают вертикально вниз и далее прокладывают горизонтально к генератору телевизионных испытательных сигналов (при испытаниях телевизоров и видеомагнитофонов) или к генератору испытательных сигналов (при испытаниях радиовещательных ЧМ приемников), который размещают за излучающей антенной.

1 - генератор сигналов; 2 - генератор звуковых сигналов; 3 - генератор испытательных сигналов; 4 - усилитель мощности; 5 - коаксиальный кабель; 6 - симметрирующее устройство; 7 - излучающая антенна; 8 - испытуемое оборудование; 9 - устройство связи типа М; 10 - к сети электропитания

Рисунок 9 - Схема расположения оборудования на измерительной площадке (вид сбоку)

Рисунок 10 - Схема расположения оборудования на измерительной площадке (вид сверху)

Величину напряженности испытательного электромагнитного поля на данной частоте Еисп в дБ (мкВ/м) при проведении испытаний устанавливают по формуле

Eисп = U + Kпл,

где U - напряжение генератора сигналов, дБ (мкВ);

Kпл - коэффициент калибровки измерительной площадки, дБ.

Примечание - Максимальная напряженность электромагнитного поля в месте расположения испытуемого оборудования обеспечивается при высоте подвеса антенны около 0,75 λ, где λ, - длина волны электромагнитного поля на частоте испытаний.

5.4.2 Испытания радиовещательных ЧМ приемников

Структурная схема проведения испытаний должна соответствовать рисунку 7.

Производят настройку приемника и генератора испытательных сигналов в соответствии с методикой, приведенной в 5.3.7. Перестраивая генератор испытательных сигналов в полосе частот от 150 до 1000 МГц и устанавливая излучающую антенну на высоте около 0,75 λ определяют по показаниям вольтметра частоты наибольшей восприимчивости приемника. На каждой из частот наибольшей восприимчивости производят точную настройку генератора испытательных сигналов таким образом, чтобы получить на выходе приемника нулевые биения. Контроль нулевых биений осуществляют по показаниям вольтметра и на слух.

Для оценки помехоустойчивости испытуемого приемника устанавливают на генераторе испытательных сигналов амплитудную модуляцию напряжением частотой 1000 Гц при глубине модуляции 80 %. Изменяют высоту подвеса излучающей антенны для получения максимальных показаний вольтметра. На каждой из частот наибольшей восприимчивости производят оценку соответствия испытуемого радиовещательного ЧМ приемника установленным требованиям помехоустойчивости.

5.4.3 Испытания видеомагнитофонов

Испытания видеомагнитофонов проводят в соответствии с методами, установленными в ГОСТ 30380/ГОСТ Р 50015.

5.4.4 Испытания телевизоров

Структурная схема проведения испытаний должна соответствовать рисунку 8.

Производят настройку в соответствии с методикой, приведенной в 5.3.8. Устанавливают на генераторе испытательных сигналов амплитудную модуляцию напряжением частотой 1000 Гц при глубине модуляции 80 %. Перестраивая генератор испытательных сигналов в полосе частот от 150 до 1000 МГц и изменяя высоту подвеса антенны, определяют частоты наибольшей восприимчивости по искажениям изображения на экране телевизора. На каждой из частот наибольшей восприимчивости производят настройку генератора испытательных сигналов и изменение высоты излучающей антенны для получения максимальных искажений на экране телевизора в виде дополнительных линий под углом 45° к горизонтали, после чего производят оценку соответствия испытуемого телевизора требованиям помехоустойчивости, установленным в таблице 5.

5.5 Испытания при воздействии наведенных радиочастотных токов в полосе частот от 0,15 до 150 МГц

5.5.1 Основные положения

Радиочастотное электромагнитное поле воздействует на проводники, подключенные к оборудованию. Наведенные в указанных проводниках радиочастотные токи могут нарушить нормальное функционирование оборудования. В соответствии с методом испытаний, установленным в настоящем стандарте, для имитации воздействия наведенных радиочастотных токов используют генератор испытательных сигналов, подключаемый к входным и выходным зажимам испытуемого оборудования через устройства связи типов А, М, L, Sw1, Sw2, Sr в соответствии с 5.2.16.

Обобщенная схема испытаний оборудования при воздействии наведенных радиочастотных токов приведена на рисунке 11.

1 - генератор сигналов (вспомогательное оборудование); 2 - проводник, подключенный к испытуемому оборудованию; 3 - устройство связи; 4 - конденсатор развязки; 5 - дроссель развязки; 6 - конденсатор связи; 7 - испытуемое оборудование; 8 - проводники, не подвергаемые испытаниям; 9 - генератор испытательных сигналов

Рисунок 11 - Испытания при воздействии наведенных радиочастотных токов

При испытаниях применяют следующие устройства связи:

- тип А - для ввода тока помехи в коаксиальные кабели, по которым к испытуемому оборудованию подается радиочастотный сигнал;

- тип М для ввода тока помехи в провода электропитания;

- тип L - для ввода тока помехи в провода подключения громкоговорителей;

- тип Sw1 - для ввода тока помехи в многопроводные кабели звуковых сигналов при необходимости подачи к испытуемому оборудованию сигналов по этим кабелям;

- тип Sw2 - для ввода тока помехи в многопроводные кабели звуковых, видеосигналов и сигналов управления при необходимости подачи к испытуемому оборудованию сигналов по этим кабелям;

- тип Sr - для ввода тока помехи в многопроводные кабели звуковых сигналов, когда не требуется подачи к испытуемому оборудованию сигналов по этим проводам.

5.5.2 Подготовка к проведению испытаний

Испытуемое оборудование размещают на изоляционной подставке высотой 0,1 м в центре пластины заземления размерами 1 ´ 2 м. Применяемые при испытаниях устройства связи устанавливают на пластине заземления на расстоянии не более 0,3 м от испытуемого оборудования. Максимальное число устройств связи, одновременно подключаемых к испытуемому оборудованию, не должно превышать шести. Если испытуемое оборудование имеет более шести отдельных зажимов, устройства связи необходимо применять для следующих зажимов (при их наличии): входа высокочастотного сигнала; сети электропитания; зажимов для подключения громкоговорителей; наиболее чувствительных входов сигналов звуковой частоты; наиболее чувствительных входов аудиосигналов. Длина кабелей, с помощью которых устройства связи подключают к испытуемому оборудованию, должна составлять не более 0,3 м. Провода, входящие в комплект испытуемого оборудования, длина которых превышает 0,3 м (например, провода электропитания), должны быть свернуты таким образом, чтобы их длина не превышала 0,3 м. Провода и кабели, подключенные к испытуемому оборудованию, должны быть расположены на высоте 0,03 м над пластиной заземления. Зажим заземления испытуемого оборудования соединяют с пластиной заземления через резистор сопротивлением 150 Ом. Зажимы заземления устройств связи соединяют с пластиной заземления проводником сечением не менее 3 мм2 и длиной не более 0,2 м. Пластину заземления соединяют с шиной защитного заземления проводником сечением не менее 3 мм2 и длиной не более 1 м.

При необходимости увеличения уровня испытательных сигналов используют широкополосный усилитель, на выходе которого включают аттенюатор, обеспечивающий согласованную нагрузку 50 Ом.

Структурная схема проведения испытаний при воздействии на оборудование наведенных радиочастотных токов (на примере схемы испытаний телевизора) приведена на рисунке 12.

5.5.3 Проведение испытаний

При проведении испытаний вначале производят регулировку испытуемого оборудования (настройку на установленные частоты, установку уровней входных радиочастотных и звуковых сигналов, установку органов управления). Затем генератор испытательных сигналов последовательно подключают к каждому из устройств связи. При этом разъемы для подачи испытательных сигналов тех устройств связи, которое не используют при испытаниях, соединяют с пластиной заземления через резисторы сопротивлением 50 Ом (см. рисунок 12). От генератора испытательных сигналов подают на испытуемое оборудование сигналы, модулированные по амплитуде напряжением частотой 1000 Гц при глубине модуляции 80 %. Изменяя частоту генератора испытательных сигналов в полосе от 0,15 до 150 МГц, проводят оценку помехоустойчивости испытуемого оборудования при воздействии наведенных радиочастотных токов в полосе частот от 0,15 до 150 МГц.

Предварительную регулировку испытуемого оборудования и оценку помехоустойчивости при воздействии наведенных радиочастотных токов в полосе частот от 0,15 до 150 МГц осуществляют в соответствии с требованиями, установленными: для усилителей звуковой частоты - в 5.3.2; для электрофонов и электропроигрывателей - в 5.3.3; для магнитофонов - в 5.3.4; для видеомагнитофонов - в ГОСТ 30380/ГОСТ Р 50015; для радиовещательных AM приемников - в 5.3.6; для радиовещательных ЧМ приемников - в 5.3.7; для телевизоров - в 5.3.8. При этом учитывают, что напряжение испытательных сигналов, измеренное на выходных зажимах аттенюатора измерительным прибором с входным сопротивлением 50 Ом, составляет половину напряжения холостого хода испытательного генератора, применительно к которому установлены требования помехоустойчивости в таблицах 6, 7.

1 - пластина заземления; 2 - испытуемый телевизор; 3 - провод электропитания; 4 - провод подключения громкоговорителя; 5 - кабель блока дистанционного управления; 6 - кабель для передачи звуковых сигналов; 7 - антенный кабель; 8 - устройства связи; 9 - резистор сопротивлением 50 Ом; 10 - к сети электропитания; 11 - громкоговоритель; 12 - полосовой фильтр; 13 - вольтметр переменного тока; 14 - аттенюатор; 15 - фильтр нижних частот; 16 - усилитель мощности (при необходимости); 17 - аттенюатор; 18 - переключатель; 19 - генератор испытательных сигналов; 20 - генератор звуковых частот; 21 - генератор телевизионных испытательных сигналов; 22 - канальный фильтр; 23 - аттенюатор

Рисунок 12 - Структурная схема проведения испытаний оборудования при воздействии наведенных радиочастотных токов

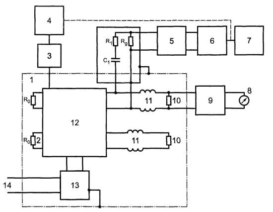
5.6 Испытания при воздействии наведенных радиочастотных напряжений в полосе частот от 0,15 до 150 МГц

5.6.1 Общие положения

Воздействие радиочастотных напряжений, наведенных электромагнитными полями, на входные и выходные зажимы звуковых трактов оборудования может при нелинейности тракта вызвать появление помех на выходе оборудования. Для проверки помехоустойчивости при воздействии наведенных радиочастотных напряжений испытательный сигнал подают непосредственно на зажимы оборудования через RC-цепи. Структурные схемы проведения испытаний оборудования при воздействии наведенных радиочастотных напряжений в полосе частот от 0,15 до 150 МГц на входные и выходные зажимы звукового тракта приведены на рисунках 13, 14.

5.6.2 Подготовка к испытаниям

Испытуемое оборудование размещают на изоляционной подставке высотой 0,1 м в центре пластины заземления размерами 1 ´ 2 м. Сетевой провод оборудования сворачивают в плотный жгут таким образом, чтобы его длина не превышала 0,3 м и подключают к устройству связи типа М в соответствии с 5.2.16, который используют в качестве сетевого фильтра. Испытательный сигнал подают к входным и выходным зажимам оборудования с помощью коаксиального кабеля. Экран коаксиального кабеля должен быть подсоединен к пластине заземления возможно ближе к зажимам RC-цепи. Неиспользуемые в процессе испытаний входные (выходные) зажимы оборудования нагружают на соответствующие экранированные эквивалентные сопротивления, которые подключают через высокочастотные дроссели индуктивностью 100 мкГн, имеющие высокое полное сопротивление в полосе частот от 0,15 до 150 МГц. Для исключения влияния составляющих звуковых частот, которые могут присутствовать на выходе генератора испытательных сигналов, применяют выходной фильтр верхних частот с частотой среза 100 кГц.

5.6.3 Проведение испытаний

Вначале производят регулировку звукового тракта испытуемого оборудования для получения, на выходе напряжения, соответствующего мощности 50 мВт на частоте 1000 Гц.

Для усилителей звуковой частоты, электрофонов, электропроигрывателей и магнитофонов указанную регулировку проводят в соответствии с 5.3.2 - 5.3.5, для радиовещательных AM приемников - в соответствии с 5.3.6, для радиовещательных ЧМ приемников и телевизоров - в соответствии с 5.3.7.

Испытания проводят при подаче на оборудование испытательных сигналов, модулированных по амплитуде напряжением частотой 1000 Гц при глубине модуляции 80 %. Изменяя частоту генератора испытательных сигналов в полосе частот от 0,15 до 150 МГц, определяют частоты наибольшей восприимчивости по показаниям вольтметра на выходе испытуемого оборудования. На каждой из указанных частот определяют напряжение холостого хода испытательного генератора, при котором показания вольтметра на выходе испытуемого оборудования составляют минус 26 дБ относительно напряжения, соответствующего выходной мощности 50 мВт для звуковых трактов радиовещательных AM приемников и минус 40 дБ относительно напряжения, соответствующего выходной мощности 50 мВт для звуковых трактов оборудования остальных видов. Указанное напряжение должно превышать уровень, установленный в таблицах 8, 9. При этом учитывают, что напряжение испытательных сигналов, измеренное на выходных зажимах аттенюатора измерительным прибором с входным сопротивлением 50 Ом, составляет половину напряжения холостого хода испытательного генератора, применительно к которому установлены требования помехоустойчивости в таблицах 8, 9.

1 - генератор звуковых частот; 2 - ВЧ генератор; 3 - фильтр верхних частот; 4 - ВЧ генератор (при испытаниях радиовещательных приемников), генератор телевизионных испытательных сигналов (при испытаниях телевизоров); 5 - цепь развязки; 6 - антенные зажимы; 7 - входной зажим звукового тракта; 8 - испытуемое оборудование; 9 - дроссель индуктивностью 100 мкГн; 10 - резистор сопротивлением, равным сопротивлению громкоговорителя; 11 - полосовой фильтр; 12 - вольтметр переменного тока; 13 - пластина заземления; 14 - устройство связи типа М; 15 - к сети электропитания;

Rg = 51 Ом; С1 = 470 пФ; R1 = 75 Ом

Примечание - Значение сопротивления резистора Ro устанавливают равным: 2,2 кОм (для зажимов подключения магнитного звукоснимателя), 470 кОм (для зажимов подключения пьезоэлектрического звукоснимателя), 600 Ом (для зажимов подключения микрофона), 47 кОм (для зажимов подключения тюнера), 47 кОм (для зажимов подключения магнитофона)

Рисунок 13 - Структурная схема проведения испытаний оборудования при воздействии наведенных радиочастотных напряжений на входные зажимы звукового тракта

1 - пластина заземления; 2 - входной зажим звукового тракта; 3 - цепь развязки; 4 - ВЧ генератор (при испытаниях радиовещательных приемников), генератор телевизионных испытательных сигналов (при испытаниях телевизоров); 5 - фильтр верхних частот; 6 - ВЧ генератор; 7 - генератор звуковых частот; 8 - вольтметр переменного тока; 9 - полосовой фильтр; 10 - резистор сопротивлением, равным сопротивлению громкоговорителя; 11 - дроссель индуктивностью 100 мкГн; 12 - испытуемое оборудование; 13 - устройство связи типа М; 14 - к сети электропитания

Примечание - Значения сопротивлений Rg R0, R1, емкости конденсатора С1 - в соответствии с рисунком 13

Рисунок 14 - Структурная схема проведения испытаний оборудования при воздействии наведенных радиочастотных напряжений на зажимы громкоговорителя (см. рисунок 13)

5.7 Испытания при воздействии магнитного поля в полосе частот от 0,02 до 30 кГц

Испытуемое оборудование устанавливают в рабочем объеме установки для создания испытательного магнитного поля на подставке из изоляционного материала таким образом, чтобы геометрический центр испытуемого оборудования совпадал с геометрическим центром рабочего объема установки. Испытания проводят последовательно при трех направлениях испытательного магнитного поля. Вначале производят регулировку испытуемого оборудования (установку уровней входных звуковых сигналов, установку органов управления) для получения на выходе напряжения, соответствующего мощности 50 мВт на частоте 1000 Гц. Регулировку усилителей сигналов звуковой частоты, электрофонов, электропроигрывателей, магнитофонов проводят в соответствии с 5.3.2 - 5.3.4. Изменяя частоту испытательного магнитного поля в полосе частот от 0,02 до 30 кГц от 20 Гц до 30 кГц, проводят поиск частот наибольшей восприимчивости испытуемого оборудования по показаниям вольтметра на его выходе. Для трех направлений испытательного магнитного поля на частотах наибольшей восприимчивости при значении напряженности поля, установленной в таблице 10, показания вольтметра, подключенного к выходу испытуемого оборудования, не должны превышать минус 40 дБ относительно напряжения, соответствующего выходной мощности 50 мВт.

5.8 Испытания на внутреннюю помехоустойчивость

Методы испытаний находятся на рассмотрении.

5.9 Испытания при воздействии электростатических разрядов

Испытания проводят в соответствии с методами, установленными в ГОСТ Р 51317.4.2, при последовательном выполнении испытуемым оборудованием функций, предусмотренных в технической документации на оборудование.

Испытания усилителей звуковой частоты проводят при подаче на вход усилителя сигнала частоты 1000 Гц, установке органов управления в среднее положение и подключенном громкоговорителе. При испытаниях стереоусилителей сигналы подают на оба канала.

Испытания электрофонов и электропроигрывателей проводят с применением измерительной пластинки с записью сигнала частотой 1000 Гц при установке органов управления в среднее положение. При отсутствии в электропроигрывателе встроенного предварительного усилителя используют усилитель и громкоговоритель, представленные изготовителем оборудования.

Испытания магнитофонов в режиме воспроизведения проводят с применением измерительной ленты с записью сигнала частотой 1000 Гц, в режиме записи - при подаче на вход сигнала с частотой 1000 Гц.

Испытания видеомагнитофонов в режиме воспроизведения проводят с применением контрольной видеограммы, записанной от генератора телевизионных испытательных сигналов. При испытаниях в режиме записи рекомендуется осуществлять контроль качества видеограммы, записанной при приеме телевизионной программы в условиях воздействия помех.

Испытания телевизоров и радиовещательных приемников осуществляют при приеме телевизионных (радиовещательных) программ на нескольких каналах (частотах) при установке органов управления в положение, обеспечивающее нормальное качество изображения и звука.

При испытаниях осуществляют оценку соответствия качества функционирования испытуемого оборудования критериям, установленным в 4.4.

5.10 Испытания при воздействии наносекундных импульсных помех

Испытания проводят в соответствии с методами, установленными в ГОСТ Р 51317.4.4. Условия проведения испытаний - в соответствии с 5.9. При испытаниях осуществляют оценку соответствия качества функционирования испытуемого оборудования критериям, установленным в 4.4.

5.11 Испытания при воздействии микросекундных импульсных помех большой энергии

Испытания проводят в соответствии с методами, установленными в ГОСТ Р 51317.4.5 с использованием испытательного генератора 1/50 мкс - 6,4/16 мкс. Условия проведения испытаний - в соответствии с 5.9. При испытаниях осуществляют оценку соответствия качества функционирования испытуемого оборудования критериям, установленным в 4.4.

5.12 Испытания при воздействии динамических изменений напряжения электропитания

Испытания проводят в соответствии с методами, установленными в ГОСТ Р 51317.4.6. Условия

проведения испытаний - в соответствии с 5.9.

При испытаниях осуществляют оценку соответствия качества функционирования испытуемого оборудования критериям, установленным в 4.4.

5.13 Измерение эффективности экранирования входа телевизоров

5.13.1 Общие положения

Эффективность экранирования антенного входа телевизора определяется его помехоустойчивостью при воздействии радиочастотной внутриканальной помехи, наводимой на экран антенного коаксиального кабеля. При измерении эффективности экранирования антенного входа используют метод измерения с применением поглощающих клещей. В соответствии с указанным методом подключенный к антенному входу телевизора высококачественный измерительный кабель охватывают поглощающими клещами, на которые подают напряжение от генератора испытательных сигналов.

5.13.2 Подготовка к измерениям

Структурная схема проведения измерений приведена на рисунке 15.

Телевизор размещают на столе из непроводящего материала высотой 0,8 м. Длина стола со стороны антенных входных зажимов телевизора должна быть не менее 4 м, чтобы обеспечить возможность передвижения поглощающих клещей на указанное расстояние. На этом же столе располагают высокочастотный смеситель и генератор телевизионных испытательных сигналов. Генератор испытательных сигналов и регулируемый аттенюатор располагают на отдельном столе. Измерительную установку размещают в помещении таким образом, чтобы расстояние между ней и любыми отражающими предметами составляло не менее 0,8 м.

Генератор телевизионных испытательных сигналов подключают к антенному входу телевизора с помощью измерительного кабеля, имеющего высококачественный штекер. Измерительный кабель должен иметь длину 4 м и располагаться вдоль стола. Волновое сопротивление измерительного кабеля должно быть равным входному сопротивлению телевизора.

1 - генератор телевизионных испытательных сигналов; 2 - высокочастотный смеситель; 3 - согласующий аттенюатор; 4 - регулируемый аттенюатор; 5 - измерительный кабель; 6 - поглощающие клещи; 7 - генератор испытательных сигналов; 8 - испытуемый телевизор

Рисунок 15 - Структурная схема проведения измерений эффективности экранирования входа телевизора

Перед измерениями проводят проверку качества измерительного кабеля. Для этого в схему измерительной установки (рисунок 15) вместо телевизора включают измеритель индустриальных радиопомех, а вместо генератора телевизионных испытательных сигналов - экранированную нагрузку. Охватывают измерительный кабель поглощающими клещами таким образом, чтобы конец поглощающих клещей, где расположен трансформатор тока, был направлен ко входу телевизора.

Эффективность экранирования измерительного кабеля в дБ определяют по формуле

Эк = U2 - A - U1,

где U2 - напряжение на выходе генератора, питающего поглощающие клещи, дБ (мкВ);

А - затухание, вносимое поглощающими клещами, дБ;

U1 - максимальное значение напряжения на выходе измерителя индустриальных радиопомех при перемещении поглощающих клещей, дБ (мкВ).

Эффективность экранирования измерительного кабеля считается достаточной, если на всех частотах измерения она не менее чем на 10 дБ превышает установленную норму эффективности экранирования антенного входа телевизора.

5.13.3 Проведение измерений

Измерения проводят на каналах телевизионного вещания, указанных в 5.3.8. На вход телевизора подают сигналы от генератора телевизионных испытательных сигналов с уровнями в соответствии с 5.3.8. От генератора испытательных сигналов подают на поглощающие клещи немодулированный сигнал частотой на 1 МГц выше частоты несущей изображения канала настройки. Перемещают поглощающие клещи вдоль измерительного кабеля от положения, ближайшего ко входу телевизора до первого положения, соответствующего максимальным искажениям изображения на экране телевизора. Выходной уровень генератора испытательных сигналов устанавливают таким образом, чтобы искажения на экране были едва заметны. Переключают выход генератора испытательных сигналов на регулируемый аттенюатор и изменяют величину затухания, вносимого регулируемым аттенюатором таким образом, чтобы искажения на экране были едва заметны.

Эффективность экранирования входа телевизора в дБ определяют по формуле

Эвх = A1 + А2 - А3,

где A1 - затухание, вносимое регулируемым аттенюатором, дБ;

А2 - затухание, вносимое высокочастотным смесителем и согласующим аттенюатором, дБ;

А3 - затухание, вносимое поглощающими клещами, дБ.

6 Оценка результатов испытаний

Требования помехоустойчивости оборудования считают выполненными, если для всех видов испытательных воздействий все испытанные образцы удовлетворяют требованиям настоящего стандарта.

ПРИЛОЖЕНИЕ А
(информационное)

Библиография

[1] ПР 50.2.006-94 ГСИ. Порядок проведения поверки средств измерений

[2] СИСПР 20 (1998-08), изд. 4 Приемники звукового и телевизионного вещания и связанное с ними оборудование. Характеристики помехоустойчивости. Нормы и методы измерений

[3] Нормы 21-94 Нормы внешней помехозащищенности бытовой радиоэлектронной аппаратуры. Допустимые значения. Методы измерений. Нормы ГКРЧ при Государственном комитете Российской Федерации по телекоммуникациям

 

Ключевые слова: электромагнитная совместимость, радиовещательные приемники, телевизоры и другая бытовая радиоэлектронная аппаратура, помехоустойчивость, требования, методы испытаний

 

 



© 2013 Ёшкин Кот :-)