Информационная система
«Ёшкин Кот»

Скачать базу одним архивом
Скачать обновления
История создания базы
Карта сайта

Скачать ГОСТ 33553-2015 Автомобильные транспортные средства. Наконечники проводов низкого напряжения. Технические требования и методы испытаний

Дата актуализации: 10.08.2017

ГОСТ 33553-2015

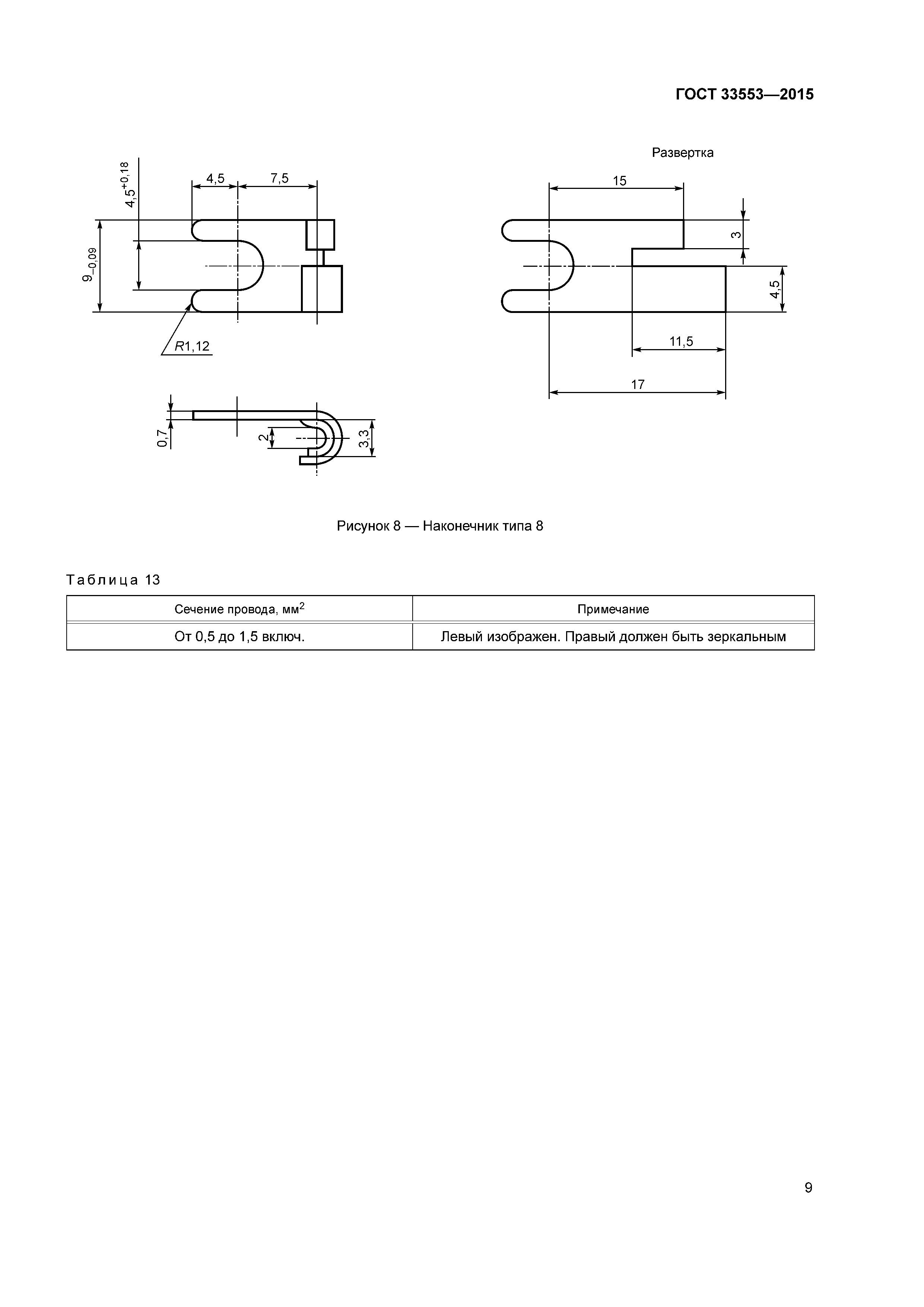
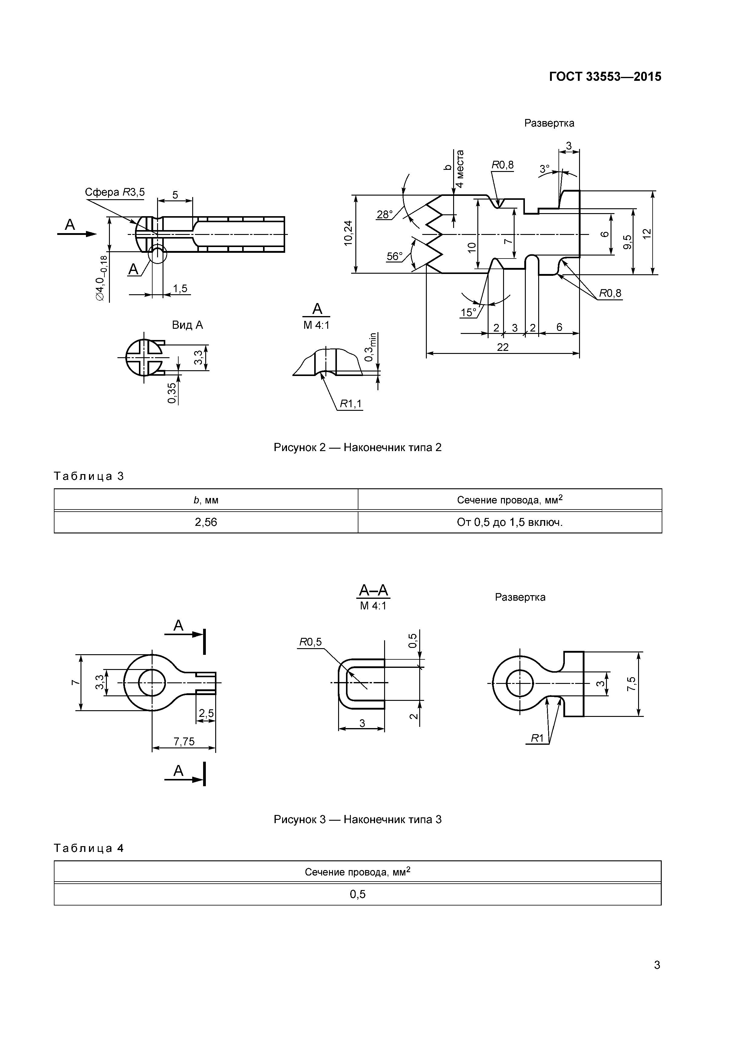
Автомобильные транспортные средства. Наконечники проводов низкого напряжения. Технические требования и методы испытаний

Обозначение: ГОСТ 33553-2015
Обозначение англ: GOST 33553-2015
Статус:введен впервые
Название рус.:Автомобильные транспортные средства. Наконечники проводов низкого напряжения. Технические требования и методы испытаний
Название англ.:Automotive vehicles. Tips of low voltage wires. Technical requirements and test methods
Дата добавления в базу:01.02.2017
Дата актуализации:05.05.2017
Дата введения:01.04.2017
Область применения:Стандарт распространяется на наконечники для автотракторного электрооборудования, закрепляемые на жилах и изоляции проводов низкого напряжения, и устанавливает технические требования к ним и методы испытаний.
Оглавление:1 Область применения
2 Нормативные ссылки
3 Технические требования
4 Правила приемки
5 Методы испытаний
Разработан: ФГУП НАМИ
ФГУП НИИАЭ
Утверждён:27.10.2015 Межгосударственный Совет по стандартизации, метрологии и сертификации (Inter-Governmental Council on Standardization, Metrology, and Certification 81-П)
22.06.2016 Федеральное агентство по техническому регулированию и метрологии (660-ст)
Издан: Стандартинформ (2016 г. )
Расположен в:Техническая документация Электроэнергия ДОРОЖНО-ТРАНСПОРТНАЯ ТЕХНИКА Системы дорожно-транспортных средств Электрическое и электронное оборудование Экология ДОРОЖНО-ТРАНСПОРТНАЯ ТЕХНИКА Системы дорожно-транспортных средств Электрическое и электронное оборудование
Нормативные ссылки:
ГОСТ 33553-2015ГОСТ 33553-2015ГОСТ 33553-2015ГОСТ 33553-2015ГОСТ 33553-2015ГОСТ 33553-2015ГОСТ 33553-2015ГОСТ 33553-2015ГОСТ 33553-2015ГОСТ 33553-2015ГОСТ 33553-2015ГОСТ 33553-2015ГОСТ 33553-2015ГОСТ 33553-2015ГОСТ 33553-2015ГОСТ 33553-2015

© 2013 Ёшкин Кот :-) Карта сайта