Информационная система
«Ёшкин Кот»

Скачать базу одним архивом
Скачать обновления
История создания базы
Карта сайта

Скачать ВНТП 1-92 Временные нормы технологического проектирования угольных и сланцевых шахт

Дата актуализации: 10.08.2017

ВНТП 1-92

Временные нормы технологического проектирования угольных и сланцевых шахт

Обозначение: ВНТП 1-92
Обозначение англ: VNTP 1-92
Статус:действует
Название рус.:Временные нормы технологического проектирования угольных и сланцевых шахт
Дата добавления в базу:01.02.2017
Дата актуализации:05.05.2017
Дата введения:01.03.1993
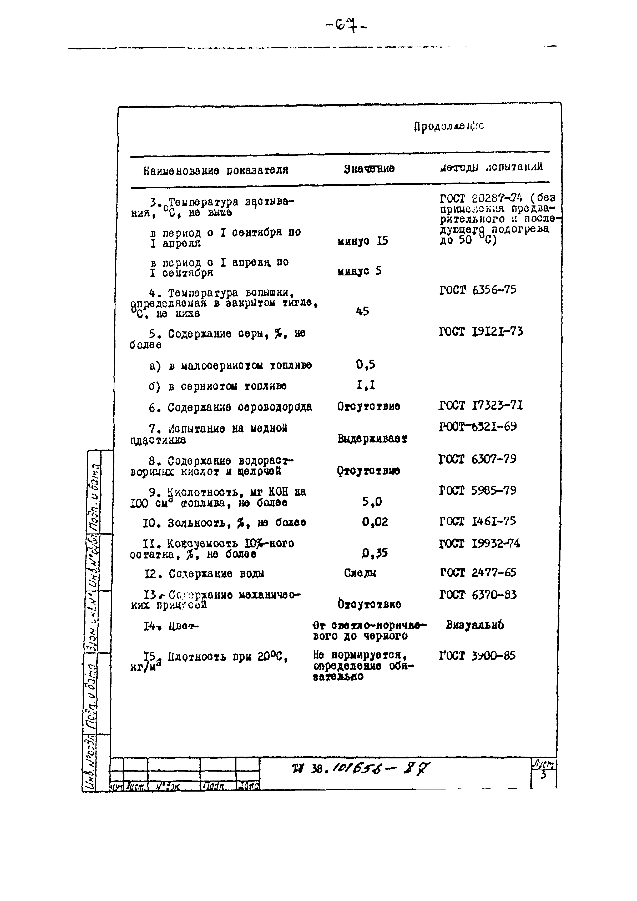
Область применения:Нормы распространяются на проектирование строительства, реконструкции, расширения, технического перевооружения, подготовки новых горизонтов угольных и сланцевых шахт с обычным и гидравлическим способом добычи.
Оглавление:1. Общие положения
2. Запасы полей шахт
3. Способы вскрытия и подготовки шахтных полей, порядок их отработки и системы разработки схемы вскрытия шахт
4. Оставление породы в шахте и закладочный комплекс
5. Подземный транспорт
6. Шахтные подземные установки
7. Главный и участковый водоотлив
8. Компрессорные станции и воздухопроводные сети
9. Шахты с гидравлическим способом добычи угля
Приложение 1. Рекомендуемое. Метод расчета гидротранспорта различных сыпучих материалов
Приложение 2. Рекомендуемое. Расчет подпора, необходимого для обеспечения устойчивой работы ступенчатого водоотлива
Приложение 3. Рекомендуемое. Методика расчета производительности компрессорной станции
Приложение 4. Рекомендуемое. Методика определения рациональных режимов работы компрессорной станции
Приложение 5. Рекомендуемое. Методика определения резонансной длины трубопровода компрессора
Приложение 6. Рекомендуемое. Методика расчета шахтных воздуховодов
Разработан: Южгипрошахт Минуглепрома СССР
ВНИМИ
ВНИИГМ им. М.М. Федорова Минуглепрома СССР
Институт Центрогипрошахт
Донгипрошахт
Днепрогипрошахт
ВНИИГидроуголь
ИГД им. А.А. Скочинского
ДонНИИ
Гипрошахт
Луганскгипрошахт
Ростовгипрошахт
Карагандагипрошахт
Востсибгипрошахт
Утверждён:08.12.1992 Комитет угольной промышленности
Принят:11.11.1992 Госгортехнадзор России (Russian Federation Gosgortekhnadzor 07-4/107)
Расположен в:Техническая документация Экология ГОРНОЕ ДЕЛО И ПОЛЕЗНЫЕ ИСКОПАЕМЫЕ Горное оборудование Горное оборудование в целом Ценообразование Раздел I. Технологический, строительный, энергетический надзор и охрана окружающей среды в части, касающейся ограничения негативного техногенного воздействия IV. Нормативные правовые акты и нормативы Промышленная безопасность Объекты угольной промышленности Строительство Нормативные документы Отраслевые и ведомственные нормативно-методические документы Проектирование и строительство объектов других министерств
Список изменений:
Заменяет собой:
Нормативные ссылки:
ВНТП 1-92ВНТП 1-92ВНТП 1-92ВНТП 1-92ВНТП 1-92ВНТП 1-92ВНТП 1-92ВНТП 1-92ВНТП 1-92ВНТП 1-92ВНТП 1-92ВНТП 1-92ВНТП 1-92ВНТП 1-92ВНТП 1-92ВНТП 1-92ВНТП 1-92ВНТП 1-92ВНТП 1-92ВНТП 1-92ВНТП 1-92ВНТП 1-92ВНТП 1-92ВНТП 1-92ВНТП 1-92ВНТП 1-92ВНТП 1-92ВНТП 1-92ВНТП 1-92ВНТП 1-92ВНТП 1-92ВНТП 1-92ВНТП 1-92ВНТП 1-92ВНТП 1-92ВНТП 1-92ВНТП 1-92ВНТП 1-92ВНТП 1-92ВНТП 1-92ВНТП 1-92ВНТП 1-92ВНТП 1-92ВНТП 1-92ВНТП 1-92ВНТП 1-92ВНТП 1-92ВНТП 1-92ВНТП 1-92ВНТП 1-92ВНТП 1-92ВНТП 1-92ВНТП 1-92ВНТП 1-92ВНТП 1-92ВНТП 1-92ВНТП 1-92ВНТП 1-92ВНТП 1-92ВНТП 1-92ВНТП 1-92ВНТП 1-92ВНТП 1-92ВНТП 1-92ВНТП 1-92ВНТП 1-92ВНТП 1-92ВНТП 1-92ВНТП 1-92ВНТП 1-92ВНТП 1-92ВНТП 1-92ВНТП 1-92ВНТП 1-92ВНТП 1-92ВНТП 1-92ВНТП 1-92ВНТП 1-92ВНТП 1-92ВНТП 1-92ВНТП 1-92ВНТП 1-92ВНТП 1-92ВНТП 1-92ВНТП 1-92ВНТП 1-92ВНТП 1-92ВНТП 1-92ВНТП 1-92ВНТП 1-92ВНТП 1-92ВНТП 1-92ВНТП 1-92ВНТП 1-92ВНТП 1-92ВНТП 1-92ВНТП 1-92ВНТП 1-92ВНТП 1-92ВНТП 1-92ВНТП 1-92ВНТП 1-92ВНТП 1-92ВНТП 1-92ВНТП 1-92ВНТП 1-92ВНТП 1-92ВНТП 1-92ВНТП 1-92ВНТП 1-92ВНТП 1-92ВНТП 1-92ВНТП 1-92

Текстовое изменение № 1

№ 1№ 1№ 1№ 1№ 1№ 1№ 1№ 1№ 1№ 1№ 1№ 1№ 1№ 1№ 1№ 1№ 1№ 1№ 1№ 1№ 1№ 1№ 1№ 1№ 1№ 1№ 1№ 1№ 1№ 1№ 1№ 1№ 1№ 1№ 1№ 1№ 1№ 1№ 1№ 1№ 1№ 1№ 1№ 1№ 1№ 1№ 1№ 1№ 1№ 1№ 1№ 1№ 1№ 1№ 1№ 1№ 1№ 1№ 1№ 1№ 1№ 1№ 1№ 1№ 1№ 1№ 1№ 1№ 1№ 1№ 1№ 1№ 1№ 1№ 1№ 1№ 1№ 1№ 1№ 1№ 1№ 1№ 1№ 1№ 1№ 1№ 1№ 1№ 1№ 1№ 1№ 1№ 1№ 1№ 1№ 1№ 1№ 1№ 1№ 1№ 1№ 1№ 1№ 1№ 1№ 1№ 1№ 1№ 1№ 1№ 1№ 1№ 1№ 1№ 1№ 1№ 1№ 1№ 1№ 1№ 1№ 1№ 1№ 1№ 1№ 1№ 1№ 1№ 1№ 1№ 1№ 1№ 1№ 1№ 1№ 1№ 1№ 1

© 2013 Ёшкин Кот :-) Карта сайта