Информационная система
«Ёшкин Кот»

Скачать базу одним архивом
Скачать обновления
История создания базы
Карта сайта

Скачать ГОСТ Р 54797-2011 Ящики высоковольтные пассажирских вагонов локомотивной тяги и моторвагонного подвижного состава. Общие технические условия

Дата актуализации: 10.08.2017

ГОСТ Р 54797-2011

Ящики высоковольтные пассажирских вагонов локомотивной тяги и моторвагонного подвижного состава. Общие технические условия

Обозначение: ГОСТ Р 54797-2011
Обозначение англ: GOST R 54797-2011
Статус:отменен
Название рус.:Ящики высоковольтные пассажирских вагонов локомотивной тяги и моторвагонного подвижного состава. Общие технические условия
Название англ.:Boxes high-voltage passengn cars for locomotive traction and multiple units. The general technical requirements
Дата добавления в базу:01.09.2013
Дата актуализации:05.05.2017
Дата введения:01.10.2016
Область применения:Стандарт распространяется на ящики высоковольтные содержащие коммутационные аппараты, предохранители, аппараты защиты, разъединители, концевые выключатели и предназначенные для эксплуатации на пассажирских вагонах локомотивной тяги и моторвагонном подвижном составе. Стандарт не распространяется на ящики, содержащие трансформаторы, реакторы, дроссели, двигатели, климатические установки, преобразователи тяговые и нетяговые.
Оглавление:1 Область применения
2 Нормативные ссылки
3 Термины и определения
4 Технические требования
5 Требования надежности
6 Требования к электрической защищенности
7 Комплектность
8 Маркировка
9 Требования электрической безопасности
10 Требования охраны окружающей среды
11 Правила приемки
12 Методы контроля
13 Транспортирование и хранение
14 Гарантии изготовителя
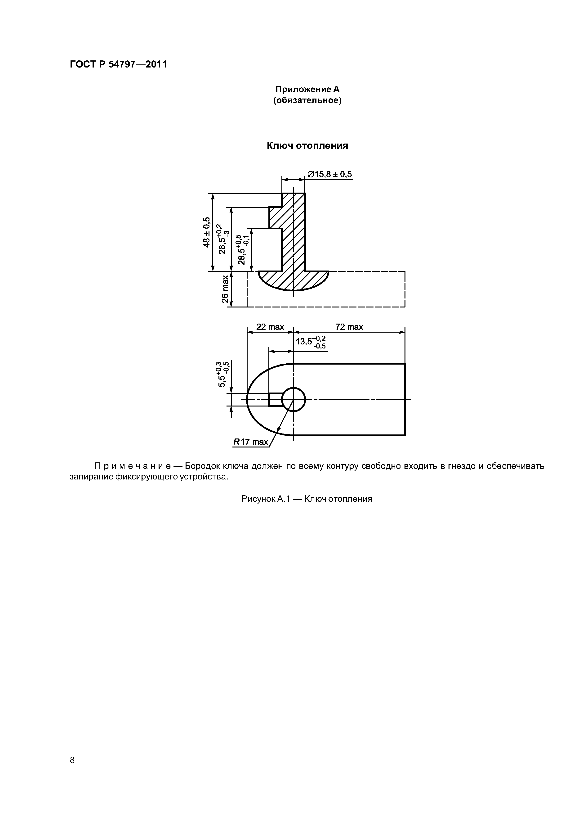
Приложение А (обязательное) Ключ отопления
Библиография
Разработан: ОАО НИИ вагоностроения
Утверждён:13.11.2011 Федеральное агентство по техническому регулированию и метрологии (1154-ст)
Издан: Стандартинформ (2012 г. )
Расположен в:Техническая документация Электроэнергия ЖЕЛЕЗНОДОРОЖНАЯ ТЕХНИКА Подвижной состав железных дорог Подвижной состав железных дорог в целом ЭЛЕКТРОТЕХНИКА Электрическое тяговое оборудование Экология ЖЕЛЕЗНОДОРОЖНАЯ ТЕХНИКА Подвижной состав железных дорог Подвижной состав железных дорог в целом ЭЛЕКТРОТЕХНИКА Электрическое тяговое оборудование
Нормативные ссылки:
ГОСТ Р 54797-2011ГОСТ Р 54797-2011ГОСТ Р 54797-2011ГОСТ Р 54797-2011ГОСТ Р 54797-2011ГОСТ Р 54797-2011ГОСТ Р 54797-2011ГОСТ Р 54797-2011ГОСТ Р 54797-2011ГОСТ Р 54797-2011ГОСТ Р 54797-2011ГОСТ Р 54797-2011ГОСТ Р 54797-2011ГОСТ Р 54797-2011

© 2013 Ёшкин Кот :-) Карта сайта