Информационная система
«Ёшкин Кот»

Скачать базу одним архивом
Скачать обновления
История создания базы
Карта сайта

Скачать Типовой проект 271-13-120.86 Альбом III. Изделия железобетонные заводского изготовления. Изделия монолитных железобетонных конструкций. Изделия металлические. Разное

Дата актуализации: 10.08.2017

Типовой проект 271-13-120.86

Альбом III. Изделия железобетонные заводского изготовления. Изделия монолитных железобетонных конструкций. Изделия металлические. Разное

Обозначение: Типовой проект 271-13-120.86
Обозначение англ: 271-13-120.86
Статус:не определен законодательством
Название рус.:Альбом III. Изделия железобетонные заводского изготовления. Изделия монолитных железобетонных конструкций. Изделия металлические. Разное
Дата добавления в базу:01.09.2013
Дата актуализации:05.05.2017
Дата введения:28.10.1986
Оглавление:Титульный лист
Содержание альбома
АС1.И1-01.00.00 Панель стеновая (4ПСО30.33.3.5-П-1-А; 4ПСО30.33.3.5-АТ-1-А; 4ПСО30.33.3.5-П-2-А; 4ПСО30.33.3.5-ПТ-2-А)
АС1.И1-02.00.00 Панель стеновая (1ПСО33.33.3.5-П-2-А; 1ПСО33.33.3.5-ПТ-2-А)
АС1.И1-03.00.00 Панель стеновая (2ПСО33.33.3.5-П-2-А; 2ПСО33.33.3.5-ПТ-2-А)
АС1.И1-04.00.00 Панель стеновая (8ПСО30.33.3.5-П-2-Б; 8ПСО30.33.3.5-ПТ-2-Б; 9ПС30.33.3.5-П-2-Б; 9ПСО30.33.3.5-ПТ-2-Б)
АС1.И1-05.00.00 Панель стеновая (8ПСО30.33.3.5-2-А; 8ПСО30.33.3.5-ПТ-2-А; 9ПС30.33.3.5-П-2-А; 9ПСО30.33.3.5-ПТ-2-А)
АС1.И1-06.00.00 Отделка панели (ПСП30.10.2.Б-П; ПСП30.10.2.6-ПТ)
АС1.И1-07.00.00 Отделка панели (4ПСО30.33.3.5-П-2-А; 4ПСО30.33.3.5-ПТ-1-А)
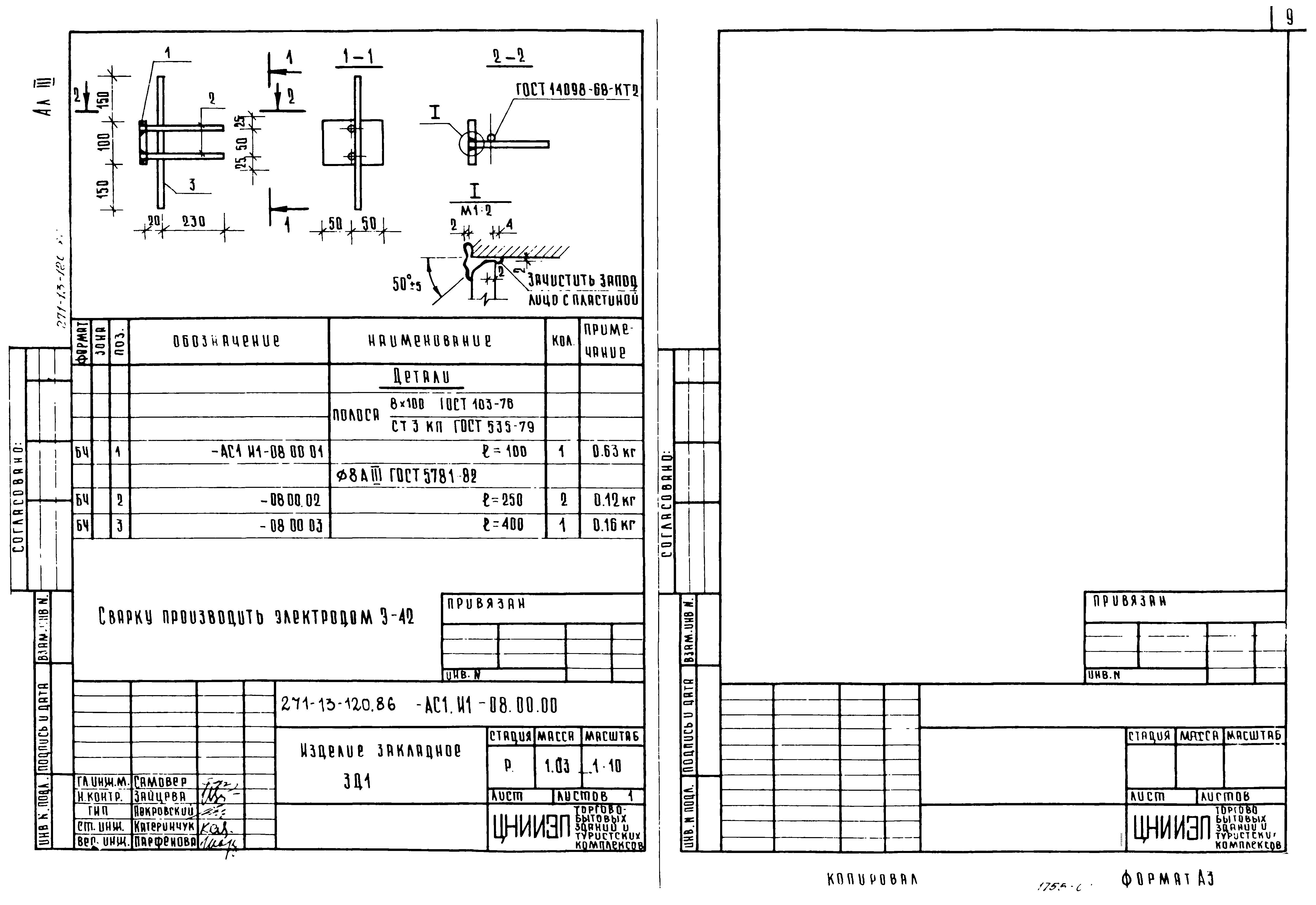
АС1.И1-08.00.00 Изделие закладное ЗД1
АС1.И2-01.00.00 Изделие закладное ЗД2
АС1.И2-02.00.00 Монтажная петля (МП-1, МП-2)
АС1.И2-03.00.00 Рама Р-1
АС1.И2-04.00.00 Рама Р-2
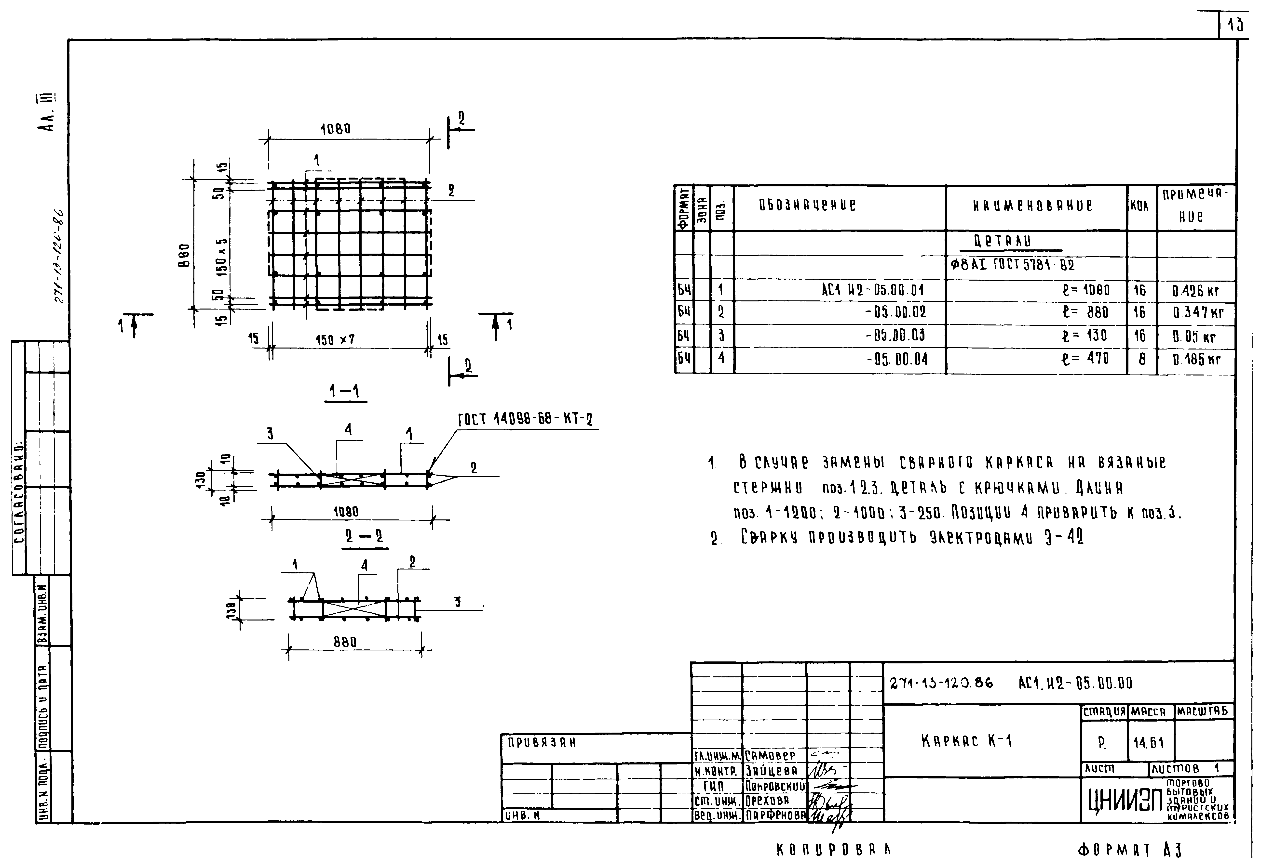
АС1.И2-05.00.00 Каркас К-1
АС1.И2-06.00.00 Каркас К-2
АС1.И3-01.00 Изделие закладное ЗДВ-1
АС1.И3-02.00 Изделие закладное ЗДВ-2
АС1.И4-01.00.00 Звено асбестоцементного воздуховода
АС1.И4-01.00.00СБ Звено асбестоцементного воздуховода. Сборочный чертеж
АС1.И4-01.02.00 Фланец (ФС1 - ФС6)
АС1.И4-01.01.00 Муфта (МС1 - МС6)
Разработан: ЦНИИЭП торгово-бытовых зданий и туристских комплексов
Утверждён:13.07.1984 Госгражданстрой (Gosgrazhdanstroy 195)
Расположен в:Техническая документация Строительство Справочные документы Типовые строительные конструкции, изделия и узлы Общероссийский строительный каталог Общественные здания в городах и поселках городского типа Предприятия торговли и общественного питания. Общественные центры Предприятия торговли Магазины продовольственных товаров, универсамы
Типовой проект 271-13-120.86Типовой проект 271-13-120.86Типовой проект 271-13-120.86Типовой проект 271-13-120.86Типовой проект 271-13-120.86Типовой проект 271-13-120.86Типовой проект 271-13-120.86Типовой проект 271-13-120.86Типовой проект 271-13-120.86Типовой проект 271-13-120.86Типовой проект 271-13-120.86Типовой проект 271-13-120.86Типовой проект 271-13-120.86Типовой проект 271-13-120.86Типовой проект 271-13-120.86Типовой проект 271-13-120.86Типовой проект 271-13-120.86Типовой проект 271-13-120.86Типовой проект 271-13-120.86Типовой проект 271-13-120.86

© 2013 Ёшкин Кот :-) Карта сайта