Информационная система
«Ёшкин Кот»

Скачать базу одним архивом
Скачать обновления
История создания базы
Карта сайта

Скачать Серия 1.133.1-5 Выпуск 2. Стеновые легкобетонные блоки толщиной 50 см для жилых зданий высотой 5 - 9 этажей

Дата актуализации: 10.08.2017

Серия 1.133.1-5

Выпуск 2. Стеновые легкобетонные блоки толщиной 50 см для жилых зданий высотой 5 - 9 этажей

Обозначение: Серия 1.133.1-5
Обозначение англ: Series 1.133.1-5
Статус:заменен
Название рус.:Выпуск 2. Стеновые легкобетонные блоки толщиной 50 см для жилых зданий высотой 5 - 9 этажей
Дата добавления в базу:01.09.2013
Дата актуализации:05.05.2017
Дата введения:01.10.1989
Область применения:Настоящий выпуск содержит техническое описание, сборочные чертежи блоков наружных стен, арматурные изделия, узлы, детали и закладные изделия
Оглавление:Содержание
Техническое описание
Номенклатура
Выборка стали
Блок простеночный
Блок простеночный угловой
Блок простеночный температурного шва
Блок простеночный
Блок простеночный угловой
Блок простеночный температурного шва
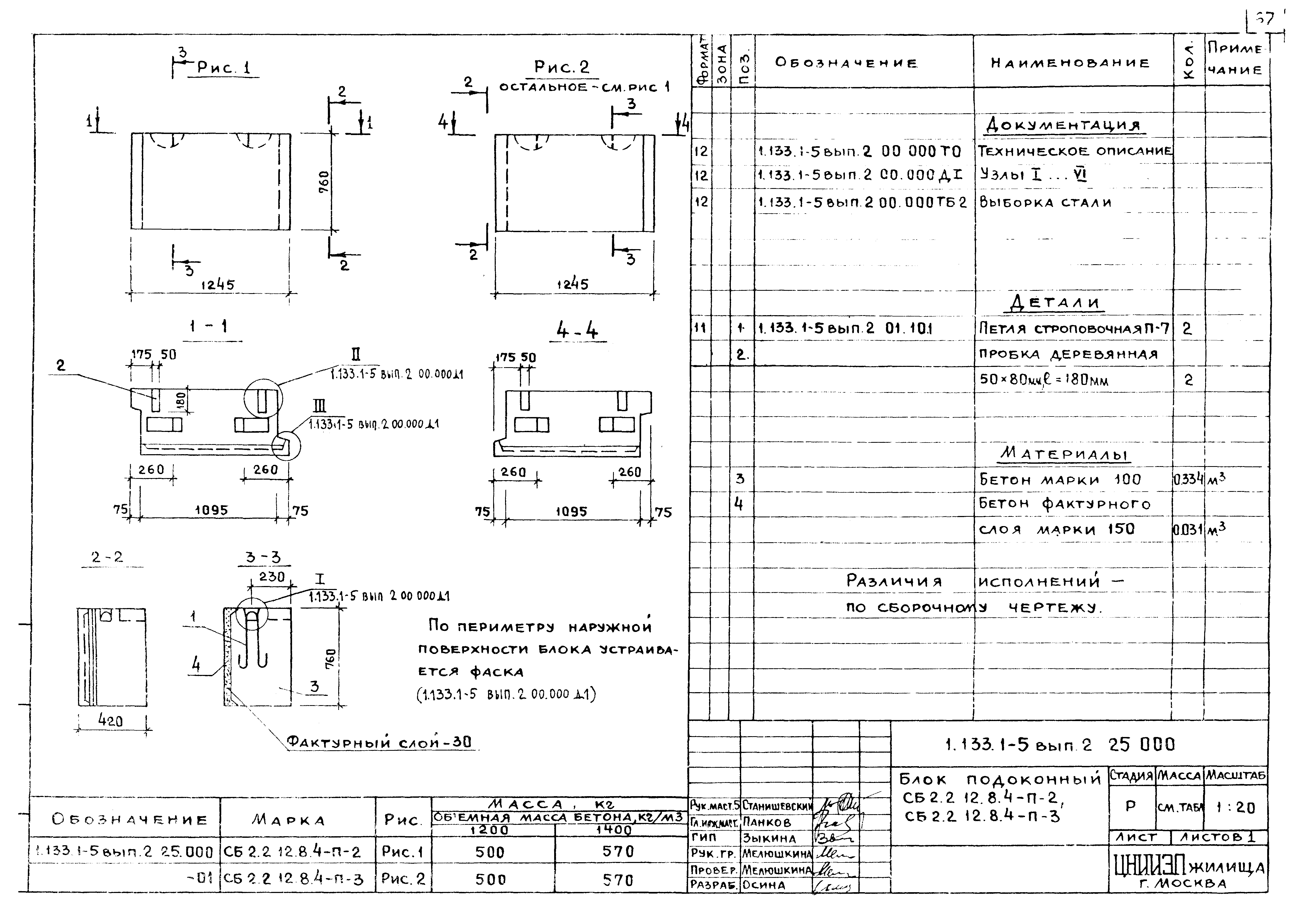
Блок подоконный
Блок перемычечный
Блок лоджии перемычечный
Блок поясной
Блок поясной угловой
Узлы I - VI
Фрагмент 1, фрагмент 2
Блок арматурный
Каркас
Сетка
Изделие закладное
Петля строповочная
Разработан: ЦНИИЭП жилища
Утверждён:04.06.1981 Государственный комитет по гражданскому строительству и архитектуре при Госстрое СССР (177)
Расположен в:Техническая документация Строительство Справочные документы Типовые строительные конструкции, изделия и узлы Общероссийский строительный каталог Строительные конструкции, изделия и узлы зданий и сооружений для всех видов строительства Конструкции, изделия и узлы зданий Конструкции нулевого цикла Цокольные панели и блоки стен подвалов
Чем заменён:
  • Серия 1.133.1-6
Нормативные ссылки:
Серия 1.133.1-5Серия 1.133.1-5Серия 1.133.1-5Серия 1.133.1-5Серия 1.133.1-5Серия 1.133.1-5Серия 1.133.1-5Серия 1.133.1-5Серия 1.133.1-5Серия 1.133.1-5Серия 1.133.1-5Серия 1.133.1-5Серия 1.133.1-5Серия 1.133.1-5Серия 1.133.1-5Серия 1.133.1-5Серия 1.133.1-5Серия 1.133.1-5Серия 1.133.1-5Серия 1.133.1-5Серия 1.133.1-5Серия 1.133.1-5Серия 1.133.1-5Серия 1.133.1-5Серия 1.133.1-5Серия 1.133.1-5Серия 1.133.1-5Серия 1.133.1-5Серия 1.133.1-5Серия 1.133.1-5Серия 1.133.1-5Серия 1.133.1-5Серия 1.133.1-5Серия 1.133.1-5Серия 1.133.1-5Серия 1.133.1-5Серия 1.133.1-5Серия 1.133.1-5Серия 1.133.1-5Серия 1.133.1-5Серия 1.133.1-5Серия 1.133.1-5Серия 1.133.1-5Серия 1.133.1-5Серия 1.133.1-5Серия 1.133.1-5Серия 1.133.1-5Серия 1.133.1-5Серия 1.133.1-5Серия 1.133.1-5Серия 1.133.1-5Серия 1.133.1-5Серия 1.133.1-5Серия 1.133.1-5Серия 1.133.1-5Серия 1.133.1-5Серия 1.133.1-5Серия 1.133.1-5Серия 1.133.1-5Серия 1.133.1-5Серия 1.133.1-5Серия 1.133.1-5Серия 1.133.1-5Серия 1.133.1-5Серия 1.133.1-5Серия 1.133.1-5Серия 1.133.1-5Серия 1.133.1-5Серия 1.133.1-5Серия 1.133.1-5Серия 1.133.1-5Серия 1.133.1-5Серия 1.133.1-5Серия 1.133.1-5Серия 1.133.1-5Серия 1.133.1-5Серия 1.133.1-5Серия 1.133.1-5Серия 1.133.1-5Серия 1.133.1-5Серия 1.133.1-5Серия 1.133.1-5Серия 1.133.1-5Серия 1.133.1-5Серия 1.133.1-5Серия 1.133.1-5Серия 1.133.1-5Серия 1.133.1-5Серия 1.133.1-5Серия 1.133.1-5Серия 1.133.1-5Серия 1.133.1-5Серия 1.133.1-5Серия 1.133.1-5Серия 1.133.1-5Серия 1.133.1-5Серия 1.133.1-5Серия 1.133.1-5Серия 1.133.1-5Серия 1.133.1-5Серия 1.133.1-5Серия 1.133.1-5Серия 1.133.1-5Серия 1.133.1-5Серия 1.133.1-5Серия 1.133.1-5Серия 1.133.1-5Серия 1.133.1-5Серия 1.133.1-5Серия 1.133.1-5Серия 1.133.1-5Серия 1.133.1-5Серия 1.133.1-5Серия 1.133.1-5Серия 1.133.1-5Серия 1.133.1-5Серия 1.133.1-5Серия 1.133.1-5Серия 1.133.1-5Серия 1.133.1-5Серия 1.133.1-5Серия 1.133.1-5Серия 1.133.1-5Серия 1.133.1-5Серия 1.133.1-5Серия 1.133.1-5Серия 1.133.1-5Серия 1.133.1-5Серия 1.133.1-5Серия 1.133.1-5Серия 1.133.1-5Серия 1.133.1-5Серия 1.133.1-5Серия 1.133.1-5Серия 1.133.1-5Серия 1.133.1-5Серия 1.133.1-5Серия 1.133.1-5Серия 1.133.1-5

© 2013 Ёшкин Кот :-) Карта сайта