Информационная система
«Ёшкин Кот»

Скачать базу одним архивом
Скачать обновления
История создания базы
Карта сайта

Скачать ТК II-3-0.4-20 Технологические карты на строительство ВЛ 0,4 - 20 кв. на унифицированных деревянных опорах по типовым проектам 3.407-85 и 3.407-141. Установка деревянных опор автокраном или бурильно-крановой машиной с разработкой котлованов

Дата актуализации: 10.08.2017

ТК II-3-0.4-20

Технологические карты на строительство ВЛ 0,4 - 20 кв. на унифицированных деревянных опорах по типовым проектам 3.407-85 и 3.407-141. Установка деревянных опор автокраном или бурильно-крановой машиной с разработкой котлованов

Обозначение: ТК II-3-0.4-20
Обозначение англ: II-3-0.4-20
Статус:не установлен срок действия
Название рус.:Технологические карты на строительство ВЛ 0,4 - 20 кв. на унифицированных деревянных опорах по типовым проектам 3.407-85 и 3.407-141. Установка деревянных опор автокраном или бурильно-крановой машиной с разработкой котлованов
Дата добавления в базу:01.09.2013
Дата актуализации:05.05.2017
Область применения:Технологическая карта служит руководством при установке опор автомобильными кранами типа КС-2561К (СМК-10) или бурильно-крановой машиной типа БМ-302А, которая обеспечивает бурение котлованов. Карта может служить пособием для составления проектов производства работ.
Оглавление:Общие положения
1. Область применения
2. Организация и технология строительного процесса
3. Технико-экономические показатели
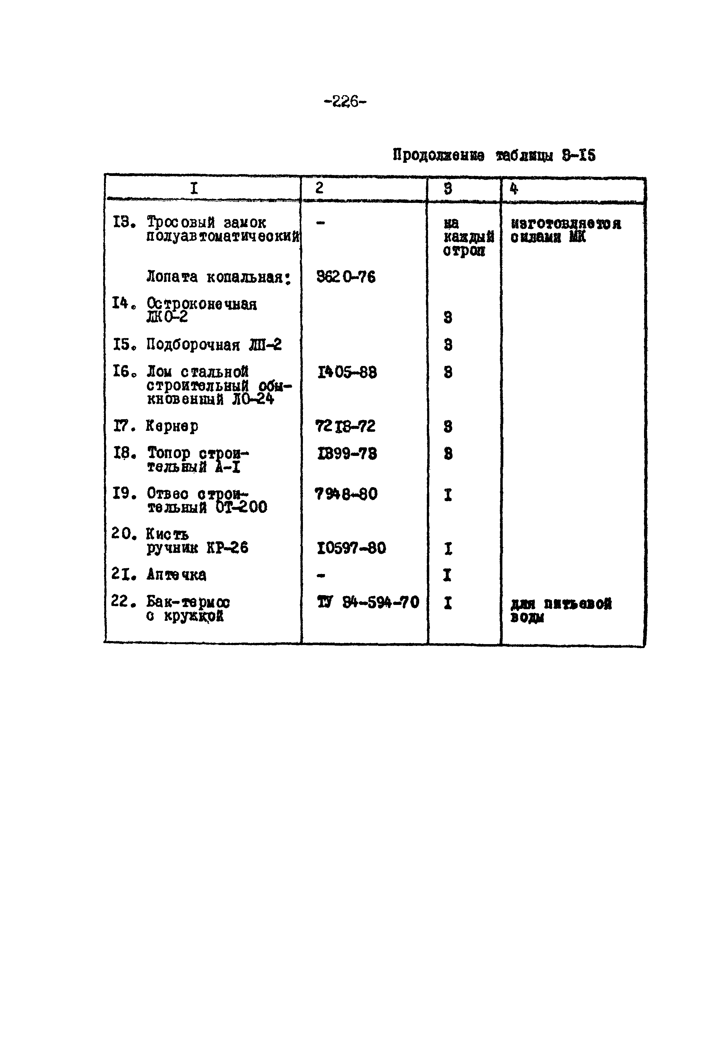
4. Материально-технические ресурсы
   4.1 Механизмы
   4.2 Инструменты и приспособления
   4.3 Эксплуатационные материалы
Приложения
Разработан: Сельэнергопроект
Утверждён:06.01.1988 ССО Сельэлектросетьстрой
Расположен в:Техническая документация Строительство Справочные документы Технологические карты Линии электропередачи
Нормативные ссылки:
ТК II-3-0.4-20ТК II-3-0.4-20ТК II-3-0.4-20ТК II-3-0.4-20ТК II-3-0.4-20ТК II-3-0.4-20ТК II-3-0.4-20ТК II-3-0.4-20ТК II-3-0.4-20ТК II-3-0.4-20ТК II-3-0.4-20ТК II-3-0.4-20ТК II-3-0.4-20ТК II-3-0.4-20ТК II-3-0.4-20ТК II-3-0.4-20ТК II-3-0.4-20ТК II-3-0.4-20ТК II-3-0.4-20ТК II-3-0.4-20ТК II-3-0.4-20ТК II-3-0.4-20ТК II-3-0.4-20ТК II-3-0.4-20ТК II-3-0.4-20ТК II-3-0.4-20ТК II-3-0.4-20ТК II-3-0.4-20ТК II-3-0.4-20ТК II-3-0.4-20ТК II-3-0.4-20ТК II-3-0.4-20ТК II-3-0.4-20ТК II-3-0.4-20ТК II-3-0.4-20ТК II-3-0.4-20ТК II-3-0.4-20ТК II-3-0.4-20ТК II-3-0.4-20ТК II-3-0.4-20ТК II-3-0.4-20ТК II-3-0.4-20ТК II-3-0.4-20ТК II-3-0.4-20ТК II-3-0.4-20ТК II-3-0.4-20ТК II-3-0.4-20ТК II-3-0.4-20ТК II-3-0.4-20ТК II-3-0.4-20ТК II-3-0.4-20ТК II-3-0.4-20ТК II-3-0.4-20ТК II-3-0.4-20ТК II-3-0.4-20ТК II-3-0.4-20ТК II-3-0.4-20ТК II-3-0.4-20ТК II-3-0.4-20ТК II-3-0.4-20ТК II-3-0.4-20ТК II-3-0.4-20ТК II-3-0.4-20ТК II-3-0.4-20ТК II-3-0.4-20ТК II-3-0.4-20ТК II-3-0.4-20ТК II-3-0.4-20ТК II-3-0.4-20ТК II-3-0.4-20ТК II-3-0.4-20ТК II-3-0.4-20ТК II-3-0.4-20ТК II-3-0.4-20ТК II-3-0.4-20ТК II-3-0.4-20ТК II-3-0.4-20ТК II-3-0.4-20ТК II-3-0.4-20ТК II-3-0.4-20ТК II-3-0.4-20ТК II-3-0.4-20ТК II-3-0.4-20ТК II-3-0.4-20ТК II-3-0.4-20ТК II-3-0.4-20ТК II-3-0.4-20ТК II-3-0.4-20ТК II-3-0.4-20ТК II-3-0.4-20ТК II-3-0.4-20ТК II-3-0.4-20ТК II-3-0.4-20ТК II-3-0.4-20ТК II-3-0.4-20ТК II-3-0.4-20ТК II-3-0.4-20ТК II-3-0.4-20ТК II-3-0.4-20ТК II-3-0.4-20ТК II-3-0.4-20ТК II-3-0.4-20ТК II-3-0.4-20ТК II-3-0.4-20ТК II-3-0.4-20ТК II-3-0.4-20ТК II-3-0.4-20ТК II-3-0.4-20ТК II-3-0.4-20ТК II-3-0.4-20ТК II-3-0.4-20ТК II-3-0.4-20ТК II-3-0.4-20ТК II-3-0.4-20ТК II-3-0.4-20ТК II-3-0.4-20ТК II-3-0.4-20ТК II-3-0.4-20ТК II-3-0.4-20ТК II-3-0.4-20ТК II-3-0.4-20ТК II-3-0.4-20ТК II-3-0.4-20

© 2013 Ёшкин Кот :-) Карта сайта