| ||||||||||||||||||||||||||||
Скачать Серия ИИ-04-6 Выпуск 5. Часть 1. Диафрагмы жесткости связевого каркаса. Опалубка и армирование. Рабочие чертежиДата актуализации: 10.08.2017
|
| Обозначение: | Серия ИИ-04-6 |
| Обозначение англ: | Series ИИ-04-6 |
| Статус: | не действует |
| Название рус.: | Выпуск 5. Часть 1. Диафрагмы жесткости связевого каркаса. Опалубка и армирование. Рабочие чертежи |
| Дата добавления в базу: | 01.09.2013 |
| Дата актуализации: | 05.05.2017 |
| Дата окончания срока действия: | 01.04.1982 |
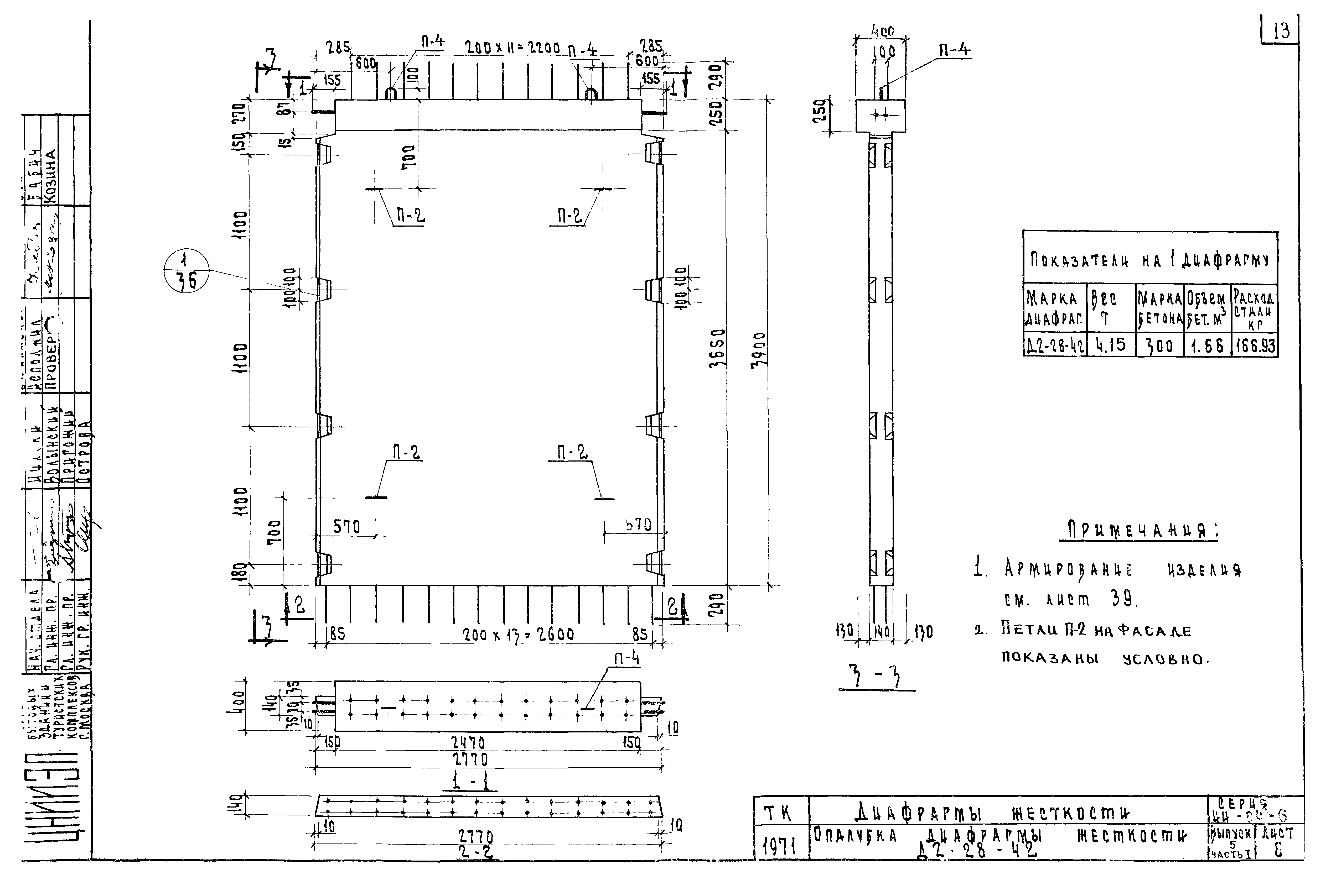
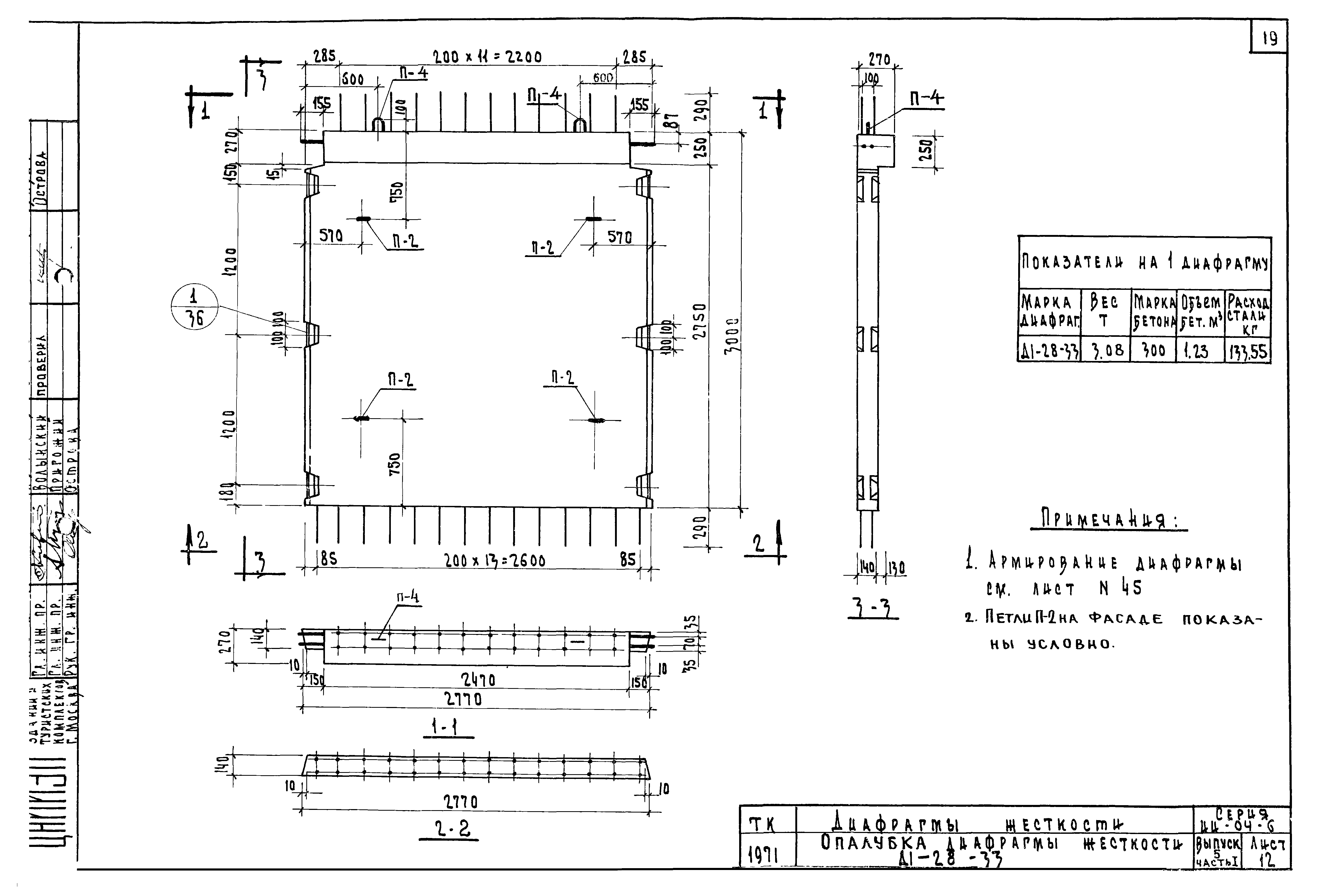
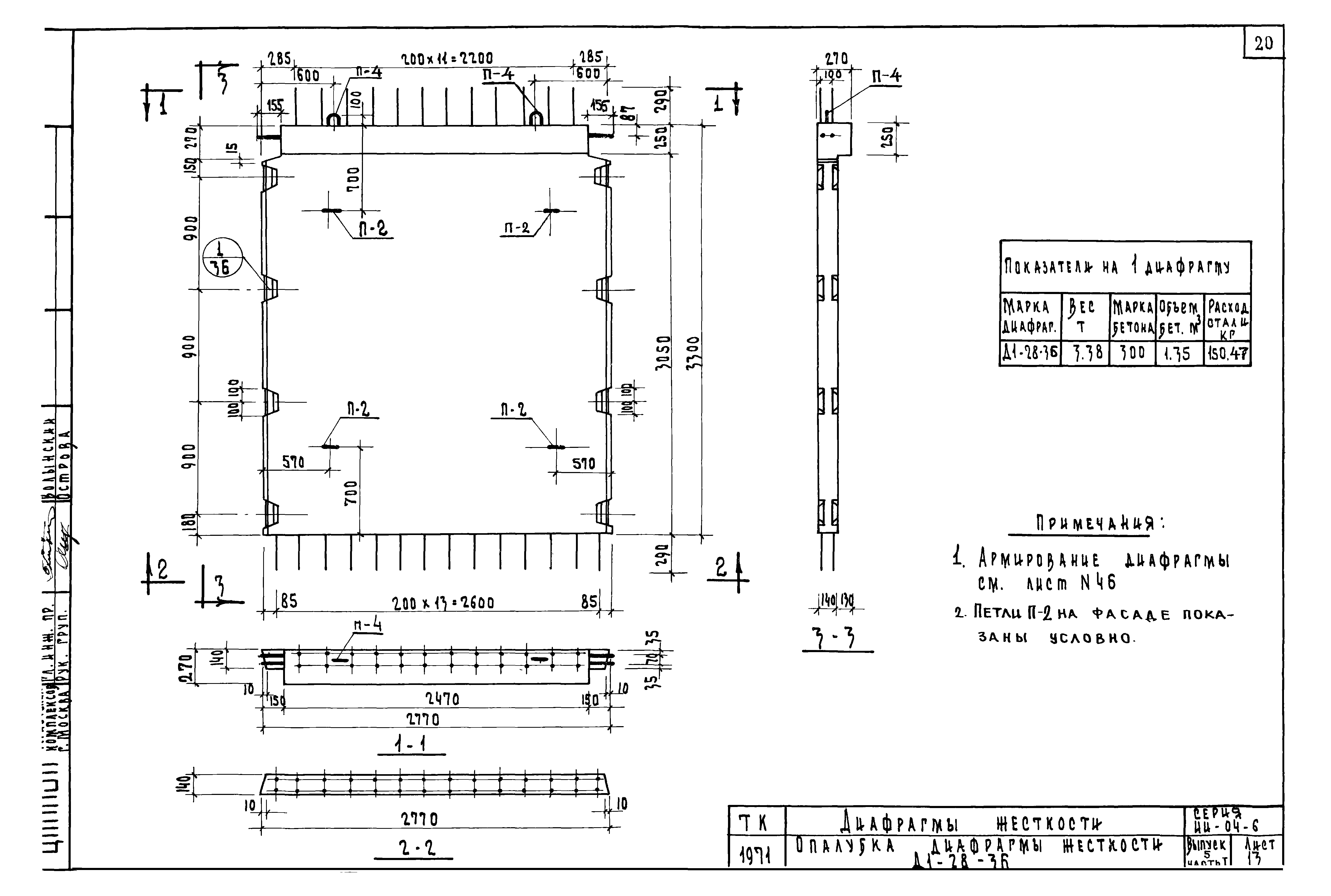
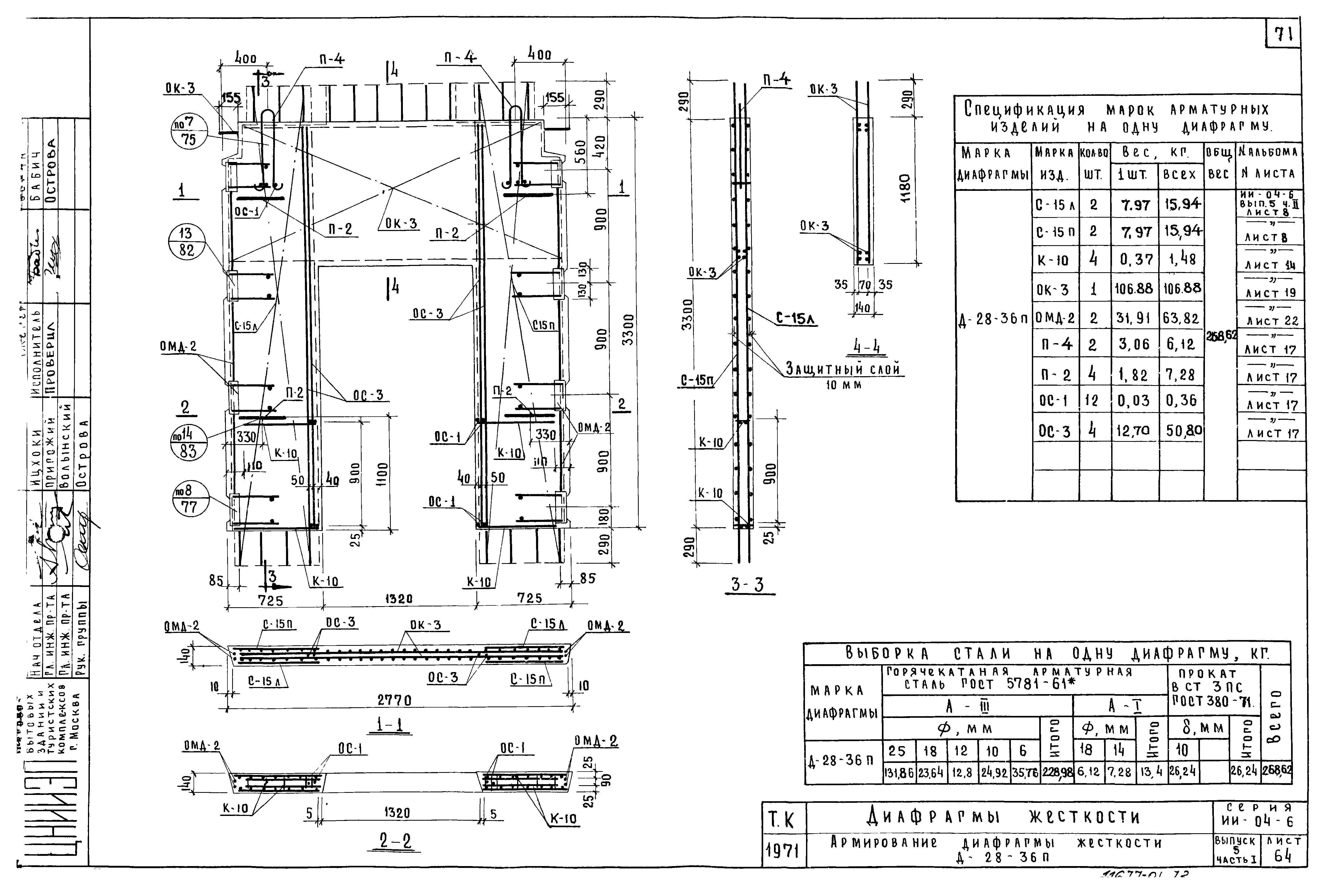
| Оглавление: | Перечень серий и выпусков Содержание Пояснительная записка Номенклатура Опалубка диафрагмы жесткости Д2-28-33 Опалубка диафрагмы жесткости Д2-28-36 Опалубка диафрагмы жесткости Д2-28-42 Опалубка диафрагмы жесткости Д2-20-33 Опалубка диафрагмы жесткости Д2-20-42 Опалубка диафрагмы жесткости Д2-26-33 Опалубка диафрагмы жесткости Д2-26-36 Опалубка диафрагмы жесткости Д2-26-42 Опалубка диафрагмы жесткости Д1-28-33 Опалубка диафрагмы жесткости Д1-28-36 Опалубка диафрагмы жесткости Д1-28-42 Опалубка диафрагмы жесткости Д-28-33 Опалубка диафрагмы жесткости Д-28-36 Опалубка диафрагмы жесткости Д-28-42 Опалубка диафрагмы жесткости Д-26-33 Опалубка диафрагмы жесткости Д-26-36 Опалубка диафрагмы жесткости Д-26-42 Опалубка диафрагмы жесткости Д2-28-33п Опалубка диафрагмы жесткости Д2-28-36п Опалубка диафрагмы жесткости Д2-28-42п Опалубка диафрагмы жесткости Д2-26-33п Опалубка диафрагмы жесткости Д2-26-36п Опалубка диафрагмы жесткости Д2-26-42п Опалубка диафрагмы жесткости Д1-28-33п Опалубка диафрагмы жесткости Д1-28-36п Опалубка диафрагмы жесткости Д1-28-42п Опалубка диафрагмы жесткости Д-28-33п Опалубка диафрагмы жесткости Д-28-36п Опалубка диафрагмы жесткости Д-28-42п Опалубка диафрагмы жесткости Д-26-33п Опалубка диафрагмы жесткости Д-26-36п Опалубка диафрагмы жесткости Д-26-42п Узел 1 Армирование диафрагмы жесткости Д2-28-33 Армирование диафрагмы жесткости Д2-28-36 Армирование диафрагмы жесткости Д2-28-42 Армирование диафрагмы жесткости Д2-20-33 Армирование диафрагмы жесткости Д2-20-42 Армирование диафрагмы жесткости Д2-26-33 Армирование диафрагмы жесткости Д2-26-36 Армирование диафрагмы жесткости Д2-26-42 Армирование диафрагмы жесткости Д1-28-33 Армирование диафрагмы жесткости Д1-28-36 Армирование диафрагмы жесткости Д1-28-42 Армирование диафрагмы жесткости Д-28-33 Армирование диафрагмы жесткости Д-28-36 Армирование диафрагмы жесткости Д-28-42 Армирование диафрагмы жесткости Д-26-33 Армирование диафрагмы жесткости Д-26-36 Армирование диафрагмы жесткости Д-26-42 Армирование диафрагмы жесткости Д2-28-33п Армирование диафрагмы жесткости Д2-28-36п Армирование диафрагмы жесткости Д2-28-42п Армирование диафрагмы жесткости Д2-26-33п Армирование диафрагмы жесткости Д2-26-36п Армирование диафрагмы жесткости Д2-26-42п Армирование диафрагмы жесткости Д1-28-33п Армирование диафрагмы жесткости Д1-28-36п Армирование диафрагмы жесткости Д1-28-42п Армирование диафрагмы жесткости Д-28-33п Армирование диафрагмы жесткости Д-28-36п Армирование диафрагмы жесткости Д-28-42п Армирование диафрагмы жесткости Д-26-33п Армирование диафрагмы жесткости Д-26-36п Армирование диафрагмы жесткости Д-26-42п Узел 2 Узел 3 Узел 4 Сечения 2-2,3-3,4-4 для узлов 2,3 Узел 5 Узел 6 Узел 7 Сечения 2-2,3-3,4-4,6-6 для узлов 5,6,7 Узел 8 Узел 9 Узел 10 Узел 11 Узел 12 Узел 13 Узел 14 |
| Разработан: | НИИЖБ Госстроя СССР ЦНИИЭП торгово-бытовых зданий и туристских комплексов |
| Утверждён: | 28.01.1972 Государственный комитет по гражданскому строительству и архитектуре при Госстрое СССР (9) |
| Расположен в: | |
| Чем заменён: |
|



























































































