Информационная система
«Ёшкин Кот»

Скачать базу одним архивом
Скачать обновления
История создания базы
Карта сайта

Скачать Серия 3.015-1/82 Выпуск II-5. Часть 1. Книга 1. Сборные железобетонные колонны и траверсы. Вариант армирования сталью класса Ат-IVC. Арматурные изделия. Рабочие чертежи

Дата актуализации: 10.08.2017

Серия 3.015-1/82

Выпуск II-5. Часть 1. Книга 1. Сборные железобетонные колонны и траверсы. Вариант армирования сталью класса Ат-IVC. Арматурные изделия. Рабочие чертежи

Обозначение: Серия 3.015-1/82
Обозначение англ: Series 3.015-1/82
Статус:не действует
Название рус.:Выпуск II-5. Часть 1. Книга 1. Сборные железобетонные колонны и траверсы. Вариант армирования сталью класса Ат-IVC. Арматурные изделия. Рабочие чертежи
Дата добавления в базу:01.09.2013
Дата актуализации:05.05.2017
Дата введения:01.12.1988
Дата окончания срока действия:01.05.1994
Оглавление:3.015-1/82.II-5-1 Каркас КП1-1...КП1-3;КП2-1
3.015-1/82.II-5-2 Каркас КП3-1;КП5-1
3.015-1/82.II-5-3 Каркас КП4-1;КП6-1
3.015-1/82.II-5-4 Каркас КП7-1;КП8-1
3.015-1/82.II-5-5 Каркас КП9-1;КП10-1
3.015-1/82.II-5-6 Каркас КП11-1;КП12-1
3.015-1/82.II-5-7 Каркас КП13-1;КП14-1
3.015-1/82.II-5-8 Каркас КП15-1...КП15-3;КП16-1;КП16-2
3.015-1/82.II-5-9 Каркас КП17-2
3.015-1/82.II-5-10 Каркас КП18-1;КП18-2
3.015-1/82.II-5-11 Каркас КП19-1
3.015-1/82.II-5-12 Каркас КП20-1;КП24-1
3.015-1/82.II-5-13 Каркас КП21-1;КП23-1;КП25-1
3.015-1/82.II-5-14 Каркас КП22-1;КП26-1
3.015-1/82.II-5-15 Каркас КП27-1...КП27-3;КП29-1
3.015-1/82.II-5-16 Каркас КП28-1;КП30-1
3.015-1/82.II-5-17 Каркас КП31-1;КП31-2;КП32-1;КП32-2
3.015-1/82.II-5-18 Каркас КП33-1...КП33-3;КП36-1
3.015-1/82.II-5-19 Каркас КП34-1;КП37-1
3.015-1/82.II-5-20 Каркас КП35-1
3.015-1/82.II-5-21 Каркас КП38-1;КП38-2;КП42-1
3.015-1/82.II-5-22 Каркас КП39-1;КП39-2;КП40-1;КП40-2
3.015-1/82.II-5-23 Каркас КП41-1
3.015-1/82.II-5-24 Каркас КП43-1;КП44-1
3.015-1/82.II-5-25 Каркас КП45-1;КП48-1
3.015-1/82.II-5-26 Каркас КП46-1;КП49-1
3.015-1/82.II-5-27 Каркас КП47-1;КП50-1
3.015-1/82.II-5-28 Каркас КП51-1
3.015-1/82.II-5-29 Каркас КП52-1;КП55-1
3.015-1/82.II-5-30 Каркас КП53-1;КП54-1
3.015-1/82.II-5-31 Каркас КП56-1;КП57-1
3.015-1/82.II-5-32 Каркас КП58-1;КП59-1
3.015-1/82.II-5-33 Каркас КП60-1...КП62-1
3.015-1/82.II-5-34 Каркас КП63-1;КП64-1
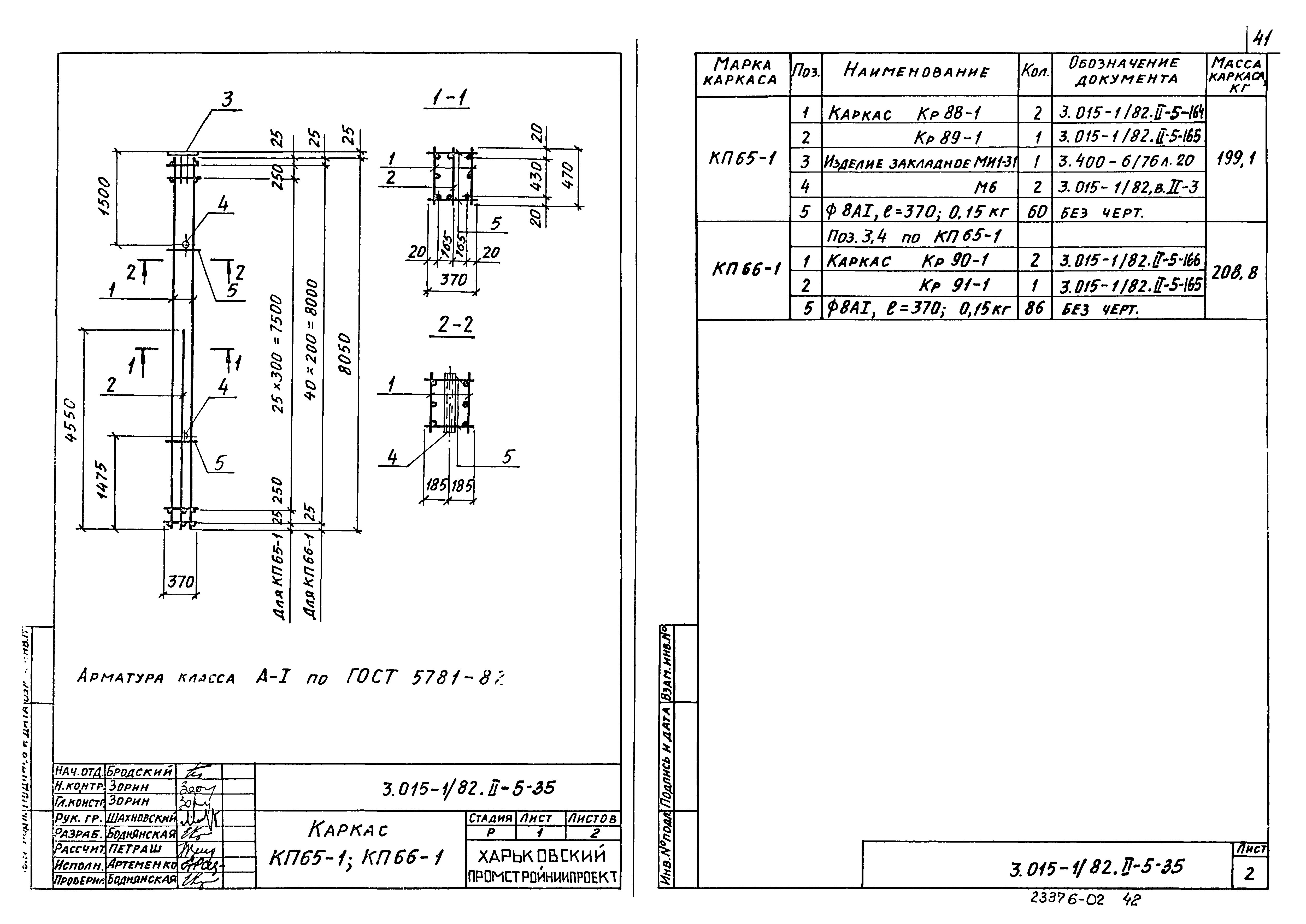
3.015-1/82.II-5-35 Каркас КП65-1;КП66-1
3.015-1/82.II-5-36 Каркас КП67-1
3.015-1/82.II-5-37 Каркас КП68-1;КП68-2;КП69-1
3.015-1/82.II-5-38 Каркас КП70-1;КП70-2;КП71-1;КП71-2;КП78-1;КП78-2;КП79-1;КП79-2
3.015-1/82.II-5-39 Каркас КП72-1;КП74-1;КП80-1;КП80-2;КП81-1
3.015-1/82.II-5-40 Каркас КП73-1
3.015-1/82.II-5-41 Каркас КП75-1;КП103-1
3.015-1/82.II-5-42 Каркас КП76-1...КП76-3;КП84-1
3.015-1/82.II-5-43 Каркас КП77-1;КП77-2
3.015-1/82.II-5-44 Каркас КП82-1;КП83-1
3.015-1/82.II-5-45 Каркас КП85-1;КП91-1
3.015-1/82.II-5-46 Каркас КП86-1
3.015-1/82.II-5-47 Каркас КП87-1
Разработан: Харьковский Промстройниипроект
Утверждён:21.06.1988 Госстрой СССР (Государственный комитет Совета Министров СССР по делам строительства) (USSR Gosstroy 6/6-1256)
Издан: Госстрой СССР (1988 г. )
Расположен в:Техническая документация Строительство Справочные документы Типовые строительные конструкции, изделия и узлы Общероссийский строительный каталог Строительные конструкции, изделия и узлы зданий и сооружений для всех видов строительства Конструкции и изделия сооружений и оборудования зданий Надземные сооружения Опоры и эстакады под технологические трубопроводы
Чем заменён:
Серия 3.015-1/82Серия 3.015-1/82Серия 3.015-1/82Серия 3.015-1/82Серия 3.015-1/82Серия 3.015-1/82Серия 3.015-1/82Серия 3.015-1/82Серия 3.015-1/82Серия 3.015-1/82Серия 3.015-1/82Серия 3.015-1/82Серия 3.015-1/82Серия 3.015-1/82Серия 3.015-1/82Серия 3.015-1/82Серия 3.015-1/82Серия 3.015-1/82Серия 3.015-1/82Серия 3.015-1/82Серия 3.015-1/82Серия 3.015-1/82Серия 3.015-1/82Серия 3.015-1/82Серия 3.015-1/82Серия 3.015-1/82Серия 3.015-1/82Серия 3.015-1/82Серия 3.015-1/82Серия 3.015-1/82Серия 3.015-1/82Серия 3.015-1/82Серия 3.015-1/82Серия 3.015-1/82Серия 3.015-1/82Серия 3.015-1/82Серия 3.015-1/82Серия 3.015-1/82Серия 3.015-1/82Серия 3.015-1/82Серия 3.015-1/82Серия 3.015-1/82Серия 3.015-1/82Серия 3.015-1/82Серия 3.015-1/82Серия 3.015-1/82Серия 3.015-1/82Серия 3.015-1/82Серия 3.015-1/82Серия 3.015-1/82Серия 3.015-1/82Серия 3.015-1/82Серия 3.015-1/82Серия 3.015-1/82Серия 3.015-1/82

© 2013 Ёшкин Кот :-) Карта сайта