Информационная система
«Ёшкин Кот»

Скачать базу одним архивом
Скачать обновления
История создания базы
Карта сайта

Скачать СО 34.46.305-2005 Инструкция по применению системы мониторинга при изготовлении и ремонте силовых трансформаторов

Дата актуализации: 10.08.2017

СО 34.46.305-2005

Инструкция по применению системы мониторинга при изготовлении и ремонте силовых трансформаторов

Обозначение: СО 34.46.305-2005
Обозначение англ: SO 34.46.305-2005
Статус:действует
Название рус.:Инструкция по применению системы мониторинга при изготовлении и ремонте силовых трансформаторов
Дата добавления в базу:01.09.2013
Дата актуализации:05.05.2017
Дата введения:01.02.2005
Область применения:Требования стандарта распространяется на применение системы мониторинга при изготовлении и ремонте трансформаторов (автотрансформаторов и реакторов) силовых масляных общего назначения. Допускается применение настоящей инструкции при реконструкции и модернизации трансформаторов.
Оглавление:1 Введение
2 Общая часть
   2.1 Назначение системы мониторинга
   2.2 Функциональность системы мониторинга
   2.3 Техническое обеспечение
   2.4 Информационное обеспечение
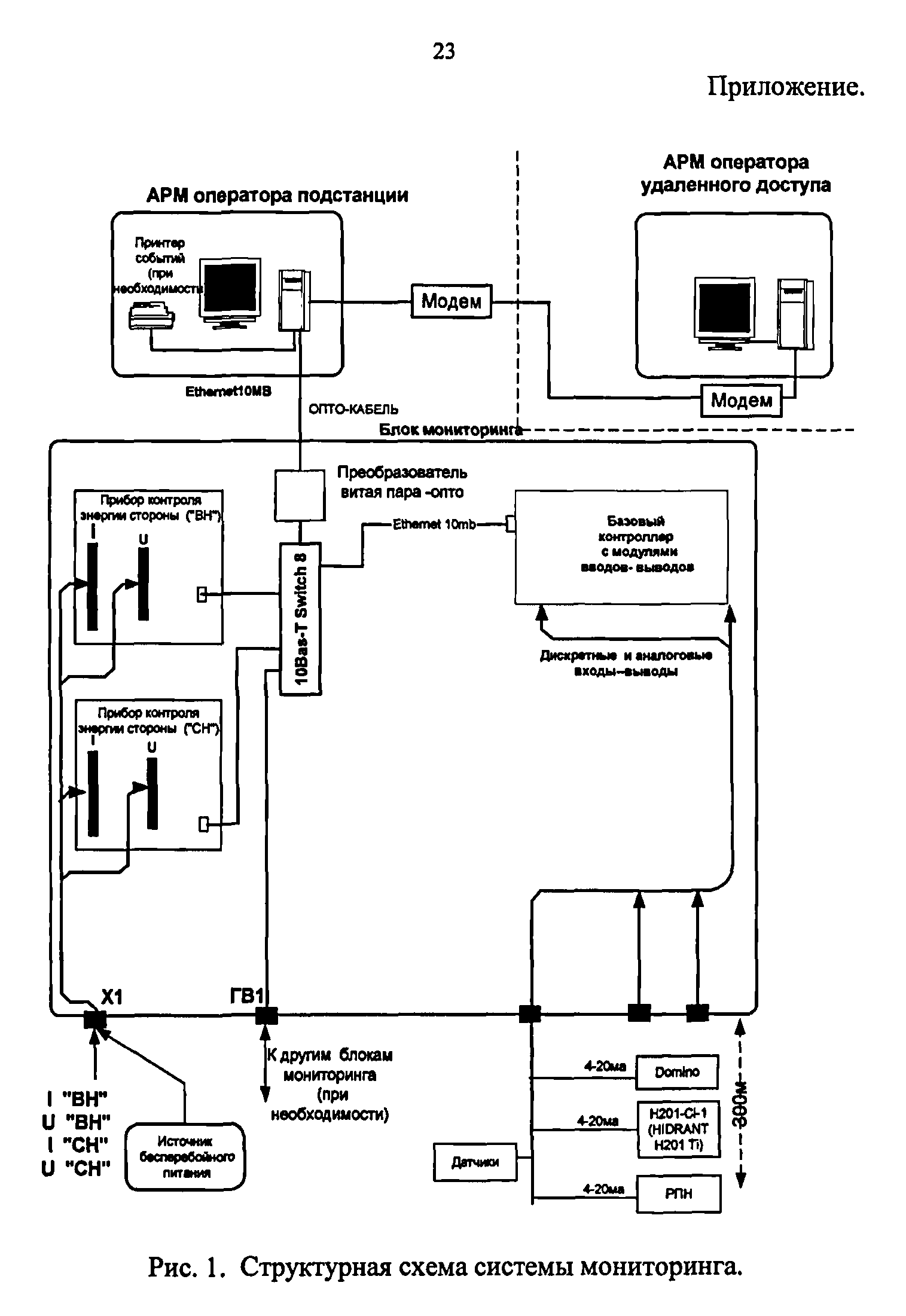
3 Структурная и функциональная схема системы
4 Установка на трансформатор приборов контроля
Приложение. Рисунки по тексту
Разработан: ОАО ЦКБ Энергоремонт
Расположен в:Техническая документация Экология ЭЛЕКТРОТЕХНИКА Трансформаторы. Реакторы Мостостроение Трансформаторы силовые
Заменяет собой:
  • Шифр Э-801
Нормативные ссылки:
СО 34.46.305-2005СО 34.46.305-2005СО 34.46.305-2005СО 34.46.305-2005СО 34.46.305-2005СО 34.46.305-2005СО 34.46.305-2005СО 34.46.305-2005СО 34.46.305-2005СО 34.46.305-2005СО 34.46.305-2005СО 34.46.305-2005СО 34.46.305-2005СО 34.46.305-2005СО 34.46.305-2005СО 34.46.305-2005СО 34.46.305-2005СО 34.46.305-2005СО 34.46.305-2005СО 34.46.305-2005СО 34.46.305-2005СО 34.46.305-2005СО 34.46.305-2005СО 34.46.305-2005СО 34.46.305-2005СО 34.46.305-2005СО 34.46.305-2005СО 34.46.305-2005СО 34.46.305-2005СО 34.46.305-2005

© 2013 Ёшкин Кот :-) Карта сайта