Информационная система
«Ёшкин Кот»

Скачать базу одним архивом
Скачать обновления
История создания базы
Карта сайта

Скачать ОСТ 1 00195-76 Аппараты защиты бортовых электрических сетей самолетов и вертолетов. Методика выбора и проверки правильности установки в системах электроснабжения

Дата актуализации: 10.08.2017

ОСТ 1 00195-76

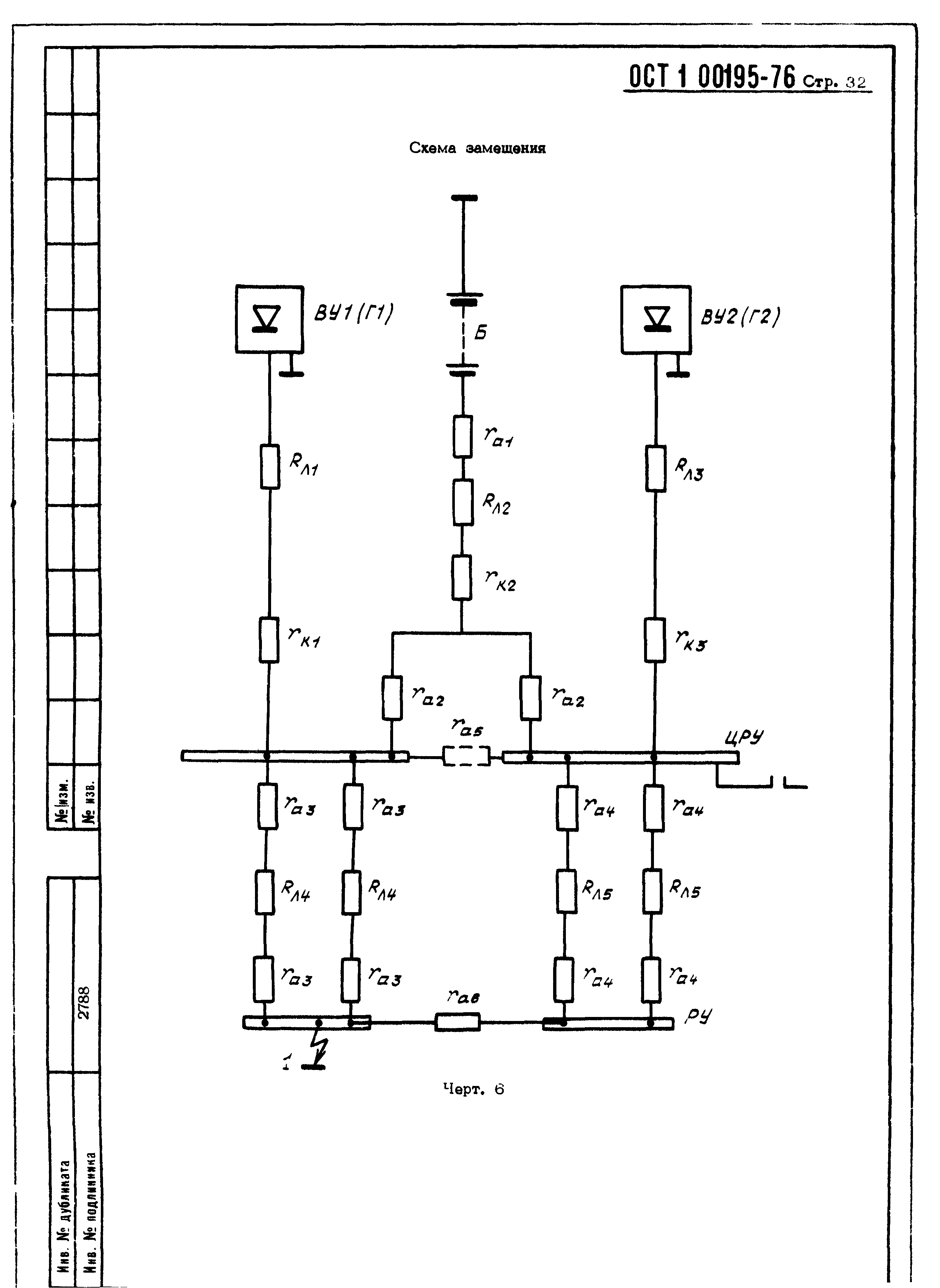
Аппараты защиты бортовых электрических сетей самолетов и вертолетов. Методика выбора и проверки правильности установки в системах электроснабжения

Обозначение: ОСТ 1 00195-76
Обозначение англ: 00195-76
Статус:действует
Название рус.:Аппараты защиты бортовых электрических сетей самолетов и вертолетов. Методика выбора и проверки правильности установки в системах электроснабжения
Дата добавления в базу:01.09.2013
Дата актуализации:05.05.2017
Дата введения:01.01.1977
Область применения:Стандарт распространяется на аппараты защиты, устанавливаемые в бортовых электрических сетях переменного и постоянного тока.
Оглавление:1. Методика выбора аппаратов защиты бортовых электрических сетей
2. Методика проверки аппаратов защиты на возможность защиты ими проводов
3. Расчет силы тока КЗ в бортовых сетях переменного тока
4. Расчет силы тока КЗ в сетях постоянного тока
5. Методика проверки аппаратов защиты на устойчивость к токам КЗ
6. Методика проверки чувствительности аппаратов защиты
7. Методика проверки селективности срабатывания аппаратов защиты
Приложения
Утверждён:15.04.1976 Министерство (Ministry 087-16)
Расположен в:Техническая документация
ОСТ 1 00195-76ОСТ 1 00195-76ОСТ 1 00195-76ОСТ 1 00195-76ОСТ 1 00195-76ОСТ 1 00195-76ОСТ 1 00195-76ОСТ 1 00195-76ОСТ 1 00195-76ОСТ 1 00195-76ОСТ 1 00195-76ОСТ 1 00195-76ОСТ 1 00195-76ОСТ 1 00195-76ОСТ 1 00195-76ОСТ 1 00195-76ОСТ 1 00195-76ОСТ 1 00195-76ОСТ 1 00195-76ОСТ 1 00195-76ОСТ 1 00195-76ОСТ 1 00195-76ОСТ 1 00195-76ОСТ 1 00195-76ОСТ 1 00195-76ОСТ 1 00195-76ОСТ 1 00195-76ОСТ 1 00195-76ОСТ 1 00195-76ОСТ 1 00195-76ОСТ 1 00195-76ОСТ 1 00195-76ОСТ 1 00195-76ОСТ 1 00195-76ОСТ 1 00195-76ОСТ 1 00195-76ОСТ 1 00195-76ОСТ 1 00195-76ОСТ 1 00195-76ОСТ 1 00195-76ОСТ 1 00195-76ОСТ 1 00195-76ОСТ 1 00195-76ОСТ 1 00195-76ОСТ 1 00195-76ОСТ 1 00195-76ОСТ 1 00195-76ОСТ 1 00195-76ОСТ 1 00195-76ОСТ 1 00195-76ОСТ 1 00195-76ОСТ 1 00195-76ОСТ 1 00195-76ОСТ 1 00195-76ОСТ 1 00195-76ОСТ 1 00195-76ОСТ 1 00195-76ОСТ 1 00195-76ОСТ 1 00195-76ОСТ 1 00195-76ОСТ 1 00195-76ОСТ 1 00195-76ОСТ 1 00195-76ОСТ 1 00195-76ОСТ 1 00195-76ОСТ 1 00195-76ОСТ 1 00195-76ОСТ 1 00195-76ОСТ 1 00195-76ОСТ 1 00195-76ОСТ 1 00195-76ОСТ 1 00195-76ОСТ 1 00195-76ОСТ 1 00195-76ОСТ 1 00195-76ОСТ 1 00195-76ОСТ 1 00195-76ОСТ 1 00195-76ОСТ 1 00195-76ОСТ 1 00195-76ОСТ 1 00195-76ОСТ 1 00195-76ОСТ 1 00195-76ОСТ 1 00195-76ОСТ 1 00195-76ОСТ 1 00195-76ОСТ 1 00195-76ОСТ 1 00195-76ОСТ 1 00195-76ОСТ 1 00195-76ОСТ 1 00195-76ОСТ 1 00195-76ОСТ 1 00195-76ОСТ 1 00195-76ОСТ 1 00195-76ОСТ 1 00195-76ОСТ 1 00195-76ОСТ 1 00195-76ОСТ 1 00195-76ОСТ 1 00195-76ОСТ 1 00195-76ОСТ 1 00195-76ОСТ 1 00195-76ОСТ 1 00195-76ОСТ 1 00195-76ОСТ 1 00195-76ОСТ 1 00195-76ОСТ 1 00195-76ОСТ 1 00195-76ОСТ 1 00195-76ОСТ 1 00195-76ОСТ 1 00195-76ОСТ 1 00195-76ОСТ 1 00195-76ОСТ 1 00195-76ОСТ 1 00195-76ОСТ 1 00195-76ОСТ 1 00195-76ОСТ 1 00195-76ОСТ 1 00195-76ОСТ 1 00195-76ОСТ 1 00195-76ОСТ 1 00195-76ОСТ 1 00195-76ОСТ 1 00195-76ОСТ 1 00195-76ОСТ 1 00195-76ОСТ 1 00195-76ОСТ 1 00195-76ОСТ 1 00195-76ОСТ 1 00195-76ОСТ 1 00195-76ОСТ 1 00195-76ОСТ 1 00195-76ОСТ 1 00195-76ОСТ 1 00195-76ОСТ 1 00195-76ОСТ 1 00195-76ОСТ 1 00195-76ОСТ 1 00195-76ОСТ 1 00195-76ОСТ 1 00195-76ОСТ 1 00195-76ОСТ 1 00195-76ОСТ 1 00195-76ОСТ 1 00195-76ОСТ 1 00195-76ОСТ 1 00195-76ОСТ 1 00195-76ОСТ 1 00195-76ОСТ 1 00195-76ОСТ 1 00195-76ОСТ 1 00195-76ОСТ 1 00195-76ОСТ 1 00195-76ОСТ 1 00195-76ОСТ 1 00195-76ОСТ 1 00195-76ОСТ 1 00195-76ОСТ 1 00195-76ОСТ 1 00195-76ОСТ 1 00195-76ОСТ 1 00195-76ОСТ 1 00195-76ОСТ 1 00195-76ОСТ 1 00195-76ОСТ 1 00195-76

© 2013 Ёшкин Кот :-) Карта сайта