Информационная система
«Ёшкин Кот»

Скачать базу одним архивом
Скачать обновления
История создания базы
Карта сайта

Скачать Серия 1.430.9-7.94 Выпуск 1. Панели противопожарных стен. Рабочие чертежи

Дата актуализации: 10.08.2017

Серия 1.430.9-7.94

Выпуск 1. Панели противопожарных стен. Рабочие чертежи

Обозначение: Серия 1.430.9-7.94
Обозначение англ: Series 1.430.9-7.94
Статус:не определен законодательством
Название рус.:Выпуск 1. Панели противопожарных стен. Рабочие чертежи
Дата добавления в базу:01.09.2013
Дата актуализации:05.05.2017
Дата введения:01.02.1995
Область применения:В состав выпуска 1 входят рабочие чертежи противопожарных каркасных панелей укрупнительной сборки с пределом огнестойкости 0,75 часа, в том числе чертежи КМ стального каркаса
Оглавление:1.430.9-7.94.1-ТО Техническое описание
1.430.9-7.94.1-1 Панели каркасные рядовые. Раскладка ГКЛ. Панели 1ПМС 6,0х8,4; 1ПМС 6,0х10,8
1.430.9-7.94.1-2 Панели каркасные рядовые угловые. Раскладка ГКЛ. Панели 2ПМС 6,0х6,0; 2ПМС 6,0х8,4; 2ПМС 6,0х10,8
1.430.9-7.94.1-3 Панели каркасные рядовые парапетные. Раскладка ГКЛ. Панели 3ПМС 6,0х6,0; 3ПМС 6,0х8,4; 3ПМС 6,0х10,8
1.430.9-7.94.1-4 Панели каркасные рядовые угловые. Раскладка ГКЛ. Панели 4ПМС 6,0х6,0; 4ПМС 6,0х8,4; 4ПМС 6,0х10,8
1.430.9-7.94.1-5 Узел 1… 9
1.430.9-7.94.1-6 Спецификация панелей каркасных стеновых
1.430.9-7.94.1-7 Панели каркасные рядовые. Каркас К1; К2; К3
1.430.9-7.94.1-8 Панели каркасные рядовые. Каркас К4; К5; К6
1.430.9-7.94.1-9 Панели каркасные рядовые. Каркас К7; К8; К9
1.430.9-7.94.1-10 Панели каркасные рядовые. Каркас К10; К11; К12
1.430.9-7.94.1-11 Спецификация стали каркасов панелей.
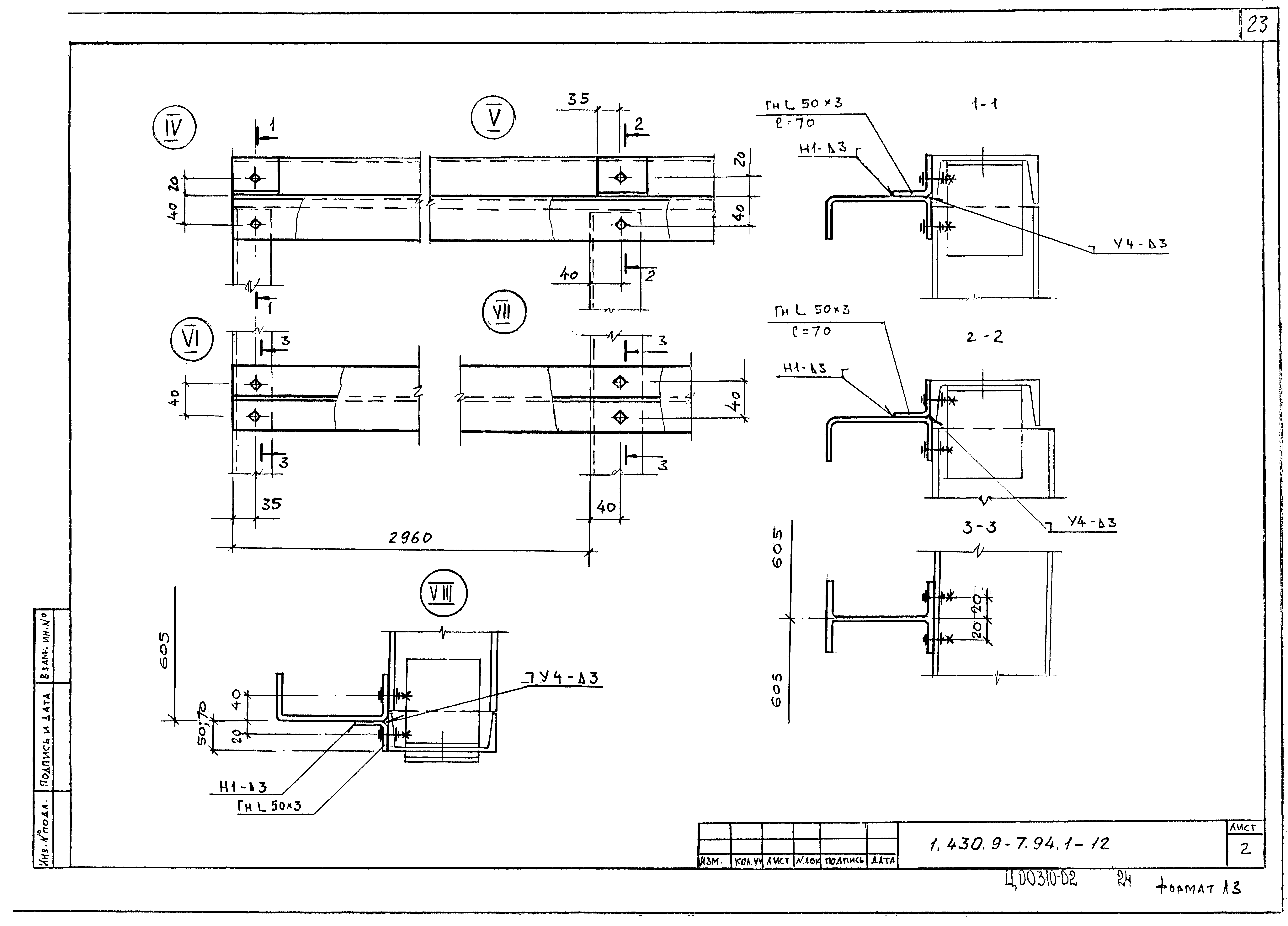
1.430.9-7.94.1-12 Узел I… XVII
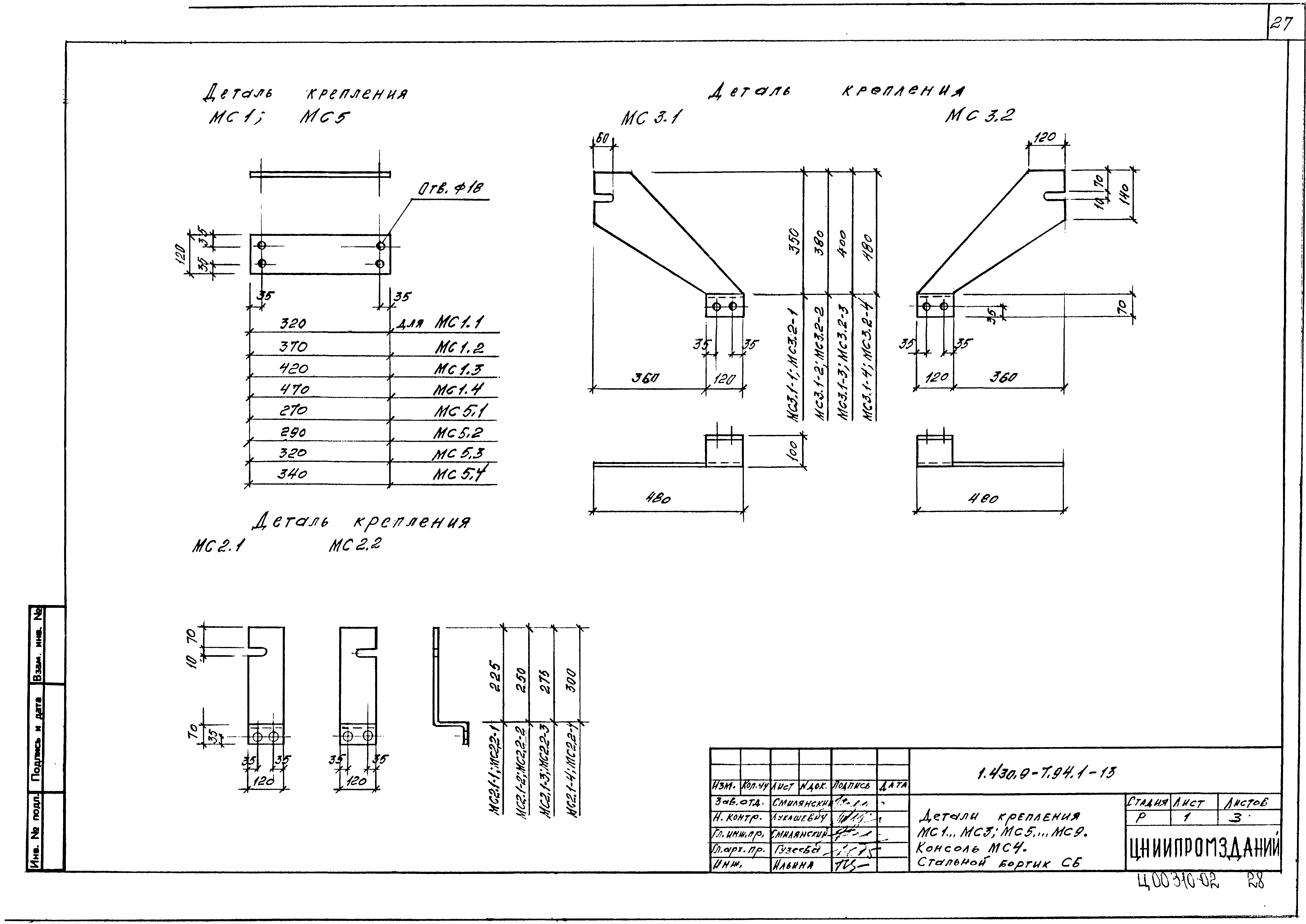
1.430.9-7.94.1-13 Детали крепления МС1… МС3, МС5… МС9. Консоль МС4. Стальной бортик
1.430.9-7.94.1-14 Нащельник Н1; Н6. Фартук Н2… Н5. Консоль МС10; МС11
Разработан: АО ЦНИИпромзданий
Утверждён:04.10.1994 Минстрой России (Russian Federation Minstroy 9-3-1/139)
Расположен в:Техническая документация Строительство Справочные документы Типовые строительные конструкции, изделия и узлы Общероссийский строительный каталог Строительные конструкции, изделия и узлы зданий и сооружений для всех видов строительства Конструкции, изделия и узлы зданий Ограждающие конструкции Стены внутренние Панели бетонные и железобетонные
Нормативные ссылки:
Серия 1.430.9-7.94Серия 1.430.9-7.94Серия 1.430.9-7.94Серия 1.430.9-7.94Серия 1.430.9-7.94Серия 1.430.9-7.94Серия 1.430.9-7.94Серия 1.430.9-7.94Серия 1.430.9-7.94Серия 1.430.9-7.94Серия 1.430.9-7.94Серия 1.430.9-7.94Серия 1.430.9-7.94Серия 1.430.9-7.94Серия 1.430.9-7.94Серия 1.430.9-7.94Серия 1.430.9-7.94Серия 1.430.9-7.94Серия 1.430.9-7.94Серия 1.430.9-7.94Серия 1.430.9-7.94Серия 1.430.9-7.94Серия 1.430.9-7.94Серия 1.430.9-7.94Серия 1.430.9-7.94Серия 1.430.9-7.94Серия 1.430.9-7.94Серия 1.430.9-7.94Серия 1.430.9-7.94Серия 1.430.9-7.94Серия 1.430.9-7.94

© 2013 Ёшкин Кот :-) Карта сайта