Информационная система
«Ёшкин Кот»

Скачать базу одним архивом
Скачать обновления
История создания базы
Карта сайта

Скачать Серия 1.138.1-17 Выпуск 2. Часть 1. Панели толщиной 400 мм. Рабочие чертежи

Дата актуализации: 10.08.2017

Серия 1.138.1-17

Выпуск 2. Часть 1. Панели толщиной 400 мм. Рабочие чертежи

Обозначение: Серия 1.138.1-17
Обозначение англ: Series 1.138.1-17
Статус:действует
Название рус.:Выпуск 2. Часть 1. Панели толщиной 400 мм. Рабочие чертежи
Дата добавления в базу:01.09.2013
Дата актуализации:05.05.2017
Область применения:Настоящий выпуск содержит рабочие чертежи опалубок панелей и их узлов, пространственных арматурных каркасов (блоков) с узлами, а также арматурных и закладных изделий и деталей панелей парапета толщиной 400 мм
Оглавление:1.138.1-17.1 00 000 ТО Техническое описание
1.138.1-17.1 01 000 Панель парапета (1НЧ 24.25.40-50Л-1.1; 1НЧ 24.24.40-50Л-1.1)
1.138.1-17.1 02 000 Панель парапета (1НЧ 30.25.40-50Л-1.1… 1НЧ 28.24.40-50Л-3.3)
1.138.1-17.1 02 000 СБ Панель парапета (1НЧ 30.25.40-50Л-1.1… 1НЧ 28.24.40-50Л-3.3). Сборочный чертеж
1.138.1-17.1 03 000 Панель парапета (1НЧ 35.25.40-50Л-1.2… 1НЧ 40.25.40-50Л-2.2)
1.138.1-17.1 03 000 СБ Панель парапета (1НЧ 35.25.40-50Л-1.2… 1НЧ 40.25.40-50Л-2.2). Сборочный чертеж
1.138.1-17.1 04 000 Панель парапета (1НЧ 36.25.40-50Л-1.1… 1НЧ 34.24.40-50Л-3.3)
1.138.1-17.1 04 000 СБ Панель парапета (1НЧ 36.25.40-50Л-1.1… 1НЧ 34.24.40-50Л-3.3). Сборочный чертеж
1.138.1-17.1 05 000 Панель парапета (1НЧ 41.25.40-50Л-1.2… 1НЧ 46.25.40-50Л-2.2)
1.138.1-17.1 05 000 СБ Панель парапета (1НЧ 41.25.40-50Л-1.2… 1НЧ 46.25.40-50Л-2.2). Сборочный чертеж
1.138.1-17.1 06 000 Панель парапета (1НЧ 60.25.40-50Л-1.1… 1НЧ 60.25.40-50Л-1.1.1Л)
1.138.1-17.1 07 000 Панель парапета (1НЧ 65.25.40-50Л-1.2… 1НЧ 65.25.40-50Л-2.1)
1.138.1-17.1 07 000 СБ Панель парапета (1НЧ 65.25.40-50Л-1.2… 1НЧ 65.25.40-50Л-2.1). Сборочный чертеж
1.138.1-17.1 08 000 Панель парапета 1НЧ 70.25.40-50Л-2.2
1.138.1-17.1 09 000 Панель парапета (1НЧ 59.25.40-50Л-1.3… 1НЧ 59.25.40-50Л-3.1.1)
1.138.1-17.1 09 000 СБ Панель парапета (1НЧ 59.25.40-50Л-1.3… 1НЧ 59.25.40-50Л-3.1.1). Сборочный чертеж
1.138.1-17.1 10 000 Панель парапета (1НЧ 58.25.40-50Л-3.3… 1НЧ 58.25.40-50Л-3.3.1Л)
1.138.1-17.1 11 000 Панель парапета (1НЧ 66.25.40-50Л-1.1… 1НЧ 66.25.40-50Л-1.1.2Л)
1.138.1-17.1 11 000 СБ Панель парапета (1НЧ 66.25.40-50Л-1.1… 1НЧ 66.25.40-50Л-1.1.2Л). Сборочный чертеж
1.138.1-17.1 12 000 Панель парапета (1НЧ 71.25.40-50Л-1.2; 1НЧ 71.25.40-50Л-2.1)
1.138.1-17.1 12 000 СБ Панель парапета (1НЧ 71.25.40-50Л-1.2; 1НЧ 71.25.40-50Л-2.1). Сборочный чертеж
1.138.1-17.1 13 000 Панель парапета (1НЧ 65.25.40-50Л-1.3… 1НЧ 65.25.40-50Л-1.3.2Л)
1.138.1-17.1 13 000 СБ Панель парапета (1НЧ 65.25.40-50Л-1.3… 1НЧ 65.25.40-50Л-1.3.2Л). Сборочный чертеж
1.138.1-17.1 14 000 Панель парапета (1НЧ 65.25.40-50Л-3.1… 1НЧ 65.25.40-50Л-3.1.2)
1.138.1-17.1 14 000 СБ Панель парапета (1НЧ 65.25.40-50Л-3.1… 1НЧ 65.25.40-50Л-3.1.2). Сборочный чертеж
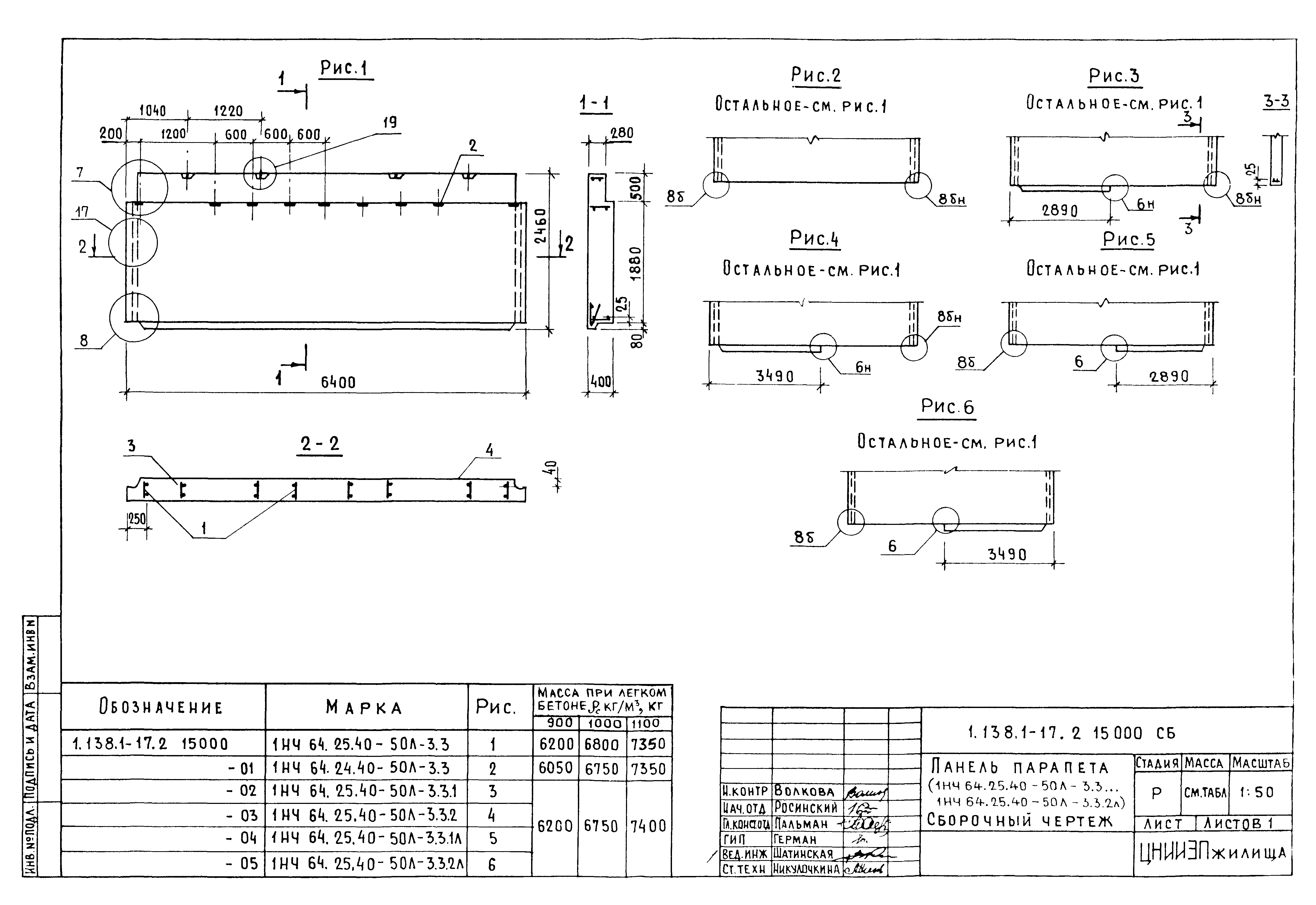
1.138.1-17.1 15 000 Панель парапета (1НЧ 64.25.40-50Л-3.3… 1НЧ 64.25.40-50Л-3.3.2Л)
1.138.1-17.1 15 000 СБ Панель парапета (1НЧ 64.25.40-50Л-3.3… 1НЧ 64.25.40-50Л-3.3.2Л). Сборочный чертеж
1.138.1-17.1 16 000 Панель парапета (1НЧ 72.25.40-50Л-1.1… 1НЧ 72.25.40-50Л-1.1.2Л)
1.138.1-17.1 17 000 Панель парапета (1НЧ 71.25.40-50Л-1.3… 1НЧ 71.25.40-50Л-3.1.2)
1.138.1-17.1 17 000 СБ Панель парапета (1НЧ 71.25.40-50Л-1.3… 1НЧ 71.25.40-50Л-3.1.2). Сборочный чертеж
1.138.1-17.1 18 000 Панель парапета (1НЧ 70.25.40-50Л-3.3… 1НЧ 70.25.40-50Л-3.3.2Л)
1.138.1-17.1 19 000 Панель парапета (1НЧ 51.25.40-50Л-4.8… 1НЧ 69.25.40-50Л-4.8)
1.138.1-17.1 20 000 Панель парапета (1НЧ 51.25.40-50Л-8.4… 1НЧ 69.25.40-50Л-8.4)
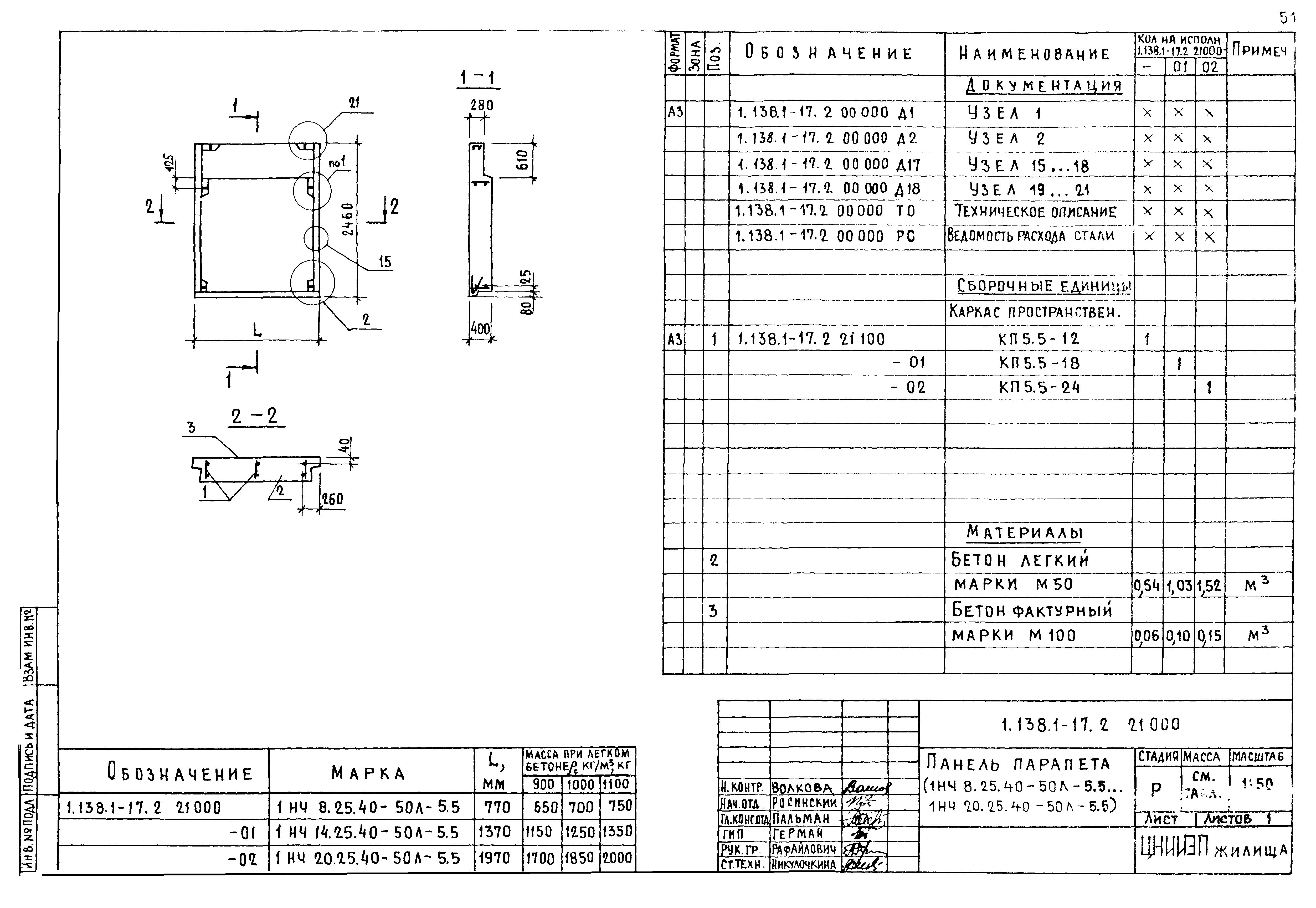
1.138.1-17.1 21 000 Панель парапета (1НЧ 8.25.40-50Л-5.5… 1НЧ 20.25.40-50Л-5.5)
1.138.1-17.1 22 000 Панель парапета (1НЧ 8.24.40-50Л-5.5… 1НЧ 20.25.40-50Л-5.5)
1.138.1-17.1 23 000 Панель парапета (1НЧ 51.25.40-50Л-8.6… 1НЧ 69.25.40-50Л-8.6)
1.138.1-17.1 24 000 Панель парапета (1НЧ 51.25.40-50Л-6.8… 1НЧ 69.25.40-50Л-6.8)
1.138.1-17.1 25 000 Панель парапета (1НЧ 12.25.40-50Л-5.7… 1НЧ 24.25.40-50Л-5.7)
1.138.1-17.1 26 000 Панель парапета (1НЧ 12.25.40-50Л-7.5… 1НЧ 24.25.40-50Л-7.5)
1.138.1-17.1 27 000 Панель парапета (1НЧ 12.25.40-50Л-5.7-2… 1НЧ 24.25.40-50Л-5.7-2)
1.138.1-17.1 28 000 Панель парапета (1НЧ 12.25.40-50Л-7.5-2… 1НЧ 24.25.40-50Л-7.5-2)
1.138.1-17.1 00 000 Д1 Узел 1
1.138.1-17.1 00 000 Д2 Узел 2
1.138.1-17.1 00 000 Д3 Узел 2б; 6
1.138.1-17.1 00 000 Д4 Узел 3
1.138.1-17.1 00 000 Д5 Узел 4
1.138.1-17.1 00 000 Д6 Узел 4б
1.138.1-17.1 00 000 Д7 Узел 7
1.138.1-17.1 00 000 Д8 Узел 8
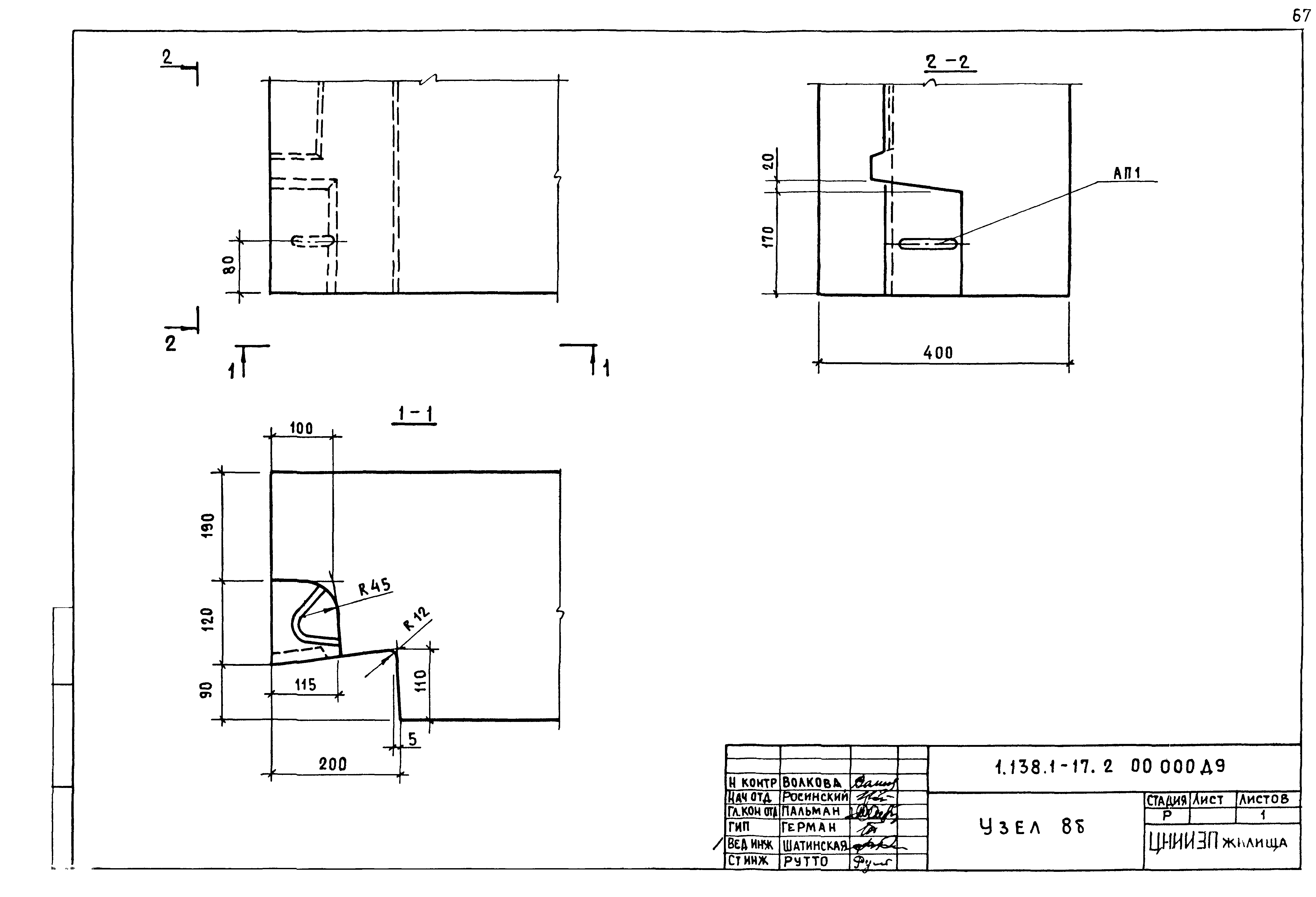
1.138.1-17.1 00 000 Д9 Узел 8б
1.138.1-17.1 00 000 Д10 Узел 9
1.138.1-17.1 00 000 Д11 Узел 10
1.138.1-17.1 00 000 Д12 Узел 11
1.138.1-17.1 00 000 Д13 Узел 12
1.138.1-17.1 00 000 Д14 Узел 13
1.138.1-17.1 00 000 Д15 Узел 14
1.138.1-17.1 00 000 Д16 Узел 14б
1.138.1-17.1 00 000 Д17 Узел 15… 18
1.138.1-17.1 00 000 Д18 Узел 19… 21
1.138.1-17.1 00 000 Д19 Узел 22
 1.138.1-17.1 01 100 Каркас пространственный (КП 1.1-24; КП 1.1-24б)
1.138.1-17.1 02 100 Каркас пространственный (КП 1.1-30… КП 3.3-30б)
1.138.1-17.1 02 100 СБ Каркас пространственный (КП 1.1-30… КП 3.3-30б). Сборочный чертеж
1.138.1-17.1 03 100 Каркас пространственный (КП 1.2-30… КП 2.2-30)
1.138.1-17.1 04 100 Каркас пространственный (КП 1.1-36… КП 3.3-36б)
1.138.1-17.1 04 100 СБ Каркас пространственный (КП 1.1-36… КП 3.3-36б). Сборочный чертеж
1.138.1-17.1 05 100 Каркас пространственный (КП 1.2-36… КП 2.2-36б)
1.138.1-17.1 06 100 Каркас пространственный (КП 1.1-60… КП 1.1-60-1л)
1.138.1-17.1 06 100 СБ Каркас пространственный (КП 1.1-60… КП 1.1-60-1л). Сборочный чертеж
1.138.1-17.1 07 100 Каркас пространственный (КП 1.2-60… КП 2.1-60-1л)
1.138.1-17.1 07 100 СБ Каркас пространственный (КП 1.2-60… КП 2.1-60). Сборочный чертеж
1.138.1-17.1 08 100 Каркас пространственный КП 2.2-60
1.138.1-17.1 09 100 Каркас пространственный (КП 1.3-60… КП 1.3-60-1л)
1.138.1-17.1 09 100 СБ Каркас пространственный (КП 1.3-60… КП 1.3-60-1л). Сборочный чертеж
1.138.1-17.1 09 200 Каркас пространственный (КП 3.1-60… КП 3.1-60-1л)
1.138.1-17.1 09 200 СБ Каркас пространственный (КП 3.1-60… КП 3.1-60-1л). Сборочный чертеж
1.138.1-17.1 10 100 Каркас пространственный (КП 3.3-60… КП 3.3-60-1л)
1.138.1-17.1 10 100 СБ Каркас пространственный (КП 3.3-60… КП 3.3-60-1л). Сборочный чертеж
1.138.1-17.1 11 100 Каркас пространственный (КП 1.1-66… КП 1.1-66-2л)
1.138.1-17.1 11 100 СБ Каркас пространственный (КП 1.1-66… КП 1.1-66-2л). Сборочный чертеж
1.138.1-17.1 12 100 Каркас пространственный (КП 1.2-66; КП 2.1-66)
1.138.1-17.1 13 100 Каркас пространственный (КП 1.3-66… КП 1.3-66-2л)
1.138.1-17.1 13 100 СБ Каркас пространственный (КП 1.3-66… КП 1.3-66-2л). Сборочный чертеж
1.138.1-17.1 14 100 Каркас пространственный (КП 3.1-66… КП 3.1-66-2)
1.138.1-17.1 14 100 СБ Каркас пространственный (КП 3.1-65… КП 3.1-56-2). Сборочный чертеж
1.138.1-17.1 15 100 Каркас пространственный (КП 3.3-66… КП 3.3-66-2л)
1.138.1-17.1 15 100 СБ Каркас пространственный (КП 3.3-66… КП 3.3-66-2л). Сборочный чертеж
1.138.1-17.1 16 100 Каркас пространственный (КП 1.1-72… КП 1.1-72-2л)
1.138.1-17.1 16 100 СБ Каркас пространственный (КП 1.1-72… КП 1.1-72-2л). Сборочный чертеж
1.138.1-17.1 17 100 Каркас пространственный (КП 1.3-72… КП 1.3-72-2л)
1.138.1-17.1 17 100 СБ Каркас пространственный (КП 1.3-72… КП 1.3-72-2л). Сборочный чертеж
1.138.1-17.1 17 200 Каркас пространственный (КП 3.1-72… КП 3.1-72-2л)
1.138.1-17.1 17 200 СБ Каркас пространственный (КП 3.1-72… КП 3.1-72-2л). Сборочный чертеж
1.138.1-17.1 18 100 Каркас пространственный (КП 3.3-72… КП 3.3-72-2л)
1.138.1-17.1 18 100 СБ Каркас пространственный (КП 3.3-72… КП 3.3-72-2л). Сборочный чертеж
1.138.1-17.1 19 100 Каркас пространственный (КП 4.8-48… КП 8.4-54)
1.138.1-17.1 19 100 Каркас пространственный (КП 4.8-48… КП 8.4-54). Сборочный чертеж
1.138.1-17.1 19 200 Каркас пространственный (КП 4.8-60… КП 4.8-66)
1.138.1-17.1 19 200 Каркас пространственный (КП 4.8-60… КП 8.4-66). Сборочный чертеж
1.138.1-17.1 21 100 Каркас пространственный (КП 5.5-12… КП 5.5-24)
1.138.1-17.1 22 100 Каркас пространственный (КП 5.5-12б… КП 5.5-24б)
1.138.1-17.1 23 100 Каркас пространственный (КП 6.8-48… КП 8.6-48)
1.138.1-17.1 23 100 СБ Каркас пространственный (КП 6.8-48… КП 8.6-48). Сборочный чертеж
1.138.1-17.1 23 200 Каркас пространственный (КП 6.8-54… КП 8.6-54)
1.138.1-17.1 23 200 СБ Каркас пространственный (КП 6.8-54… КП 8.6-54). Сборочный чертеж
1.138.1-17.1 23 300 Каркас пространственный (КП 6.8-60… КП 8.6-66)
1.138.1-17.1 23 300 СБ Каркас пространственный (КП 6.8-60… КП 8.6-66). Сборочный чертеж
1.138.1-17.1 25 100 Каркас пространственный (КП 5.7-12… КП 5.7-24)
1.138.1-17.1 26 100 Каркас пространственный (КП 7.5-12… КП 7.5-24)
1.138.1-17.1 27 100 Каркас пространственный (КП 5.7-12б… КП 5.7-24б)
1.138.1-17.1 28 100 Каркас пространственный (КП 7.5-12б… КП 7.5-24б)
1.138.1-17.1 00 000 Д21 Узел 1.1
1.138.1-17.1 00 000 Д22 Узел 2.1
1.138.1-17.1 00 000 Д23 Узел 2б.1
1.138.1-17.1 00 000 Д24 Узел 3.1
1.138.1-17.1 00 000 Д25 Узел 4.1
1.138.1-17.1 00 000 Д26 Узел 4б.1
1.138.1-17.1 00 000 Д27 Узел 7.1
1.138.1-17.1 00 000 Д28 Узел 8.1
1.138.1-17.1 00 000 Д29 Узел 8б.1
1.138.1-17.1 00 000 Д30 Узел 9.1
1.138.1-17.1 00 000 Д31 Узел 10.1
1.138.1-17.1 00 000 Д32 Узел 11.1
1.138.1-17.1 00 000 Д33 Узел 12.1
1.138.1-17.1 00 000 Д34 Узел 13.1
1.138.1-17.1 00 000 Д35 Узел 14.1
1.138.1-17.1 00 000 Д36 Узел 14б.1
1.138.1-17.1 00 000 Д37 Узел 19.1, 20.1
1.138.1-17.1 00 000 Д38 Узел 22.1
Разработан: ЦНИИЭП жилища
Утверждён:30.04.1986 Госгражданстрой (Gosgrazhdanstroy 153)
Принят: Гипростроммаш
Издан: ЦИТП Госстроя СССР (CITP, Gosstroy (USSR) 1986 г. )
Расположен в:Техническая документация Строительство Справочные документы Типовые строительные конструкции, изделия и узлы Общероссийский строительный каталог Строительные конструкции, изделия и узлы зданий и сооружений для всех видов строительства Конструкции, изделия и узлы зданий Ограждающие конструкции Стены наружные Панели и блоки парапетов. Карнизы
Нормативные ссылки:
Серия 1.138.1-17Серия 1.138.1-17Серия 1.138.1-17Серия 1.138.1-17Серия 1.138.1-17Серия 1.138.1-17Серия 1.138.1-17Серия 1.138.1-17Серия 1.138.1-17Серия 1.138.1-17Серия 1.138.1-17Серия 1.138.1-17Серия 1.138.1-17Серия 1.138.1-17Серия 1.138.1-17Серия 1.138.1-17Серия 1.138.1-17Серия 1.138.1-17Серия 1.138.1-17Серия 1.138.1-17Серия 1.138.1-17Серия 1.138.1-17Серия 1.138.1-17Серия 1.138.1-17Серия 1.138.1-17Серия 1.138.1-17Серия 1.138.1-17Серия 1.138.1-17Серия 1.138.1-17Серия 1.138.1-17Серия 1.138.1-17Серия 1.138.1-17Серия 1.138.1-17Серия 1.138.1-17Серия 1.138.1-17Серия 1.138.1-17Серия 1.138.1-17Серия 1.138.1-17Серия 1.138.1-17Серия 1.138.1-17Серия 1.138.1-17Серия 1.138.1-17Серия 1.138.1-17Серия 1.138.1-17Серия 1.138.1-17Серия 1.138.1-17Серия 1.138.1-17Серия 1.138.1-17Серия 1.138.1-17Серия 1.138.1-17Серия 1.138.1-17Серия 1.138.1-17Серия 1.138.1-17Серия 1.138.1-17Серия 1.138.1-17Серия 1.138.1-17Серия 1.138.1-17Серия 1.138.1-17Серия 1.138.1-17Серия 1.138.1-17Серия 1.138.1-17Серия 1.138.1-17Серия 1.138.1-17Серия 1.138.1-17Серия 1.138.1-17Серия 1.138.1-17Серия 1.138.1-17Серия 1.138.1-17Серия 1.138.1-17Серия 1.138.1-17Серия 1.138.1-17Серия 1.138.1-17Серия 1.138.1-17Серия 1.138.1-17Серия 1.138.1-17Серия 1.138.1-17Серия 1.138.1-17Серия 1.138.1-17Серия 1.138.1-17Серия 1.138.1-17Серия 1.138.1-17Серия 1.138.1-17Серия 1.138.1-17Серия 1.138.1-17Серия 1.138.1-17Серия 1.138.1-17Серия 1.138.1-17Серия 1.138.1-17Серия 1.138.1-17Серия 1.138.1-17Серия 1.138.1-17Серия 1.138.1-17Серия 1.138.1-17Серия 1.138.1-17Серия 1.138.1-17Серия 1.138.1-17Серия 1.138.1-17Серия 1.138.1-17Серия 1.138.1-17Серия 1.138.1-17Серия 1.138.1-17Серия 1.138.1-17Серия 1.138.1-17Серия 1.138.1-17Серия 1.138.1-17Серия 1.138.1-17Серия 1.138.1-17Серия 1.138.1-17Серия 1.138.1-17Серия 1.138.1-17Серия 1.138.1-17Серия 1.138.1-17Серия 1.138.1-17Серия 1.138.1-17Серия 1.138.1-17Серия 1.138.1-17Серия 1.138.1-17Серия 1.138.1-17Серия 1.138.1-17Серия 1.138.1-17Серия 1.138.1-17Серия 1.138.1-17Серия 1.138.1-17Серия 1.138.1-17Серия 1.138.1-17Серия 1.138.1-17Серия 1.138.1-17Серия 1.138.1-17Серия 1.138.1-17Серия 1.138.1-17Серия 1.138.1-17Серия 1.138.1-17Серия 1.138.1-17Серия 1.138.1-17Серия 1.138.1-17Серия 1.138.1-17Серия 1.138.1-17Серия 1.138.1-17Серия 1.138.1-17Серия 1.138.1-17Серия 1.138.1-17Серия 1.138.1-17Серия 1.138.1-17Серия 1.138.1-17Серия 1.138.1-17Серия 1.138.1-17Серия 1.138.1-17Серия 1.138.1-17Серия 1.138.1-17Серия 1.138.1-17Серия 1.138.1-17

© 2013 Ёшкин Кот :-) Карта сайта