Информационная система
«Ёшкин Кот»

Скачать базу одним архивом
Скачать обновления
История создания базы
Карта сайта

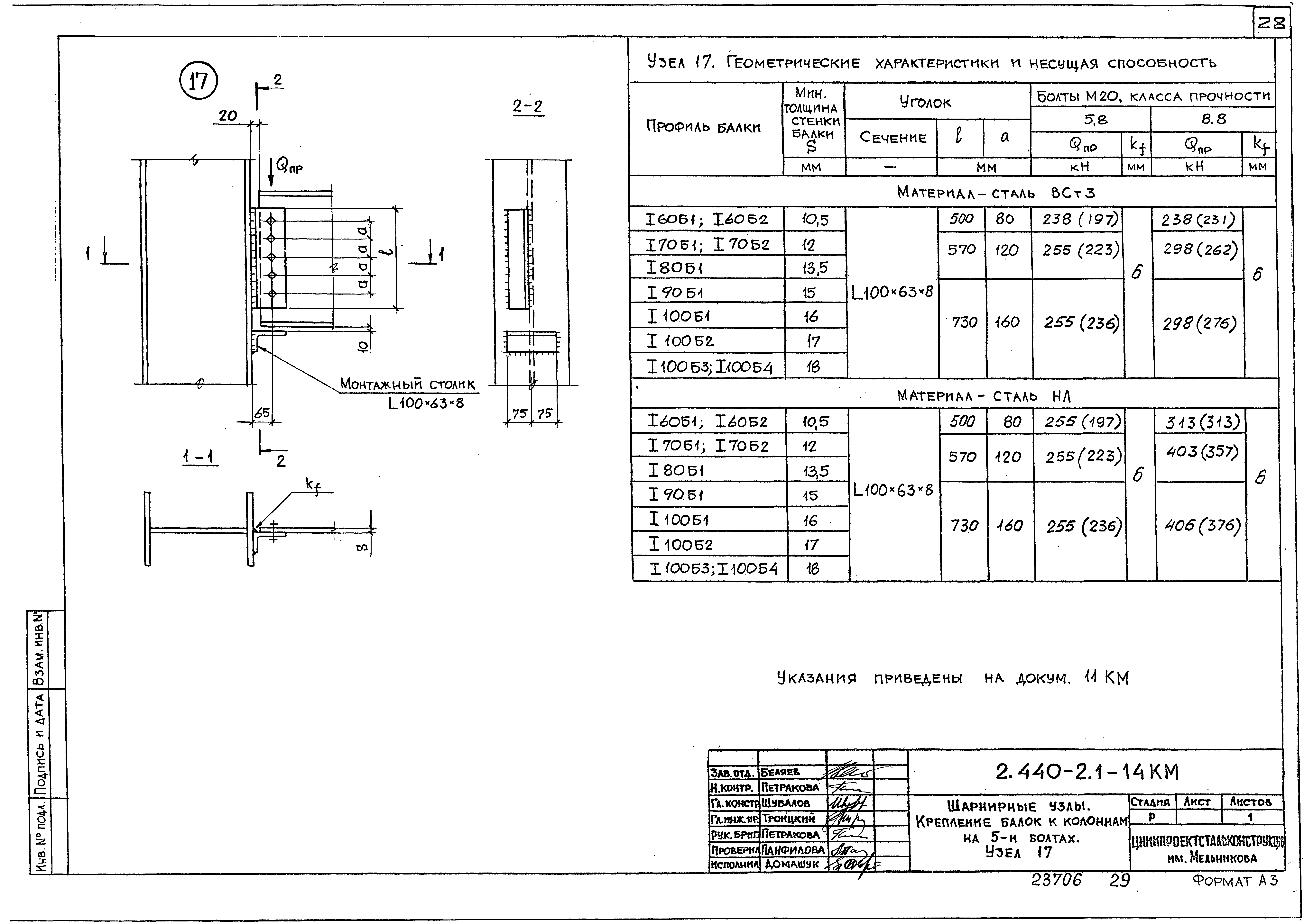
Скачать Серия 2.440-2 Выпуск 1. Шарнирные узлы балочных клеток и рамные узлы примыкания ригелей к колоннам

Дата актуализации: 10.08.2017

Серия 2.440-2

Выпуск 1. Шарнирные узлы балочных клеток и рамные узлы примыкания ригелей к колоннам

Обозначение: Серия 2.440-2
Обозначение англ: Series 2.440-2
Статус:действует
Название рус.:Выпуск 1. Шарнирные узлы балочных клеток и рамные узлы примыкания ригелей к колоннам
Дата добавления в базу:01.09.2013
Дата актуализации:05.05.2017
Разработан: ЦНИИпроектстальконструкция
ГПИ Ленпроектстальконструкция
ВНИПИ Промстальконструкция
Утверждён:31.05.1988 Госстрой СССР (Государственный комитет Совета Министров СССР по делам строительства) (USSR Gosstroy 6/6-1120)
Издан: ЦИТП Госстроя СССР (CITP, Gosstroy (USSR) 1989 г. )
Расположен в:Техническая документация Строительство Справочные документы Типовые строительные конструкции, изделия и узлы Общероссийский строительный каталог Строительные конструкции, изделия и узлы зданий и сооружений для всех видов строительства Конструкции, изделия и узлы зданий Несущие конструкции одноэтажных зданий Узлы и детали сопряжения железобетонных и стальных конструкций
Серия 2.440-2Серия 2.440-2Серия 2.440-2Серия 2.440-2Серия 2.440-2Серия 2.440-2Серия 2.440-2Серия 2.440-2Серия 2.440-2Серия 2.440-2Серия 2.440-2Серия 2.440-2Серия 2.440-2Серия 2.440-2Серия 2.440-2Серия 2.440-2Серия 2.440-2Серия 2.440-2Серия 2.440-2Серия 2.440-2Серия 2.440-2Серия 2.440-2Серия 2.440-2Серия 2.440-2Серия 2.440-2Серия 2.440-2Серия 2.440-2Серия 2.440-2Серия 2.440-2Серия 2.440-2Серия 2.440-2Серия 2.440-2Серия 2.440-2Серия 2.440-2Серия 2.440-2Серия 2.440-2Серия 2.440-2Серия 2.440-2Серия 2.440-2Серия 2.440-2Серия 2.440-2Серия 2.440-2Серия 2.440-2Серия 2.440-2Серия 2.440-2Серия 2.440-2Серия 2.440-2Серия 2.440-2Серия 2.440-2Серия 2.440-2Серия 2.440-2Серия 2.440-2Серия 2.440-2Серия 2.440-2Серия 2.440-2Серия 2.440-2Серия 2.440-2Серия 2.440-2Серия 2.440-2Серия 2.440-2Серия 2.440-2Серия 2.440-2Серия 2.440-2Серия 2.440-2Серия 2.440-2Серия 2.440-2Серия 2.440-2Серия 2.440-2Серия 2.440-2Серия 2.440-2Серия 2.440-2Серия 2.440-2Серия 2.440-2Серия 2.440-2Серия 2.440-2Серия 2.440-2Серия 2.440-2Серия 2.440-2Серия 2.440-2Серия 2.440-2Серия 2.440-2

© 2013 Ёшкин Кот :-) Карта сайта