| ||||||||||||||||||||||||||||||
Скачать СО 34.48.525 Методические указания по техническому обслуживанию комплекса аппаратуры радиостанции FM-164Дата актуализации: 10.08.2017
|
| Обозначение: | СО 34.48.525 |
| Обозначение англ: | SO 34.48.525 |
| Статус: | действует |
| Название рус.: | Методические указания по техническому обслуживанию комплекса аппаратуры радиостанции FM-164 |
| Дата добавления в базу: | 01.09.2013 |
| Дата актуализации: | 05.05.2017 |
| Дата введения: | 01.06.1982 |
| Область применения: | В указаниях приведены рекомендации по объему, периодичности и организации технического обслуживания комплекса аппаратуры радиостанции FM-164. Предназначены для специалистов, обслуживающих аппаратуру радиостанций FM-164 в предприятиях электрических сетей. |
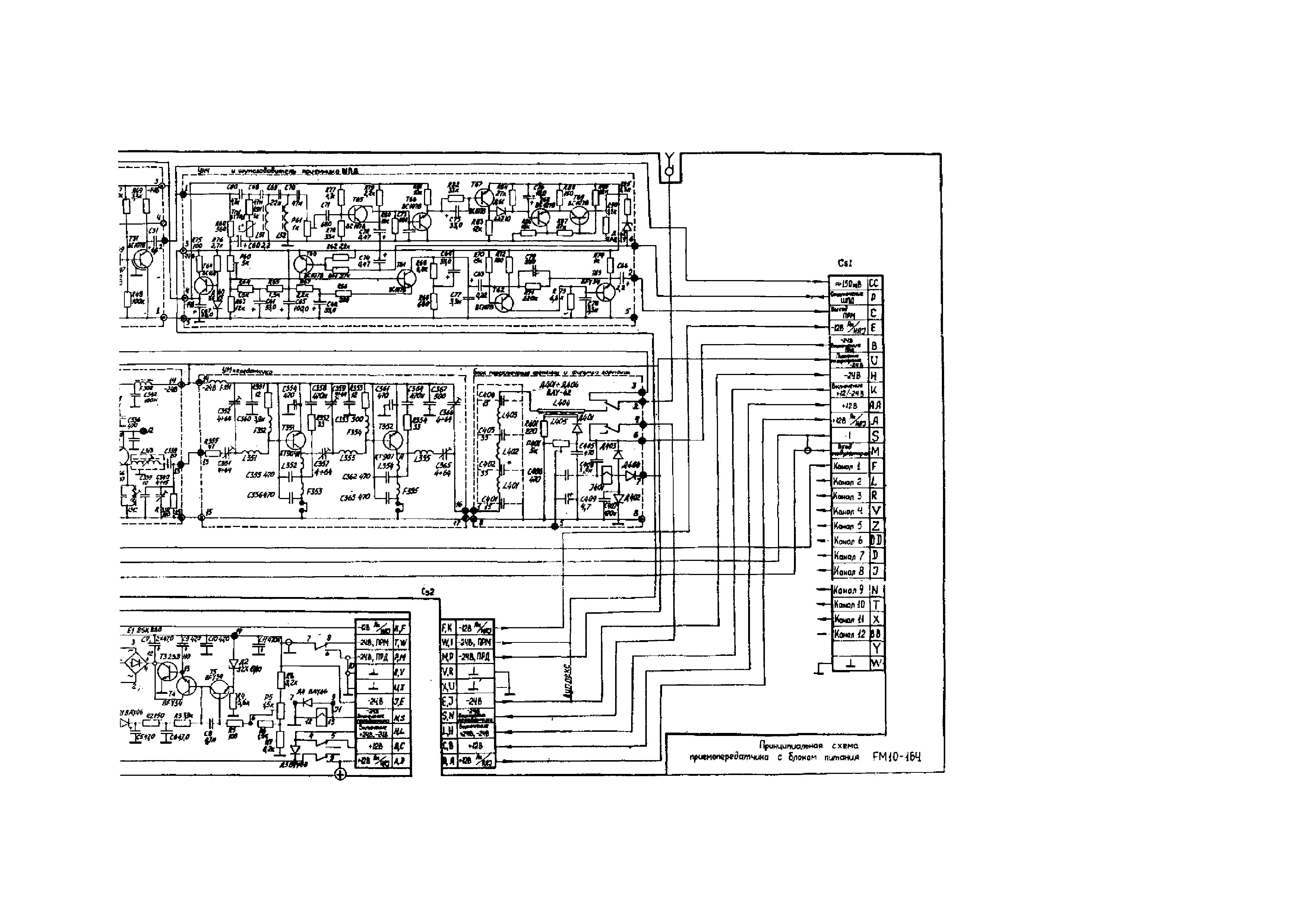
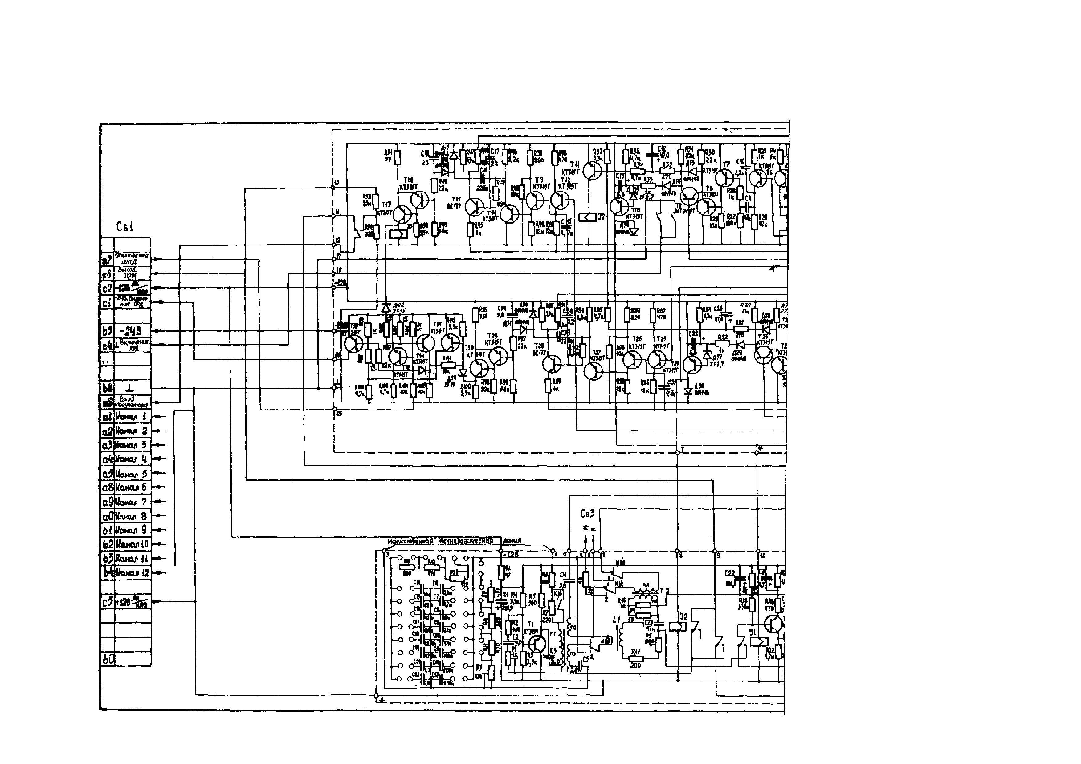
| Оглавление: | 1 Введение 2 Общие указания 2.1. Указания по распаковке аппаратуры 2.2. Общие положения о сроках и порядке составления рекламных актов на импортные товары 3 Указание мер безопасности 4 Проверка аппаратуры на функционирование перед установкой ее на объектах 4.1. Общие указания 4.2. Порядок подготовки к работе комплекта абонентской мобильной радиостанции 4В50-334 4.3. Порядок подготовки к работе комплекта 4.4. Порядок подготовки к работе комплекта центральной радиостанции 4В50-324 4.5. Комплексная функциональная проверка комплектов радиостанций 4В50-334 и 4В50-324 4.6. Комплексная функциональная проверка комплектов радиостанций 4В50-328 и 4В50-324 5 Проверка основных электрических параметров аппаратуры перед установкой ее на объектах 6 Порядок установки и монтажа аппаратуры радиостанции FM-164 6.1. Общие указания 6.2. Монтаж и измерения электрических параметров антенны и коаксиального кабеля стационарной радиостанции 6.3. Проверка электрических параметров соединительной линии для дистанционного управления радиостанцией 7 Техническое обслуживание аппаратуры радиостанций FM-164 7.1. Виды и периодичность технического обслуживания 7.2. Объемы плановых проверок 7.3. Объемы проверок электрических параметров аппаратуры 7.4. Организация рабочих мест для технического обслуживания аппаратуры радиостанции FM-164 8 Измерение и настройка основных электрических параметров передатчика радиостанции FM10-164 8.1. Состав основных электрических параметров передатчика радиостанции 8.2. Подготовка передатчика 8.3. Измерение частот передатчика 8.4. Измерение выходной мощности 8.5. Измерение девиации частоты 8.6. Измерение коэффициента гармонических составляющих 8.7. Установка порога срабатывания схемы защиты 8.8. Измерение потребляемого тока 8.9. Измерение промежуточных параметров 9 Измерение и настройка основных электрических параметров приемника радиостанции FM10-164 9.1. Состав основных электрических параметров приемника радиостанции 9.2. Подготовка приемника 9.3. Измерение частот задающих генераторов гетеродина 9.4. Измерение чувствительности 9.5. Измерение коэффициента гармонических составляющих 9.6. Установка порога срабатывания шумоподавителя 9.7. Измерение потребляемого тока 9.8. Измерение потребляемого тока 10 Измерение и настройка электрических параметров пульта управления FK51D 10.1. Состав основных 10.2. Измерение и настройка электрических параметров генераторов KNG (БКС) 10.3. Измерение и настройка электрических параметров двойного селектора 10.4. Измерение и настройка электрических параметров пульта ГК5ID в режиме ретрансляций 11 Измерение и настройка электрических параметров пульта управления GK7-50/50 11.1. Состав основных электрических параметров пульта GK7-50/50 11.2. Настройка и измерение частот генераторов 12 Измерение и настройка электрических параметров блока телесигнализации TIA4 12.1. Состав основных электрических параметров блока TIA4 12.2. Измерение и настройка пяти-шести частотных генераторов 12.3. Измерение и настройка электрических параметров схемы согласования 12.4. Измерение и настройка электрических параметров трехчастотного селектора 12.5. Автономная проверка общей работоспособности блока TIA4 13 Измерение и настройка электрических параметров блока телесигнализации TIК4 13.1. Состав основных электрических параметров блока TIК4 13.2. Измерение и настройка электрических параметров схемы согласования блока TIК4 13.3. Измерение и настройка трехчастотного верхнего и нижнего селектора 13.4. Автономная проверка общей работоспособности блока TIК4 14 Измерение и настройка электрических параметров блока дистанционного управления TK53K 14.1. Состав основных электрических параметров блока TK53K 14.2. Подготовка блока TK53K 14.3. Установка номинального выхолного напряжения в линии (тракт передачи) 14.4. Проверка АЧХ тракта передачи 14.5. Проверка запаса по усилению тракта приема 14.6. Установка номинального выходного напряжения на пульте FK51 (тракт приема) 14.7. Проверка АЧХ тракта приема 14.8. Проверка отработки команды "включения напряжения питания радиостанции" 14.9. Проверка отработки команды "включение передатчика радиостанции" 14.10. Проверка отработки команды "переключение на ретрансляцию" 14.11. Проверка отработки команд "свободно", "занято" 15 Измерение и настройка электрических параметров блока дистанционного управления TK53AV 15.1. Состав основных электрических параметров TK53AV 15.2. Подготовка блока TK53AV 15.3. Проверка запаса по усилению тракта передачи 15.4. Установка номинального выходного напряжения на модуляторе передатчика (тракт передачи) 15.5. Проверка АЧХ тракта передачи 15.6. Установка номинального выходного напряжения в линии (тракт приема) 15.7. Проверка АЧХ тракта приема 15.8. Проверка исполнения команды "включение напряжения питания радиостанции" 15.9. Исполнение команды "включение передатчика радиостанции" 15.10. Исполнение команды "переключение на ретрансляцию" 16 Характерные неисправности и методы их устранения Схемы проверки аппаратуры радиостанции FM 10-164 Схемы радиостанции FM 164 Принципиальные схемы на аппаратуру радиостанции FM 10-164 |
| Разработан: | ПО Союзтехэнерго |
| Утверждён: | 18.05.1982 ПО Союзтехэнерго |
| Издан: | СПО Союзтехэнерго (1982 г. ) |
| Расположен в: |














































































































