Информационная система
«Ёшкин Кот»

Скачать базу одним архивом
Скачать обновления
История создания базы
Карта сайта

Скачать Альбом технических решений по повышению тепловой защиты зданий, утеплению узлов при проведении капитального ремонта жилищного фонда

Дата актуализации: 10.08.2017

Альбом технических решений по повышению тепловой защиты зданий, утеплению узлов при проведении капитального ремонта жилищного фонда

Статус:действует
Название рус.:Альбом технических решений по повышению тепловой защиты зданий, утеплению узлов при проведении капитального ремонта жилищного фонда
Название англ.:Engineering Datasheets on Improvements of Thermal Protection of Buildings and Heating of Units During Housing Renovation
Дата добавления в базу:01.09.2013
Дата актуализации:05.05.2017
Дата введения:01.01.1996
Область применения:Альбом является методическим пособием, содержит технические решения по повышению тепловой защиты, утеплению конструктивных узлов зданий и инженерного оборудования, предназначен для персонала организаций, эксплуатирующих жилищный фонд и проектных организаций при разработке проекта капитального ремонта жилых зданий.
Оглавление:1 Крыши
   1.1 Чердачные крыши с холодным чердаком
   1.2 Ремонт металлических кровель
   1.3 Ремонт мягких кровель
   1.4 Бесчердачные крыши
   1.5 Крыши с теплым чердаком
2 Стены
3 Стыковые соединения
4 Балконы и лоджии
5 Окна и двери
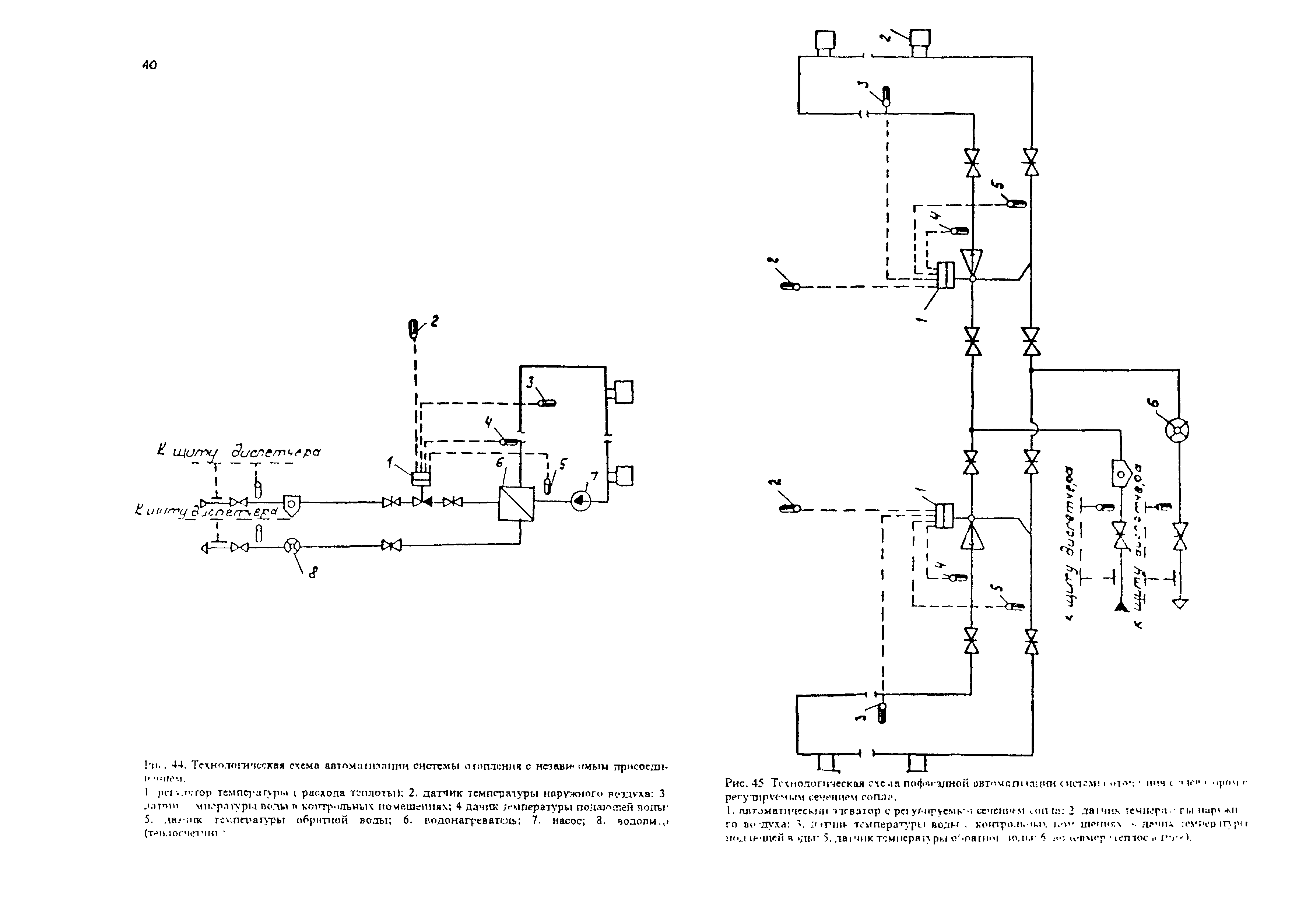
6 Системы отопления
Список литературы
Разработан: АКХ им. К. Д. Памфилова
Союз работников ЖКХ России
Утверждён:01.01.1996 АКХ им. Памфилова (Pamfilov AKKh )
Издан: Союз работников ЖКХ РФ (1996 г. )
Расположен в:Техническая документация Экология СТРОИТЕЛЬНЫЕ МАТЕРИАЛЫ И СТРОИТЕЛЬСТВО Защита зданий снаружи и внутри Теплоизоляция зданий Строительство Нормативные документы Нормативные документы ЖКХ
Нормативные ссылки:

© 2013 Ёшкин Кот :-) Карта сайта