Информационная система
«Ёшкин Кот»

XXXecatmenu

ОСТ 26.260.468-2000

СТАНДАРТ ОТРАСЛИ

 

УСТРОЙСТВА ДЛЯ УСТАНОВКИ ПРИБОРОВ
ИЗМЕРЕНИЯ ДАВЛЕНИЯ
НА Ру 4,0 и 16,0 МПа
(с двумя клапанами типа ВНИЛ)

Конструкция и размеры

Предисловие

1 РАЗРАБОТАН Дочерним открытым акционерным обществом Центральное конструкторское бюро нефтеаппаратуры ДАО ЦКБН

2 ПРИНЯТ И ВВЕДЕН В ДЕЙСТВИЕ Техническим комитетом 260 «Оборудование химическое и нефтегазоперерабатывающее»

3 ВВЕДЕН ВПЕРВЫЕ

СТАНДАРТ ОТРАСЛИ

УСТРОЙСТВА ДЛЯ УСТАНОВКИ ПРИБОРОВ ИЗМЕРЕНИЯ
ДАВЛЕНИЯ НА Ру 4,0 и 16,0 МПа
(с двумя клапанами ВНИЛ)

Конструкция и размеры

Дата введения 2000-12-01

1 Область применения

Настоящий стандарт устанавливает пределы применения, конструкцию и основные размеры устройств для установки приборов измерения давления на трубопроводах и аппаратах, применяемых в химической, нефтехимической, газовой и других смежных отраслях промышленности на условное давление 4,0 и 16,0 МПа, температуру от минус 40 до 200 °С и от минус 70 до 300 °С в зависимости от материального исполнения.

Материальное исполнение 5 - для неагрессивной среды со скоростью коррозии до 0,1 мм/год:

- природный газ с содержанием углекислоты до 1 % объемных, сероводорода не более 20 мг/нм3, нефтегазовая смесь, углеводородный конденсат, конденсационная вода, метанол, мехпримеси.

Материальное исполнение 6 - для агрессивной среды со скоростью коррозии свыше 0,1 мм/год:

- природный газ, углеводородный конденсат, нефтегазовая смесь, содержащие сероводород, вызывающий коррозионное растрескивание при парциальном давлении сероводорода более 0,0003 МПа;

- растворы щелочей, аминов, вызывающие коррозионное растрескивание;

- растворы гликолей, содержащие продукты окисления - муравьиную и уксусную кислоты.

2 Нормативные ссылки

В настоящем стандарте использованы ссылки на следующие стандарты:

ОСТ 26.260.465-2000 Устройства для установки приборов измерения давления на Ру 1,6 МПа (с краном трехходовым). Конструкция и размеры

ОСТ 26.260.466-2000 Устройства для установки приборов измерения давления на Ру 4,0 и 16,0 МПа (с двумя вентилями). Конструкция и размеры

ОСТ 26.260.472-2000 Устройства для установки приборов измерения и отбора давления. Общие технические требования

ТУ 3742-008-31688214-95 Клапаны сальниковые DN 6; 10; 15 мм PIN 16 МПа

3 Конструкция и размеры

3.1 По конструкции и размерам устройства имеют шестнадцать исполнений:

исполнения 1 - 8 - рисунки 1 - 8, таблица 1

исполнения 9 - 16 - рисунки 9 - 16, таблица 1.

Исполнение 1

1 - прокладка 1 ОСТ 26.260.465; 2 - ниппель 1 ОСТ 26.260.466; 3 - гайка накидная 1 ОСТ 26.260.466; 4 - тройник равнопроходный 1 ОСТ 26.260.466; 5 - клапан DN10, ВНИЛ.491116.011-09, М22×1,5 ТУ 3742-008-31688214 или клапан DN10, ВНИЛ.491116.011-25, М22×1,5 ТУ 3742-008-31688214

(Измененная редакция, Изм. № 1).

Рисунок 1

Исполнение 2

Остальное см. исполнение 1

6 - тройник переходный 2 ОСТ 26.260.466

Рисунок 2

Исполнение 3

Остальное см. исполнение 1

6 - заглушка 3 ОСТ 26.260.466

Рисунок 3

Исполнение 4

Остальное см. исполнение 1

6* - заглушка 4 ОСТ 26.260.466

Рисунок 4

Исполнение 5

1 - прокладка 1 ОСТ 26.260.465; 2 - ниппель 1 ОСТ 26.260.466; 3 - гайка накидная 1 ОСТ 26.260.466; 4 - тройник равнопроходный 1 ОСТ 26.260.466; 5 - клапан DN10, ВНИЛ.491116.011-09, М22×1,5 ТУ 3742-008-31688214 или клапан DN10, ВНИЛ.491116.011-25, М22×1,5 ТУ 3742-008-31688214

(Измененная редакция, Изм. № 1).

Рисунок 5

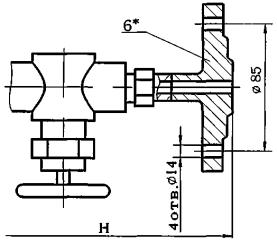
Исполнение 6

Остальное см. исполнение 5

6 - тройник переходный 2 ОСТ 26.260.466

Рисунок 6

Исполнение 7

Остальное см. исполнение 5

6 - заглушка 3 ОСТ 26.260.466

Рисунок 7

Исполнение 8

Остальное см. исполнение 5

6* - заглушка 4 ОСТ 26.260.466

Рисунок 8

_____________

* Заглушку поз. 6 в устройствах исполнений 4 и 8 для сосудов и аппаратов 1 и 2 группы применять с уплотнительной поверхностью «выступ» рисунок 24 ОСТ 26.260.466.

Исполнение 9

1 - прокладка 1 ОСТ 26.260.465; 2 - трубка сифонная 4 ОСТ 26.260.465; 3 - гайка накидная 1 ОСТ 26.260.466; 4 - ниппель 1 ОСТ 26.260.466; 5 - тройник равнопроходный 2 ОСТ 26.260.466; 6 - клапан DN10, ВНИЛ.491116.011-09, М22×1,5 ТУ 3742-008-31688214 или клапан DN10, ВНИЛ.491116.011-25, М22×1,5 ТУ 3742-008-31688214

Рисунок 9

(Измененная редакция, Изм. № 1).

Исполнение 10

Остальное см. исполнение 9

7 - тройник переходный 2 ОСТ 26.260.466

Рисунок 10

Исполнение 11

Остальное см. исполнение 9

7 - заглушка 3 ОСТ 26.260.466

Рисунок 11

Исполнение 12

Остальное см. исполнение 9

7* - заглушка 4 ОСТ 26.260.466

Рисунок 12

Исполнение 13

1 - прокладка 1 ОСТ 26.260.465; 2 - трубка сифонная 4 ОСТ 26.260.465; 3 - гайка накидная 1 ОСТ 26.260.466; 4 - ниппель 1 ОСТ 26.260.466; 5 - тройник равнопроходный 1 ОСТ 26.260.466; 6 - клапан DN10, ВНИЛ.491116.011-09, М22×1,5 ТУ 3742-008-31688214 или клапан DN10, ВНИЛ.491116.011-25, М22×1,5 ТУ 3742-008-31688214

(Измененная редакция, Изм. № 1).

Рисунок 13

Исполнение 14

Остальное см. исполнение 13

7 - тройник переходный 2 ОСТ 26.260.466

Рисунок 14

Исполнение 15

Остальное см. исполнение 13

7 - заглушка 3 ОСТ 26.260.466

Рисунок 15

Исполнение 16

Остальное см. исполнение 13

7* - заглушка 4 ОСТ 26.260.466

Рисунок 16

_____________

* Заглушку поз. 7 в устройствах исполнений 12 и 16 для сосудов и аппаратов 1 и 2 группы применять с уплотнительной поверхностью «выступ» рисунок 24 ОСТ 26.260.466.

Таблица 1

Исполнение

Давление условное Ру, МПа

Температура среды, °С

H, мм

Масса, кг

1

16

До 80

250

1,5

2

303

1,9

3

300

5,0

4

4

285

3,0

5

16

336

1,5

6

389

1,9

7

386

5,0

8

4

370

3,0

9

16

До 450

440

2,0

10

493

2,4

11

490

5,5

12

4

474

3,5

13

16

336

2,0

14

389

2,4

15

386

5,5

16

4

370

3,5

Пример условного обозначения устройства измерения давления исполнения 2, материального исполнения 5, на Ру 16,0 МПа:

Устройство измерения давления 2-5-16,0 ОСТ 26.260.468-2000

3.2 Технические требования - по ОСТ 26.260.472

СОДЕРЖАНИЕ

 



© 2013 Ёшкин Кот :-)