Информационная система
«Ёшкин Кот»

XXXecatmenu

ОСТ 26.260.475-2001

СТАНДАРТ ОТРАСЛИ

УСТРОЙСТВА ДЛЯ УСТАНОВКИ ПРИБОРОВ ИЗМЕРЕНИЯ
ДАВЛЕНИЯ НА Ру 4,0 и 16,0 МПа
(с одним клапаном типа 15нж54бк)

Конструкция и размеры

 

Предисловие

1. РАЗРАБОТАН Дочерним открытым акционерным обществом Центральное конструкторское бюро нефтеаппаратуры ДАО ЦКБН

2. ПРИНЯТ И ВВЕДЕН В ДЕЙСТВИЕ Техническим комитетом 260 «Оборудование химическое и нефтегазоперерабатывающее»

3. ВЗАМЕН АТК 24.201.03-90 в части устройства с одним клапаном 15нж54бк и 15нж54бк1

4. ВВЕДЕН ВПЕРВЫЕ

 

СТАНДАРТ ОТРАСЛИ

УСТРОЙСТВА ДЛЯ УСТАНОВКИ ПРИБОРОВ ИЗМЕРЕНИЯ ДАВЛЕНИЯ НА Ру 4,0 и 16,0 Мпа
(с одним клапаном 15нж54бк)

Конструкция и размеры

Дата введения 2001-02-01

1. Область применения

Настоящий стандарт устанавливает конструкцию, пределы применения и основные размеры устройств для установки приборов измерения давления на трубопроводах и аппаратах, применяемых в химической, нефтехимической, газовой и других смежных отраслях промышленности на условное давление 4,0 и 16,0 МПа, температуру от минус 40 до 300 °C.

Устройства с одним клапаном предназначены для измерения давления следующих сред:

- газы горючие природные по ОСТ 51.40;

- другие газы, не содержащие пластовую воду, механические примеси, парафины и другие конденсирующиеся и кристаллизирующиеся вещества;

- жидкости, не замерзающие в диапазоне температур окружающего воздуха, не содержащие механических примесей и других веществ, выпадающих в осадок, не содержащие парафины и другие кристаллизирующиеся вещества, не вязкие жидкости.

Во всех остальных случаях применяются устройства для измерения давления с двумя клапанами по ОСТ 26.260.467.

2. Нормативные ссылки

В настоящем стандарте использованы ссылки на следующие стандарты:

ОСТ 26.260.465-2000 Устройства для установки приборов измерения давления на Ру 1,6 МПа (с краном трехходовым). Конструкция и размеры

ОСТ 26.260.466-2000 Устройства для установки приборов измерения давления на Ру 4,0 и 16,0 МПа (с двумя вентилями). Конструкция и размеры

ОСТ 26.260.467-2000 Устройства для установки приборов измерения давления на Ру 4,0 и 16,0 МПа (с двумя клапанами типа 15нж54бк). Конструкция и размеры

ОСТ 26.260.472-2000 Устройства для установки приборов измерения и отбора давления. Общие технические требования

ОСТ 51.40-93 Газы горючие природные поставляемые и транспортируемые по магистральным газопроводам. Технические условия

ТУ 26-07-1418-86 Клапаны запорные стальные Ду 15, Ру 16 МПа (160 кгс/см2). Технические условия

3. Конструкция и размеры

3.1. По конструкции и размерам устройства имеют шестнадцать исполнений:

исполнения 1 - 8 - рисунки 1 - 8, таблица 1

исполнения 9 - 16 - рисунки 9 - 16, таблица 1.

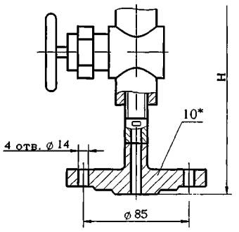
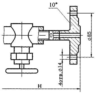
Исполнение 1

1 - прокладка 1 ОСТ 26.260.465; 2 - гайка накидная 1 ОСТ 26.260.466; 3 - ниппель 1 ОСТ 26.260.466; 4 - штуцер 1 ОСТ 26.260.467; 5 - гайка 1 ОСТ 26.260.467; 6 - штуцер ввертной 1 ОСТ 26.260.467; 7 - прокладка 1 ОСТ 26.260.467; 8 - клапан Ду 15 Ру 16,0 МПа т/ф 15нж54бк (ПЗ.2286-015) ТУ 26-07-1418 или клапан Ду 15 Ру 16,0 МПа т/ф 15нж54бк1 (ПЗ.2286-015-03) ТУ 26-07-1418

Рисунок 1

Исполнение 2

Остальное см. исполнение 1

9 - тройник переходный 2 ОСТ 26.260.466

Рисунок 2

Исполнение 3

Остальное см. исполнение 1

9 - заглушка 3 ОСТ 26.260.466

Рисунок 3

Исполнение 4

Остальное см. исполн. 1

9* - заглушка 4 ОСТ 26.260.466

Рисунок 4

Исполнение 5

1 - прокладка 1 ОСТ 26.260.465; 2 - трубка сифонная 7 ОСТ 26.260.465; 3 - гайка накидная 1 ОСТ 26.260.466; 4 - ниппель 1 ОСТ 26.260.466; 5 - штуцер ввертной 1 ОСТ 26.260.467; 6 - штуцер 1 ОСТ 26.260.467; 7 - гайка 1 ОСТ 26.260.467; 8 - прокладка 1 ОСТ 26.260.467; 9 - клапан Ду 15 Ру 16,0 МПа т/ф 15нж54бк (ПЗ 2286-015) ТУ 26-07-1418 или клапан Ду 15 Ру 16,0 МПа т/ф 15нж54бк1 (ПЗ.2286-015-03) ТУ 26-07-1418

Рисунок 5

Исполнение 6

Остальное см. исполнение 5

10 - тройник переходной 2 ОСТ 26.260.466

Рисунок 6

Исполнение 7

Остальное см. исполнение 5

10 - заглушка 3 ОСТ 26.260.466

Рисунок 7

Исполнение 8

Остальное см. исполнение 5

10* - заглушка 4 ОСТ 26.260.466

Рисунок 8

_____________

* Заглушку поз. 9 и 10 в устройствах исполнений соответственно 4 и 8 для сосудов и аппаратов 1 и 2 группы применять с уплотнительной поверхностью «выступ» рисунок 24 ОСТ 26.260.466.

Исполнение 9

1 - прокладка 1 ОСТ 26.260.465; 2 - трубка сифонная 4 ОСТ 26.260.465; 3 - гайка накидная 1 ОСТ 26.260.466; 4 - ниппель 1 ОСТ 26.260.466; 5 - штуцер ввертной 1 ОСТ 26.260.467; 6 - штуцер 1 ОСТ 26.260.467; 7 - гайка 1 ОСТ 26.260.467; 8 - прокладка 1 ОСТ 26.260.467; 9 - клапан Ду 15 Ру 16,0 МПа т/ф 15нж54бк (ПЗ.2286-015) ТУ 26-07-1418 или клапан Ду 15 Ру 16,0 МПа т/ф 15нж54бк1 (ПЗ.2286-015-03) ТУ 26-07-1418

Рисунок 9

Исполнение 10

Остальное см. исполнение 9

10 - тройник переходной 2 ОСТ 26.260.466

Рисунок 10

Исполнение 11

Остальное см. исполнение 9

10 - заглушка 3 ОСТ 26.260.466

Рисунок 11

Исполнение 12

Остальное см. исполнение 9

10* - заглушка 4 ОСТ 26.260.466

Рисунок 12

Исполнение 13

1 - прокладка 1 ОСТ 26.260.465; 2 - трубка сифонная 1 ОСТ 26.260.465; 3 - гайка накидная 1 ОСТ 26.260.466; 4 - ниппель 1 ОСТ 26.260.466; 5 - штуцер ввертной 1 ОСТ 26.260.467; 6 - штуцер 1 ОСТ 26.260.467; 7 - гайка 1 ОСТ 26.260.467; 8 - прокладка 1 ОСТ 26.260.467; 9 - клапан Ду 15 Ру 16,0 МПа т/ф 15нж54бк (ПЗ.2286-015) ТУ 26-07-1418 или клапан Ду 15 Ру 16,0 МПа т/ф 15нж54бк1 (ПЗ.2286-015-03) ТУ 26-07-1418

Рисунок 13

Исполнение 14

Остальное см. исполнение 13

10 - тройник переходный 2 ОСТ 26.260.466

Рисунок 14

Исполнение 15

Остальное см. исполнение 13

10 - заглушка 3 ОСТ 26.260.466

Рисунок 15

Исполнение 16

Остальное см. исполнение 13

10* - заглушка 4 ОСТ 26.260.466

Рисунок 16

______________

* Заглушку поз. 10 в устройствах исполнений 12 и 16 для сосудов и аппаратов 1 и 2 группы применять с уплотнительной поверхностью «выступ» рисунок 24 ОСТ 26.260.466.

Таблица 1

Исполнение

Давление условное Ру, МПа

Температура среды, °C

Н, мм

Масса, кг

1

16

До 80

190

1,10

2

244

1,54

3

240

4,60

4

4

224

2,60

5

16

267

1,22

6

321

1,70

7

317

4,72

8

4

291

2,72

9

16

До 450

380

1,50

10

434

1,95

11

430

5,00

12

4

414

3,00

13

16

326

1,60

14

380

2,05

15

375

5,10

16

4

360

3,10

Пример условного обозначения устройства измерения давления исполнения 2, материального исполнения 3, на Ру 16,0 МПа:

Устройство измерения давления 2-3-16,0 ОСТ 26.260.475 - 2001

3.2. Технические требования - по ОСТ 26.260.472

СОДЕРЖАНИЕ

 



© 2013 Ёшкин Кот :-)