Информационная система
«Ёшкин Кот»

Скачать базу одним архивом
Скачать обновления
История создания базы
Карта сайта

Скачать Шифр 1481 Выпуск 0. Материалы для проектирования

Дата актуализации: 10.08.2017

Шифр 1481

Выпуск 0. Материалы для проектирования

Обозначение: Шифр 1481
Обозначение англ: 1481
Статус:не определен законодательством
Название рус.:Выпуск 0. Материалы для проектирования
Дата добавления в базу:01.09.2013
Дата актуализации:05.05.2017
Дата введения:27.11.1986
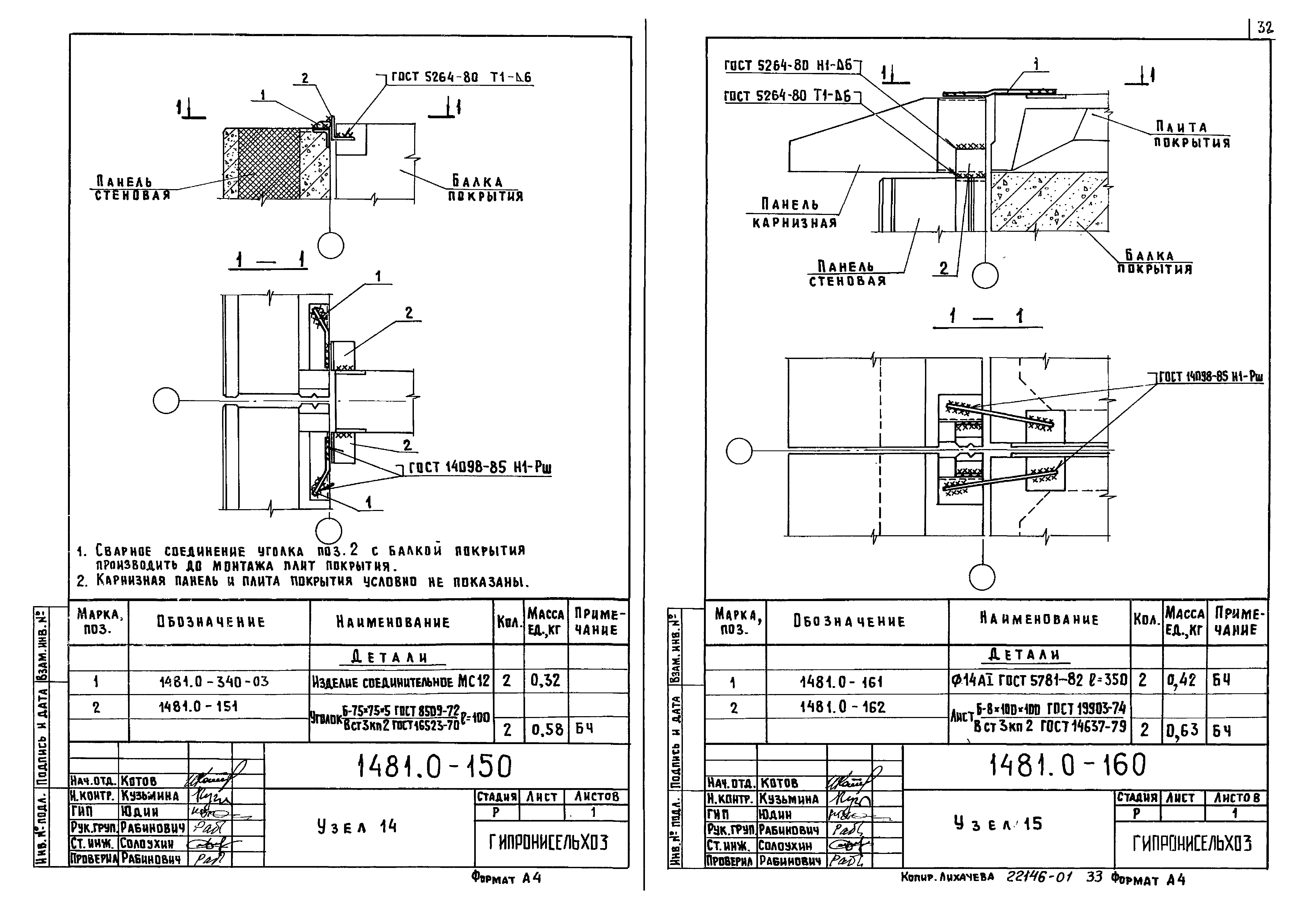
Область применения:Настоящий выпуск содержит проектную документацию на стены из железобетонных трехслойных панелей с эффективной теплоизоляцией для зданий хранилищ плодоовощной продукции
Разработан: Гипронисельпром Главсельстройпроекта Минсельхоза СССР
ЦНИИЭПсельстрой
ГипроНИсельхоз (Институт Гипронисельхоз )
Утверждён:27.11.1986 Госстрой СССР (Государственный комитет Совета Министров СССР по делам строительства) (USSR Gosstroy 6/3-109)
Расположен в:Техническая документация Строительство Справочные документы Типовые строительные конструкции, изделия и узлы Общероссийский строительный каталог Строительные конструкции, изделия и узлы зданий и сооружений для всех видов строительства Конструкции, изделия и узлы зданий Ограждающие конструкции Стены наружные Панели (бетонные и железобетонные)
Нормативные ссылки:
Шифр 1481Шифр 1481Шифр 1481Шифр 1481Шифр 1481Шифр 1481Шифр 1481Шифр 1481Шифр 1481Шифр 1481Шифр 1481Шифр 1481Шифр 1481Шифр 1481Шифр 1481Шифр 1481Шифр 1481Шифр 1481Шифр 1481Шифр 1481Шифр 1481Шифр 1481Шифр 1481Шифр 1481Шифр 1481Шифр 1481Шифр 1481Шифр 1481Шифр 1481Шифр 1481Шифр 1481Шифр 1481Шифр 1481Шифр 1481Шифр 1481Шифр 1481Шифр 1481Шифр 1481Шифр 1481Шифр 1481Шифр 1481Шифр 1481Шифр 1481Шифр 1481Шифр 1481Шифр 1481Шифр 1481Шифр 1481Шифр 1481Шифр 1481

© 2013 Ёшкин Кот :-) Карта сайта