Скачать ТУ 5216-007-44884945-2006 Ограждения дорожные удерживающие для автомобилей, первого типа, группы 11ДО и 11ДДДата актуализации: 10.08.2017 ТУ 5216-007-44884945-2006
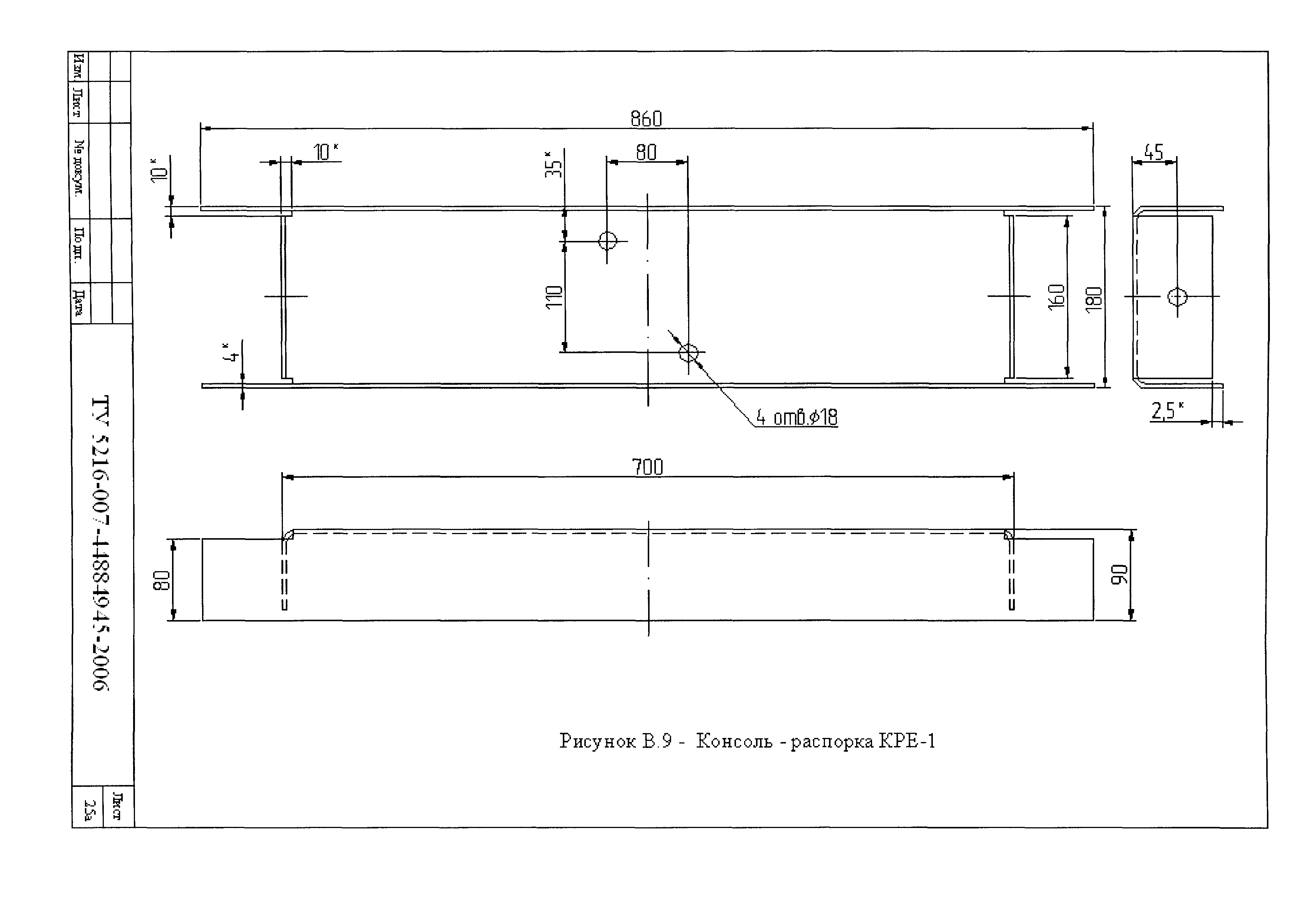
Ограждения дорожные удерживающие для автомобилей, первого типа, группы 11ДО и 11ДДОбозначение: | ТУ 5216-007-44884945-2006 | Обозначение англ: | TU 5216-007-44884945-2006 | Статус: | cправочные материалы, мп, тпр | Название рус.: | Ограждения дорожные удерживающие для автомобилей, первого типа, группы 11ДО и 11ДД | Дата добавления в базу: | 01.09.2013 | Дата актуализации: | 05.05.2017 | Область применения: | Технические условия распространяются на ограждения дорожные удерживающие для автомобилей, первого типа, группы 11ДО и 11ДД в одностороннем и двухстороннем исполнении для автомобильных дорог общего пользования, производимых ЗАО "Точинвест". | Оглавление: | 1. Технические требования 2. Праила приемки 3. Методы контроля 4. Транспортирование и хранение 5. указания по монтажу 6. Гарантии изготовителя Приложение А (справочное) Определение терминов Приложение Б (обязательное) Инструкция по установке ограждений Приложение В (обязательное) Приложение Г (обязательное) Нормативные ссылки | Разработан: | ЗАО Точинвест
| Утверждён: | 27.04.2006 ЗАО Точинвест
| Принят: | 27.04.2006 Департамент ОБДД МВД России
| Расположен в: |
| Список изменений: | | Нормативные ссылки: | |
                                            
|