Скачать Серия 1.132.1-14 Панели наружных стен железобетонные трехслойные толщиной 300 мм с утеплителем из полистирольного пенопласта и гибкими связями однорядной разрезки для крупнопанельных жилых зданий с шагом поперечных стен 3,0-3,6 м и высотой этажа 2,8 м. Рабочие чертежиДата актуализации: 10.08.2017 Серия 1.132.1-14
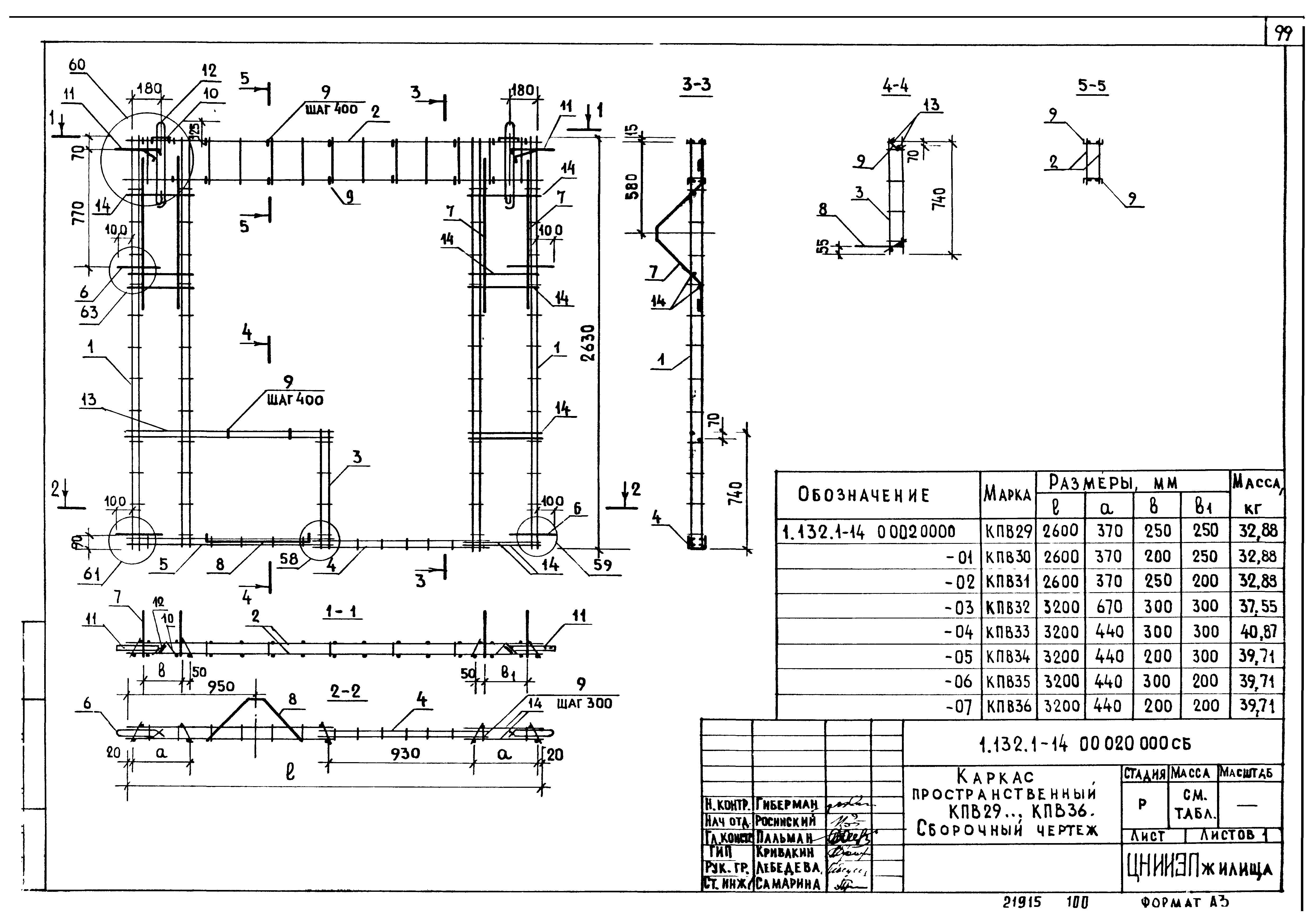
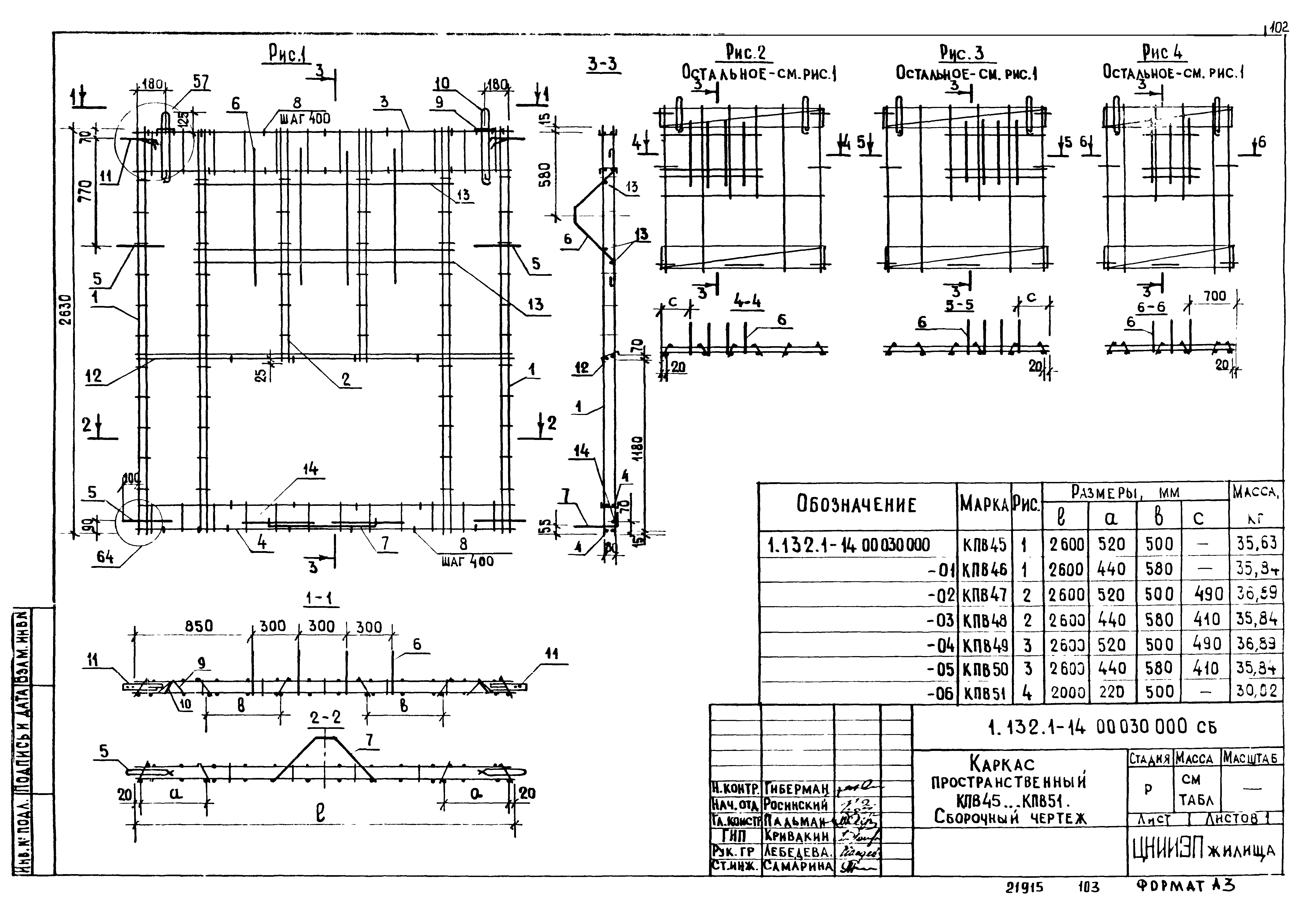
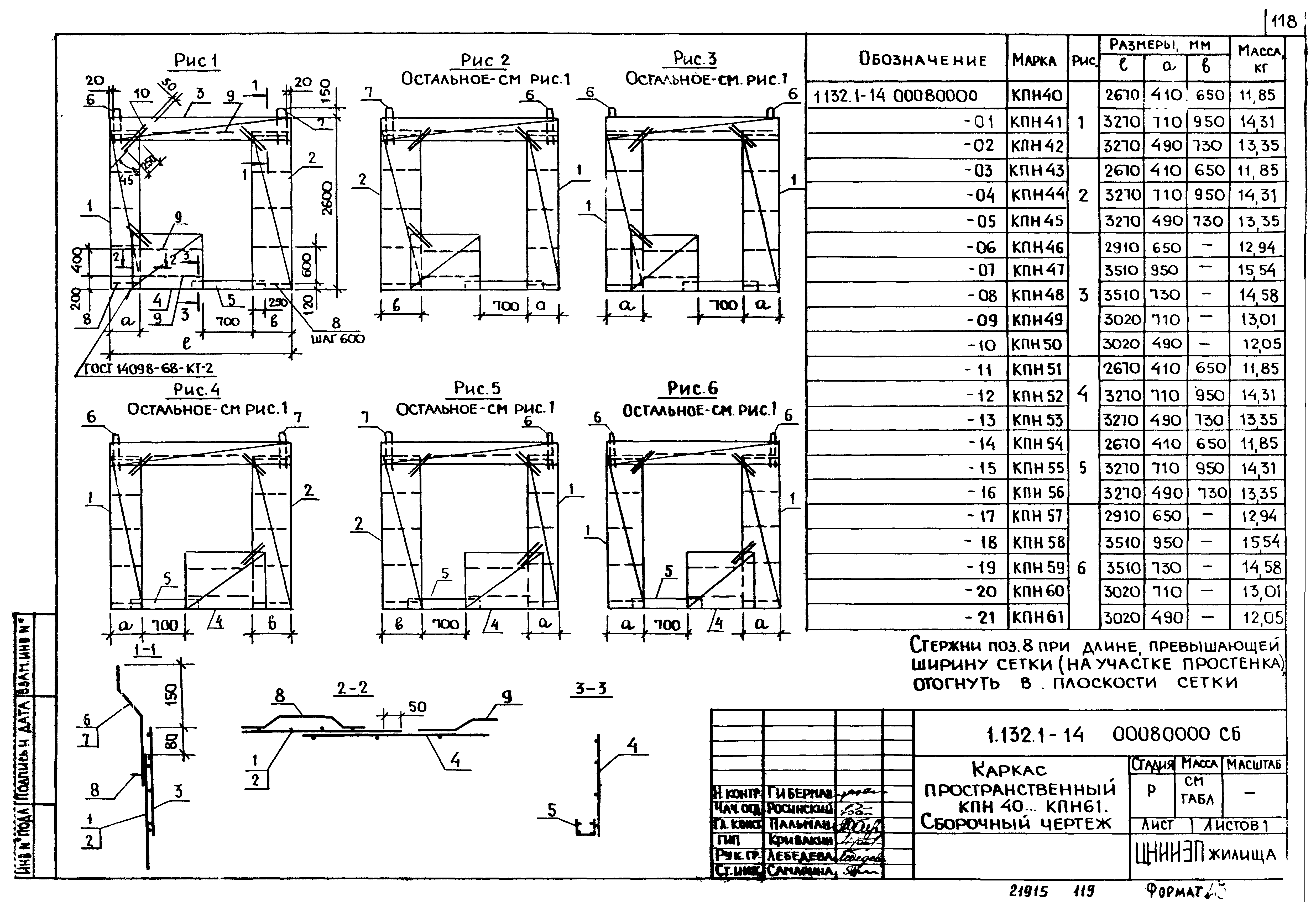
Панели наружных стен железобетонные трехслойные толщиной 300 мм с утеплителем из полистирольного пенопласта и гибкими связями однорядной разрезки для крупнопанельных жилых зданий с шагом поперечных стен 3,0-3,6 м и высотой этажа 2,8 м. Рабочие чертежиОбозначение: | Серия 1.132.1-14 | Обозначение англ: | Series 1.132.1-14 | Статус: | не определен законодательством | Название рус.: | Панели наружных стен железобетонные трехслойные толщиной 300 мм с утеплителем из полистирольного пенопласта и гибкими связями однорядной разрезки для крупнопанельных жилых зданий с шагом поперечных стен 3,0-3,6 м и высотой этажа 2,8 м. Рабочие чертежи | Дата добавления в базу: | 01.09.2013 | Дата актуализации: | 05.05.2017 | Дата введения: | 20.12.1986 | Область применения: | Трехслойные железобетонные панели с эффективным утеплителем и гибкими связями разработаны для наружных несущих стен крупнопанельных 5 - 9-этажных жилых зданий. Панели запроектированы применительно к сериям типовых проектов с размерами планировочной сетки, кратными 600 мм | Оглавление: | 1.132.1-14 00000000 ТО Техническое описание 1.132.1-14 01000000 Панель 3НС 1.132.1-14 01000000 СБ Панель 3НС. Сборочный чертеж 1.132.1-14 02000000 Панель 3НС 1.132.1-14 02000000 СБ Панель 3НС. Сборочный чертеж 1.132.1-14 02000000-06 СБ Панель 3НС. Сборочный чертеж 1.132.1-14 03000000 Панель 3НС 1.132.1-14 03000000 СБ Панель 3НС. Сборочный чертеж 1.132.1-14 03000000-03 СБ Панель 3НС. Сборочный чертеж 1.132.1-14 04000000 Панель 3НС 1.132.1-14 04000000 СБ Панель 3НС. Сборочный чертеж 1.132.1-14 04000000-07 СБ Панель 3НС. Сборочный чертеж 1.132.1-14 05000000 Панель 3НС 1.132.1-14 05000000 СБ Панель 3НС. Сборочный чертеж 1.132.1-14 06000000 Панель 3НС 1.132.1-14 06000000 СБ Панель 3НС. Сборочный чертеж 1.132.1-14 06000000-07 СБ Панель 3НС. Сборочный чертеж 1.132.1-14 07000000 Панель 3НС 1.132.1-14 07000000 СБ Панель 3НС. Сборочный чертеж 1.132.1-14 07000000-03 СБ Панель 3НС. Сборочный чертеж 1.132.1-14 08000000 Панель 3НС 1.132.1-14 08000000 СБ Панель 3НС. Сборочный чертеж 1.132.1-14 08000000-03 СБ Панель 3НС. Сборочный чертеж 1.132.1-14 09000000 Панель 3НС 1.132.1-14 09000000 СБ Панель 3НС. Сборочный чертеж 1.132.1-14 10000000 Панель 3НС 1.132.1-14 10000000 СБ Панель 3НС. Сборочный чертеж 1.132.1-14 10000000-02 СБ Панель 3НС. Сборочный чертеж 1.132.1-14 11000000 Панель 3НС 1.132.1-14 11000000 СБ Панель 3НС. Сборочный чертеж 1.132.1-14 12000000 Панель 3НС 1.132.1-14 12000000 СБ Панель 3НС. Сборочный чертеж 1.132.1-14 12000000-05 СБ Панель 3НС. Сборочный чертеж 1.132.1-14 13000000 Панель 3НС 1.132.1-14 13000000 СБ Панель 3НС. Сборочный чертеж 1.132.1-14 13000000-03 СБ Панель 3НС. Сборочный чертеж 1.132.1-14 13000000-06 СБ Панель 3НС. Сборочный чертеж 1.132.1-14 13000000-09 СБ Панель 3НС. Сборочный чертеж 1.132.1-14 00000000 Д1 Фрагменты I, II 1.132.1-14 00000000 Д2 Фрагменты III, IV 1.132.1-14 00000000 Д3 Фрагменты V, VI, VII 1.132.1-14 00000000 Д4 Фрагменты VIII, IX. X 1.132.1-14 00000000 Д5 Фрагменты XI, XII, XIII, XIV 1.132.1-14 00000000 Д6 Фрагменты XV, XVI, XVII, XVIII 1.132.1-14 00000000 Д7 Узлы 1… 5 1.132.1-14 00000000 Д8 Узлы 6… 9 1.132.1-14 00000000 Д9 Узлы 10… 13 1.132.1-14 00000000 Д10 Узлы 14… 18 1.132.1-14 00000000 Д11 Узлы 19… 22 1.132.1-14 00000000 Д12 Узлы 23… 32 1.132.1-14 00000000 Д13 Узлы 33… 41 1.132.1-14 00000000 Д14 Узлы 42… 47 1.132.1-14 00000000 Д15 Узлы 48… 51 1.132.1-14 00000000 Д16 Узлы 52… 57 1.132.1-14 00140000 Заполнение проемов 1.132.1-14 00140000 СБ Заполнение проемов. Сборочный чертеж 1.132.1-14 00010000 Каркас пространственный КПВ1… КПВ28 1.132.1-14 00010000 СБ Каркас пространственный КПВ1… КПВ14. Сборочный чертеж 1.132.1-14 00010000-14СБ Каркас пространственный КПВ15… КПВ28. Сборочный чертеж 1.132.1-14 00020000 Каркас пространственный КПВ29… КПВ44 1.132.1-14 00020000 СБ Каркас пространственный КПВ29… КПВ36. Сборочный чертеж 1.132.1-14 00020000-08СБ Каркас пространственный КПВ37… КПВ44. Сборочный чертеж 1.132.1-14 00030000 Каркас пространственный КПВ45… КПВ51 1.132.1-14 00030000 СБ Каркас пространственный КПВ45… КПВ51. Сборочный чертеж 1.132.1-14 00040000 Каркас пространственный КПВ52… КПВ63 1.132.1-14 00040000 СБ Каркас пространственный КПВ52, КПВ53. Сборочный чертеж 1.132.1-14 00040000-02СБ Каркас пространственный КПВ54… КПВ58. Сборочный чертеж 1.132.1-14 00040000-07СБ Каркас пространственный КПВ59… КПВ63. Сборочный чертеж 1.132.1-14 00050000 Каркас пространственный КПВ64… КПВ66 1.132.1-14 00060000 Каркас пространственный КПН1… КПН21 1.132.1-14 00060000 СБ Каркас пространственный КПН1… КПН21. Сборочный чертеж 1.132.1-14 00070000 Каркас пространственный КПН22… КПН38 1.132.1-14 00070000 СБ Каркас пространственный КПН22… КПН38. Сборочный чертеж 1.132.1-14 00080000 Каркас пространственный КПН40… КПН61 1.132.1-14 00080000 СБ Каркас пространственный КПН40… КПН61. Сборочный чертеж 1.132.1-14 00090000 Каркас пространственный КПН62… КПН72 1.132.1-14 00090000 СБ Каркас пространственный КПН62… КПН72. Сборочный чертеж 1.132.1-14 00100000 Каркас пространственный КПН74… КПН85 1.132.1-14 00100000 СБ Каркас пространственный КПН74… КПН85. Сборочный чертеж 1.132.1-14 00110000 Каркас пространственный КПН86… КПН91 1.132.1-14 00000100 Каркас плоский КР1, КР2, КР3 1.132.1-14 00000200 Каркас плоский КР4… КР14 1.132.1-14 00000300 Каркас плоский КР15… КР25 1.132.1-14 00000400 Каркас плоский КР26… КР36 1.132.1-14 00000500 Сетка С1… С12 1.132.1-14 00000600 Сетка С13… С23 1.132.1-14 00000700 Сетка С24… С32 1.132.1-14 00000800 Сетка С33… С44, С65 1.132.1-14 00000900 Сетка С45… С51 1.132.1-14 00001000 Сетка С52… С57 1.132.1-14 00001100 Сетка С58… С64 1.132.1-14 00001200 Сетка С66… С68 1.132.1-14 00001300 Изделие закладное МН4, МН5, МН6 1.132.1-14 00000001 Стержень гнутый АН1… АН6, АН12 1.132.1-14 00000002 Стержень гнутый АН7, АН8, АН9 1.132.1-14 00000003 Стержень гнутый АН10, АН11 1.132.1-14 00000004 Петля строповочная ПВ1… ПВ5 1.132.1-14 00000005 Петля строповочная ПВ6, ПВ7 1.132.1-14 00000006 Слив СЛ1… СЛ5 1.132.1-14 00000007 Слив СЛ6… СЛ9 1.132.1-14 00000016 Стержень А1… А20 1.132.1-14 00000017 Стержень А21… А40 1.132.1-14 00000018 Стержень А41… А58 1.132.1-14 00000019 Стержень А59… А78 1.132.1-14 00000020 Стержень А79… А95 1.132.1-14 00000021 Стержень А96… А104 1.132.1-14 00000000 Д17 Узлы 57… 59 1.132.1-14 00000000 Д18 Узлы 60… 63 1.132.1-14 00000000 Д19 Узлы 64… 66 1.132.1-14 00000000 Д20 Узлы 67, 68 1.132.1-14 00000000 РС Ведомость расхода стали 1.132.1-14 00000000 РМ Ведомость расхода материалов | Разработан: | ЦНИИЭП жилища
| Утверждён: | 11.12.1986 Госгражданстрой (Gosgrazhdanstroy 415)
| Издан: | ЦИТП Госстроя СССР (CITP, Gosstroy (USSR) 1987 г. )
| Расположен в: |
| Нормативные ссылки: | |
                                                                                                                                                                     
|